Fórum témák

» Több friss téma
Fórum » PC táp átalakítás
 
Témaindító: kand, idő: Nov 13, 2005
Lapozás: OK   125 / 200
(#) jdani hozzászólása Feb 8, 2013 1 /
 
Helló. Most hogy nézegettem a cikkeket, találtam egy olyan kapcsolást, hogy AT PC táp átalakítása ,,labortápegységgé,,. Nézegettem apróba, több az ATX mint az AT. Mi a helyzet az ATX táppal? Azzal is meg lehetne valósítani egy ilyen tápot? Régebb óta keresgetek egy jó kis tápot, ami cca 3A, kb 24V körüli. A cikkben az a táp 20V és 4A tudott. Az is jó... Tehát a kérdésem, van valakinek kapcsolása ATX táphoz, ha egyáltalán van ilyen?
(#) hmli hozzászólása Feb 9, 2013 /
 
A topicot visszaolvasva több hozzászólásban is említve van a következő primer oldali túláramvédelem: a főtrafó árama át van vezetve a meghajtótrafó 1 menetes tekercsén, így túl nagy áram esetén "elfogy" a meghajtójel. Ebben az esetben sípolva bár, de túléli a kimeneti rövidzárat.

Ha a tápom ilyen felépítésű, viszont már 2 garnitúra primer tranzisztort lőttem el kísérletezés közben, akkor tervezési hiba okozza a károsodást vagy nem 100%-os a fent leírt védelem?
(#) Ge Lee válasza hmli hozzászólására (») Feb 9, 2013 /
 
Ez egy elég jó kérdés. Erről csak egyetlen tapasztalatom van, mert sosem tettem még tönkre primer tranyót, és zárlatot is csak egyszer csináltam ilyen módon. Véletlenül rövidrezártam a készülő tápot (mert a kézből és szemből is kevés volt a kettő, mindegyikből legalább 3 kellett volna ) kb. 1,5-2 másodpercre. Elképesztő sziszegő, visító hangot adott, de semmi baja nem lett.
Van aki szerint jó, én nem tartom egy üzembiztos megoldásnak. A meghajtó trafó primerjeiről a két bázis ellenütemű vezérlőjelet kap. Ezen a trafón van még egy ötödik tekercs is, amin átfolyik a főtrafó (vagyis a primer) árama, de a vezérlőjellel ellentétes fázisban. Vagyis minél nagyobb áram folyik a primeren, ez annál inkább le fogja rontani a vezérlőjelet, ezért a tranyók egyre kevésbé fognak tudni bekapcsolni. Ami egyrészt jó, de lehet hogy olyan üzemállapot alakul ki (részben nyitott vagy részben lezárt félvezető), aminek a végeredménye az általad tapasztaltak lesznek.
(#) hmli válasza Ge Lee hozzászólására (») Feb 9, 2013 /
 
Akkor nem csodálkozom. Valahogy nekem is szimpatikusabb az áramváltós, Deadtime növelős megoldás.
(#) mtibi55 hozzászólása Feb 11, 2013 /
 
Sziasztok!
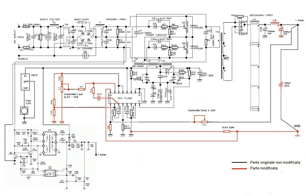
Megcsináltam az alábbi tápot és próbánál egy vinnyogás kíséretében eltűnt a kimenő feszültség. 16Von 8A-rel terheltem és az áramkorlátot tekertem le minimumra ekkor nyekkent mit rontottam el azóta nem indul el.
A hozzászólás módosítva: Feb 11, 2013
(#) Ge Lee válasza mtibi55 hozzászólására (») Feb 11, 2013 /
 
Gondolod elér odáig a szkópom zsinórja? Megméred, hogy az IC kap-e tápot, és megvan-e a Vref feszültség. Utána megnézed hogy a DT lábon mekkora fesz van (0V-nak kell lenni). Ha ezek rendben vannak, akkor már csak az kell a kimenetek működéséhez, hogy a hibaerősítők invertáló bemenetei magasabb potenciálon legyenek mint a nem invertálók. Ha ezek a feltételek teljesülnek, akkor működik a vezérlés. Ha mégsem, akkor rossz az IC. Minden más kikövetkeztethető a rajzból.
(#) mtibi55 válasza Ge Lee hozzászólására (») Feb 11, 2013 /
 
Közben kiszedtem a diódákat azok zárlatban vannak és az egyik primer tranyó is gyanús de kiveszem és megnézem úgy. De miért szállt el?
(#) Ge Lee válasza mtibi55 hozzászólására (») Feb 11, 2013 /
 
Nem tudom. Azért az érdekes, hogy a 8A-től nem lett baja, a letekert árampotitól meg igen. A primer diódák mentek tönkre? Ennél a megoldásnál egyedül akkor lehet gond, ha a poti vége elveszti a kontaktot a földdel, mert akkor a teljes Vref lesz a hibaerősítőn és nem a leosztott.
Illetve ha a szekunder dióda ment tönkre akkor érthető a dolog, lehet hogy kisebb volt. Ezen az ágon a legtöbb esetben csak egy 6A-es dióda van.
A hozzászólás módosítva: Feb 11, 2013
(#) 1984white válasza mtibi55 hozzászólására (») Feb 11, 2013 /
 
Idézet:
„16Von 8A-rel terheltem és az áramkorlátot tekertem le minimumra ekkor nyekkent mit rontottam el azóta nem indul el.”

Bocs hogy beleszólok, de hátha hasznos lesz egyik tapasztalatom:
Nemrég nekem is volt ilyen esetem és az ic (is) tönkre ment az én esetemben. A gond pedig annyi volt, hogy hosszú zsinórt hagytam a potméter kivezetésére és ennek a következményeként begerjedt a vezérlés és kinyiffant a kia494 (is) a primertranyók kíséretében. Ez a táp egy Acorp 250w atx táp volt. Ellenőrizd le a az ic-t is majd a javítás végén azt tanácsolom!
(#) epyn válasza 1984white hozzászólására (») Feb 11, 2013 /
 
A hosszú "zsinórt" megerősitem,nekem is zizegett valamelyik rész,igy nagyon hamar inkább a deszkára forrasztottam a trimmert.
(#) mtibi55 válasza Ge Lee hozzászólására (») Feb 11, 2013 /
 
A diódát párhuzamosítottam egy másikkal de alapból is 2x20A-es volt és csak az egyik nyiffant ki. A dióda és tranyó csere(persze párban) után újra elindult egy 2x30A-es dióda lett bele téve viszont ha az áram potit elkezdem letekerni akkor nagyon hülye frekin visít a táp amikor már beavatkozik a korlátozás.Ezt a visítást nem lehet valahogy kivenni belőle?
(#) Ge Lee válasza mtibi55 hozzászólására (») Feb 11, 2013 /
 
Egyáltalán nem kellene neki visítani. Valóban van benne egy cicergős átmenet, de ez nem csak a beállított árammal, hanem konkrétan a kitöltéssel van összefüggésben. A kialakított kapcsolás olyan (nagy átfogású), hogy az IC nem képes lineárisan csökkenteni a kitöltési tényezőt, csak egy adott mértékig. Van ugye a max kitöltés (mondjuk 46%), ami nem csökkenthető akármeddig, csak úgy, ha az IC ki ki kapcsol, és kihagy néhány órajelet. Az ilyen jellegű működés, (a trafók kivitele miatt is) már a hallható tartományba esik.
Nézd meg a szabályozó kör kialakítását, lehet hogy ott nincs rendben valami.
(#) mtibi55 válasza Ge Lee hozzászólására (») Feb 11, 2013 /
 
A fenti rajz szerint van minden annyi eltéréssel hogy a referencia felső ellenállása egy nagyobb trimmerpotira van cserélve hogy lejjebb lehessen venni a max áramot áramot.
(#) mtibi55 hozzászólása Feb 13, 2013 /
 
Már működik rendesen már mint feszültségileg, lehet szabályozni de a legkisebb terheléskor is elkezd sípolni, az áram korlátra viszont még jobban. A szekunder dióda elég rendesen melegszik már 1A terheléskor is és az utána lévő fojtó is nagyon meleg. Alap felállásban a táp biztije ki volt menve mikor hozzám került csere után viszont rendesen üzemelt ezért alakítottam át. Lehet hogy előző életében a vezérlő is kapott egy pofont?
A hozzászólás módosítva: Feb 13, 2013
(#) _vl_ válasza mtibi55 hozzászólására (») Feb 13, 2013 /
 
Milyen típusú az a szekunder dióda, és mi ill. hogyan hűti?
(#) mtibi55 válasza _vl_ hozzászólására (») Feb 13, 2013 /
 
Az eredeti bordán van S30D40C
(#) _vl_ válasza mtibi55 hozzászólására (») Feb 13, 2013 /
 
Ha ez egy PC táp, abban ventillátornak is kell lennie. 8A, ~0.5V, az max. 4 Watt, egy ventillátorral hűtőtt bordán ez max. 30-40 fokkal mehetne a környezeti hőmérséklet felé.
(#) mtibi55 válasza _vl_ hozzászólására (») Feb 13, 2013 /
 
Igen van benne de pont azért nem járattam hogy meg tudjam nézni a melegedést és 1-2A-nél még nem illene melegedni neki amikor majdnem 20-at kellene tudni neki nem?
(#) _vl_ válasza mtibi55 hozzászólására (») Feb 13, 2013 /
 
2A-nál 1 Wattot fog disszipálni, amivel ventillátor nélkül 10-20 fokot kellene melegednie.

Azt ne vedd szentírásnak, hogy megfelelő méretű ventillátor nélkül a 20A tényleg menne neki...
(#) Ge Lee válasza mtibi55 hozzászólására (») Feb 13, 2013 /
 
Igen, ha az eredetileg 5V-os ágba raktad. A 12V-osban több mint 50V van, azt a 40V-os dióda nem fogja szeretni (nem véletlenül teszi bele a kici kínai a 200V-osat).
(#) mtibi55 válasza Ge Lee hozzászólására (») Feb 14, 2013 /
 
Nem a kivágott közepűt csináltam meg hanem azt amelyik eredetiben használja a trafó 12V-os részét. Akkor is nagyobb diódát használjak? A fojtó miért melegszik? És miért sípol bármilyen terhelésnél?
A hozzászólás módosítva: Feb 14, 2013
(#) Ge Lee válasza mtibi55 hozzászólására (») Feb 14, 2013 /
 
Akkor kb. 54-56V-ot (plusz tüske) kap a 40V-os dióda, nem véletlenül volt benne 200V-os, de ezt már leírtam. A többire nincs ötletem, a fojtónak néhány A-nél sem kellene melegedni, és a tápnak sípolni sem.
(#) 1984white válasza Ge Lee hozzászólására (») Feb 14, 2013 /
 
Idézet:
„A többire nincs ötletem, a fojtónak néhány A-nél sem kellene melegedni, és a tápnak sípolni sem.”

Attól nem lehet hogy a kimeneti terhelő ellenállás a gyári? Nagyobb értékűre kellene cserélni ha nagyobb a kimenőfeszültség mint a gyári, legalábbis szerintem.
(#) mtibi55 válasza 1984white hozzászólására (») Feb 14, 2013 /
 
Nincs terhelő ellenállás (lásd rajz).
(#) 1984white válasza mtibi55 hozzászólására (») Feb 14, 2013 /
 
Szkópod van? Esetleg meg kéne nézni a primertranzisztorok bázisán a vezérlőjelet. Írtad hogy ciripel is. Ha nincs szkóp, akkor látatlanba cseréld ki a két egyforma kicsi elkót (10-100uf környéke) a primer borda környékén. Esetleg lehet gerjedés is a tl bemenetein is, ezt úgy tudod tesztelni, hogy kikötöd a potmétereket és ellenállással helyettesíted ideiglenesen.
(#) mtibi55 válasza 1984white hozzászólására (») Feb 14, 2013 /
 
Annyit észre vettem hogy ha hagyom fullon menni a tápot minden vissza csatolás nélkül kb 26V-on akkor nem sípol sem üresen sem terheléssel.
(#) mtibi55 hozzászólása Feb 14, 2013 /
 
Megoldódott a sípolás az első fojtó utáni a rajz szerint 3300 mikros kondit simán kidobtam és megszűnt a sípolás se terhelve se terhelés nélkül.
(#) 1984white válasza mtibi55 hozzászólására (») Feb 14, 2013 /
 
Hogyan oldod meg a full állapotot? (poti kikötés?)
Idézet:
„Megoldódott a sípolás az első fojtó utáni a rajz szerint 3300 mikros kondit simán kidobtam és megszűnt a sípolás se terhelve se terhelés nélkül.”

Puffer ilyet nem csinál, csak ha rossz.
A hozzászólás módosítva: Feb 14, 2013
(#) mtibi55 válasza 1984white hozzászólására (») Feb 14, 2013 /
 
Igen a potikat kikötöttem. Márpedig úgy tűnik hogy csinál mert így jó.
(#) 1984white válasza mtibi55 hozzászólására (») Feb 14, 2013 1 /
 
Nem lehet hogy neked a potméter gerjed, mint nekem régebben?
Következő: »»   125 / 200
Bejelentkezés

Belépés

Hirdetés
XDT.hu
Az oldalon sütiket használunk a helyes működéshez. Bővebb információt az adatvédelmi szabályzatban olvashatsz. Megértettem