Fórum témák
» Több friss téma |
Fórum » Labortápegység készítése
Idézet: „emiter ellenállásának egyáltalán nem kell pontosnak lenniük” Lókakát! A nem egyforma ellenállásokon nem egyforma feszültség fog esni, te azt a feszültséget fogod EGYFORMÁN összeadni az 1%os ellenállásaiddal. Egyértelmű, hogy az árameloszlásra nem érzékeny az áramkör. Nálam "drótozott" áteresztők lesznek, és az emitter ellenállások is a bordán kapnak helyet, emiatt is marad a külön sönt, ami nálam is több darabból fog állni mint ahogy már írtam is! Idézet: „Söntnek is valami normális, minimum fémréteg ellenállásokat használnék” Nem óhajtok tovább ezzel a témával foglalkozni, úgy gondolom elég mélyen kiveséztük a témát. Akit nagyon érdekel az majd leszimulálja, az alkatrészszórást, meg amit még akar. Inkább kifejthetnéd ez a Idézet: dolgot! „13,5 biten használom PIC 12 bites A/D-jét” Idézet: „Az OP2 bementi feszültségei messze a tápfeszültsége felett van.” Ha jól látom akkor az OP2 bemenetén 27-28V van. Ez valóban több mit 24V. Ha LM324-et használnék akkor +-18V táp már bőven elég kellene, hogy legyen. Nem értem, hogy miért lenne jobb a +20V -5V tápfesz.
Meglett
Cirruslogic gyártmány CS5534 típus.
Hello!
Itt mindenki másról beszél, Te meg azt olvasol ki belőle, amit szeretnél. Az ábrán +-12V volt a tápfesz. Ez a megoldás, akkor sem túl szerencsés, ha az IC feszültsége nagyobb, mint a kimeneti feszültség. Bár IC szempontjából ez megfelelő lenne (nem a +-18V, hanem a 0/36V) De mivel a feszültség 0..30V között mászkál, kis bementi asszimmetria közösmódusú hibát hoz létre. Vagy is 5A terhelőáramra 0V kimeneti feszültségnél, és 30V kimeneti feszültségnél,más és más feszültséget fog mutatni a kimenet. Persze a pontosság igény, mindig kérdés. Egy aksitöltőnél, ez biztos jó, de egy labortápnál már szerintem nem. Gyártók gyártanak ilyen cél IC-t, de ott szerintem lézerel jusztírozzák a belső áramköröket. Árában meg is fog látszani.. üdv!
Idézet: „A nem egyforma ellenállásokon nem egyforma feszültség fog esni, te azt a feszültséget fogod EGYFORMÁN összeadni az 1%os ellenállásaiddal.” Nem összeadni, átlagolni! Oké, legyen mondjuk csak 3db emitter-ellenállás. Ebből 2db legyen 0,1Ohm-os, egy viszont 0,13Ohm-os! Folyik rajtuk 3-3A, ekkor a két 0,1Ohm-on 300mV esik, a 0,13Ohm-oson pedig 390mV. Az átlagolás után ez 330mV lesz. A műszerünk végkitérése legyen 1V, tehát 1V-nál mutasson mondjuk 10A-t. Mivel a 3*3A azaz 9A esetén 330mV-unk van, ezt erősíteni kell egy roppant szép számmal: 2,72-vel, a hetes és a kettes felett pont. Így lesz pont 900mV az erősített jel. Ha az áram lecsökken mondjuk a felére, tehát legyen 1,5-1,5A a tranzisztorokon, akkor a két 0,1Ohm-os emitter-ellenálláson 150mV lesz, a 0,13Ohm-on pedig 195mV. Átlaguk 165mV lesz. De nekünk ugyebár ebből 450mV-ot kell csinálnunk a helyes kijelzés miatt, a 450mV osztva a 165mV-al pedig ugyan annyi lesz mint az előbb (2,727272...). Szóval mi a probléma? Idézet: „Nálam "drótozott" áteresztők lesznek, és az emitter ellenállások is a bordán kapnak helyet, emiatt is marad a külön sönt, ami nálam is több darabból fog állni mint ahogy már írtam is!” Tehát akkor még drágább lesz! (Bár nem mintha ez lényeges szempont lenne.)Idézet: „Inkább kifejthetnéd ez a...” Google: túlmintavételezés, oversampling. Én ilyennel próbálkoztam eddig, itt még csak 13 bit lett a 12-ből: Bővebben: Videó Sőt itt még csak 320db mintából dolgozott a PIC, azóta feltornáztam 13,5 bitre és durván 5000db mintára. ![]() Ezzel egy probléma van csak, hogy sajnos a felbontás növelésével a linearitás-hiba is nő.
Na ez egy jól kiásott, rendesen betonozott, alapozott válasz.. Amire lehet támaszkodni...
Más: Lenne valaki oly kedves és rátekintene egy elméleti szinten létező áramkörre? Mondjuk Attila? Éppen olyan kapcsolásról van szó, amit te álmodtál meg én meg javítottam rajta egy picit és méreteztem (automata méréshatárváltó). Elküldeném mailbe vagy a kapcsolási rajzot, vagy a szimulátorban összeépített működő kapcsolást. A lehetséges buktatói érdekelnének, ha vannak a kapcsolásnak.
Mára az agyam már kiállt hibára.
Idézet: lesz agyam elgondolkodok rajta, és a megvalósításán is.„Nem összeadni, átlagolni!” proli007 ! Nem jött át a mondanivalód ( ez most nem feltétlen a te hibád de) kifejhetnéd bővebben az a közösmodusú hibát.
Inkább azt javaslom, próbáld ki..
Az az automata méréshatárváltó engem is érdekelne, ha...
(folyamatban van egy icl7135-tel felépített feszmérő 3 méréshatárral)
Folyamatban van, 74HC02 két opa meg egy tranyó és reed-relé, illetve olyan ellenállások, amiket találtam...
Csak egy külső szemlélő is megnézhetné, hogy jó lesz-e?
Nekem volt deszkamodellen egy ilyen táp (szabályzott oldali áramfigyeléssel)..De most az nem jött át mit, hogyan kell kipróbálni
![]() gordonfreemN ! én megnézném! A hozzászólás módosítva: Feb 26, 2013
Én privátban nem válaszolok szakmai kérdésekre sosem.
Most tartok ott, hogy eldobom a ceruzám. Részint felfogtam amit írtál, de nem bírom kiolvasni belőle a választ a kérdésemre.
Annyit kapizsgálok belőle, hogy +-15V OPA tápfesz már korrekt kéne, hogy legyen. Vagy tényleg nem értem miért jobb az aszimmetrikus táplálás.
Igen igen. Bár nálam az volt az alap gondolat, hogy a logikai részt rábízom egy attiny-re. Viszont én egy többmegcsapolásos osztóra gondoltam. Erősíteni meg nem akarok, ref fesz 200mV, méréshatárok 2-20-200volt. De még adatgyűjtés stádiumában vagyok.
Ha már mikrovezérlő akkor csinálhat az mindent!
Köszi, megnéztem, ez tényleg csak ingyenes termékmintában van jó áron
Hello!
Az aszimmetrikus táp kizárólag itt azért "jobb", hogy a bementi jel beleférjen az IC CMRR tartományába. Ha +-15V-ot használsz, akkor ott. kb 0..12V-ig használhatod az IC-t, mív a negatív oldalt nem tudod használni, hiszen a táp kimenete csak pozitív tartományú. Ha aszimmetrikus tápot használsz, javul a helyzet. De ha lehet ne rajtam kérd számon, amit alapvetően nem én ajánlottam. Én csak belebeszéltem egy kapcsolásba, amit nem kifogásolt senki. Részemről ennyi. üdv!
[off] Nem kértem rajtad számon tudom, hogy nem te ajánlottad. Utána olvasok még a témának mert nem értem, hogy ezek a számok hogyan jönnek ki. Elnézést csak amit írtál abból nem igen tudtam kihámozni, hogy mi lehet a válasz a problémámra.
Ha jol ertem, akkor arrol van szo, hogy a jel legyen eleg nagy ahhoz, hogy egyaltalan erositeni tudd, de legyen eleg kicsi, hogy ne komparatorkent uzemeljen az opa?
Hello!
Azt kell kipróbálni hogyan működik, miközben a kimenő feszültséget változtatod.. Mi mást? üdv!
Ma már átjött az infó!
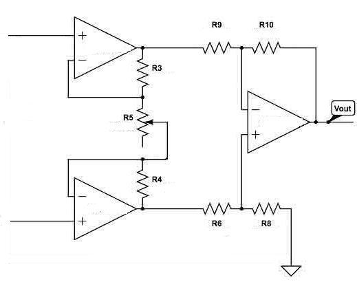
Teljes mértékben igazad van! Valóban van ilyen hiba, még 1%-os ellenállások használatával is. Egy rendes differenciál erősítő 3 OPA-t kér, lásd melléklet. Ahol már az első két opa (és kapcsolása) jelentősen javít a CMRR-n. Én elspóroltam az a két opa-t, így persze eléggé érzékeny a kiegyenlítetlenségre. Ezért én összeválogattam az ellenállásokat, és a kisebb ellenállású "oldalt" megtoldottam egy pár száz ohmos potival. Ezzel be lehetett lőni az áramkört "hibamentesre".
Sziasztok!
Gondolkodom rajta, hogy bipoláris tranzisztorok helyett FET-et használnék a készülő tápomban. Ahogy olvasom sokkal jobb lenne. Viszont akárhogy keresek nem igen találok FET-es kapcsolások. Ennyire nehéz megcsinálni vagy csak a megszokás nagy úr?
Kérdezd meg róla Proli007-et. (Lapozz vissza a 72. oldalra itt. Én már az sem tudom, hogyan kell egy oda mutató linket ide betenni) sziasztok.
Ide írom mert a weboldalam hamarosan le lesz cserélve úgy ahogy van és ha most oda írnám akkor az már elveszne. Nagyon sokan kérdeztétek hogy hogyan áll az SMPS Labortápegység II. Jelentem most összeraktam a legújabb paneltervet (31.) és ez tökéletesen működik, egyenlőre semmilyen hibát nem találtam benne. Uki lekapcsolt kimenet esetén 0,0mV (ennek elérése korábban komoly probléma volt), Uki max 50V Iki max 10A, melegedés nevetséges. Feszültség és áramgenerátoros üzemmódok is tökéletesen működnek, gerjedés és reteszelődés nincs, kimeneti zaj fesz és áramgenerátoros módokban is gyakorlatilag nem kimutatható! (Komolyan mondom hogy arra gyanakszom rossz a szkópom mert ez tényleg nagyon hihetetlenül hangzik hogy kiveszek belőle mondjuk 7,5A-t 24V-on és egyszerűen nincs abszolúte semmi zaj a kimeneten...)
Szóval türelem, még 2-3 hét mire bedobozolom szépen, lefotózgatom és megírom hozzá a cikket.
Nyugodtan fejezd be, húsvét után is bőven ráér.
Szia Attila!
A jo(bb) munkahoz ido kell. A kapcsolas megertesehez pedig jo kis leiras, ami szinten ido. Tehat abbol van a legtobb neked, nekunk pedig türelemből. .. es tudod, ha kell segitunk... Jo munkat!
Sziasztok!
Haver megépítette ezt, annyi gond van, hogy az áramkorlát ledje folyamatosan világít akkor is, ha épen nincs valójában áramkorlát. Tehát rápattintottunk, egy 12V 0,8A izzót, és maxra tekerve az áramerősséget még mindig világít a led. Pedig az áramfelvétel megmérve 0,8A. A BC141 jó, kimértük. Tudnátok valami ötletet adni A hozzászólás módosítva: Márc 3, 2013
|
Bejelentkezés
Hirdetés |




(Bár nem mintha ez lényeges szempont lenne.)






