Fórum témák
» Több friss téma |
Több áramkört is találtam az LDR megvilágítására.
1: PWM Demó: Link, 2: Feszültségvezérelt áramgenerátor, SCH: Link, PCB: Link. ( Ezeket még nem teszteltem az DS1804-el, de jól működnek... ) 3: PWM2: Link. A C: 100nF. IC:MC1458. A bázis ellenállással sorban kellet egy zéner dióda mert ez az OPA alacsony szinten is nyitva tartotta a tranzisztort. ( Lehet az LM324 vagy ezzel megegyező típus jobb lenne. ) UT:5V. A PWM potenciométer helyére kell kötni az digitális potenciométert. A tápfeszültségekhez menő ( a kapcsolásban 100K-s ) ellenállásokkal a PWM (Digi-poti) működési tartományát lehet belőni. A GND felé 130K*. A tápfeszültséghez 100K lett bekötve. 4: 555+OPA PWM: Link. Nem teszteltem. Próbáin során az LDR a fehér és kék LED-ekre volt a legérzékenyebb. Én fehéret LED-et használtam elég kicsi nyitóárammal. Az LED-LDR optocsatolót egy kiszáradt fekete filctoll házából rögtönöztem. Az idősítő áramkörnek a 4060-as időzítő áramkört: Link néztem ki. ( A megadott értékekkel a 19 másodperces kimenettel KB 30 perc, a 38 másodperces kimenettel KB 1 óra lenne a 100 lépés. Ezt az áramkört most nem tudtam tesztelni. ) A hálózati áramkör szerintem elkészült. ( Már ami az elvi kapcsolást illeti. ) Ezt mellékelem. A Vezérlés része szerintem itt már OFF lenne. Azokat majd kitárgyaljuk a megfelelő témákban. Köszönöm a segítséget!
Szia Jani,
látom most már majdnem kész van és elég meggyőzőek lettek az eredmények is. Nekem még nem minden teljesen vilagos, de legalább körvonalazodik, hogy milyen lesz a végső aramkör. A 30 perces variáns 19 s-nál és az 1 óras varians 38 s-nál nagyon jó lesz.
Az időzítő áramkört még nem tudom tesztelni, de eredeti formájában nem tudjuk ehhez az áramkörhöz illeszteni. Igencsak át kell majd gondolni. Szerintem az egy órás felfutási idő bőven elegendő lesz. Ha kell rögtönözhetek egy blokksémát.
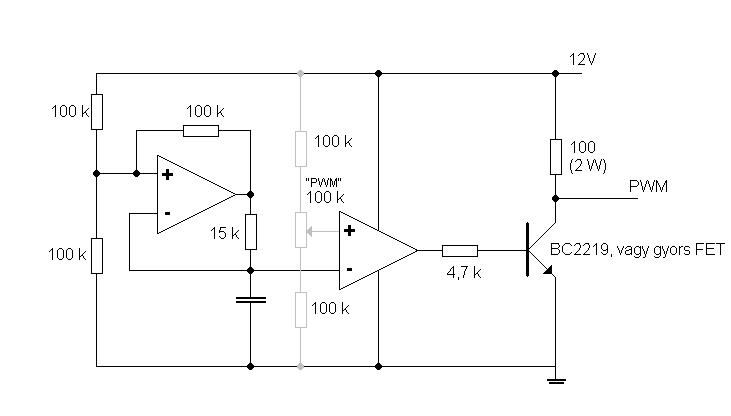
El is készült a vázlat. Nem túl szép de azt hiszem a lényeget lehet látni.
Hello!
Csak egy megjegyzés.. Mivel ez egy vezérlési lánc, itt első sorban a linearitás a kérdés. De lehetőség van egy másik LDR-el figyelni a lámpa fényerejét, és azt visszacsatolni a szabályzóba, vagy a két Led világít bele egy-egy LDR-be. Az egyik vezérli az U2008-at, a másik visszacsatol. Elsőnél a fényerőt, másodiknál az LDR karakterisztikát lehet "linearizálni". (Erre egyébként van külön optocsatoló LDR, de analóg opto is ha jól emlékszem TIL300 néven) Persze nem tudom mi a cél, és hogy az amit a lámpán egy LDR lát, az megfelelő-e számodra. üdv!
Nem ragaszkodom nagyon ehhez a vezérlési lánchoz. De a meglévő alkatrészeimmel most ezt tudtam tesztelni. Tudom lesz egyszerűbb ( MCU nélküli ) megoldás is, csak meg kell találnom.
Az áramkör lelke az időzítő. Amint lesz alkatrész, a kapcsolás is egyszerűsödhet. Kicsit hátulról kezdtem ezt a projektet. S a változtatás felborította ez eredeti elképzelésem. Majd kipróbálom a szabályzót optocsatolóval. Az optocsatolónál meg igencsak szükség lesz a visszacsatolásra. Ezen még dolgoznom kell...
A számlálód kimenetére rakhatsz egy R-2R ellenállás létrát is.Így kapott analóg jel mehet a poti helyére.Bár amíg nincs tisztázva mekkora terhelhetőségű a saját tápja ,addig külön táp is kellhet hozzá.
Külön tápegység fog kelleni a vezérlő áramkörnek. Sajnos az U2008-as tápegysége még a 4mA plusz terhelést sem bírta el. Ezért kellett az optikai leválasztás. Eredetileg csak a léptetőjelek átvitelére kellett volna optocsatoló. De ember tervez... Korrekt hosszúidejű időzítőt csak számlálósat találtam eddig, amit könnyen után lehetne építeni egy kezdőnek is. Bár az egyik 555-ös témában volt egy impulzustöltéses kondenzátoros kapcsolás. Majd megkeresem s tesztelem.
Hello!
Nem igazán követtem elejétől fogva, mit készítesz, de egy kapcsolást, amit Proba említ, ide tetem fel. Ez 32 perc alatt növeli a fényt. üdv!
Úgy nézem ,ott is jobban tetszett neki a digitális potméter.
Igen. Mint lehetőség ez is számításba került.
Hello! Megnéztem, 30 perc alatt, a 16 lépést sem igazán lehet már megkülönböztetni.. üdv!
Ez jó hír. Amint tudom én is összerakom a próba kapcsolását az áramkörnek.
Én csak tesztelek. Nem nekem kell a végső változatra rábólintani... A MOSFET-ekkel nem vagyok nagyok köszönő viszonyban. De elvileg a 30-45 perces lassú (fel-le) megvilágítást meg lehetne valósítani? Az eddigi áramkörök is ezt a feladatot látják el.
Igazából csak a számláló utáni AD részt gondoltam eredetileg.Ha a le számlálás nem kellene , gondolom 1mA fogyasztással is elvolna,így lehet az eredeti tápról is elmenne.
Ha a számláló ic kimeneteire tett ellenállás hálózatot megépíted belőle ,a nagyfeszültségű rész maradhat az eredeti.Esetleg a fogyasztása is leszorítható lenne hogy az ic táplálja.
Szia
Ami készül az egy olyan áramkör lenne, ahol egy 230 V-os izzónak a fényerejét körülbelül 30-45 perc alatt 100 %-ról nullára csökkenti. Átolvastam az általad elküldött linket, amit egy amatör számára nem volt egyszerü megérteni. A mi esetünkben ez úgy nézne ki, hogy az izzó világit és egy kapcsoló hatására meg kezdödne az egő halványodása. Ami a 16 fokozatot illeti még az is jó lenne, úgy gondolom azt már nagyon nehezen lehetne szemmel érzékelni.
Hello!
- Én ezt csak példaként rajzoltam Led-ekhez. De gyakorlatilag ugyan ezt csinálja, csak "visszafelé". Vagy is nem csökkenti, hanem növeli a fényt. - A fokozatok számát tetszőlegesen lehetne növelni az R-2R létrahálózat bővítésével. A 4040-nek ott vannak a további kimenetei. Csak én nem tartottam szükségesnek. - De ha az ember csökkenő fényt szeretne, csak a PWM jel invertáltját kell használni. Vagy is mivel nem lesznek teljesítmény Led-ek, (nem kell a Fet) egy optocsatolót lehet kötni az U4 3-as és 8-as lába közé, persze soros ellenállással. Az opto tranyójával, meg lehet vezérelni a fázishasítást végző IC-t. Csak integrálni kell az opto kimeneti jelét.. (Jani érteni fogja amit írok, és össze is illeszti, ha kedve van hozzá.) Egyébként nem komplikált ez, meg le is írtam, hogyan működik. Nyilván alapelméletekkel tisztában kell lenni, megértéséhez. De ha ez sikerült, én már nem dolgoztam hiába.. üdv!
Át kell még rágnom magam az áramkörökön és a javaslatokon.
Véleményem szerint az fényerőszabályzó: Link áramkör véglegesnek tekinthető. Már nem akarok benne semmit változtatni. Legfeljebb még a 4N25-ös optocsatolóval teszek pár tesztet. De mint írtam a megadott fotoellenállással is tökéletesen működik a szabályzás. Érdemes után építeni! Proli007: Át fogom gondolni! [off]Még keresem az "ideális" áramkört.
Szia simpi,
A teáltalad készitett ébresztő lámpa jól sikerült, én is kerestem a neten egy hasonló lámpat, mint amit te készitettél, mielött a fórumban irtam. De sajnos olyat, hogy a naplementét szimulálja nem találtam. Valószinűleg a te általad készitet lámpa lenne a legegyszerűbb, ha tudnék hozzá programot irni, de sajnos ez egyelűre még akadályt jelent.
Sziasztok! Szeretném megkérdezni, hogy ha építek egy ilyen hálózati fényerő szabályzót, akkor izzó, helyett pl villanybojler fűtőszálat is szabályozhatnék vele? Üdv! Balázs
Hello!
Lehet vele szabályozni, de már komolyabb triac kell, és hűtéssel, mert ott már 8..13A is folyhat. Nem úgy mint egy izzónál. Meg komoly zavarjelet is generálhat, hálózatot is rángatni fogja. üdv!
Szia! Ezzel a kapcsolással próbálkoznék, ebben a BT137 triak van, ez 8 amperes, tehát 1840Wattot bír... a fűtőszűl 1600W os maximum. Esetlek érdemesebb jóval túlméretezni? Mert akkor nagyobb triakkal próbálkoznék... A zavarjelet mi generálja? a diac ahogy kapcsolgatja a triakot? Esetleg lehet pufferelni kondival? Vagy hogyan lehetne a rángatást megszűntetni?
Fűtőszálhoz inkább valami 230V-al szinkronizált kapcsolás való.Csak teljes hullámot kapcsolnák rá.Ha egyszerű ick-kel kellene megoldanom ,talán két számlálót tennék az egyik a hálózati nullátmeneteket számolná,a másik pedig egy lassú órajelet.Amikor a két számláló egyezik fűtőszál kikapcsolása a nullátmenet számláló túlcsordulásáig.A számlánc hossza behatárolja a felbontást ,a segéd órajel pedig a felfutás hosszát.
Szia! Esetleg fettel, vagy igbt vel meg lehetne oldani? ha igen, akkor már pwm-el lehetne esetleg vezérelni, nemde?
A triaknál jobb vezérlést 230V -ra nem igazán hiszem hogy találsz. A legtöbb alkatrész polaritás érzékeny,ettől fogva egy csomó gondot a nyakadba veszel ,ami triaknál nincs.
Szerintem fűtőszálra ,nem hálózattal szinkronizált "PWM" -et felejtsd el. (Végül is a számlálós is PWM ,csak hosszú periódus idővel ,és a hálózathoz szinkronizálva.) A hozzászólás módosítva: Márc 14, 2013
Egyébként egy fűtőszálnak mindegy hogy váltó vagy egyen áramról megy nem? Mert akkor valami extrém nagy teljesítményű diódahíddal lehetne egyenirányítani, és onnantól mehetne a fetre? Csak próbálok megoldást találni....
Helo!
Az, hogy egy Triac 8A-es, még nem jelenti azt, hogy azon biztonsággal üzemelni is tud. Kivétel ha ruszki, mert az úgy van méretezve, hogy "fát is lehet a hátán közben vágni". A zavarjelet az okozza, hogy a félperiódus egy adott feszültségű pontján "bevágod" az 1600W-ot. Ezt a lehető leggyorsabban kapcsolja a Triac, mert különben belepusztulna. Egy sima lámpa szabályzóban is találsz komoly zavarszűrő egységet. It meg fokozottabban kellene szűrni. Amiről Proba ír, az fűtőberendezéseknél általános, nullátmeneti kapcsolónak, vagy impulzuscsoport szabályozásnak hívják. Egyfajta PWM szabályozás. Ott a Triac a nullátmeneteknél kapcsol, így a legkisebb a zavarjel. Ha nem számítjuk a hálózat "rángatását", ami vasaláskor s megfigyelhető. A lámpával ellentétben ez megtehető, hiszen egy fűtőbetétnek (fűtött tömegnek) ellentétben egy lámpával sokkal nagyobb a hőtehetetlensége. Nem fog villogni. Persze a fűtőbetétet azért jobban igénybe veszi a hőtágulás. Ennek manapság a legnépszerűbb eszköze egy SSR (szilárdtest relé), de egy MOC optocsatoló is, ami grátiszból még le is választja a készüléket a hálózatról és csak a Triac-al és néhány elemmel kell kiegészíteni. A nullpont kapcsoló be van integrálva az IC-be. De a végleges megoldást, a készítendő berendezés egyéb paraméterigények is befolyásolhatják. üdv!
Köszönöm, hogy ilyen részletesen leírtad! Utánanézek ennek a nullátmenet-kapcsolós megoldásnak!
Sziasztok!
Felemrült bennem a igény egy olyan áramkörre, ami lassan kapcsolja fel a világítást. Arra gondolok, hogy ha felkapcsolom a villanyt, akkor a teljes fényerőt pár másodperc alatt érjék el az izzók. ezzel kímélem az izzókat és még jól is néz ki, anélkül, hogy zavaró lenne. Ismerem az itt is felrakott triakos szabályozót, de azt kézzel kell tekerni. Mivel csöves vonalon mozgunk most egy barátommal (együtt álltunk neki), rögtön egy FETes áteresztő jutott eszünkbe, amit egy RC taggal futtatunk fel. EL is készült, de több problémával szembesültünk. Az első gond oka a gate ellenállás elhagyása volt, mert iszonyatos hálózati zavart generált. Ami a képen látszik, az volt a második elgondolás. A gond az az áramkörrel, hogy az egyenirányított hálózati feszültség pufferelése nélkül nem hajlandó feljebb menni 200V-nál. A gate-en megjelent a 230V szép lassan, de a drainen és a sourceon is 1-2 V eltéréssel 200V körül volt a feszültség terhelve. Javított a helyzeten az, hogy a gate-re raktunk 330K-ohmot még a 220ohm elé. Átkötöttem a 47µF-os elkót egy 1Mohmos ellenállással, ez nem szól bele jelentősen az ügybe, de sajnos lassan is sül ki a kondi. Végül úgy próbálkotunk, hogy lassan emelgettük a puffert a graetz után. Most 3db 1,5µF-os és egy 0,68µF-os zavarszűrőkondi van párhuzamosan kötve. Most úgy néz ki a dolog, hogy a gatefeszültség felszökik 240V köré. A drainen 230V-ot mérek, míg magán az izzón (source) 220V-ot mérek pár perces üzem után is stabilan. Az izzó árama 250mA, a FET-en olyan 9,5V esik, ami 2,4W-nak felel meg. A mostani fet nem irf830-as, hanem valami nagyobbfeszültségű típus, 1-2ohm közötti ellenállással. Azt sejtem, hogy a gate feszültsége az időzítőkondi hatására emelkedik a drain fölé, de ezt nem érzem gondnak. Viszont nem tudom, hogy miért esik majdnem 10V a FET-en. Esetleg más megoldásokra is kíváncsi lennék. Megjegyzésképpen: nálam a szinusz teteje erősen beharapott. Egyelőre ennek tudtam be azt, hogy puffer nélkül csak 200V-ra áll be a lüktető egyenfeszültség. Esetleg van ötlete valakinek a kondi gyors kisütésére is? A rajzon a feszültségforrás szinuszos, 320V amplitúdóval. A hozzászólás módosítva: Márc 21, 2013
|
Bejelentkezés
Hirdetés |











