Fórum témák
» Több friss téma |
Mielőtt kérdezel, a következő két dolgot ellenőrizd!
I. A helyes tápfeszültségek megléte.
II. A kimeneten van-e egyenfeszültség.
Élesztés.
Úgy érted hogy a hangfalkimenetre kössek rá bal és jobb oldalra ? Az nem magas szintű ?
4x80W-os erősítő,nem fogja tönkretenni az aktív subot ha az alacsony szintű bemenetre dugom ? A kép a sub erősítőé.
Tetszőlegesen, pontosabban igényed szerint leoszthatod a 80W-os kimenet jelét. A SAL belsejében is ez történik. (Ha van kedved a SAL belsejében is megoldható, hogy érzékenyebb legyen a hangszóró csatlakozóra kötve.)
Például 10kOhm-os potival, vagy egyszerű trimerrel oda csökkented a jelet ahova akarod.
Tehát akkor ha beépítek 2db 10kOhm-os potit,akkor úgy állítom ahogy nekem ok.?
És ha a hangerőszabályzóhoz kötném akkor nem működne ? Bocsi a hülye kérdéseimért,de nem nagyon értek hozzá.
Ott még sajnos nagyon alacsony a jel. Építhetnél hozzá egy előerősítőt. A koppanásmentesség sem garantált úgy mint a hangszóró kimeneten.
Mit jelent az hogy "koppanásmentesség" ?
Ezt:
Idézet: „ki-és bekapcsoláskor nagyot kattan,majd szét robban a sub.” ![]() ![]() Akkor marad a poti. Nagyon szépen köszönöm a segítséget ! A hozzászólás módosítva: Márc 15, 2013
Sziasztok!
Van egy Grundig 40200mkii típusú erősítőm és az egyik oldalt a hang(fal)sugárzónál 29,5 voltot mértem a másikon semmit az a jó. Nem tudom melyik alkatrészem ment tönkre. A hozzászólás módosítva: Márc 15, 2013
Na szédszedtem a Quadot,elsőre mégis ment 2 végtranyó, 2N3442,az nem volt igy kapott MJ15003,és meghajtónak mje350,az előfok nagyon beteg,TL071-2db,TBA231A- 2db,IC-k vannak még de azok nincsenek nekem, csakTL072 de az nem belevaló.Vennem kell.
Ha külön,kihagyva az előfokot egyből a végpanelere kötöm a vonal jelet tökéletes,de az előfokra kötve zúg búg. A ráirt 100w-tól pedig nagyon messze van,55vDc ről müködik
Ahol 29.5vDc mértél ott kiment a végfokozat,végtranyó,vagy IC nem tudom melyik van benne.
Ne kösd hangszóróra mert leég azonnal a hangszóró A hozzászólás módosítva: Márc 15, 2013
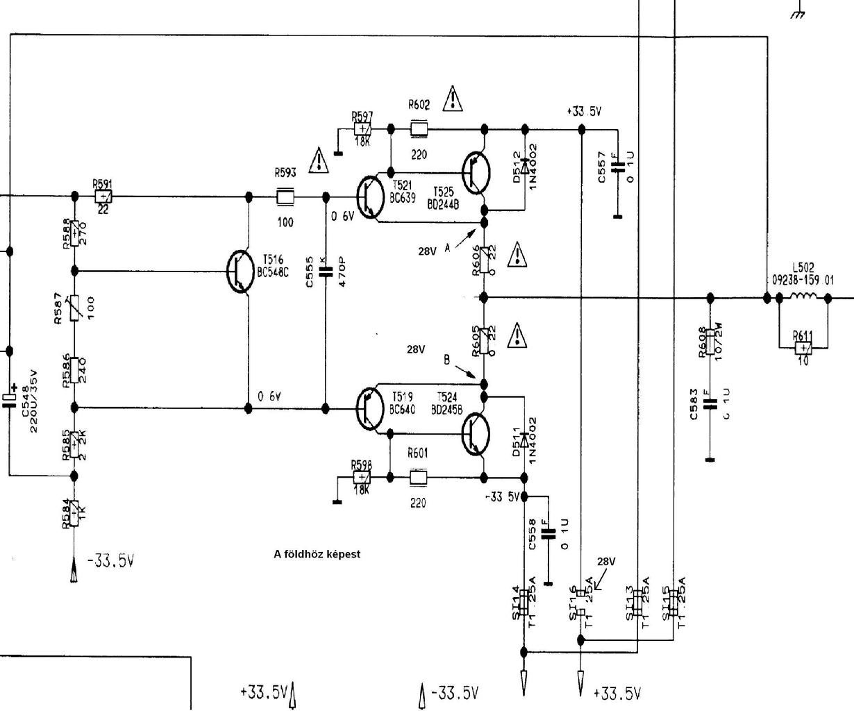
Tranzisztoros mellékelek egy képet hogy hol mit mértem.
A hozzászólás módosítva: Márc 15, 2013
Ki kellene szedni a végtranyókat,és a meghajtókat és ki kell mérni őket, általában együtt haláloznak el.
Amit mértél az a kimenet,ott pár millivolt lehet csak
Megmértem a másik oldalt ugyan ezeket az jó.
Akkor adott a munka végtranyó és meghajtó az biztos de kellene még mérni ezek előtt is mert valamiért kiment az okát kellene tudni.Nem volt zárlat?
Szia! Látom a +/- tápot külön biztosíték védi csatornánként. Nézd meg őket szakadásvizsgálóval! Ha találsz szakadt biztosítékot, először egy párszor tíz ohm-os ellenállással pótold. Azon a csak a táp egy része eshet, ha a teljes táp akkor jöhet a tranzisztorvizsgálat.
A biztosíték elvileg zárlat ellen védene de zárlat nem volt.
Hallgass Relopra Ő sokkal sokkal többet tud mint én de nézd meg a biztit
Az egyik biztosíték ki volt menve de kivetem a többit is és rámértem foglalatonként. bejelöltem hogy mit mértem.
Egy ekkora rajzrészletből nem tudom hogyan került oda a 28V.
A hibás oldal biztosítékai helyére tégy ellenállást, vagy izzót, így zárlatos alkatrész esetén sem fokozódnak tovább a károk. A rajzra (jó lenne a végfok elejét is látni) írd rá a tranzisztorok B, E és C feszültségeit. Ebből bontás nélkül fel lehet térképezni a hibát(kat). Lehet, csak elfáradt a bizti és nincs is semmi javítani való, de jobb az óvatosság, valamint igen tanulságos a mérésen keresztül megismerkedni az erősítő működésével.
Köszönöm de azom sincs,de nem kinlódok az előfokkal.igaz tokban van minden meglátom.Az se biztos hogy kimentek csak nagyon zúg az egész előfokkal nélküle semmi
Szia! Az előerősítő tápjában lévő pufferekkel köss párhuzamosan pár 1000µF megbízható kondit. Lehet ki vannak száradva. Azokat az IC-ket máig megelégedéssel használom (valaha a technika csúcsát jelentették
).
Kicseréltem őket elvileg tök újak,lehet az a fránya TL071 ic a bünös,de kivettem őket ugyan úgy zúgtak mind két oldal
Azt csinálja ha a hangerőt letekerem 0 ra,zúg,ha elkezdem feljebb tekerni csökken a zúgás feljebb pedig neki áll búgni,és nem túl hangosan szól,már amit hallani a zugástól
A hozzászólás módosítva: Márc 15, 2013
Sziasztok.Segitség kellene brummos erősitő ügyében.A történet:Van egy technics erősitő,elszállt benne az stk végfok(nem lehet beszerezni). Vettem bele készre gyártott ic-s végfokot,mely szépen muzsikál,de brummos. Nem is a végfok maga,hanem amint az előfokot csatlakoztatom hozzá,egyböl jön a brumm.Mit tehetnék ellene? Köszi a válaszokat előre is.
Na annyi változott hogy elmúlt a zúgás búgás,megtaláltam a hibát, de az egyik oldal halkabb,de nem végfok hiba,az istenért sem találom az okát mitől lehet,és fűti azt az oldali végfokot.
A hozzászólás módosítva: Márc 15, 2013
T514 megérdemli, hogy kiforrasztott állapotban megvizsgáld. Ha jónak bizonyulna kéne T509 és 512 mérése is.
Biztosíték nélkül gyanítom a zárlatos T514-en át jött a 28V, Bővebben: Link |
Bejelentkezés
Hirdetés |














). 




