Fórum témák

» Több friss téma
Fórum » JLH erősítő
Lapozás: OK   116 / 222
(#) keszeg01 válasza atka8918 hozzászólására (») Márc 1, 2013 /
 
A kivitel szép de lenne egy észrevételem a 2 tranyó túl messze van és a felső sokkal melegebb mint az alsó de lehet ez nem baj !
(#) atka8918 válasza reloop hozzászólására (») Márc 1, 2013 /
 
Köszönöm szépen
(#) atka8918 válasza keszeg01 hozzászólására (») Márc 1, 2013 /
 
Igen ezt jól gondolod ezt tapasztaltam a kezemmel, de működésben egyenlőre nem jelentkezik, hogy baj lenne.
(#) CIROKL válasza atka8918 hozzászólására (») Márc 1, 2013 /
 
Jaj hát én sem szeretem alul méretezni a dolgaimat de a tiéd még az enyéimen is tul mutat , nem gond a túlköltekezés nincs azzal semmi gond sokszor én is azt teszem be ami van és nem zavar ha netán dupla méretű a trafó mint mondjuk amire szügség van .
Maga az erősítőd az melyik változat , a doboz belvilágát is meg mutathatnád!

JLH
A hozzászólás módosítva: Márc 1, 2013
(#) Class-A-. válasza atka8918 hozzászólására (») Márc 1, 2013 /
 
Milyen hosszú a borda? Én 30 cm darabokat használok egy egy végfokhoz.Trafóból 250 w / vég.
(#) atka8918 válasza CIROKL hozzászólására (») Márc 1, 2013 /
 
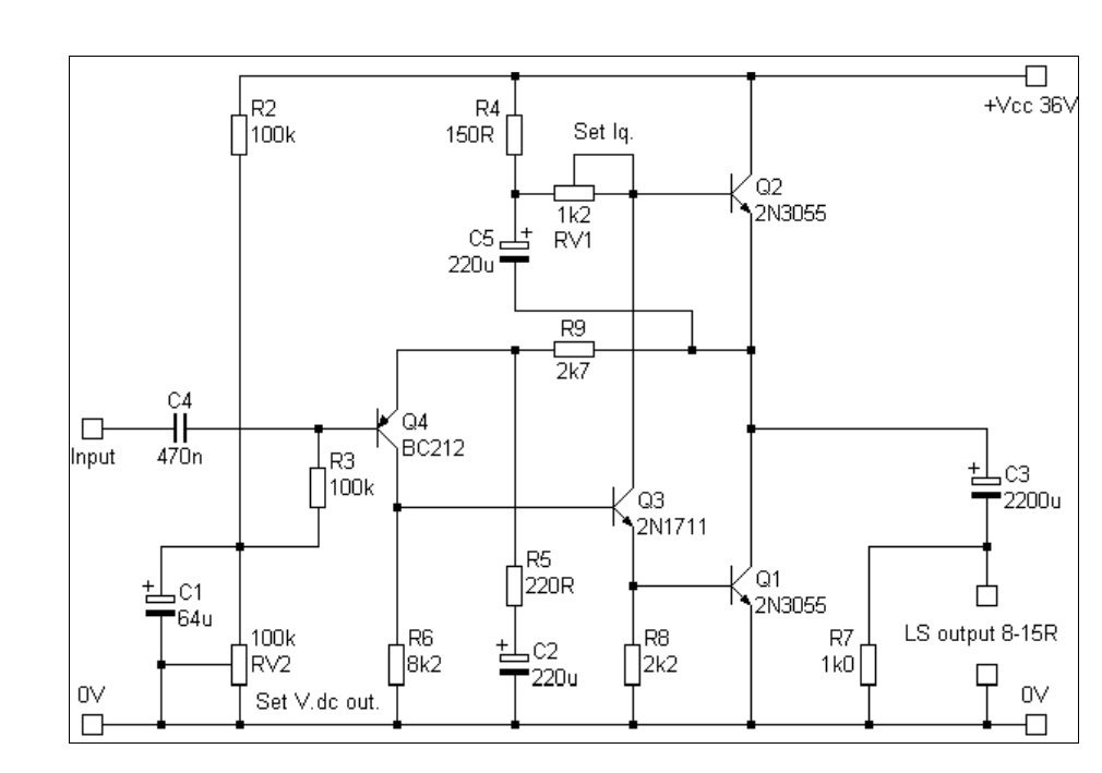
Persze elsőnek én is szeretem kipróbálni itthoni cuccokból, hogy mégis milyen, de miután jónak bizonyult a kapcsolás úgy gondoltam megépítem tiszteségesen új alkatrészekből. A kapcsolás a mellékletben van ezt építettem meg. Persze a képen lévő Q3 és Q4 nem olyan, mint a rajzon feliratozva van. Belvilágtól lehet rosszul leszel ha megmutatom. Így is akarod látni ?
Jóval több a vezetékem mint neked az erősítőbe és kuszábbak is.

JLH.jpg
    
(#) atka8918 válasza Class-A-. hozzászólására (») Márc 1, 2013 /
 
35cm hosszúak a bordák és 10cm szélesek. A trafó 450W a két oldalra. 2X24VAC
(#) CIROKL válasza atka8918 hozzászólására (») Márc 1, 2013 /
 
Na ja megértelek , én ha egyszer megépitem akkor már nem szivesen szedném szét , az én példányom szigoruan az itthon található cuccokból épül fel és nem hinném hogy hiányt szenvedne valamiben egy üzletben vásárolt cuccokkal felépitettel szemben .
Szeretném látni természetesen , láttam én már sok mindent , / ha nem szeretnéd nyilvánosan akkor mehet privátban ./
A hozzászólás módosítva: Márc 1, 2013
(#) atka8918 válasza CIROKL hozzászólására (») Márc 1, 2013 /
 
Most nézem nincs is a kész belvilágról képem. Nem tudom, hogy történhetett ez meg velem. De egy majdnem kész kép van. Hosszú tranyó vezetékre sajnos szükség volt, hogy szerelhető legyen valamennyire a belvilág.
(#) CIROKL válasza atka8918 hozzászólására (») Márc 1, 2013 /
 
Máris itt egy jó idevágó kérdés , a tul hosszu vezetékek okoznak e valamilyen zavart , mérted vagy csak hallgatózásra nem érzékeny a különböző zavarokra?
Na jo megfogalmaztam de remélem érthető ?
(#) atka8918 válasza CIROKL hozzászólására (») Márc 1, 2013 /
 
Persze nem mondtam, hogy az itthoni cuccaim nem jók vagy a tieid csak, hogy minden egyformán legyen a panelen én ezt szeretem. Túlsok mindenem nincs itthon főleg nem 2db egyforma bármiből sajnos. Bár néha elviselném és természetesen nyilvános
(#) atka8918 válasza CIROKL hozzászólására (») Márc 1, 2013 /
 
Értem persze a kérdésedet. Sajnos nincs sok műszerem (van 2 multim kb ennyi) amivel bármit is jobban megtudnék mérni a nyugalmi áramon illetve feszültségen kívül. De bárhol fogdosom nincs semmilyen zavar a hangjában. Legalábbis nem hallom aztán lehet, hogy mérve meglepődnék. Sajnos szkópom sincs.
(#) Class-A-. válasza atka8918 hozzászólására (») Márc 2, 2013 /
 
Ez egy nagyon rossz elképzelés volt,mármint a hosszú vezetékek.Akármilyen magyarázat is volt rá ez egy rossz meg oldás. - Szépen megcsináltál mindent ,jól túlméreteztél dolgokat és el baltázod a lényeges dolgot. ----- javítsd ki. Egyébként szépen dolgoztál.Csak így tovább.
(#) Alkotó válasza Class-A-. hozzászólására (») Márc 2, 2013 /
 
Egyetértek. A panelra ültetett végtranyóknak nincs párja. Semmi huzal, semmi gerjedés -ha jó a terv-.
(#) atka8918 válasza Class-A-. hozzászólására (») Márc 2, 2013 /
 
Köszönöm a tanácsodat és a dícséretedet Hidd el gondolkodom más megoldáson is csak egyenlőre ez jött.
(#) Alkotó válasza atka8918 hozzászólására (») Márc 2, 2013 /
 
Ha jól működik, és elégedett vagy vele, akkor egyáltalán ne törődj senki más véleményével. Hallgasd élvezettel, és örülj az élménynek.
(#) atka8918 válasza Alkotó hozzászólására (») Márc 3, 2013 /
 
Hiba nélkül működik így is természetesen és élvezet hallgatni nem kell más erősítő Az elrendezést bármikor átlehet alakítani
(#) keszeg01 hozzászólása Márc 8, 2013 / 1
 
Vízhűtéses JLH érdekes
http://www.youtube.com/watch?v=YKrHafciI-A
(#) Orbán József válasza keszeg01 hozzászólására (») Márc 8, 2013 /
 
Egy műszerész kollégám 30 évnél régebben már előadta ezt...
Szerintem nem csak neki jutott eszébe kipróbálni valami telj. tranyót hipp-hopp.
(#) Aeeronka hozzászólása Márc 15, 2013 /
 
Üdv.!
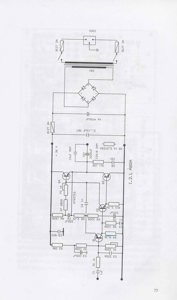
Megépítettem a Jlh-t.Szépen működik nem is lenne gondd. 3055ös tranyókat használtam A 69es terv alapján amiben 220K-s trimmerrel lehet szabályizni a féltápfeszt illetve 1K-sal a nyugalmit. Beforrasztottam a 220K.s trimmerrel párhuzamosan egy 150K-s ellenállást is ahogyan a leírásban szerepelt. 200VA 2*28V Ac-s toroidom van hozzá ,Dc-be kb 39V-ra jön ki a Pufferek után.
A Problémám! az ,hogy féltápfeszt csak 12V-ig tudom állítani utána nem nő az értéke illetve ha tovább tekerem a hangfalakon fehér zaj hallatszik . Próbáltam már hogy kivettem a 150Ks ellenállást a trimmer mellől illetve cseréltem kisebbre nagyobbra nem oldotta meg a problémát, kiszedtem a trimmert tettem fix ellenállást 12volt féltápfesznél nem ment feljebb.. Nyugalmit sikerül állítanom bármilyen értékre.
Kérdésem az lenne mit kéne változtatni a kapcsoláson hogy tudjam növelni /helyesen beállítani a féltápfeszt .. Szörnyen idegesít a dolog..
A hozzászólás módosítva: Márc 15, 2013
(#) reloop válasza Aeeronka hozzászólására (») Márc 15, 2013 /
 
Szia! Ez lenne az? Szeretnék az alkatrész pozíciószámokra hivatkozni.
(#) Aeeronka válasza reloop hozzászólására (») Márc 15, 2013 /
 
Szia! Bocsi ,hogy csak most reagálok.
NEm ,,egy másikról lenne szó:
http://www.avx.hu/forum/uploads/post-28-1264409922.jpg
Ugyan így építettem meg ,, kihagytam a C4 R5 kompenzálást, és a P1 trimmerrel párhuzamosan van egy 150K-s ellenállás.
(#) Aeeronka válasza Aeeronka hozzászólására (») Márc 15, 2013 /
 
A mellékelt nyákterv alapján csináltam , illetve az eredeti kapcsolást is mellékeltem. Puffernek oldalanként 6800uf-ot használok de nem hiszem , hogy ez gond lenne, mivel a féltápfeszes problémámat leszámítva pár napja szépen műlödik. A 2 oldal negatívja a pufferkondiknál van összekötve ennek "csillagpontjából " megy a nyákra a negatív tápfesz. Féltápfeszt lefele tudok állítani ,,felfele 12volt környékén megáll hiába csavarom feljebb átmegy fehér zajba,,illetve nem tudom pontosan ,hogy van de ha jól tudom a trimmer fél állás után már nem is szabályoz. Ezt lehet rosszul tudom én így vettem észre.
Köszönöm előre is a segítséget.
(#) reloop válasza Aeeronka hozzászólására (») Márc 15, 2013 /
 
Mérj feszültséget C3 100µF kondenzátoron testhez képest. Ellenőrizd helyes polaritással ültetted-e be, kellő feszültségtűrésű-e.
(#) Aeeronka válasza reloop hozzászólására (») Márc 15, 2013 /
 
Helyes polaritással ültettem be ,,63V feszültségtűrésű. Hát a feszültség mérést amennyiben jól csináltam 29 voltot mértem.
(#) Aeeronka válasza Aeeronka hozzászólására (») Márc 15, 2013 /
 
(Mérőműszer +ágát a kondi pozitív lábára ,,negatív zsinórt a kondi negatív lábára érintettem.)
(#) Aeeronka válasza Aeeronka hozzászólására (») Márc 15, 2013 /
 
A nyákrajz GND megszakításában 10ohmos ellenállást használtam gondolom ez nem befolyásolja a dolgot.
(#) Aeeronka válasza Aeeronka hozzászólására (») Márc 15, 2013 /
 
Nyugalmi áramom jelenleg 1amperen van mindkét csatornán,, próbáltam úgyis állítani a féltápfeszt hogy feljebb emeltem 1,3amperre de a helyzet nem változott.
(#) reloop válasza Aeeronka hozzászólására (») Márc 15, 2013 /
 
A mérést jól végezted el, az eredmény nagyon rossz, ha valóban 39V a jelenlegi tápfeszültség. Mielőtt hosszabb fejtegetésbe fognék kérlek add meg a tápfeszültség jelenlegi értékét.
Itt állok beélesített szimulátor kapcsolással, könnyen a végére tudunk járni az esetnek
(#) reloop válasza Aeeronka hozzászólására (») Márc 15, 2013 /
 
Ott tartunk, hogy a 11,5V kimenti feszültség, és a C3-on mérhető 29V akkor áll elő 37-38V tápnál, ha P1 értéke 50k. A trimmer ellenőrizendő.
R2 és R3 értékpontosságát is ajánlom megvizsgálni.
Szerk: a P1 számított beállítási értéke most 120k lenne.
A hozzászólás módosítva: Márc 15, 2013
Következő: »»   116 / 222
Bejelentkezés

Belépés

Hirdetés
XDT.hu
Az oldalon sütiket használunk a helyes működéshez. Bővebb információt az adatvédelmi szabályzatban olvashatsz. Megértettem