Fórum témák
» Több friss téma |
Fórum » Ki mit épített?
Ez a téma ha úgy tetszik a mi "kiállítótermünk", nem pedig a ki mit csinált volna másképpen, mások helyett, és legfőképpen nem javítós téma.
Minden készüléknek van saját témája, ott kell kitárgyalni a részleteket!
FONTOS! A kapcsolási rajzok keresésére is van saját téma, ott keressetek rajzokat!
ÁH! Értem, köszönöm,majd én is kipróbálom
Szia! Szép lett! Ami nekem külön tetszik az a nyákon lévő vezetősávok kialakítása. A beültetési renden még lehetett volna pofozni, de ez már tényleg csak kötekedés. Maga a lötstopp irígylésre méltóan jó lett.
Csatlakozom az előttem szólókhoz, makulátlan kivitel!
Nagyon korrekt lett, az egyetlen ami picit rontja az összképet az a nagy krumpliforrasztások.
Nagyon szép lett, gratulálok hozzá!
![]() Kíváncsi leszek a dobozolt végeredményre is.
Azok ott a sorkapcson szerintem igencsak kellenek.
Milyen krumpliról beszélsz?? Szépek a forrasztások is , a nyák meg (nem ragozom előttem többen leírták!)
Nagyon tuti lett, bár egyet értek agressivel, a forrasztások tényleg kicsit nagyra sikeredtek, bár lehet csak optikai csalódás
Elészült a talkboxom (magyarul szájgitár) , a gitáros haver már nagyon várja, ezért kicsit lóhalálában készült.
De működik szintivel is , ha a hangjára is kíváncsi vagy itt meghallgathatod.
Üdv Mindenkinek. Gondoltam felrakom a csúnyaságom, amit az erősítőmnek készítek.
Az alaplemez egy 5,25" külső DLT meghajtóból származik, a két alumínium hűtőborda pedig Panasonic plazma tv z-sus vagy y-sus paneljéről "jött". Az előlap elég ratyi, mert kb 20 percem volt összefabrikálni De ha kész lessz, az alu elemek szálrahúzottak lesznek, az acél elemek pedig fekete színezést kapnak. A hozzászólás módosítva: Márc 20, 2013
Jól néz ki! A festés eléggé pszichedelikusra sikeredett, de így is nagyon jó.
Szia! Ez tök jó, amíg bele nem ejtesz egy csavart, vagy csavarhúzót...
Sziasztok!, ma készen lettem a fordulatszám mérőmmel, és tokéletesen működik!. A LED-ek azért vannak olyan ferdén fel téve, mert eddig csak teszteltem hogy jól működik e. A LED-ek egy Opel Corsa fordulatszám mérőjében fognak majd helyet foglalni.
A hozzászólás módosítva: Márc 20, 2013
Vagy az éppen letörő szikepenge darabját?
(túlélte) Elméletben már elkészült a burkolat is rá, de gyakorlatban.... A hozzászólás módosítva: Márc 20, 2013
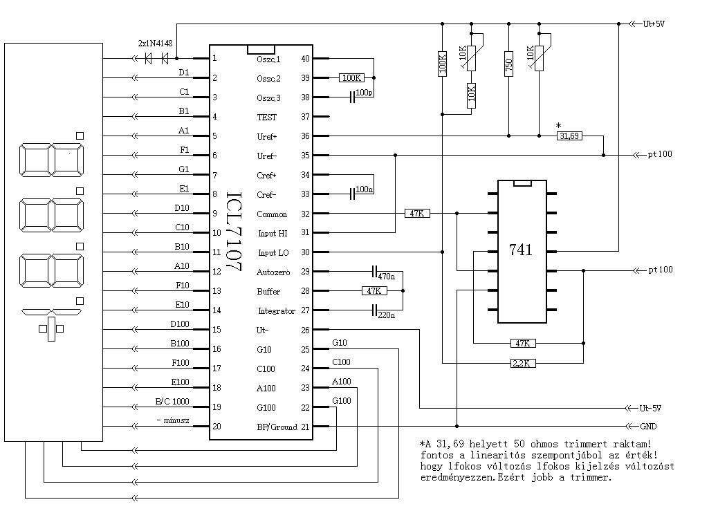
Sziasztok! Én egy hőmérőt építettem. Igaz nem most készült kb. 5 éve. Tökéletesen működik! Pontos!!!!!! Megbízható! Szerintem jó lett. Gondoltam felrakom én is.
Nagyon korrekt.
Frankye az ICL-ből kiindulva, szerintem dióda.
Pt100-as. A képen láthatóak közül bármelyik használható hozzá!
Szia! Nekem sok nyűgöm volt a PT 100-al esetleg elvi rajzod is van hozzá? Nem akarom utánépíteni csak a hőmérő bemeneti kialakítása érdekelne.
Nyugodtan utánépítheted. Megpróbálom előkeríteni a rajzokat. Addig itt a nyákrajz, abbol vissza tudod fejteni. Nem olyan egyszerű de megoldható.
Szia! Eaglet-t használok így sajnos a lay-t nem tudom megnyitni. Tudom öreg hiba, de így is már vagy 200 programot használok egyszerre és ezek végre nem vesznek össze egymással. Nagy kérés lenne egy sima pdf?
Csak ilyen rajzom van róla. Remélem jó lesz!
Első inverterem,első próbára működőképes bár a trafó csak próbaképpen van benne mivel nagyon kis teljesítményű.Nem is gyötörtem sokáig,de egy 11W-os izzó elment vele.
Elsőnek nem rossz, a tranyók viszont igényelhetik a hűtést, ha élesben megy majd.
Üdvözletem a nagyérdeműnek. Készülget a simsonom digitális műszerfala még helyet kap a kijelzőn egy fordulatszámmérés és egy sebesség fokozat kijelzés ha sikerül bele ollóznom a rutint de már így is elég jól haladok vele még nicns kész a panelja ne fikázzátok ha lehet
Érzékelők még nincsenek rajt azért vannak ilyen hamis értékek A hozzászólás módosítva: Márc 22, 2013
Pöpec lett. Mesélj egy kicsit rola.
|
Bejelentkezés
Hirdetés |


























