Fórum témák
» Több friss téma |
A 6.x verzió.
Sziasztok !
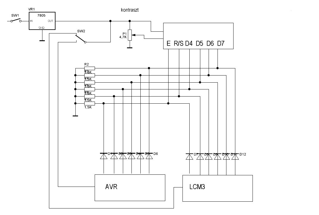
Régi panellal megépített készülékemben most cserélem a procit Atmega168-ra. A kvarcot és a referencia feszültséget már beépítettem. Mit kell ahhoz módosítani, hogy a régi panelt vegye figyelembe, továbbá nem szeretném az automatikus kikapcsolást sem ? (jelenleg semmi nem jelenik meg a kijelzőn, 1.06 verziót tettem bele) Programozásban is nagyon kezdő vagyok, ezért a másik kérdés az, hogy hogyan kell azt csinálni ? (WinAvr-t és GCC-t letöltöttem) Üdv.: sector99
Szia!
Valószínűleg a "stripboard"-os verziót égetted bele. A makefile-ban módosítani kell ezt a beállítást, és újra fordítani. Az automatikus kikapcsolást is a makefile-ban lehet változtatni.
Itt a fórumon találtam, már nem lelem sehol...
328p -vel nálam megy a kvarc nélküli verzió.
Köszönöm ! És akkor hogy is kell a fordítást csinálni ?
Én AVR Studio 4-el beégettem a procihoz(328p) megfelelő tartalmat(nem kell fordítani,25ös láb a 3-as kivezetés) és Ex:0xFF Hi:0xD9 Low:0xE2, a 13-as láb és +5V-közé az ellenállás NINCS berajzolva, de nagyon KELL. A kondik 200n -ra sikeredtek(ez volt idehaza). A 27-es lábra még várom a referenciát hogy megérkezzen, utánna tudok nyilatkozni a pontosságról. Kondi kapacitást pontosabban mér mint a DT9205A+ típusú multim, induktivítást kb.5%on belűl mér.
Nagyon köszönöm ! Holnap majd lesz rá időm foglalkozni vele. Én TL431-est tettem be referenciának.
....bár nekem csak Atmega168-as procim van. A lényeg, hogy hálózati táplálás lesz, nem akarok automatikus kikapcsolgatäst.
A panelterv u.a., a procihoz való rar-t kicsomagol, beéget...
Ok ! Nekem teljesen más az az 1.06-os változat amit INNEN letöltöttem.
No most már működik....csak nem jól. Konkrétan: nagyon lassú, egy sima npn tranyót JFET-nek mér, szóval teljesen használhatatlan. Próbáltam kvarccal és anélkül, de semmi változás(a FUSE biteket a Makefile alapján állítottam) Hozzáteszem, hogy Atmega8-al még valami nagyon régi progival rendesen működött.
Most jelenleg a 13-as lábra van a teszt nyomógomb kötve, a 12-es nem megy sehova(nincs visszajelző ledem beépítve) Ha ennek a rajznak alapján átalakítom akkor jó lesz ?
Jaaa és ha a teszt gombot megnyomom, akkor kb. fél perc múlva Timeout-ot jelez és csak kikapcsolással lehet újraindítani.
Ha át akarod alakítani, inkább ezt a rajzot használd:Bővebben: Link
Ebben nem fognak bekavarni az automata kikapcsoláshoz szükséges alkatrészek. A kontraszt trimmerrel sorbakötött 10k ellenállást elhagyhatod, teljesen felesleges.
Köszi ! Átalakítottam, de még mindig nem jó. Nagyon (!) lassú, ami azt jelenti, hogy bármilyen alkatrészt teszek rá, kb. 30 másodperc a tesztelési idő. Például 68 mikrós kondira azt írja, hogy 8100 nano. (1.06 firmware, Low: 0x77 High:0xDC Ext: 0xF) külső 8 MHz-es kvarc)
A hozzászólás módosítva: Márc 21, 2013
Elnéztem a FUSE beállításokat, bocsánat !
Tehát Low: 0xF7 High:0xDC Ext: 0xF, - így már JÓ ! Tökéletesen mér és pontos is amennyire kell neki. Nagyon köszönöm mindenkinek a hozzászólásokat és a segítséget ! Üdv.: sector99 Akkor a 168-as procihoz is megvannak a jó beállítások.
Sziasztok!
Páran kérték tőlem a "két műszer egybe" bekötését. Egy egyszerűsített rajzot készítettem. Remélem érthető. Üdv: Gábor
Szia pontosan merre is van ennek a leírása, mert néztem de nagyon sűrű nekem az az oldal.
Koszi.
Szia!
A rajz a mikrocontroller.net-s topic-ból lett kihalászva. Innen. Ez egyenlőre még ötletelés, mivel még nincs bent a "hivatalos" kapcsolási rajzban, annak ellenére, hogy a dokumentációban már megtalálható és működik is, a software megfelelő beállítása mellett. Megtalálod a 9.-10. oldalon. Ver.106k. Nagyon remélem, hogy ezt szeretted volna tudni.
Sziasztok!
Nincs rá mód, hogy valaki küldene utánvétellel egy felprogramozott Atmega8-at a műszerhez??? Neki akartam állni a programozónak de ahogy olvastam a fórumot teljesen belebonyolódtam.Ha valaki tudna postázni akkor légyszi jelentkezzen. Köszönöm előre is Szép estét
Szia itt tudsz írni annak az embernek aki ezen műszerek alkatrészeit forgalmazza, nekem is ő adta az alkatrészeket, és programozta az ic-t.
http://econ.5mp.eu/web.php?a=econ&o=B14uEaqDgs
Szia!
Ha már felprogramozza Neked valaki, akkor inkább Atmega328-t használj. Jobban jársz vele. Viszont az illetőnek tudnia kellene a hardware felépítését, különben honnan tudná, hogy mit állítson be. A fenti hozzászólásban említett web helyen található kapcsolási rajzot meg felejtsd el, ős régi. Az még a Markus Frejek féle első verzió. (Feltéve, ha azt akartad használni)
Halihó!
Ezt a verziót építettem meg Dip tokozással.http://www.hobbielektronika.hu/forum/topic_post_973136.html#973136 Kijelző méretű a nyák, hogy pont alá tudjam távtartóval rögzíteni. Egyszerű kapcsolás. Szép estét
Nekem 1000Ft-ért küldték a felprogramozott AVR-t, de elvileg az ebay-en meg tudod venni a készre szerelt nyákot kb. 3500Ft körül kijelzővel együtt, csak tápot kell adni neki és működik.
Tiszteletem az Uraknak!
Az svn archívumban már elérhető a legújabb software verzió 1.07k. Letölthető: innen. Egy fontos újdonság az új GetESR funkció, ami lehetővé teszi a 0.18µF feletti kapacitások vizsgálatát. Rövidebb töltési impulzusok segítségével a mért ESR érték többé kevésbé megfelel egy 10kHz-el mért értéknek. Mivel az új funkció ellenállás értéket is mérni tud, az ESR méréshez szükséges Nulloffset, a kalibrálásnál lesz kimérve és továbbá nem szükséges - mint eddig - nagy értékű kapacitással után állítani. Ezért a kalibrációnál a 3 teszt-pin megbízható összekapcsolása elengedhetetlen. Továbbá ugyanezt a funkciót használjuk a 10R alatti ellenállások mérésénél, ami egy 0,01R-s felbontást eredményez. A következő újdonság egy kondenzátor > 5nF feszültségvesztésének (Vloss) kiadása azonnal a töltőimpulzus után. Amennyiben ez az érték nem nulla, úgy százalékban kerül kiírásra. Jó minőségű kondenzátoroknál (fóliakondenzátor) általában ez az érték nem mérhető. Különösen rossz minőségű egyedeknél (pl: régi papírkondenzátorok) akár 10% feletti is lehet a feszültségvesztés. Mivel ezeknél a papírkondenzátor típusoknál a kapacitás mérésének hibája 100% feletti is lehet, legalább a feszültségvesztés magas értéke adhat egy figyelmeztetést. Ezen újdonságok mellett a Flash és az EEprom memóriák kihasználtsága lett optimalizálva és a mérő pontok sorrendje diódáknál is megfelel az EBC_STYLE által meghatározottnak. A Software Makefile konfigurálásánál a BAT_POOR szint felbontása mV-ra lett változtatva és bevezetésre került egy új opció - NO_NANO - azoknak, akik a nF egységet nem szívlelik. Az induktivitás mérés felbontása 0,1mH-re lett beállítva, ha a mérés egy 680 Ohm ellenállással valósul meg, egyébként 0,01mH mint eddig is.
Sziasztok
Olyan gondom van a tesztelővel(több példányt építettem), hogy a kalibrációt szépen elvégzi, ráteszek a végén egy kondit, megméri, és kiírja a tesztnek vége. Idáig rendben is van. Ezután ha üres pinnél csinálok egy tesztet 33pF-ot ír ki. A nyák tiszta, és mindegyik teszterem ilyen. Tanácstalan vagyok.Véleményt várok, ki mit tapasztalt. Köszönettel: Zoli A hozzászólás módosítva: Ápr 20, 2013
Tedd fel az új verziót , és ott már nem kell a kalibrációnál a kondi.
Ha utána is csinálja , akkor valamiért össze szed neked szórt kapacitást valahogy . Túl közeli dolgok , vezeték , vagy kábel szigetelés , vagy túl melegített alkatrészek lábai körül keletkezett égési felületek. Nyilván amelyik két mérő pont között jelzi ezt a kapacitást , azt a vonalat kell végig nézni. |
Bejelentkezés
Hirdetés |








