Fórum témák
» Több friss téma |
- Ez a felület kizárólag, az elektronikában kezdők kérdéseinek van fenntartva és nem elfelejtve, hogy hobbielektronika a fórumunk!
- Ami tehát azt jelenti, hogy a nagymama bevásárlását nem itt beszéljük meg, ill. ez nem üzenőfal! - Kerülendő az olyan kérdés, amit egy másik meglévő (több mint 17000 van), témában kellene kitárgyalni! - És végül büntetés terhe mellett kerülendő az MSN és egyéb szleng, a magyar helyesírás mellőzése, beleértve a mondateleji nagybetűket is!
Sziasztok!
Remélem tudtok nekem segíteni. Az lenne a kérdésem, hogy az alábbi áramkörben a kijelzőket szeretném helyettesíteni ilyen Közös katódos kijelzőkkel. Az a baj, hogy ennek nagyobb feszültség és áram kell, mint amiről működik az áramkör, ezt meg lehet úgy oldani, hogy mondjuk a kijelzőket 9V-al hajtani a dugasztápról amit tranzisztorok kapcsolnának a kijelző szegmenseire, így a pic lábaiból kijövő jel csak a tranzisztorokat hajtanák meg ami a kijelzőre kapcsolná a 9V-ot.. Megoldható ez egyáltalán valahogy? és ha igen akkor légyszives segítsetek benne, mert már csak ez kell neki, amúgy tökéletesen működik a kapcsolás... itt a cikk amit megépítettem: Bővebben: Link és itt a kapcsolás (KÖZÖS KATÓD) Mellékletben Előreis köszönöm a segítséget, csak délután tudok válaszolni, mert éjjeles voltam és most alszok.. A hozzászólás módosítva: Ápr 24, 2013
Szia
Igen megoldható.Találsz több olyan kapcsolást is, ami ugyanígy működik.Pl.az órás topicocban. A hozzászólás módosítva: Ápr 24, 2013
Sziasztok,
segítségre és kritikára lenne szükségem. RGB ledek működnek Atmega 16 ról vezérelve, mivel a kimenő áram max 200mA lábanként ezért gondoltam kell erősíteni. 2N4401-es tranzisztorokat tettem be(ami 600mA ig jó), a bázisokon az 1kohm ellenállás van, az emitteren 220 ohm, a dolog működik, de nem vagyok biztos benne, hogy meddig.Kell-e változtatnom az ellenállásokon?Tennétek-e valami más alkatrészt a kapcsolásba? Köszi.
Szia!
Ha nem tapasztalsz melegedést, akkor maradhat ez a felállás. A hozzászólás módosítva: Ápr 24, 2013
Teljes terhelésnél, összes LED villágit, és gyors kapcsolgatásnál is minden ok, sem a tranzisztorok sem az ATMEGA nem melegszik, köszi.
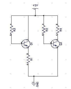
Még egy alap kérdésem lenne, mi akülönbség a két oldal között?ha r1 =r4 és r2=r3, akkor lesz e különbség az áramerősségek és a feszültség között a GND előtt?
Azt megnézted, hogy a LED egyáltalán ad-e ki jelet?
Amikor kapcsolja a tv-t forrasztás után, akkor igen, amikor meg nem kapcsolja, akkor nem is villog a led.
Akkor valami forrasztási hibád lesz, (hideg forrasztás), vagy esetleg ha leesett a távi, valahol elszakadt a fólia.Nézd át nagyítóval.
Hideg forrasztás biztosan nem, de rámérek most már a ledek lábainál a kontaktra, nehogy valami oxid réteg szívasson, meg átmérem a fóliát is, és átnézem akkor alaposan a vezető réteget.
Ha jól értelmezem(még most tanulom én is a szakmát), akkor az áram mind a két tranzisztornál ugyan akkora lesz(leszámítva, hogy vannak gyártási különbségek, más a Bétája). Viszont a feszültség másképp oszlik el a két ágban. A bal oldalin a collectoron a táp feszültsége van, a jobb oldalin meg ott van az ellenállás a collector és a táp között vagyis azon esik feszültség. Ha LED-et akarsz vele meghajtani, szerintem mindegy hol van az ellenállás. Ha nem jó amit írok, javítsatok ki.
A bekarikázott alkatrész ment ki kormos lett nagyon, ez a kép nem arról készült ezt a netről szedtem de arra lennék kíváncsi hogyan deríthetném ki hogy milyen értékű volt valójában?
Mi van aláírva a nyákon?
VR2 a nyák hátán meg ez van NRE150C
Az alkatrész közvetlen közelében?
kiforrasztottam és alatta van hogy VR2
Akkor az Varisztor.
Mi ez az áramkör? Valaminek a tápegysége?
halogén lámpa tápegysége. ilyen pontosan kép
Közben én is megtaláltam az Alibabán.
Vissza kéne rajzolni, hogy az mit csinál. Lehet, csak lágy indítás a feladata. Másra nem tudok gondolni. Akkor viszont rövidre is zárható. Legalábbis próba idejére.
hogy értve visszarajzolni ? nem világítanak a lámpák.
Nincs másik ilyen táp? Abból lelesni az alkatrész értékét?
Próbaképpen PC tápból bontanék egy ilyet.
A baloldali áramkörben kisebb áram folyik, mert a tranzisztor bázisán átfolyó áram kisebb.
Az R1 ellenálláson feszültség esik, ennyivel kisebb lesz az R3 ellenálláson eső feszültség.
Sziasztok!
Szétszedtem egy telefon töltőt, mert az adapternél megtört a vezeték és mikor mozgattam, akkor töltött, amúgy nem. El is vágtam az adott rész után a kábelt, viszont én h*lye nem jegyeztem meg, hogy a nyákban melyik a + szál. Ezt miképp tudnám kideríteni? Mellékeltem a nyákját, hátha egy nálam hozzáértőbb meglátja amit én nem Bekarikáztam pirossal a kimenetet.Előre köszönöm a segítséget! A hozzászólás módosítva: Ápr 24, 2013
Hello! A kérdés meglehetősen elvi jellegű, mert nincsenek konkrétumok, értékek, követelmény.
- A Q1 közös-kollektoros (emitterkövető), míg a Q2 közös-emitteres kapcsolásban működik. Azok jellemzőivel. - A Q2-nél a bázisellenállásra a tápfesz mínusz a bázis-emitter feszültség jut. Így a bázisáram Ut-Ube)/R2 lesz. ez sokkal nagyobb lehet, mint a Q1-nél. Ha a Q2 kinyit, a maximális kollektoráram, Ib*Béta lehet. - A Q1-nél cseppet más a helyzet. Az R1-re jutó feszültség eleve a bázis-emitter feszültséggel kevesebb lesz. Valamint csökken azért is, mert a bázisáram feszültséget ejt az R3 ellenálláson is. Tehát R1-en a feszültség Ut-Ube-(R3*Ib) lehet csak. üdv!
Ott a szűrőkondenzátor mellette, ami egy elkó. Azon jelölve van a polaritás.
A nyák széle felől a +. Ott van mellette egy elkó meg egy dióda.
Köszönöm mindkettőtöknek! Valószínűleg a fehér és fekete vezeték közül a fehér a + ugye?
Ez már csak méréssel dönthető el. Általában a belső ér szokott lenni a pozitív, de találkoztam fordított bekötésű tápegységgel. Ez rajta szokott lenni a dobozán, valahogy így:
--(+, vagy +(-- formában.
Rendben, köszönöm, akkor inkább bemérem, az a biztos.
Sziasztok.
Tudnátok segíteni? Egy 60W-os invertert kell építenem. Persze a kimenet 50Hz SZINUSZOS jel kell legyen. Ha bárki tud adni egy ilyen kapcsolást, annak örülnék. És azt sem bánnám ha 555-el lenne. Hisz a 555-el megépítettem, de viszont az csak négyszögjelet állít elő. Esetleg ha azt át lehetne alakítani szinuszos jelé, annak örülnék. Előre is köszönöm a segítségetek. Üdv. Richi |
Bejelentkezés
Hirdetés |














