Fórum témák
» Több friss téma |
Fórum » EAGLE NYÁK tervező
Témaindító: csonthulye, idő: Dec 1, 2005
Témakörök:
Eagle leírások a neten:
Eagle alkatrész-könyvtárak: http://www.snapeda.com
és a leírás hozzá.- http://www.piclist.com/images/www/hobby_elec/e_eagle.htm - http://pa-elektronika.hu/hu/cikkek/75-eagle.html
http://www.hobbielektronika.hu/forum/topic_post_1448297.html#1448297
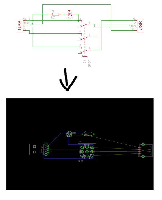
Sziasztok a fenti hozzászólásom folytatásaként szeretnék segítséget kérni. Autoroute-nál kikapcsoltam a top oldalt és erre azt írja ki, hogy: "Elérhetetlen SMD pad a 1 rétegen itt: Top" Ha nyomom hogy folytassa csak a kapcsolási rajz egyik részét rajzolja ki. Ábra csatolva. Tudtok segíteni abban, hogy miért lehet ez a hiba? Előre is köszönöm!
Az smd pad csak a botom rétegen érhető el , hacsak nem tükrözöd az alkatrészt
Az smd USB csatlakozót rakd át a buttom rétegre a mirror paranccsal/gombbal
Bari
Köszönöm a válaszokat! Nagyon sokat tanulok Tőletek, köszönöm!
Sikerült áttükröznöm. Megcsináltam, de most két "vezetékkel" még mindig gond van. Ők miért nem kékültek ki? Köszönöm!
A tervezési szabályok miatt. Az Eagle azokat már nem tudja elkészíteni. Ilyenkor ezt neked kell kézzel megcsinálni, vagy más pozícióba rakni az alkatrészeket és ujra auto-routolni.
Én a helyedben kézzel csinálnám. Az ember mindig jobban látja a megfelelő utat mint a gép, maximum több ideig kell néznie, illetve tapasztalatot kell szereznie. Az autoroute meg könnyebben boldogulna, hogyha a középső(9 lábú) elemet 90 fokkal elfordítanád, úgy hogy amelyik lába most felfele néz, az balra nézzen. Nemtudom, hogy a panel milyen céllal készül, de talán kisebb helyen elférne, ha a jobboldali USB foglalatot átraknád bal oldalra, a másik fölé. Illetve a bal oldali USB is jöhetne közelebb a középső elemhez. A hozzászólás módosítva: Jún 2, 2013
EAGLE-ban nincs automatikus alkatrész-elhelyezés mint a Diptrace-ben?
http://youtu.be/YnB-ndL1EP0
6.4-et használok, de ebben tudatommal nincs. Bár sok értelmét nem is látom. Ha tervezel pár NyÁK-ot már rutinból jól fogod lerakni az alkatrészeket és a huzalozás is a te ízlésed szerinti lesz.
Megmondom őszintén, az autoroute-ot eddig egyszer használtam, mert irdatlanul rondán huzaloz. Egyébként 1/2 oldalas panel esetén nincs értelme, több oldalt meg otthon nemhiszem, hogy tudsz gyártani.
snowboarder-nek 5 alkatrésszel is szüksége lett volna rá..
Köszönöm a választ! Abszolút igazad van a helyezésben és a manuális routálassal kapcsolatosan is. Most ismerkedem a programmal ezért kisérletezgetem és kérdezek, ha valamit nem értek.
Köszönöm még egyszer a kimerítő választ, így már jobban értem a routolást. Köszönöm!
Ha kézzel próbálnám routolni akkor nyák nézetben honna tudom, hogy az USB-nek például melyik csatlakozója a D+, D-, stb?
Köszönöm!
Hülye kérdés... hiszen a sárga vonalakkal össze vannak kötve, így tudom, hogy melyiket melyikhez kössem.
Egy hasznos funkció még: Hogyha rákattintasz az "unroute"-ra, és felül rányomsz a jelzőlámpára akkor minden routolást töröl.
Ha pl elnevezed a route-okat D-,D+- nak a kapcsolásin. És akkor a szem ikonnal
kijelölöd alul kiírja a nevét és mivel a board és séma állandóan konzisztens. Azon is kijelölve lesz a route. Mondjuk ha két monitorod van pl akkor ez baromi jó szokott jönni. Az autorutehoz meg szerintem ne szokj hozzá, inkább próbálj mindent kézzel. Többszörös buszrendszereket kézzel szoktam, sokkal szebb a végeredmény.
Köszönöm a válaszokat! Ez az unroute funkció tényleg hasznos lehet. Nem találtam meg, hogy hol van de délután majd rákeresek és kipróbálom!
Köszönöm!
Ripup-nak hivják...
Van egy ULP hozzá, amelyik elhelyezi az alkatrészeket, a kapcsolási rajz szerint megkísérli elhelyezni az alkatrészeket. A nevére nem emlékszem, de talán autoplace.ulp, egyszer kipróbáltam, azután soha. (Nem véletlenül.)
Felkeltetted az érdeklődésem, kipróbáltam, nekem tetszett.
Egy jót röhögtem rajta
Na, kb. nekem is ez volt a reakcióm. Ilyen értelemben nekem is "tetszett".
Sziasztok, én is kipróbálnám, de nem találom azt az ulp-t, ti hogyan csináltátok? (a 6.3.0 verzióm van meg)
A telepítőben nincs benne, de itt megtalálod. A keresőablakba írd be, hogy autoplace és kidobja. Csak le kell tölteni az ulp mappába.
Melyik a négy közül, mert az APG.ULP kipróbáltam, és semmi, azaz milyen y és x pozíciókat meg kell adni?
A hozzászólás módosítva: Jún 3, 2013
Én nem használom, csak Frankye hozzászólása alapján kerestem meg a gyártó weboldalán, mivel azt hittem csak a telepítésben kerested. Egyébként 4 találat nem olyan sok és a fájlok sem nagy méretűek a letöltéshez, próbáld ki mindet. Rövid jellemzés is található a listában, talán az segít, melyik használható. Az x,y az értelmezésem szerint az ofszet pozíció koordinátája, ahol elkezdi a lerakást, de ezt inkább próbáld ki.
Ok, köszi, éppen írni kezdtem, hogy a "Place50.ulp"-vel sikerült a mellékleten látszó eredményt elérnem. Tényleg ratyi eredményt adott.
A többit ki sem próbálom. A hozzászólás módosítva: Jún 3, 2013
Ezt kár hogy nem lehet kinagyítani megnéztem volna hogy van e valami alapja
a "rendezésnek". Pl. hogy kiküszöböli esetleg a "kereszteződéseket". Ez a dolog olyan Ecad progikban jó csak amik az autoroute-al együtt csinálják az autoplace-t is.
Ki lehet nagyítani: nyisd meg új lapon, majd ctrl+egérgörgő. Csak a felbontás miatt a vonalak "lépcsősek".
Aham* kösz mindig tanul az ember.
Most már legalább látom, hogy semmilyen rendszer nincs abban ahogy lerakta. Legalábbis route szerint. A hozzászólás módosítva: Jún 3, 2013
A schematikus rajz elrendezését akarja vissza adni board nézetben
Nincs hozzá fogható
Sziasztok ! Mi lehet oka,ha végén ráküldöm a PCB-re a drill-aid.ulp-t a rajzon látszik,hogy minden furatnál megcsinálja,nyomtatásnál viszont csak a kör alakú pad-eknél kapok jó eredményt az IC láb tömör lesz,nincs megvezető furat.
|
Bejelentkezés
Hirdetés |







