Fórum témák
» Több friss téma |
Tisztelt felhasználók!
Kéretik a politikai és egyéb felekezeti ill, obszcén viccek bemásolását mellőzni szíveskedjetek.
Mai hír több napilapból:
Idézet: „Gondok az 1-es villamos vonalán A hőmérséklet hatására vágánypúposodás, úgynevezett kivetődés történt az 1-es villamos vonalán, emiatt egy szakaszon pótlóbuszok szállítják az utasokat.” Jól nézem a naptárat? Április van?? Ma már talán elérte a hőmérséktel a 18 - 19 fokot... Mi lesz majd nyáron 35 - 37 fokban a napos szakaszokon??? Már nem is tudom, hogy röhögjek a híren vagy sírjak. Idézet: Azaz kivágtak belőle egy darabot... Ekkor pedig télen lesz síntőrés... Nem kellene véglegesen megoldani. A francia vasútnál "S" profilra vágott sínvégekkel megoldották már a zajtalan, nagysebességű (200 - 220 km/h) vonalakon is használható dilatációs mozgást lehetővé tevő síntoldást 1970 körül...„Ezt a hibát a BKK szakemberei rövid idő alatt elhárították.” Bővebben: Link A hozzászólás módosítva: Ápr 16, 2013
A TFT monitort már 1980-as években ismerték Magyar Országon mégis csak 2000-től 2003 inkább kezdet ell terjedni
1968-ban mi is gyártottuk a 'csúszó dilatációt' a BKV, Pirok Gyula főműhelyében; a helyén ma már SAAB és egyéb autószalon van.
![]() Az kell nekünk!
A vidámpark megszűnt, a hullámvasút azért marad... Bővebben: Link
Egy kollégám szüleinek ajánlották 20-23 éve, hogy költözzenek vidékre, mert a buszok miatt aszma gyanús a gyerek. Jót fog tenni neki a vidéki levegő. Ma itt bolgozik Budapesten... Ugyan azok a buszok járnak még mindig - ha mennek... Önnek járunk -- Nekedmegyünk...
A hozzászólás módosítva: Ápr 16, 2013
És még mondja valaki, hogy: Kár, hogy a régi jó dolgokból, nem maradt semmi...!
Kikapcsolódás közben lehet törni a fejeteket: (remélem elfér itt, vagy vicc topikba kéne?)
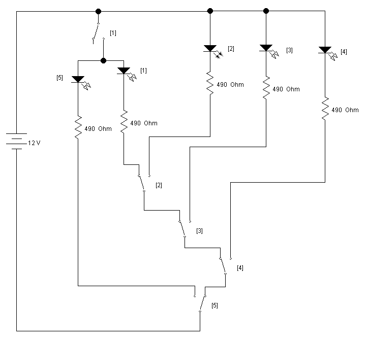
Egy fejtörő feladvány: - van 5db 3 érintkezős kapcsolód és 5db lámpád 1 tápforrással. - kössed be úgy, hogy alapból egyik sem világít. - az egyes kapcsolóra csak az egyes lámpa világít - utána kettes kapcsolóra csak a kettes világít - utána hármas kapcsolóra csak a hármas világít - utána négyes kapcsolóra csak a négyes világít - utána ötös kapcsolóra csak az ötös világít - utána egyes kapcsoló ismételt állapotváltozására egyik sem világít ) A kapcsolásnak a valóságban működőképesnek kell, hogy legyen. Én tudom a megoldást
Én ezt így oldanám meg, jöhet valami nehezebb!
(Bár rémlik, mintha ennek lenne saját topicja is)A kapcsolók alaphelyzetben vannak, az elnevezésük utal a sorrendjükre. Eagle-ben van lámpa szimbólum? Nem találtam.. A hozzászólás módosítva: Ápr 20, 2013
Remek és nagyon szép megoldás, gratulálok hozzá!
én sem találtam izzót a könyvtáraiban
Nah* várjunk ö azt keveli,hogy én kedvelem?
Én ezt tudom kedvelni, hogy ö kedvelte amit én kedveltem? A hozzászólás módosítva: Ápr 25, 2013
Férjek, pasik reakciói
![]() Legalább 10 éve férjezett asszonyok egy csoportja tréningen vett részt, amelynek ez volt a témája: "Mennyi még a szerelem az ön házasságában?". Először mindegyikük azt a kérdést kapta, hogy szereti-e a férjét ? Mindegyikük azt felelte, hogy "igen". A következő kérdés az volt, hogy ezt mikor mondta a férjének legutoljára? Egyesek azt válaszolták, hogy "ma", mások azt hogy "tegnapelőtt", "múlt héten", "már nem is emlékszem"... stb. Ekkor azt a feladatot kapták, hogy küldjenek a férjeiknek egy sms-t ezzel a szöveggel: "Szeretlek, drágám!" Itt vannak a férjek válaszai: 1. Ki vagy ? 2. Az istenért, mi történt...?! 3. Én is Téged (ez csak egy eset volt). 4. Ez meg mi akar lenni? Megint összetörted az autót ?! 5. Mi van ? Nem értem, mi akar ez megint lenni... 6. Nem tudom, mit vittél véghez, de ezt már nem bocsátom meg neked! 7. ???? 8. Ne háríts rám semmit, nyíltan írd meg, mennyit akarsz már megint... ! 9. Álmodom? 10. Ha megtudom, hogy valójában kinek szól ez az üzenet, garantálom, hogy agyoncsapom! 11. Már többször szépen kértelek, hogy ne igyál annyit. Ha nem hagyod abba, végleg elhagylak. A hozzászólás módosítva: Ápr 26, 2013
Egy hangyányi félreértés
![]() A Kovács-házaspár több évi próbálkozással sem volt képes összehozni egy gyereket, pedig az asszony fürdőkúrán is részt vett. Ezért végül úgy döntöttek, hogy fölhívnak egy céget, amelyik speciális szolgáltatásként ilyen esetben apahelyettesítő férfit küld a házhoz, hogy az asszony végre teherbe essen. Aznap, amikor az apahelyettesítő érkezése esedékes volt, Kovács úr megcsókolta feleségét, majd így szólt: "Én akkor most megyek, a fickó hamarosan itt lesz." Húsz perc múlva egy házról házra járó gyerekfotós becsöngetett Kovácsékhoz is, hátha sikerül ott megrendelést kapnia gyerekfénykép készítésére. - Jó reggelt asszonyom. Azért jöttem, hogy... - Jó reggelt! Nem kell magyarázkodni, fáradjon be, már vártam magát - vágott közbe Kovácsné. - Igazán? - mondta a fotós. - Nagyszerű! Tudja, én gyerekekre specializálódtam. - Igen, tudom, ezért is gondoltunk magára a férjemmel. Jöjjön be, és foglaljon helyet! Majd néhány másodperc szünet után, elpirulva, így folytatta: - Nos, akkor hol kezdjünk neki? - Ne aggódjon asszonyom, én mindent elrendezek. Általában kettőt a fürdőszobában, a kádban szoktam csinálni, egyet a kanapén, és esetleg még egy-kettőt az ágyon. Néha a nappali szőnyegpadlóján is remekül sikerül. Maga csak nyugodtan lazítson! - Kádban?... A nappali szőnyegpadlóján?... Nem csoda, hogy Géza és én nem boldogultunk... - Ugyan asszonyom, ne tegyen magának szemrehányást! Még mi, profik se garantálhatjuk, hogy mindegyik sikerül. Bár ha több helyzetben megpróbálom, és több irányból csinálom, akkor biztos vagyok benne, hogy ön elégedett lesz az eredménnyel. - Te jó ég! Hiszen az rengeteg... - kapkodott levegő után Kovácsné. - Nézze asszonyom, az én szakterületemen az embernek rá kell szánnia a dologra az időt. Persze, én örülnék a legjobban, ha mindenütt 5 perc alatt végezhetnék, de higgye el, akkor maga nagyon csalódott lenne. - Hát ami igaz, az igaz - dünnyögte el magát Kovácsné. A fényképész kinyitotta a táskáját, és előhúzott egy fotóalbumot. - Nézze meg, ezt például egy busz tetején csináltam. - Te jó ég! - kiáltott föl Kovácsné, és gyöngyözni kezdő homlokát megtörölte a zsebkendőjével. - Nem akarok dicsekedni, folytatta a fotós, de ez az ikerpár szerintem különösen jól sikerült. Pláne, ha tudná, milyen nehéz volt a dolgom a mamájukkal. - Nehéz volt? - kérdezte Kovácsné. - De még mennyire! Végül kénytelen voltam elvinni őt a parkba, csakhogy boldoguljak vele és rendes munkát tudjak végezni. Ott egész csoport gyűlt körénk. Egymást lökdösték, csak hogy láthassák, mit kínlódom. Legalább két órán keresztül dolgoztam. - Két órán keresztül? - Igen, mert az asszony állandóan kiabált meg sikoltozott... Emiatt viszont egyszerűen képtelen voltam összpontosítani. Lassan kezdett besötétedni, ezért kapkodtam, és gyorsan ellőttem egy sorozatot. Végül egy mókus lemászott az egyik fáról, és elkezdett a műszeremmel babrálni, ezért inkább elpakoltam. Kovácsné előrehajolt: - Jól értem? A mókus rágta a... izé, a... műszerét? - Igen. Hát megérti, hogy nem hagyhattam tovább elöl, nem igaz? Na, asszonyom, akkor kezdjünk neki, ha ön is készen áll rá. Én akkor fölállítom az állványomat. - Állványát? - Természetesen! Hiszen gondoljon bele, asszonyom, hát leszakadna a karom, ha azt a fél kilót hosszan a kezemben kéne tartani! Asszonyom! Mi van magával? Te jó ég! Ez a nő elájult! A hozzászólás módosítva: Ápr 29, 2013
No igen. Nem lennének félreértések, ha az emberek szépen meghallgatnák egymást, és nem vágnának egymás szavába. De hát a nők, ugye...
Előbb olvasd el és utána nézd meg a képet!
![]() Apa és Fia telefonálnak: -Halló! Szia Fater! Hogy telik a nőnap? -Ó kérlek, pompásan, mint minden évben. -Vettél virágot, vagy valamit? -Á, sokkal komolyabb dologgal kedveskedtem. -Na mesélj. -Hát, reggel felkelt anyád, kérdeztem tőle, minek örülne nőnapra. Mondta, hogy semminek, de tudom, hogy a valóban semminek mindig kanapé a vége, szóval addig nyúztam míg kinyögte: 1 éve szeretne magának egy piros táskát, aminek sok rekesze van, tudod, elfér benne rendesen a sok női cucc, és az oldalán nagy betűkkel ott virít a márkajelzés, fehér betűkkel. Szépen elcsiripelte, hol lehet kapni, nem volt olcsó, meg annyira nem is divatos, de megvettem neki. -Te tényleg nagyon cuki vagy. És már át is adtad? -Igen. -És örült? -Hát, 30 percig sírt és káromkodott, aztán elment itthonról... Nem értem miért, de gyanítom, hogy a felirat nem tetszett neki... A hozzászólás módosítva: Máj 2, 2013
Sziasztok!
Lehet, hogy már szerepelt a fórumban. Most láttam meg, és rögtön gondoltam, hogy itt tetszeni fog másnak is ![]() Bővebben: Link
Azért a forrást jelöljük meg.
tekasztorik.blog.hu
Több ezer éve megoldatlan matematikai rejtély. PÜTHAGORASZ (i. E.551) : " a derékszögű háromszögek oldalaira vonatkozó tételem sem tekinthető befejezettnek a Fehér-lyuk problémájának megoldása nélkül. "
Az alábbiakban egy eddig megoldatlan közel 6000 éve ismert geometriai paradoxon kerül ismertetésre, amelyet mindeddig hiába próbáltak értelmezni hétpróbás filozófusok, ötvenkönyves sztármatematikusok és polihisztorikus műveltségű műsorvezetők. Geometriai paradoxon Érdekességképpen idézünk néhány ide illő mélyenszántó gondolatot híres emberektől. "...és megannyi tudós tanítványom késztetésére be kellett látnom, hogy mint ahogy a nappal sem létezhet az éjszaka nélkül, a derékszögű háromszögek oldalaira vonatkozó oly csodás tételem sem tekinthető befejezettnek a Fehér-lyuk problémájának megoldása nélkül..." PÜTHAGORASZ (i.e.551) "A Fehér-lyuk talánya előre láthatóan még a kör négyszögesítésénél is nagyobb feladat elé állítja az emberi értelmet, amely már szinte isteni magasságokba emelkedett a Hippokratészi félhold négyszögesítésével..." EUKLEIDÉSZ (i.e.297) "Mivel a természetben minden okozatot megelőz valamilyen okság, kell, hogy magyarázatot találjunk a derékszögű háromszögek Fehér-lyuk problémájára is ... amely megoldás minden bizonyosság anyjától, a tapasztalatból fog születni." LEONARDO DA VINCI (i.sz.1506) "Uraim! Meg kell vallanom, hogy a matematikai analízis megalkotásával nem kevesebbet akartam, mint a Fehér-lyuk rejtélyének megoldásához egyenes és sima utat biztosítani. Sajnos az egyik "csatornán túli" kollégám ellenségeskedései miatt, akit nem akarok megnevezni sem (G. W. Leibniz - a szerk.), nem tudok kellő időt szakítani erre a nagy jelentőségű munkára..." ISAAC NEWTON (i.sz.1715) "...valószínűleg egy, ennél a legújabbnál is fejlettebb geometriai szemléletmódra lesz szükség, hogy végre fény derüljön a Fehér-lyuk szinte már titokzatosnak mondható problémájának megoldására." BOLYAI JÁNOS (i.sz.1851) A képen két ugyanolyan a méretű és ugyanolyan a területi háromszög van. A háromszögben egyeztő területű és egyező számu egyező alaku idom vannak azonban különböző elrendezésben. Látszik hogy pusztán a különböző elrendezés okozhat területi különbséget az egyik esetben egy kocka üresen marad. A matematikai és fizikai tudományok szerint ez lehetetlen de a kémia egyes területeiben szereplő törvényekkel ütközik és az eisnteini fizika tételeivel sem magyarázható meg. Mégis így van.
vagy legalább valami tipp elképzelés hozzászólás bármi.
túl egyszerű az egész...
Valójában semmi trükk, varázslat, ákom-bákom nincs benne, sem fizikai/kémiai/természeti törvényekkel nem ütközik. Aki szeretne még gondolkodni a megoldáson ne olvasson tovább! A piros háromszög átfogójának meredeksége 3/8=0,375; a zöldé 2/5=0,4. Közel vannak, de nem egyenlőek. Így a teljes háromszög valójában négyszög, mert az "átfogója" nem egyenes, hanem töröttvonal. A felső képen kicsit homorú, az alsón kicsit domború, így a területi különbségből adódik a plusz négyzet.
Idézet: „A képen két ugyanolyan a méretű és ugyanolyan a területi háromszög van. ....” Ezzel máris bukik az egész, ugyanis ez nem igaz....
sugok: "vicces mókás történetek topic"
A medve se tud beszélni mikozben ostobán beszél a viccben a nyuszinak. Szóval az se igaz hogy beszélő medvék vannak.
háromszög átfogójának meredeksége 3/8=0,375; 2/5=0,4. Közel vannak, de nem egyenlőek
http://www.youtube.com/watch?v=MxhD_9_FoPU&feature=player_detailpage még gyakorlatilag sem észrevehető. |
Bejelentkezés
Hirdetés |





Az kell nekünk!
) A kapcsolásnak a valóságban működőképesnek kell, hogy legyen. Én tudom a megoldást 





