Fórum témák
» Több friss téma |
Az 556-os rész felét csináltam meg. S 556 fele az 278.
De jő. 2*555=556. 2*556=558. 4*555=558.
De ha egy 556-nak csak a felé van bekötve az más.
Üdv mindenkinek!
Az lenne a kérdésem, hogy a 22k ellenálást kell kicserélnem potméterre, hogy változtatható értékű legyen a frekvencia?
Enyhén szólva is eltértetek a topic témájától! Legyetek szívesek visszatérni az alaptémához!
Hello! Igen, R2 helyett kell a poti. De ha már feltetted a rajzot, elmondom, hogy ez oktalanul pazarolja az elemet.
- A Led-eket teljesen értelmetlen párhuzamosan kötni, hiszen a kettő nyitófeszültsége belefér a 9V-ba. Ha a Led nyitófeszültsége pld. 2,2V akkor R=Ut-(n*Uled)/Iled 9V-(2*2.2V)/20mA=230ohm vagy is egy 220ohm kell sorba a két soros Led-el. (Nem is értem miért van a Led1-2-nél 4,7k. Szerintem elírták.) - A másik a tranyók meghajtása. Mivel a Led-ek 20mA-t fognak fogyasztani, és a tranyó áramerősítési tényezője (béta) minimum 100, Így a bázisáram Ib=Ic/béta 20mA/100=0,2mA. Ha a táp 9V, (elhanyagolva a tranyó bázis-emitter és a diódák feszültségesését) a bázisellenállás értéke Rb=Ut/Ib 9V/0,2mA=45kohm. Vagy is ha a bázisosztóban (R7..R10) a 4,7kohm-okat használod, akkor is majd tízszer töb a bázisáram, mint szükséges. Ezzel az egyszerű átalakítással, a fogyasztás, mintegy 25mA-ra csökken az eredeti kb. 50mA-el szemben.. Miközben a Ledek árama 14mA-ről 20mA-re nő.. üdv! A hozzászólás módosítva: Jún 12, 2013
Köszönöm a gyors választ.
A ledek nekem hármassával sorba vannak kötve, egyenként 80mA-t vesznek fel, szöld szinü ledek. A ledekhez 75ohm-os ellemálásokat használtam. (három led egy ellenálás sorba, ebböl van 4 csoport). Az egész áramkör 12V-ról fog nekem müködni. Valamit ezek után ajánlott modositani?
Már a rendőrök is zöldek lettek?
Te már megmódosítottad. Akkor már nem kell. Ha jól értem, 160mA a kollektoráram. Végül is ahhoz is elegendő a 4,7k a bázisba. De a tranyó, nem biztos hogy már jó erre az áramra. (Egyébként ha már kérdezel valamit, akkor talán annak rajzát kellene feltenni. Nem?) De nem vész kárba a hozzászólásom, mert lehet megtetszik másnak is a rajz és elkészíti. Nem baj, ha tudja is hogy mit tesz.. üdv!
Hát igen, gyártás közben modosultak. amugy ez a tranzisztor majd meghajt talán egy BD139 et, de még nem tudom, attol függ, hogy viselkedik.
Köszönöm a segitséged!!! Amugy nem rendör villogonak szántam hanem házibulikba fényeknek A hozzászólás módosítva: Jún 12, 2013
Mi a különbség a 4017 és ez a.másik nyuves rettenetesen között?
Légy szíves, vagy fogalmazd meg normálisan, és úgy írd le, vagy inkább maradj csendben! (Borzasztó, hogy úgy kell "dekódolni" az írásaidat!)
Ez jó,
Idézet: kemény vagy mint a vídia! „szutymákos mókusszösz”
Üdv
1db 555 ic-vel kivitelezhető olyan négyszögjel generátor ami 1-40Hz 0-30% jelet ad?
Hello! Nem. Ez csak akkor lenne lehetséges, ha a kondi kapacitását is tudnád változtatni. Kettővel viszont a freki és a kitöltés már egymástól függetlenül is változtatható. Mint pld. itt. üdv!
ok, közben találtam egy rajzot (1db 555), és meg is csináltam, de nem jó. Mégis 556 lesz..
Sziasztok !
Van nekem egy kapcsolási rajzom, és azt kérdezném hogy ez így biztosan működik ? (Mert csak egy induktivitást látok, nem transzformátort.) Ill. ha működik, akkor milyen értékeken kellene változtatnom, ha mondjuk csak 100 V -ot szeretnék? Kösz !
Szia
Vicsys mester tervezett neked egy olyat, ami potméterrel állítható.
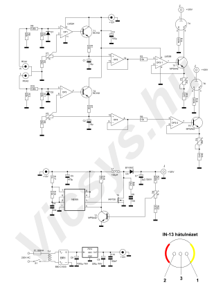
Kösz, de sajnos nem tudom elolvasni olyan kicsi.
Ha meg kinagyítom, elmosódott.
Kösz !
Pontosan ilyen kellett nekem. ![]() A 100uH -s tekercsnek mekkorának kell lennie ? Amekkora árammal használnám (huzalkeresztmetszet) és amekkora teljesítménnyel (vasmag) ? Vagy elég valami kicsi is oda ?
Nagyfrekvenciás porvasmagosak azok mind, nem ?
Ide is olyan kell ? Csak mert semeddig nem tart valami kis trafóvasra tekerni egyet.
Sziasztok!
Hogy lehetne az megoldani, hogy 555 monostabil módban, megadott rövid ideig (100-400ms) vezéreljen egy kapcsolóelemet, mely magas jelnél, földet ad ki, az idő lejárta után pedig szakadás lesz a vége? Milyen kapcsolóelemet lehetne itt használni? Tranzisztoron át meghajtott relé nem jó, mert időigényesen is kapcsol, de legfőképp az a gond, hogy másodpercenként 2x kellene rövid időre működnie, és a relé nem hiszem h jól viselné ezt a kapcsolgatást. (külső kapcsoló indítaná el mindig az időzítést másodpercenként 1-2x). Köszönöm!
Hello! Ez attól függ, mit kel kapcsolni. Ha egyenáramot, a negatív pólushoz képest, akkor egy mezei NPN tranyó megfelelő. Ha mást, akkor más módszert kell keresni. Az sem mindegy egyen, vagy váltófeszültségről, és mekkora feszültség/áramról van szó.. üdv!
Hello, összeraktam egy astabil 555 ös kapcsolást. A kimeneten lévő dióda csak simán világit nem villog. Többször áttnéztem, hogy jól e kötöttem be mindent és nem találtam próblémát. 4,7 µF kondit lecseréltem 220 µF- re és igy is csak világit nem villog. Az IC re az van irva hogy N5553N, lehet más IC-t kaptam?
|
Bejelentkezés
Hirdetés |





Te már megmódosítottad. Akkor már nem kell. Ha jól értem, 160mA a kollektoráram. Végül is ahhoz is elegendő a 4,7k a bázisba. De a tranyó, nem biztos hogy már jó erre az áramra. (Egyébként ha már kérdezel valamit, akkor talán annak rajzát kellene feltenni. Nem?) De nem vész kárba a hozzászólásom, mert lehet megtetszik másnak is a rajz és elkészíti. Nem baj, ha tudja is hogy mit tesz.. üdv! 








