Fórum témák
» Több friss téma |
Ezek is ingyen voltak.
Keresem mindenhol a ZU-t De már sehol sincs fenn.... A HDD unlock wizard nem túl jó program. Eddig egy HDD-t sem tudott kinyitni, pedig asztali géppel, netes kapcsolattal próbáltam.
Hát megint tanultam valamit. Ez a HPA tényleg kemény diónak tűnik, lehet csak PC3000, vagy hasonlóval lehetne csinálni valamit. Itt találtam valamit "házi" PC3000" adapterről: http://pythorian.wordpress.com/2012/09/02/building-your-own-version...0-diy/
Nem tudom jó-e valamire, de megvan hozzá minden alkatrész, lehet megpróbálom terminálból megpiszkálgatni. A seagate-nél RS232-vel "N1" paranccsal állítólag új smart-ot csinál, valami hasolóval próbálkoznék a samsungnál is... MÉG EGYSZER LEÍROM: EZT A HDD-T KAPTAM, FONTOS ADAT NINCS RAJTA, HA TÖNKRETESZEM NEM FOGOM MEGGYÁSZOLNI. SENKI SE PRÓBÁLKOZZON ILYESMIVEL MŰKÖDŐ, FONTOS ADATOKAT TARTALMAZÓ HDD-VEL
Nem ezt keresed?
Ááá köszi.
Sziasztok!
Nagy tisztelettel olvasom a hozzáértők írásait! Azt hiszem, nekem is szükségem lenne egy donorozásra, hacsak nincs más megoldás. Nem untatnék senkit a részletekkel, így azt szeretném kérni, hogy ha valaki tudna nekem segíteni némi haladó "bütykölésben", akkor írjon rám privát üzenetet, akár a farago.isu@gmail.com címre is. Természetesen nem kérném ingyen a segítséget, de én abszolút nem értek ilyen szinten a vinyókhoz. Nagyon köszönöm előre is, ha megkerestek!
Szervusz!
Nem untatsz senkit, nyugodtan írd meg a problémádat - talán még más is okulhat belőle. Hiszen ezért van a fórum, esetleg többeknek is volna véleményük. A privát üzenet konkrét dolgok megbeszélésére való.
Szia!
Végülis igaz A helyzet meglehetősen profán - adott egy 750-es sata Barracuda, ami sajnos egy táskával együtt a földre esett... Nem koppant nagyot, és nem is esett magasról, de ez mégis elég volt az elhalálozásához, természetesen. Induláskor már szenved rajta a gép, hallani, érezni, hogy küldi neki az áramot, és várná, hogy felpörögjön, de nem teszi. Ezért reménykedem abban, hogy egy új testben még újjászülethetne, az adatok között is van olyan, amit azért nagy öröm lenne visszanyerni, és hát azért a 750 giga is kellemes tárhely még manapság is... Nem látja tehát semmi a vinyót, bios se, szóval nagyon úgy tűnik, hogy valami megszakadt benne... De hátha az adatok még sértetlenek! Vagy ne is reménykedjek? Mi a véleményetek?
Reménykedni mindig lehet - hiszen azt mondják, az hal meg utoljára.
A gyakorlat viszont sajnos más. Ezek a winyók meglehetősen kényes szerkezetek, az ütést pedig kifejezetten utálják. Azt írod, fel sem pörög - ennek első nekifutásra két oka lehet: 1, az ütéstől lepattant, vagy felvált valamelyik kis alkatrész a panelről (bár ha ez a 7200.11, vagy Barracuda ES sorozat, akkor nem valószínű, ugyanis ezek fordított panellel készülnek, és egy szivacslap is védi az elektronikát). 2, Elmozdult a tárcsákat rögzítő központi tengely (pár század mm is elég!) és megszorult. Mivel ez rá van építve a tárcsák forgatását végző motorra, ezért az egész szerelvényt át kell építeni - a Kürt megcsinálja, de horror pénz (úgy 6 számjegyű!). Vizsgálat nélkül egyelőre ennyi...
Ajjaj, most elkeseredtem...
7200.10-es a vinyó amúgy. Kürthöz és társaihoz nyilván nem akartam fordulni, reménykedtem, hogy valaki tud bütykölni rajta valamit, de valószínűleg naív voltam ![]() Te amúgy vállalsz ilyen vizsgálatot?
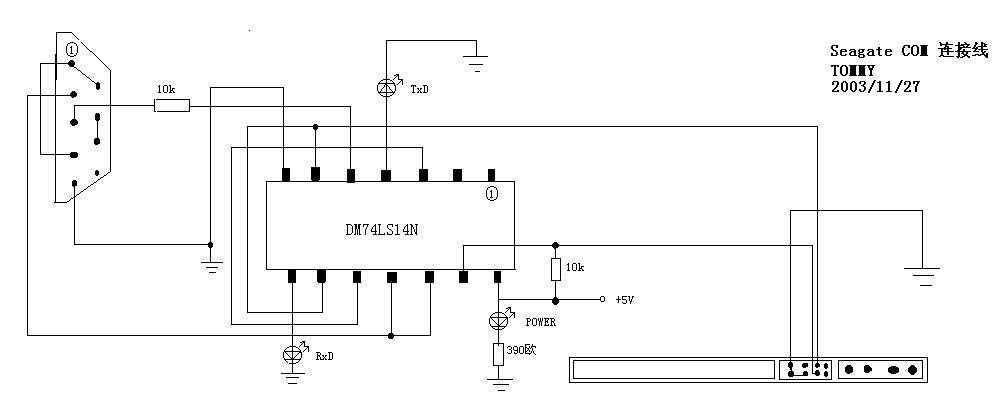
Nem régen "tanulmányoztam" az én samsungomat. A neten googlizgatva, azt találtam, hogy az orosz fórumokon van sok infó HDD-k javításáról. Érdemes ott is keresgélni, a google-fordító segít. Ebben az esetben is érdemes lenne megnézni mit ad ki terminálra induláskor, talán rá lehetne jönni mi okozza a hibát. Nem nehéz terminálra kötni, legegyszerűbb egy régebbi usb-s mobiltelefon kábelt használni. Nekem volt egy régebbi sony-ericcson-os, a testre, az RX és a TX-re van szükség. Csatolok képet a seagate rs232 bekötéséről (netről van nem próbáltam) és igy indul az én samsungom. Persze ez is csak kis lépés lenne a megjavítás reménye felé... a másik lehetőség a Kürt...
Erről jutott eszembe: Próbálkozni kell mondta a süni és lemászott a keféről. A hozzászólás módosítva: Ápr 18, 2013
A 7200.9, 7200.10 - es széria hagyományos felépítésű elektronikával készült (az alkatrészoldal van kívül), ergo sérülhetett egy ütéstől a panel. Nem írtad azt sem, hogy rendesen be volt-e csomagolva valamibe, vagy csak úgy beletetted a táskába. Ha ugyanis külső házban volt (tehát hordozható, USB-s eszközről van szó) akkor nem valószínű a panelhiba.
Idézet: „...érdemes lenne megnézni mit ad ki terminálra induláskor” Ezt a szériát nyugodtan rákötheted a hyperterminálra, semmi használható információt nem fogsz kapni - ez csak az F3 szériánál működik. Ha a merevlemez nem pörög fel, egy PC3000 kártyával sem javítható, pedig azzal minden Firmware hiba orvosolható - ebben az esetben pedig szó sincs erről.
Sajnos "meztelen" volt a vinyó a szállításkor, nem volt külső házban.
Na látjátok, ez a terminálra kötéses dolog már pont az a szint, ami miatt szakértőkhöz fordultam - hozzátok Teljesen mezei felhasználó vagyok, meg tudok oldani sok szoftveres problémát, és gépet is összerakok, pakolgatok, de az ilyen szintű bütyköléstől nagyon, nagyon távol vagyok. Ezért lenne jó, ha valaki esetleg megnézné, bár pittti teljesen lelohasztotta a reményeimet
Nézd - nem véletlenül kérdeztem ennyit, ha az elektronika hibásodott meg az javítható, a winyód azonos értékű lesz a régi állapotával.
Ha a mechanika ment tönkre az semmiképpen sem javítható, adatmentő cég a saját speciális eszközeivel egy mentés erejéig talán el tudja indítani. Tudom szomorú, de ez van. Ezt nem lehet a konyhaasztalon szétszedni és a tárcsákat cserélgetni.
Hello!
Lenne egy Seagate Barracuda 7200.12-es 1 TB-s vinyóm, ami elhalálozott. A probléma a következő. Az indításra egy kis kerregéssel indul el a lemez majd szépen felpörög, viszont nem látható Windows-ból a Hiren Boot CD-ről saját tesztprogramjából(Seatools) és biosban sem látható. Próbáltam közvetlen PC tápra dugni külső USB-s házba is rakni, de semmivel sem tudom működésre bírni. Olvastam ezen a fórum olyat, hogy a 7200.11-nél lezárolódik a a lemez, ez lehetséges 7200.12-nél is, illetve elektronika cserét is lehet csinálni csak Epromra figyelni kell. Az elektronika csere megoldás lehet? Van valami ötletetek mi lehet, vagy mit lehetne cserélni forrasztgatás nélkül amivel vissza lehetne hozni adatmentés idejére, mert a Kürt olyan árat adott amitől még a föld mellé is ültem ![]() Köszi előre is a válaszokat.
Szervusz!
Ugyanaz a helyzet nálad is, mint egy kicsit feljebb. Annyi különbséggel, hogy ha a winyód normálisan felpörög (nincs csúnya hangja, nem kattog), akkor az elektronika hiba kizárt. Tehát panelcserével semmire sem mész, sőt ha nem figyelsz rá nagyon, még nagyobb kárt okozhatsz - esetleg véglegesen elveszhet róla minden. A 7200.11 - nél nem lezáródik a lemez, hanem ha a hibás szektorok száma elér egy bizonyos értéket a S.M.A.R.T-ban (elfogy az erre a célra fentartott csereterület), akkor a firmware a további hibák megelőzése érdekében letilt. A legelső szériánál ez firmware bug miatt is előfordult (túl alacsony értéknél tiltott le). Megfelelő célharverrel ez a tiltás feloldható, legalább a mentés erejére. De ettő a winyó nem javul meg, a továbbiakban sem lesz használható! A firmware update csak a legelső szériás 7200.11 - esek hibáját javította, azt is csak akkor, ha még a tiltás előtt végrehajtották. 7200.12 - es még nem került ilyen hibával hozzám, ennek ellenére egy próbát megérne. * A hozzászólás módosítva: Ápr 26, 2013
Sziasztok!
Most szállt el (remélem csak ideiglenesen) egy 7200.11 seagate 500gb-s szemétkupac, anno tudtam erről a hibás firmwares dologról, de megnéztem, már nem érintett épp. A hibajelenség mint sokaknál, egyik napról a másikra mindenfajta előzmény nélkül (itt my fault, sosem néztem rajta condition checket, lehet nem ártott volna ) nem kerreg, nem berreg, felpörög és ennyi, se bios, se raidvezérlő se ahci sehogy nem látom semmivel (3 másik gépben is próbáltam).Panelje épnek tűnik, nincs füstszaga sem, nincsenek rajta roncsolódott alkatrészek, de sajnos nincs multiméterem, hogy bemérjem (bár azt sem tudom mit kéne ), úton van egy ugyanilyen szar, de akkor azt mondjátok, hogy a panelcsere kizárt erre az esetre, csak a smart reset lehet a játékos?Illetve ha mégis úgy dönteném, hogy kipróbálom egy másik (ugyanolyan) panellel, akkor az okozhat rajta bármiféle adatvesztést (ezt nem hiszem, illetve elég gáz lenne ha ilyet csinálna, de nem értek hozzá). Köszi a bármi jellegű építő hozzászólásokat. üdv!
Nem javaslom a panelcserét, ez a régi 80 gigás maxtorok idejében működött. A mai, modern merevlemezek elektronikája egy csomó csak az adott merevlemezre vonatkozó adatot is tárol. Különben is, a gyári mérőpontokon való méréssel 5 perc alatt eldönthető hogy az elektronika hibás - avagy nem.
(persze amatőr szinten az elektronika csere a minden hibára gyógyírt hozó megoldás) Szerencsétlen esetben a még esetleg menthető adataidat is véglegesen agyonvágod vele.
köszi a gyors reagálást, és mit mondasz a smart resetre, ott szerinted van esély?
Leírás egyszerűen tényleg nem tudom felfogni, bár hw részen nem tartom magam szakinak, de akkor iszonyat béna konstrukciók ezek, ha ennyire függ minden mindentől, semmi meglepő persze, szervíznek is meg kell éljen, más semmi nem indokolja ezt a függőséget, nem tudom, gondolkozok még rajta, 6 számjegyű összeget nem ér meg, pedig pótolhatatlan dolgok vesznének. vállalsz privátba ilyesmit?
A valódi S.M.A.R.T resethez PC3000 kártya kell - amit a fórumokon leírnak, köszönő viszonyban sincs azzal. Ez a legelső szériás 7200.11-esek firmware hibáját javítja (tulajdonképpen egy regisztertúlcsordulást szüntet meg), de ezután a hibás firmware-t frissíteni kell.
Namost ha a tiéd ugye már ebben nem érintett (ez a 4 éve gyártott winyóknál fordult csak elő), akkor mi is van? Mivel ez a fórum az „építő” jellegű hozzászólásokat törölni szokta, tényleg az a javaslatom - ha szeretnél valamit, keressél meg privátban, megbeszéljük. A hozzászólás módosítva: Máj 23, 2013
az igen
DDőőőő, ez egy 5 éves jószág, 2008-ban vettem, de emlékszem, hogy néztem anno ezt a dolgot és úgy rémlik nem érintett már, vagy még gariban megcsináltattam?!?! jó kérdés, de pontosan ilyenem van: Kép
A tetejét kell megnézzed, az SD15-ös széria volt a hibás.
azaz, sajnos olyan ... mivel nem vagyok biztos az 5 évvel ezelőtti történésekben, az esetleg előfordulhat ha nem lett firmware frissítve, hogy emiatt a gyári hiba miatt csak most szállt el? Itt a lényeg, az volna, tételezzük fel, hogy a gyári firmware van rajta, megcsinálnám rajta azt a 'smart resetet', ami azt a puffertúlcsordulást okozza.
Ebben az esetben magához térhet (ha csak ennyi volt a baja)?
PC3000 kártya, vagy egy LVTTL adapter kell hozzá.
Vigyázz, az 5V TTL tönkreteheti az elektronikát!
értem, akkor 3,3V-t célszerű adni neki
ez a kütyü megteszi? usb-rs232 ttl convert
Sziasztok!
Van egy Western Digital WD1600AVVS 160Gb-s Sata vinyóm! Nem volt használva kb 3 hónapig csak a szekrényben csücsűlt! Azelőtt tökéletesen működött! A napokban előszedtem, hogy eladom, de lett egy kis probléma! Felpörög, látja s BIOS, a windows is, feltelepíti minden ahogy kell, de eltűntek a particiók róla! Na mondom, se baj hát újraparticionálom! De, se a windowsal nem lehet se particion magickel! A windows-telepítő azt írja hogy nem lehet hozzáférni a lemezhez! Mi történt vele míg pihent a szekrényben??? És most mit lehet vele kezdeni hogy elindúljon? A válaszokat előre is köszönöm! Idézet: „...Mi történt vele míg pihent a szekrényben???” Megromlott álltában mint a befőtt... Idézet: „...És most mit lehet vele kezdeni hogy elindúljon?” Menj... Viccet félretéve, töltsd le a WD honlapjáról a DlgDiag nevű programot (a Hiren's CD-n is rajta van!). Ez a WD gyári tesztprogramja - javítani ugyan nem nagyon tud, de a hiba okát megmondja.
Köszömöm a válaszod! Megvan a progi és megcsináltam a teszted de még az elején leáll és jön az eredmény: Test Option: QUICK TEST
Model Number: WDC WD1600AVVS-63L2B0 Unit Serial Number: WD-WMAUZ0007349 Firmware Number: 01.03A01 Capacity: 160.04 GB SMART Status: PASS Test Result: FAIL Test Error Code: 11-Cable Test::Read diagnostics sector error! Test Time: 16:11:14, May 25, 2013
Számodra ez a lényeges: Test Result: FAIL
Nyugodtan elgondolkozhatsz egy másik winyó beszerzésén... |
Bejelentkezés
Hirdetés |




A helyzet meglehetősen profán - adott egy 750-es sata Barracuda, ami sajnos egy táskával együtt a földre esett... Nem koppant nagyot, és nem is esett magasról, de ez mégis elég volt az elhalálozásához, természetesen. Induláskor már szenved rajta a gép, hallani, érezni, hogy küldi neki az áramot, és várná, hogy felpörögjön, de nem teszi. Ezért reménykedem abban, hogy egy új testben még újjászülethetne, az adatok között is van olyan, amit azért nagy öröm lenne visszanyerni, és hát azért a 750 giga is kellemes tárhely még manapság is... Nem látja tehát semmi a vinyót, bios se, szóval nagyon úgy tűnik, hogy valami megszakadt benne... De hátha az adatok még sértetlenek! Vagy ne is reménykedjek? Mi a véleményetek? 


) nem kerreg, nem berreg, felpörög és ennyi, se bios, se raidvezérlő se ahci sehogy nem látom semmivel (3 másik gépben is próbáltam).
), úton van egy ugyanilyen szar, de akkor azt mondjátok, hogy a panelcsere kizárt erre az esetre, csak a smart reset lehet a játékos?




