Fórum témák
» Több friss téma |
Fórum » Egytranzisztoros erősítők (Zen)
Az is megoldás lehet, ha több féle kondit kapcsolsz párhuzamosan, pl. 4700µF elkó + 10µF tantál + 470nF fólia kondi.
Tantal hangfrekire eleg gaz,szinezi a hangot rendesen. 10mikro jofajta elko(ROE,BC),vagy polipropilen(MKP) kondenzator+47nano stiroflex folia ami nekem bevallt.
Helló !
A topik elején találtam ezt a kapcsolást, ami a képen van. A kérdésem az lenne, hogy hogyan lehet kiszámolni hogy mekkora árammal/teljesítménnyel működik biztonságosan (nem ég le) egy adott hangszóró esetében ? Nekem van egy 25W-os, akkor az mekkora áramerősséggel működhet egy ilyen kapcsolásban ? Kösz !
Ilyenkor nem veszít a kimenő jel jelentősen a nagyságából ?
A több párhuzamos kondenzátor miatt.
Nincs erre valami táblázat hogy mekkora értékű kicsatoló kondenzátor, milyen frekvenciákon kezd el szűrni ?
Tehát mondjuk egy 1000µF -os hány Hz -nél ?
Gondolom letezik ilyen,szamolhato is. Kisebb ertek jon ki tapasztalatom szerint,mint amit fullel megfelelonek tartok. 4700mikrosnal kissebbet nem hasznalok. Nincs jelentos jelcsokkenes a kondikon,sot a tobb parhuzamosnal meg kevesebb.
Van két darab 200 wattos 220 voltos izzóm, 19 voltról járatva kb hány wattot fog tudni leadni, ha oldalanként van 1 izzó?
A hozzászólás módosítva: Nov 24, 2012
P = U * I - I = U/R Tehát: P = U^2 / R
Kérdés az izzó ellenállása. Kb. ezzel az értékkel lehet is számolni, mert hidegen, 19 V-ról meghajtva nem fog jelentősen emelkedni. A névleges teljesítmény pedig felfűtött állapotra vonatkozik, onnan visszaszámolni a hideg ellenállását nem túl könnyű. Külön kérésre szerkesztve: A két egyenlet közötti kötőjel, nem kivonás jel. A hozzászólás módosítva: Nov 25, 2012
A képlet helyesen:
P=U*I ahol I=U/R tehát: P=(U^2)/R Magyarul annyi a dolgod, hogy megméred az izzó hideg ellenállását és ezt behelyettesíted a képletbe. Számolsz és megkapod, mekkora teljesítményt fog adni egy izzó 19 V-tal táplálva.
Üdv!
az lenne a kérdésem, hogy a mellékelt képen lévő kapcsolás C1 és C2 által okozott törésponti frekijét hogy lehet meghatározni (számítással)?
Hogyha az emitter kondenzátort rövidzárnak tekinted, akkor:
bemeneten: f=1/(2pi*C1*(R1XR2Xh11e)) kimeneten: f=1/(2pi*C2*(Rt+1/h22e))
Már építettem ilyen erősítőt, most viszont problémám akadt. A kicsatoló kondenzátorom 2.200u/25V, soros izzó 12V/2.7W. 10k ellenállás és 100u/16V kondi. Fet 540N. Hangsugárzó 8Ohm.
D-S között 3.14V DC, izzó pislákol, hang viszont nincsen. Biztosan valami egyszerű dolgot rontok el szokás szerint, de nem jövök rá...
A pontos okát nem tudom, talán az izzó. 15Ohm / 100W-ra cserével életre kelt.
Sziasztok! Én is megépítettem a 2SK1058-as tranzisztorral a magam erősítőjét.
Ahol vettem az alkatrészeket az eladó figyelmeztetett, hogy a gyári adatlapon fordítva van a Drain és a Source láb megadva. Később kerestem a neten erre utalást, de sehol sem találtam. Hallottatok már róla? Amúgy meg ha az eladó által ajánlott lábkiosztással kötöm be akkor hullámzik a hangerő 0-100% között szépen fokozatosan elhalkulva és visszaerősödve, de mindegyik állásban pokolian torzít is. Ha a gyári adatlap szerinti lábkiosztással kötöm be akkor abszolút nem szól. Az egyetlen változtatás annyi, hogy "ilyen trafó volt itthon" okán nálam 36V DC a tápfesz, de végülis kipróbáltam egy másikkal, azzal 18V DC mellett a tünetek maradtak. Ha valakinek van valami ötlete annak nagyon fogok örülni, mert már teljesen elakadtam.
Kérdés megoldva. A tápegység volt a bűnös. A lábkiosztás pedig valóban rosszul szerepel a gyári adatlapon.
Gyári adatlapon nem hibás a bekötése , G-S-D a helyes lábkiosztás!
Ha nálad nem így kell bekötnöd, akkor sikerült hamisat venned, IRFP van benne, csak átírták. Hamisítják, megéri a nagy árkülönbség. Sajnos minősége is sokkal rosszabb, nem is helyettesíthető vele. Nyitófeszültsége 0,5- 0,6V körül van a a 2SK1058-nak, Az IRFP 4V felett nyit, ezt méréssel is ellenőrizheted (G-S között) Itt: http://www.hqelektronika.hu/product.php?pn=2sk1058 még eredetit vettem. A hozzászólás módosítva: Máj 25, 2013
Szuper... GDS kiosztással kötöttem be és most per pillanat is ez szól. Ebay-en vettem, simán belefér a hamisság, sajnos. Már nem szedem szét méregetni, végülis elégedett vagyok a hangjával. Viszont mindenképp köszönöm az infót!
A hozzászólás módosítva: Máj 25, 2013
Tuti, hogy hamis! Mennyibe került? Ennyi erővel IRFP-t is tehettél volna bele, az olcsó.
Szállítással együtt volt 4db tranzisztor 6,32AUD (Akkori árfolyamon 1501HUF). Szóval annyira nem szívom miatta a fogam, de már legalább tudom hányadán állok.
Hali.
Ha jól vettem ki, itt többségében A-osztályos erősítőkről folyik a téma... Kérdeznék tőletek egy olyan őrültséget... hogy egy egyszerűbb fajta és kis teljesítményű ( 2*5-10W ) erősítőt, lehet-e táplálni egy számítógép tápjáról? Elméletileg a teljesítménye megvan hozzá, mondjuk ha a 12V-is megfelelő, számításba kell venni, hogy egy kapcsolóüzemű táppal esetleg másképpen fog szólni? Valaki használt már ilyen felállást? ( A-osztály+kapcs.táp ) Van valami tapasztalat? Csak elméleti síkon boncolgatom a témát.. Építkezéshez még hiányos a tudásom..
Szia!
Van még egy problémám.. A rajzon írt 47K-s poti érdekesen teszi a dolgát. Ahogy csökkentem vele a hangerős úgy fogynak a magas hangok is. Ezt mi okozhatja? Illetve ha szerzek nem kamu tranzisztort akkor ez el fog múlni? Köszi!
Szia!
Az IRFP FET bemeneti kapacitása 1n felett van, ez egy szűrőt alkot a poti soros ellenállásával. Ahogy halkítod, úgy növekszik ez a soros R tag. Az eredeti FET bemeneti kapacitása jóval kisebb, de még azzal is lehet érzékelhető hatása, csak kevésbé. Ha lecseréled 10k körüli potira, kevésbé fog bezavarni. Sajnos az ilyen egyszerű kapcsolás több hátránnyal is jár.
Nagyon köszi! Ezen agyaltunk ma a boltban az eladó sráccal, hogy kisebbre vagy nagyobbra cseréljem.
10k alá nem érdemes menni, mert lehet olyan jelforrás, aminek a kimenete már nem igazán fogja szeretni.
Nem is gondoltam 10K alá menni. Csak a 47K-hoz képest nem tudtam eldönteni, hogy inkább 10K vagy 500K legyen.
Hi!
A PC kapcsolóüzemű tápegysége semmilyen hangtechnikai áramkör táplálására nem alkalmas. Ez azért van, mert: 1. alacsony a kapcsolófrekvenciája, és ezért a kapcsolófreki és harmonikusai mind ott lesznek a hangban; 2. számítógép táplálásának nincsen olyan szigorú tápfeszültség hullámosság követelménye, ezért maga a táp tervezésileg teljesen alkalmatlan ilyen célra (még D osztályú hang végfok táplálására is alkalmatlan).
Sziasztok! Kipróbáltam a 2n3055-ös egy tranzisztoros kapcsolást és megtetszett viszont szeretném megnövelni valahogyan a teljesítményét. Tudnátok küldeni hozzá valamilyen előerősítő kapcsolást ami szintén egy tranzisztoros? Közös emitteres kapcsolás félére gondolok.
Előre is köszönöm!
Szia! Az egy kísérleti kapcsolás, ha működik nagyszerű, azt jelenti, hogy egy picit nehezebbet is össze tudsz már rakni, amivel már inkább megéri foglalkozni.
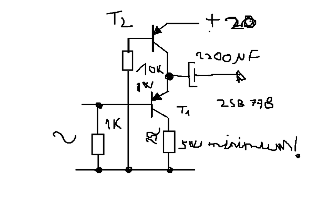
Kedves minimál kedvelők. Itt egy kipróbált kapcsolás ami egy áramgenerátoros Emitterkövető. Ennek sincs meghajtó fokozata,ezért inkább PC vagy CD/DVD lejátszó után szabad kötni. Bármilyen PNP teljesítménytranzisztor megfelelhet bele (MJE vagy TIP2955 is). Én olcsó 2SB778-at használok és kell bizony szilikonzsír is! Sima notebook töltővel járasd, mert egy sima trafós táp után simán kell vagy négy darab 35V/1000uf-os kondenzátor. A bemeneti 1 kilós ellenállás legyen inkább egy 10k trimmerpoty(azzal menet közben finomíthatod a munkapontot). Azért ne várjatok tőle 4w-nál többet,de lehet még a T2 bázisa és a T1 kollektora közé egy legalább 100V tűrésű 100uf-os kondenzátort tenni, de nem muszáj.
|
Bejelentkezés
Hirdetés |






Ahol vettem az alkatrészeket az eladó figyelmeztetett, hogy a gyári adatlapon fordítva van a Drain és a Source láb megadva. Később kerestem a neten erre utalást, de sehol sem találtam. Hallottatok már róla? 







