Fórum témák
» Több friss téma |
Fórum » Csöves erősítő készítése
Ne feledd betartani a fórum viselkedési szabályait, és a topik megmaradásának feltételeit. [link]
A téma átmenetileg fagyasztva lett, hozzászólni nem tudsz!
Nos, az a 20K nem sok, küldök eggyet (fleta megtekeri a trafókat olyan 15-17K ból szerintem)
Itt van pár ez kb benne van a keretedben 2 GU-s , ez is kb kijön 20K ból, HA sikerül 450-500V kondikat olcsón szerezned, mert újjonnan akár 3000Ft is lehet 1 db! eggyik másik ÜdV!
Mekkora teljesítményre gondoltál? Milyen hangfalaid vannak?
Sziasztok!
Kettő kérdést is szeretnék feltenni! Az egyik: EAG AE/785A erősítőben az egyik 807 cső izzott. Ezt kiküszöböltem, azzal, hogy adtam egy kicsit több negatív előfeszt. és így elmúlt az izzás. Kipróbáltam azt is, hogy felcserélem a csöveket, és az a tapasztalat, hogy mindig ugyanaz a cső izzik. Ez után a katódkörbe beiktattam egy-egy 1,2 Ohm-os ellenállást és mértem egyszerre a kettőn eső feszültséget. Az egyiken 31mV-ot mérek a másikon tök nulla. Vagyis amelyiken nem folyik áram, gondolom az kidobandó!? Másik: APX100 van 6db PL509-em. Elvileg mindegyik használt. Ezt nem tudom biztosan. Szóval az a gondom vele, hogy beállítom a szimmetriát a csövek között. Tökéletes minden stb. és kis hangerőn mégis torzít egy picit, viszont nagyobb hangerőnél nem. Aztán még csinál olyat is, hogy ha potmétert kötök a bemenetre (500k B), akkor nincs magas hang egyáltalán. Amint odaér a potméter, hogy teljesen feltekert állapotra, akkor visszajön a magas is. A válaszokat előre is köszönöm. Minden jót. Üdv, Palkó!
Szia! A több előfesz az egyik csövet teljesen lezárhatta, attól lett 0 az anódáram... Szerintem a 31mA-t mutató izzhatott korábban, de Te tudod
Az APX kis hangerő melletti torzítását valószínűleg a tiszta B osztályú beállítás okozhatja, de ezügyben szerintem nézz át az APX topicba. Használj 100kOhmos potit, a környező kapacitások magasvágó hatása sokkal kevésbé fog érvényesülni
Ennyiből nem lehet biztosan megállapítani. Egyszerre csak egy csövet tegyél bele.Hirtelen meg nem mondom, hogy mennyi lenne az optimum, de ha fogsz egy 807-es adatlapot és ott kikeresed az anódáram/rácsfeszültség görbét, akkor az áramkörben meg tudod nézni, hogy az adott cső hogyan viselkedik. A rossz példány valószínűleg adott előfeszültség mellett a megadotthoz képest jóval magasabb áramot enged majd át (vagy kevesebbet). Néhány százalék azért nem számít.
Szia! Az APX-et majd próbálom, meg majd átmegyek abba topic-ba.
A 807-nél igen, az a cső izzik, amelyiken folyik áram. csak, ha leveszem a neg. előfeszt., akkor ez a cső azonnal felizzik. Szóval, akkor tekinthetem ezt a csövet rossznak, vagy éppen a másik rossz? Üdv, Palkó.
Ha leveszed a negatív előfeszt, akkor még jó, hogy felizzik. Tessék kimérni a csövet, de valószínűleg rossz. Nem értem, hogy ha le van írva, hogy mit kell csinálni, akkor azt miért nem lehet csinálni...
![]() Azért kell egy csővel próbálkozni, mert ha jól sejtem, a 785-ben közös, szimmetriaállítós az előfeszültség. Ha egy csövet raksz bele, akkor nem zavar meg a másik és nem is teszed tönkre. Mérés közben a bemenetet tessék földre kötni. Megnézed, mennyi az anódfeszültség, ez állandó. Mérsz egy rácselőfeszt és az 1,2ohmon az áramot nézed meg (persze szebb lenne 1 ohmon). A két csövet össze is hasonlíthatod és mondom, hogy az adatlap az irányadó. A hozzászólás módosítva: Máj 30, 2013
Sziasztok,
a mellékelt kapcsolásban van egy alkatrész, 510pF/400V styroflex (fólia?) kondenzátor ami már nem kapható. 470pF-sal helyettesíthetem vagy inkább 5x100pF parallel kötve? A hozzászólás módosítva: Máj 30, 2013
Nem túl kritikus a kondenzátor értéke, 470 pF -al egy kicsit magasabban lesz az erősítő felső határfrekvenciája. A kondenzátor típusa, (kerámia, styroflex, fólia) szinte teljesen mindegy, a hangfrekvenciás tartományban, mindegyik megfelel, az 500 V sem szükséges, egy 100 V os kerámia is tökéletesen megfelel, és kapható is.
Nekem nagynak tűnik 20k-val párhuzamosan ekkora kondenzátor. Nem tolja lejjebb ez a felső határfrekvenciát? AE 211-ben 10k-val van 220pF.
Sziasztok! Átkötés nélkül 6N2P helyett be lehet tenni a 6N6P csövet ? Ha jól néztem ugyanaz a lábkiosztása.
Nem tudom, lehetséges. Ki kéne számolni, de majd a gazdája kiszámítja az RC tag törésponti frekvenciáját, és eldönti, hogy megfelel-e.
Rendben, köszi.
A lentebb írt "RC tag törésponti frekvenciája", ez nekem magas A rajz egy régi Tesla 437a rádió végfoka. A hozzászólás módosítva: Máj 30, 2013
Sziasztok!
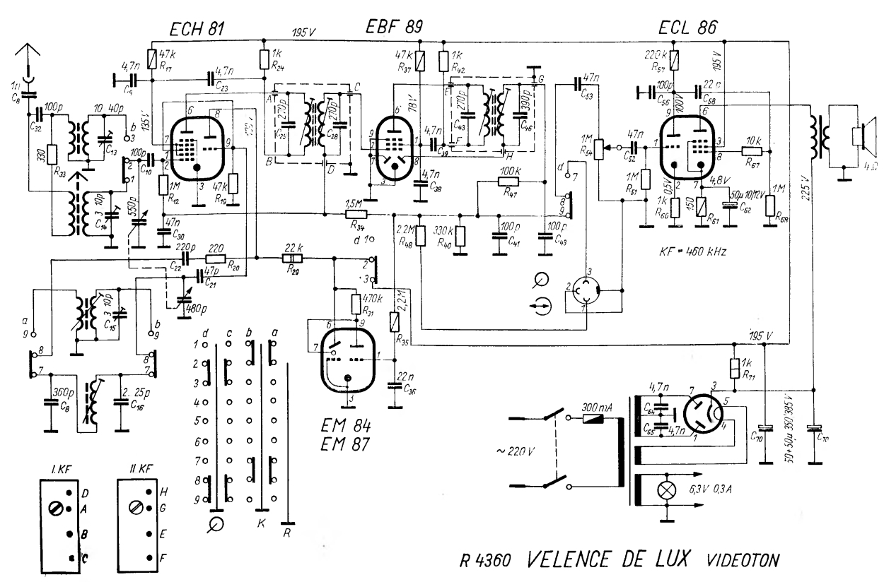
Sikerült beszereznem 2 db Videoton Velence de luxe RA2102 rádiót. Az egyik rádió ez80as egyenirányítású a másik viszont szelént kapott... ez picit áthúzta a számításaim, mert ugyan olyan felépítésű monoblokkokat szerettem volna. Végül úgy döntöttem, hogy egyben lesz, egy hálótápon és egy ez80-on fognak osztozkodni végfokok. A rádióban em84 is kapott helyet, amit szintén szeretnék kimenteni és /hangulatosabbá tenni vele az erősítőm / ebben szeretném a segítségeteket kérni... Mellékeltem egy kapcs rajzot is ami felírat szerint nem a RA2102-é de teljesen megegyezik vele. A hozzászólás módosítva: Máj 30, 2013
Ajaj, nem tudom milyen volt az a rádió, de valószínűleg csak AM volt benne. Akkor meg a felső határfrekvencia olyan 5 kHz körülire volt beállítva, hogy ne nagyon zajongjon. Akkor igaza lesz djhans fórumtársnak.
A törésponti frekvenciár kiszámolhatod körülbelül a: f0=1/2*Π*R6*C45 [Hz, ohm, F] képlettel. (ennél kicsit bonyolultabb, de nagyjából jó lesz) A hozzászólás módosítva: Máj 30, 2013
Videoton Dc 2550 A de szerintem építek hozzájuk külön , köszönöm szépen a segítségeteket az előző két hozzá szólóét is
Ezt találtam az adatlapban:
VKV 66-73MHz KV 5.9-12.2MHz SV 525-1605kHz DV 165-285kHz Valamint volt még benne egy modifikáció is, ez talán arra van, lásd kép.
Közben az egyik kolléga kiszámolta, az egyik töréspont 17 kHz körülre esett. A rádióban ezek szerint van URH is, aminek a felső határfrekvenciája 15 kHz, (a 19 kHz pilot miatt) ezért értelmetlen ennél nagyobb frekvenciát átvinni, ezért a sávhatárolás.
A modifikáció pedig egy amolyan magasvágó hangszínszabályozás.
Értem, és akkor hogyan lehet ezt felvinni úgy 20kHz környékére?
A hozzászólás módosítva: Máj 31, 2013
Vagy inkább hanyagoljam és próbáljam ki a másik kapcsolást amit fentebb linkeltek. Csak ahhoz nem tudom jók lesznek-e trafók amit a rádióból bontottam.
A hozzászólás módosítva: Máj 31, 2013
Az eredeti kimenőtrafóval reménytelen a 20kHz, sőt a sávhatárolást (cca. 17kHz-re)érdemes bennehagyni a stabilitás érdekében.
Sziasztok,
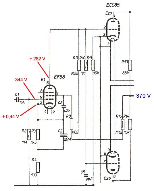
kérésem lenne. Elnézést, ha a fórum téma választásnál melléfogtam. Nem találtam ettől relevánsabbat. Az elektroncsöves technika számomra eléggé ismeretlen terület, most mégis egy Tesla Mono 130 elektroncsöves erősítőt próbálok megjavítani, pontosabban életre kelteni. Az erősítő iszonyatosan torzít, amikor a bemenő jelet az előerősítő EF86-on vezetem keresztül. Kikerülve az EF86-ot, a jelet az ECC85-re vezetve nincs torzítás. Három EF86-os csővel is próbálkoztam, sajnos mind használt. Új csövem nincs. A képen a kapcsolási rajz látható. Pirossal a mért feszültség értékek vannak feltüntetve. Mindhárom cső közel azonos feszültségeket produkál. A -344 V rácsfeszültség abnormális. Vajon mi okozhatja? Rossz lehet mindhárom cső? Segítséget kérek! Köszönöm.
Sziasztok
Szereztem egy r956g nevű ősrégi lemezjátszós rádiót, amibe az a jó, hogy sztereó, tehát ha jól saccolom akkor ebből kinyerhető egy csöves sztereo végfok. Mivel mostanába nem igen lesz rá időm, a helyet pedig jelentősen foglalja, ezért gyorsan szétkapom, a házát pedig szétverem. ![]() Nemhinném, hogy bárkit is érdekelne, de ha mégis, akkor még elvihető, mert még egyben van. Üdv
Azt hiszem tévedsz. Ez a rádió egy 4+2 csöves mono készülék.
Bővebben: Link
Hát ez kopp
![]() Pedig már kezdtem örülni, így soha nem fogok találni két tök egyforma mono rádiót ![]() (nem pont olyan a belseje, lehet, hogy mégis ?)
Valószínűleg az 1 Mohm szakadt. A rácson a földhöz képest 0 V -ot kellene mérned. A katódon mért feszültség szerint is a cső jól le van zárva.
Ilyenkor használatos a nyaloszkóp. Megnedvesíted az ujjadat, és végighúzod az 1 Mohmos ellenálláson. Ha nem torzít, akkor ez a baj. Ahogy szárad, úgy kezd el torzítani.
Látsz benne legalább két kimenőtrafót?
Köszönöm a tanácsot pucuka. 1 Mohm cserélve. Sajnos nem segített. Méregetem, cserélgetem az alkatrészeket körbe-körbe. Hasztalan.
Egyéb ötlet?
Szia. Erről van szó? A gyári bemeneteit próbáltad már? Azért ennek elég sok van.
Gitárt neki, aztán hadd szóljon! |
Bejelentkezés
Hirdetés |


Az APX kis hangerő melletti torzítását valószínűleg a tiszta B osztályú beállítás okozhatja, de ezügyben szerintem nézz át az APX topicba. Használj 100kOhmos potit, a környező kapacitások magasvágó hatása sokkal kevésbé fog érvényesülni








