Fórum témák

» Több friss téma
Fórum » Modellvasút trafó, szabályzott feszültséggel
Lapozás: OK   1 / 5
(#) imbra hozzászólása Márc 18, 2007 /
 
Üdv! Modellvasút trafó kapcsolási rajzot keresek. Ha valakinek volna, vagy tudna segíteni nagyon megköszönném. Zoli
(#) inteler válasza imbra hozzászólására (») Márc 18, 2007 /
 
Sokat segítene, ha tudnánk a feszültségét és a teljesítményét a modellvasutadnak.
(#) imbra válasza inteler hozzászólására (») Márc 18, 2007 /
 
Üdv! 230Vról 15Vra. kb 5W-os.
(#) Topi válasza imbra hozzászólására (») Márc 18, 2007 /
 
P=U*i
5W=15V*I
I = 0,333...A

Azaz ráhagyással egy 10-12V / 500mA-es trafóra lesz szükséged, és egy Graetz hídra (4 dióda)
10,6*gyök 2 = 14,99V
Sebesség szabályzás vagy a régi módszerrel, vagy egy NE555 és ezzel egy PWM szabályzás...
(#) imbra hozzászólása Márc 18, 2007 /
 
Üdv! Köszi, de egy kapcsirajznak örülnék nagyon!
(#) bn73 hozzászólása Nov 22, 2007 /
 
hello, amit én szertnék az unokaöcsémnek:
állandó 12V egyenárammal táplálni analóg (régi, hagyományos) N méretű vasúti rendszert, de nem a bejövő trafón szabályoznám az összes mozdony sebességét egyszerre, hanem minden vonalszakaszra külön potméteres feszültségszabályozást építenék.
milyen potméter kell ehhez?? és ezt a Lomex-nél milyen kóddal keressem?
HELP!!!! karácsonyra kész kell lennem

12V egyenáram (kb 0,15 A felvétel / vonalszakasz --de ez csak könyvből, nem mértem meg)

az a NE555 és PWM az micsoda?
(#) bn73 hozzászólása Nov 22, 2007 /
 
másik kérdés- ötlet:
kocsikban szeretnék világítani, de nem normál mini égővel, hanem LED-del.
használható itt előtétdiódának zéner dióda feszültséghatárolásra?
igy már kisebb feszültségnél is erősen világítanának és mégsem égnek ki a max 12V-nál (gondolom).
kerestem mini akkut is, de még csak a 12x15mm-ig jutottam le (de ez még mindig nagy N mérethez). ezzel az állomáson álló szerelvény is világítana egy ideig (amikor nincs a vágányban fesz.).. gombelem mérteben nincs akku?
(#) Pafi válasza bn73 hozzászólására (») Nov 22, 2007 /
 
A potin kívül még 2 tranzisztor is kell, hűtőfelületre (alumínium hűtőborda) szerelve, meg még pár dolog.

Kapcs.GIF
    
(#) Pafi válasza bn73 hozzászólására (») Nov 22, 2007 /
 
LED elé ellenállás, vagy áramregulátor dióda kell!

(#) bn73 válasza Pafi hozzászólására (») Nov 22, 2007 /
 
hálás kösz
értem én, csak azt nem tudom miért nem elég rögtön a kimenő fesz-et állítani a potm-rel, miért kell közé még egy tranzisztoros kör is, amikor ugyanarról a tápról megy minden.
pesze bizos megvan a jó oka, nem vagyok elektromérnök
(#) bn73 válasza imbra hozzászólására (») Nov 22, 2007 /
 
Imbra:
ez apám régi könyvéből van. szerintem nekem ilyet vett anno. azt hiszem ez a nagy szürke dobozos

DSCF0429.JPG
    
(#) proli007 válasza bn73 hozzászólására (») Nov 22, 2007 /
 
Haj, Haj!!

Kicsit egyszerre szeretnéd felfalni az egészet. Előbb egy kicsit ismerkedni kellene a témával. Gondolom a Net-en sokan foglalkoznak modellezéssel, szerintem nézz körül.

Na akkor sorban:

- Ha a szakaszokat szeretnéd szabályozni, akkor azoknak szigetelteknek kell lenni egymástól.
Közös trafót használhatsz, de külön szabályzót szakaszonként.
Egy kis analóg szabályzót rajzoltam neked kedvcsinálónak:

Analóg vasút

- Ha ezt meg tudod építeni akkor már előréb vagy. A BD tranzisztor helyett, szinte minden nagyobb teljesítményű jó (pld.2N3055), de hűteni kell, mert amit a motor nem fog megenni az a tranzisztort fogja fűteni. A BC helyett, bármi jó, csak NPN típusú legyen.
A potencióméternek egy síma "A" jelű felel meg (lineáris), de legjobb lenne a huzal, de az drága, vagy bontottat szerzel. A kapcsolás 0..12V-ig szabályoz, és maximum 200mA áramot ad, de áramkorlátozott. (BÍrja a rövidzárat, de csak addig, míg a BD el nem melegszik.) A kapcsoló, egy síma kétáramkörös kétállású kapcsoló, ami elviseli a 200mA áramot. Ezzel válthatod az irányt.

- Az NE555 az egy időzítő IC. A PWM az pedig impulzus szélesség moduláció kapcsolás. A lényeg, hogy ha ezzel van valami építve, kevésbé melegszik a kapcsolóüzem miatt, viszont jóval bonyolultabb a kapcsolás. (Najó, nem igaz, de neked igaz lesz!)

- Amit a Led-ről és a zénerről írtál, nem tudom ezeket honnan veszitek, de ez marhaság. A Zéner, az egy feszültség szabálzó dióda, a Led, meg áramvezérelt dióda. Nem a feszültséget kell rajta állandó értéken tartani, hanem az áramot! Azt egy áramgenerátorral, meg lehet oldani, hogy változó tápfesz mellett is egyenletesen világítson, de ha a feszültség a Led nyitófeszültsége(+veszteségek) alá esik, akkor ki fog aludni. Tehát álló vonatnál nem fognak égni. Persze lehet olyan vasutat készíteni, ahol a vonatok azonos pályán is különböző sebességgel haladjanak és a Led-ek is égjenek álló vonatnál, de szerintem ez még nem neked való feladat.

- Létezik kis gomb akkumulátor is, de annak feszültségének nagyobbnak kell lenni, mint a Led nyitó feszültsége(2..3db sorba). Valamint gondoskodni kell a led áramszabályozásáról, (minimum egy ellenállás) és az aksi töltéséről. És ezeket az áramköröket, mind be kell építeni a vonatba. Viszont az aksi, nem biztos hogy így hosszú életű lesz.

üdv! proli007

(#) bn73 válasza proli007 hozzászólására (») Nov 22, 2007 /
 
kösz, tisztul a kép.
az áramgenerátor nem olvasztja meg a műanyag vasúti kocsit? szinte hozzá érne műanyaghoz a kis méretek miatt
(#) bn73 válasza proli007 hozzászólására (») Nov 22, 2007 /
 
proli,
nem értem:azt irod hogy a BD tranzisztor helyett bármi jó, de a te rajzodon is van BD241-es

pálya nyomvonalterv kész, faváz építés most kezdődik, szakaszolás természetes.

arra gondoltam hogy a kitérők előtt biztonsági kapcsolásokkal bontom a betápot a váltó irányainak megfelelően (erre vannak király kapcsolási rajzok).
az igy feszültség nélkül maradó szakaszok elé betennék felsebességű részeket lassitónak.
ezek szerint a lassitórészre se ellenállást tegyek hanem tranzisztorral csökkentsem a sebességet, amit a váltóirányból jövő jellel vezérlek?
az a gond, hogy a váltótól csak I/N jel jön, nem változik a feszültség lépésenként, ezért szerintem az ellenállás a megoldás, de ti profinak tűntök. mi a megoldás félsebességű pályaszakasz eléréséhez?
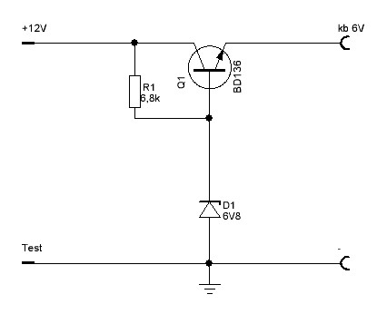
(#) Medve válasza bn73 hozzászólására (») Nov 22, 2007 /
 
Hello, van itt valami: (melléklet) ez a 12V ból alkot 6V ot, de neked olyan kellene ami mindig az aktuális feszültséget felezi? Vagyis ha épp 5V-tal mész, abból legyen 2,5V?

6V.JPG
    
(#) bn73 válasza Medve hozzászólására (») Nov 22, 2007 /
 
igen, felező dolog kellene.
persze nem pont fél, hanem bármi ami kb a fele sebességre csökkenti a mozdony kis motorját, hogy ne hirtelen álljon meg

amit küldtél, az arra lehet jó hogy sebességet határolj.
pld nagy leejtőnél kanyarban.. ne boruljon ki a vonat.
vagy ha valahol vacak a pálya
na majd oda felhasználom

amit nem értek a proli és pafi kapcsolásaiban h miért kell 2 tranzisztor.
miért nem elég a medve féle kapcsolás, csak változtatható ellenállással?
és a medve kapcsolásában miért van a D1 dioda a Bázishoz, hiszen a betáp 12V-ja fix egyenáram és mindig azonos polaritású. én inkább a Bázistól továbbvinném nagy ellenállással visszakötve a +6V kivezete, vagy a D1 diodát megforgatnám
(#) Medve válasza bn73 hozzászólására (») Nov 22, 2007 /
 
Ó igen, nagy hibája a kapcsolásnak, hogy tolatni nem lehet vele! Szoktunk néha, bocsi.
Prolinál a két tranzisztor egy áramgenerátort alkot (?) Pafinál pedig a menetirány változtatása miatt kellhet a két tranyó.
Felező dologra meg van megoldás, de még nem tiszta a kép...Hasonló mint a 6V.jpg, ami egy emitterkövető, csak a dióda által vágott feszültséget egy ellenállásos osztóval kellene előállítani, amely felezi a tápot.
(#) Pafi válasza bn73 hozzászólására (») Nov 22, 2007 /
 
Az én kapcsolásomban azért van két tranyó, mert az egyik a pozitív, a másik a negatív feszültséget adja (irányt lehet váltani kapcsoló nélkül, csupán a poti segítségével). Proli kapcsolásában pedig az egyik tranyó adja az áramot, a másik meg megvédi túlterhelés ellen.

Medve kapcsolásban pedig a dióda többé-kevésbé stabil 6,8 V-ot állít elő.

Szerintem a felezést simán egy-egy ellenállással kellene megoldani. Csak jó nagy teljesítményű kell (kb. 5W)!
(#) Medve válasza Pafi hozzászólására (») Nov 22, 2007 /
 
Ilyen ötletem van: Az ellenállásokat lehet csökkenteni, ha a tranzisztornak nagyobb bázisáram igénye van. Csak egyformák legyenek.

felező.JPG
    
(#) bn73 válasza Medve hozzászólására (») Nov 22, 2007 /
 
látom beinbdultatok, köszi,
visszatérve az első fő kérdésre:
miért nem elég a régi ellenállásos fesz.csökkentés potméterrel? (ezt látom a régi NDK-ás könyvemben)

miért jobb ez a tranzistoros?
(#) Medve válasza bn73 hozzászólására (») Nov 22, 2007 /
 
Az egyik ok az, hogy a potis osztáshoz nagy teljesítményű poti kellene, az pedig drága, ritka, nagy és nehéz kezelni. Fapados. Ehelyett osztjuk a feszt kis áramon, egy finom elegáns kis potival és a teljesítményt pedig egy szintén olcsó (ma már) teljesítményranzisztorral szabályozzuk. Ez ugyanúgy fog éppen melegedni , mint az teljesítménypotink, de ez sokkal "kezelhetőbb"
(#) Medve válasza Medve hozzászólására (») Nov 22, 2007 /
 
De hozzáteszem, hogy van egy még elegánsabb megoldás, amit hűteni sem kell, az a PWM módszer FET-tel
Az NDK-s időkben még igen drágák voltak az erősebb tranzisztorok, FET-et meg kapni sem lehetett
(#) bn73 válasza Medve hozzászólására (») Nov 22, 2007 /
 
és lőn világosság
köszönöm, áldott legyen a neved az áramkörök világában, tested járja át a feszültség -- bár ez kicsit kétértelmű csak törpeáramra gonodoltam
tudod hogy hivják a medvét németül?.... der medve ..bocs

és mi az a PWM módszer?
ha már ugyis forrasztgatni kell, mindegy mit.

kipróbáltam a leejtésviszonyokat:
9V-os tápról is simán veszi a 20éves mozdony az emelkedőt (megpakolva kocsikkal). lehet h akkor nem is lesz uj táp.. jó ez a régi acorp-modem táp. 1.5A üvegbiztosítékkal. ezzel is száguldoznak.
már csak a vezérléshez kell egy kisebb áramerősség
(#) proli007 válasza bn73 hozzászólására (») Nov 22, 2007 /
 
Hali!

- Nem tudom mi nem érthető azon, hogy a BD241-es helyett (amit rajzoltam neked), bármi jó, ami NPN tranyó és a teljesítménye megfelelő (Kb.3W-nál nagyobb a disszipációja). Lehet nem jól fogalmaztam?

Na ezeket a "király" kapcsolásokat feltehetnéd, mert már ezer éve nem foglalkoztam ezekkel a kérdésekkel, valami rémlik még a váltókról. (A haverom vasutazott nem Én.) Meg hogy pontosan mit szeretnél, mert irányok is vannak. (Erről, vagy arról jön a vonat stb.) Gondolom ellenállással meg diódával kellene operálni...
(Félvezetőkkel az a gond, hogy azok a különböző áramirányokra érzékenyek, nem úgy mint az ellenállások.)

Ez az I/N jel ez Igen/nem? Mert úgy emlékszem, a váltó tekercs bontja a saját áramát, ha átment, a fényjelzéshez, meg egy független váltó érintkerője van, azt lehetne használni.

Idézet:
„az áramgenerátor nem olvasztja meg a műanyag vasúti kocsit? szinte hozzá érne műanyaghoz a kis méretek miatt”


Hát ha a Led-ekről van szó, akkor azoknak kis áram kell, ott nem sok a hőtermelés. Pld. 12/20mA mellett, ez mint egy 240mW azt el lehet hűteni valahol. Ha a tranyó kabátja nem olvad el, akkor miért olvadna meg a kocsi? (Persze sok dióda sok áram, de ahoz meg akksi is kell!)
A nagyobb gond, hogy igen kicsiben kellene szerelni, valami felületszerelt cuccal. A szinte, meg a hozzáér az nem ugyan az, mint a hozzáér.
Ha egy nagytranzisztor, ha "szinte" hozzá ér a hűtőbordához, akkor az meg is pusztul (2 század milliméter hézag!). ezért teszünk a kettő közé szilikon zsírt, vagy hővezető pasztát.

üdv! proli007
(#) bn73 válasza proli007 hozzászólására (») Nov 22, 2007 /
 
azt hittem bármi jó, csak ne BD-vel kezdődjön a kódja. igy már értem

váltóelektronikák: ezen a hobbielektronikán is fent van valahol (állitólag javitva), de a www.dmaster.hu oldalról szedték le a váltókapcsolásokat.

a váltóban (pontosabba kitérőben) van ugye 2 db bemenő vezérlőjel 1 kijövővel.. ez váltja a váltónyelvet hivatalosan 16V váltóárammal.. (de a 9V egyenáram is megmozgatja, de szenved és nem üzembiztos, csak még nincs 16V váltóáramom). és illik nyomókapcsolóval vezérelni h ne legyen mindig fesz. alatt.
a tolókar végén van egy teljesen független "kátállású, egypolusu" kapcsoló.. ami fizikailag annyi, hogy vagy zár vagy egy nyit egy (a fenti vezérlőtől teljesen független) kapcsolót. ennek term. van 2 csatlakozója. és innen lehet leszedni a jelet h melyik állásban van a váltó. azt hiszem egyenes állásban zár a kapcsoló
és minez a kis N méretű vágányrendszerre igaz a régi PIKO kalapos sinrendszernél. ujabbaknál nem tudom h megy.

kocsivilágitásnál meg gondoltam belülre 2-3 kisebb lapos Ledet a felső íves tető alá, és ezt kellene védeni a 12V-tól. a Led lesz csak közel a tetőhöz (1mm) a generátor meg menne a mini WC-be, ahova nem látni be a festett ablakain. ott lesz akár 2mm távolság is.
Transzf háza bakelit... műanyag kocsi meg szinte kézben olvadó PVC (gonodolom).
arra gonodltam hogy egy tejszinű vonalzó darabra ragasztom az egészet felülről, mert akkor az szétosztja a fényt és nem 2 pontban világít csak, meg ad egy támaszt a Ledeknek a forgózsámolyok között..

de ez még messze van. először legyen meg a faváz.. rajta a vágányrendszer, szakaszoltan mindenhol levezetve alulra a betáp kábel.. összehuzva egy vezérlőhöz. ha még nincs karácsony akkor lehet szórakoznom a finomitáson, egyébbként csak szülinapjára lesz profibb a cucc. de karácsonykor menni kell az alapoknak. különben leveri a fejemet
(#) bn73 válasza bn73 hozzászólására (») Nov 22, 2007 /
 
vagy a legjobb hűtés a fesz.gener.hoz:
a kocsiszekrényből alul kilógatom.. ugyis tele van mindenféle mű dobozzal, legalább lesz egy, aminek funkciója is van.
feszültséggel arányos a sebesség és a melegedés... azt meg az ugyis nagyobb sebeséggel hűtöm.
már csak a méretek jöjjenek össze.
hogy számoljam ki h mekkora feszgenerátorra van szükségem?
én ugy gonodltam (tippeltem) h nem a ledek hőtermleléstől kell félnem hanem a fesz.gen.-tól. jól jár az az egy agysejtem?
(#) Medve válasza bn73 hozzászólására (») Nov 22, 2007 /
 
Szerintem se nagyon melegednek azok a LED-ek. De volt már főpróba velük? Az az aggályom, hogy a LED-ek jellemzően irányított fényforrások, inkább csak reflektornak jók. Inkább a bevált rizsszem izzó. Az "omnidirectional"! Valami 50mA kell neki?
PWM: Pulzus szélesség moduláció: pl: itt több: google. Lényeg: kapcsolgatja a max tápfeszt, a végeredmény a ki és bekapcsolt állapot arányából adódik. A kapcsolóelem vagy teljesen zárt, vagy totál nyitott, mindkét állapotban kevés hő keletkezik
(#) Medve hozzászólása Nov 22, 2007 /
 
S a kocsivilágítással kapcsolatban: Volt már szó a nagyfrekvenciás táplálásról, ami független a sebességtől?
(#) bn73 válasza Medve hozzászólására (») Nov 22, 2007 /
 
nekem gőzőm sincs a nagyfrkvenciákról... csak egy egyszerű világítást akarok. kiskoromban azt élveztem ahogy a sötétben a kivilágitott vonatok közlekedtek a lakásban (H0-as rendszeremben volt kivilágitott kocsim is).
a LED irányított, de az lehet hogy pont jó is: a kocsi 2 végéből a közepe felé megcélozva a közepén megtört (2irányba leejtő) vonalzót.. máris végig szórt fényt kaptunk. ha ez kicsit halvány is, de nem szúró fénnyel vakít. a mozdonyban sem az égőt látod, hanem átlátszó műanyaggal "kb. optikai szállal" vezetik a 2 alsó és 1 felső lámpába a tompa fényt egyetlen izzóból.

nem lenne jó egy tekercs is LEDek elé, hogy az apró kontakthibáknál le villogjon? vagy hatástalan? a mozdonyban a motor előtt van egy-egy tekercs mindkét fázisnál.

legegyszerűbb:
belülre gombelemek, alulra mikrokapcsoló, és mindig világít.. az elemek végéig

PWM-et néztem most én is egy kicisit.. de még nem láttam konkrét vezérlő modult, hogy mikből és hogyan is kellene összerakni. azt hiszem előszőr tényleg a pályát építem meg, aztán vezérelek. legfeljebb a régi terepasztalom trafójával kezdjuk.
(#) Medve válasza bn73 hozzászólására (») Nov 22, 2007 /
 
A villogás ellen jobb lenne ha inkább egy nagyobb kondit raknál párhuzamosan a LED-del. Ma már egészen kicsik ezek, nem úgy mint az NDK-s időkben
Ötlet: A kocsikba rakj nagy kapacitású (0.5-1F-os) kondit, akkor a világítás megmarad egy darabig miután leállt a kocsi. Igy nem kell elem, és a valóságban is kikapcsolják a világítást az álló kocsiban nemde? Vagy lehetne 2 akkucella, ami töltődhetne is nappal...
Következő: »»   1 / 5
Bejelentkezés

Belépés

Hirdetés
XDT.hu
Az oldalon sütiket használunk a helyes működéshez. Bővebb információt az adatvédelmi szabályzatban olvashatsz. Megértettem