Fórum témák
» Több friss téma |
Sziasztok.
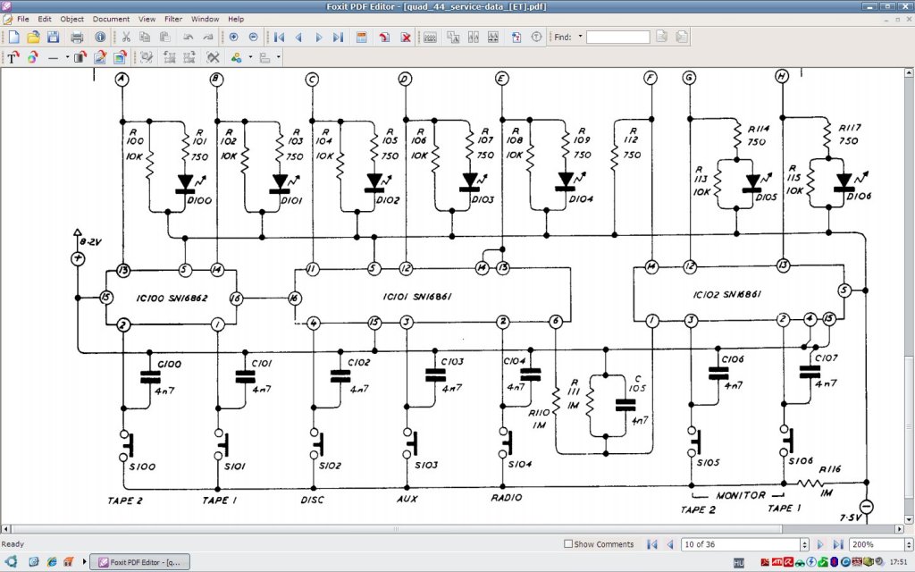
Az alábbi bemenet választót építettem meg. Sajnos nem működik megfelelően. Úgy kéne működnie, hogy ha bármelyik bemenet aktív, a hozzátartozó led is világít. Ha megnyomom a "Monitor" gombot, akkor a visszajelző led is világít. Eddig rendben működik. Ha megnyomom bármelyik másik bemenetválasztó gombot a "Monitor" -nak deaktíválódnia kell és a visszajelző lednek el kell aludnia. Addig minden rendben van amíg a "Radio", "CD/Aux" "Phono" bemenetre kapcsolok. Rendesen deaktiválja a "Monitor" gombot. De ez a hatás nem érvényesül egyik "Tape1/Tape2" feliratú gomb megnyomása esetén sem. Mi lehet a probléma? Valakinek valami ötlete?
Adatlapod van? Mert lehet, hogy nem is így van kitalálva, csak Te ezt szeretnéd, hogy így működjön. A 861 és a 862 közt a 16-os lábakon át mehet a jel, ami kaszkádolja a két IC-t, de ha a tape 1 és 2 kiüti a cd, aux, vagy radio bemeneteket (mint egy egymást kiváltó nyomógombsor), akkor az is működik.
Lehet, hogy a - rendszer filozófiája szerint - monitorozni csak a tape 1, 2-t lehet...
Pedig a blokkdiagram szerint így kell(ene) működnie.
Sziasztok. Bemenet választóra lenne szükségem. Igen ám de nem erősítőhöz hanem pic-hez. Vagyis egy pickit2 és 2-3db pic közé. Egy kapcsolóval szeretném váltogatni hogy melyik pic-et programozzam. Összesen 4 lábat kellene kapcsolgatni. Szerintetek mivel lehetne a legegyszerűbben megoldani? Gondoltam itt relékre is de azok nagyok és 3 db pic-nél már elég sok relé kellene. Na meg hangosak is.
Egy bemenetválasztó és egy ill 2 IC összekötésébe kérnék segítséget.
Az ICk típusa: TC4052BP a másik TC4066BP. Ezek voltak egy régi erősítőbe (legalábbis szerintem a bemenet átkapcsoló IC-k. A bemenetválasztó ez lenne: Link. Na ezt a kettőt, hogy tudnám összekötni, hogy menjen? Ill ha nem lehet akkor mit ajánlanátok az IC-k helyett?
Nézd meg ezeket:
A hozzászólás módosítva: Okt 8, 2012
Olyan kérdésem lenne, hogy relés bemenetválasztót építenék avrel, és a bemeneteknél láttam, hogy 1megás ellenállással testre van húzva a bemenet, ill 680nFos kondi van sorba. Ezek fontos alkatrészek, vagy elhanyagolhatóak?
Sziasztok!
Szeretnék építeni egy 4-6 csatornás bemenetválasztót. A sima yaxley -s nem túl szimpatikus. Az IC -sek mennyire rontják a hangminőséget? Bár igazából a relésnél kötöttem ki, az nem kopik, nem rontja a hangminőséget, stb. Mit ajánlotok (konkrétan)? Köszi
Egyszerű, olcsó relékkel nem fogsz megbízhatót építeni. (A régi időkben M14 magnót sztereósítottam, a REC/PLAY csúszókapcsoló beszerezhetetlensége miatt OMRON aranyozott érintkezős relékkel. Valami mindig hiányzott a korrekciós tagokból, kopogtatásra jó lett... Ugyanilyen bajok voltak a TV-Miniscope-ban a reed-relékkel. Sajnos pA nagyságrendű áramokra nehéz a csúszka-jellegű kapcsolónál jobbat találni.)
Ajánlom az analóg kapcsolós/multiplexeres megoldást, nem fogod hallani a különbséget a beiktatásukkal.
Értem! Volna valami konkrét javaslatod, ami tuti jól működik, a hangminőséget se nagyon rontja? Semmi extra elvárás, 1 nyomógombosra gondoltam, csatornánként 1 ledes visszajelzéssel. De ha nem ilyen, az se nagy probléma.
Köszi
Sziasztok!
Ezzel a kapcsolással van valakinek tapasztalata? Működik rendesen, hiba és hangminőségromlás nélkül? Esetleg valaki közzétenne egy jó NYÁK -ot hozzá? Köszönöm
Igen, ez is jó, de ezt egy CD4052 egymaga tudja (a sok 4066 helyett). Ha egy nyomógombbal akarod, akkor diódákkal is megoldható az A,B bemenetek vezérlése (vagy BCD kimenetű számláló alkalmazásával), de lehet még (talán) kapni (szenzoros, vagy nyomógombos) bemenet-kiválasztó IC-t, pl: SAS560,570,5600,5700 - ezekkel véletlenszerűen is választhatsz bemenetet, nem léptetéssel.
Annyi lenne a lényeg, hogy 4-6db bemenet közt lehessen sorban, 1db nyomógombbal léptetni. Ehhez van valami konkrét javaslatod?
Köszi
Ha 4 elég, akkor a 4052 - ez 2x 4 bemenethez alkalmas, ha 6 kell, akkor már lehet 8 is - ahhoz meg a CD4051-ből kell kettő (mert ez 8 bemenetű).
A léptetést egy bináris kimenetű számláló - pl: CD4024 - adhatja. A nyomógomb pergésmentesítéséhez és a számláló 6-nál vagy 8-nál történő reseteléséhez kell még egy tok - így 4 IC-vel megoldható a feladat. + - 5...7V körüli táp szükséges (minden analóg kapcsolóhoz).
Srácok! Kellene nekem valami egyszerűbb, kapcsolású áramkör, ami 14sztereó bemenet közül egy sztereó kimenet kiválasztását teszi lehetővé közvetlen elérésű nyomógombokkal. Funkcionálisan olyan, mint hajdanán az Isostat kapcsolósor, csak most reléket kellene kapcsoltatni.
A 40174-et nem lehet sorolni?
Mivel én a PIC-ekhez picit sem értek...
Szia! Remélem elég egyszerű:
A PNG-t lecseréltem JPG képre. A hozzászólás módosítva: Jún 24, 2013
Hogy ez milyen ötletes megoldás! Köszi!
Ezt csak úgy találtam "audio input selector" keresésre, remélem a gyakorlatban is működő képes. Szemre annak látszik
Kellhet az elkókkal párhuzamosan egy-egy ellenállás, hogy ki tudjanak sülni rendesen. (Ha túl jó minőségűek...)
Sziasztok!
Egy egyszerű bemenetválasztót szeretnék 4 bemenetre. A képen látható Isostat-al meg lehet oldani? Természetesen sztereó kell. Egyébként hol lehet rá gombot venni? A hozzászólás módosítva: Nov 17, 2013
A képet elfelejtettem beilleszteni.
Szia!
Megoldható, de nem javasolnám. Egyszerűbb megoldás, forgókapcsolóval reléket vezérelni, relék közvetlenül a bemeneti csatiknál. Vezetékezése is egyszerűbb, hosszabb távon is megbízhatóbb.
A forgókapcsoló is megoldható, valóban egyszerűbb.
Az Isostat-tal mi a baj?
Bizonytalan a kontakt. Könnyen oxidálódik, kopik.
A forgó kapcsolóval meg lehet oldani relé nélkül? Ha már mindenképp relé, akkor csinálnék egy érintőkapcsolót, olyat, mint amit néhány TV-be is tettek.
Ha jó minőséget választasz igen. Az SAS vezérlőket nem tudom árulják-e még?
Isostat minőségétől eltekintve is csak hátrány közvetlenül bemenetek kapcsolására.
Mivel minden bemenetet külön kell hozzá vezetékezni. Forgókapcsolóval, de akár Isostat kapcsolóval is jobb megoldás, ha relét alkalmazol, közvetlenül a bemeneti csatlakozóknál. Így csak jobb/bal csatorna jelét kell csak a potihoz huzaloznod, nem kell minden bemenetet a kapcsolóhoz vezetni és innen a hangerő potméterre. Sok problémát elkerülhetsz, kevesebb zaj, recsegés elkerülhető, szebb kivitelezés...
Meglehet, de ebben az esetben is sok vezeték kell, ami csak zavarforrás lesz...
Viszont ha a kapcsolót el tudod helyezni közvetlenül a bemenetek mellet, akkor jó megoldás lehet. A hozzászólás módosítva: Nov 17, 2013
|
Bejelentkezés
Hirdetés |












