Fórum témák
» Több friss téma |
Fórum » TV hiba, mi a megoldás?
Például úgy, hogy a nyomógombos módszerrel indítsd a készüléket és az indítási idő alatt mérd meg az IC tápfeszültségét.
az sda5252-eset?
Nem, a függőleges eltérítés IC-jét. Nem mondom meg, hogy melyik az.
Akor mond meg hogy mondjak nemetul a fugoleges elteritest.
Vertikalablenkung.
megvan angolul ,es az IC is
6 es 9 laban 31 voltra ugrik fel a fesz amikor a gombot nyomom, adig a 6 labon van 8volt .
Ugye a tuner fémházához képest mérsz. És mekkora feszültségnek kell ott lenni? A rajzok mit mondanak?
Remelem egy Ic-rol beszelgetunk, tda3653b?
Ahoz kellene venem egy nagyobb gepet, hogy ne egy egyszerusitett orosz XP fuson rajta, amit ingyen megkaptam evekel ezelott.Na meg kene egy kis zsebpenz hogy a bilentyut le tudnam cserelni legalabb azon menne minden gomb ne csak fele.
Ja es erzek me'g valamit a mondatodban amit inkabb nem boncolgatnek most itt nalatok, majd inkabb nalunk.
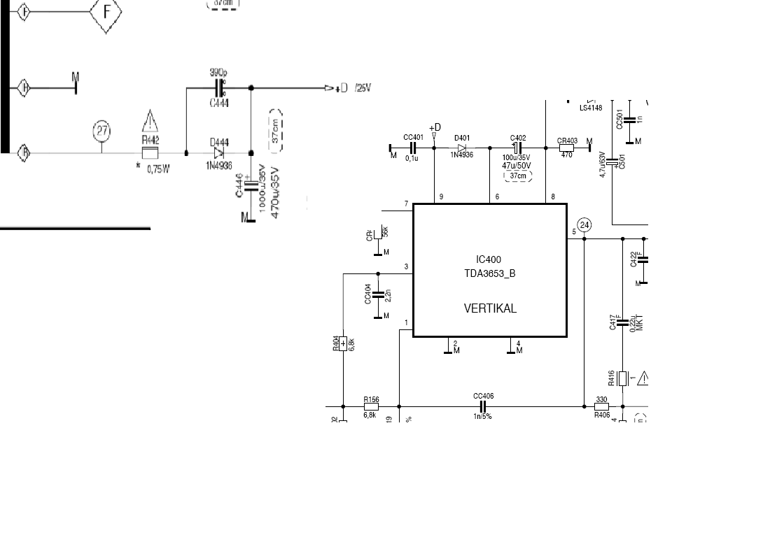
Igen, egyről és a 9-es lábon 26V körüli feszültségnek kell lennie. Ez az ott mérhető nagyobb feszültség már valóban megalapozza azt a korábbi feltevést, hogy a tápegység túl nagy feszültséget szolgáltat a sorvégfokozatnak, ami rendellenes működést és alkatrészhibákat is okozhat. Most a tápegységet kell rendbe hozni, hogy a rajzon lévő előírt feszültségeket szolgáltassa. Egyébként jó a 6-os és a 9-es láb közötti dióda? Merthogy a 6-os lábon azért sokkal nagyobb feszültségnek kellene lennie.
A hozzászólás módosítva: Júl 15, 2013
En az ocska kis kinai meromuszeremre gondoltam hogy nem mer jol, de egy gyenge aksira mertem ra es 12.6V mutat.
Hat akor varom tanacsod hol kezdjem a mereseket, csereket a tapban.
A dioda hid utan 296V merek, az normalis??
Sikeresen viszavedtem a feszultsegeket, most indul a TV-em egybol de a csikal a kepernyo kozepen.
Sziasztok!
A plazma tvm típusa LG 50PX4R ha valaki tudja,hogy honnan lehetne letölteni a szoftver frissítését kérem jelezzen,mert az lg honlapján nem találom!!!Előre is köszönöm!!
Sziasztok
A szomszéd tv je amit már egy ideje nem használ, mert mikor utoljára elromlot nem akkart tobbet költeni rá. Szoval mikor bekapcsoltam egy viszintes csik van a képernyö közepén, és csatogot. KI cseréltem a C414 és C422 kondenzátorokat mert púposak és az egyik ki volt folyva, a csatogás meg szünt de a csik maradt. Méricskéltem és a kutya 6 os lábán a rajz szerint 25V kellene legyen de nem volt feszültség, gondoltam valamelyik elkon veszödik el a feszültség és ki cseréltem a C 308, C309, C 311 elkokat de a helyzet nem változot. Hang van. A segitségeteket elöre is köszönöm. A hozzászólás módosítva: Júl 15, 2013
Hali! Mi a probléma a géppel? Ez lényeges kérdés, a szoftvert csak igen biztonságos helyről, és kellő körültekintéssel kell végezni. Ha ezekkel tisztában vagy akkor bocsi az oktatásért. De jó pár döglött " frissített géppel találkoztam, amire az eredetit is kín volt visszatuszkolni.
Szevasz!
Kutakodj az 'I301' körül, ugyanis ez az IC végzi a függőleges eltérítést. Lehet "megmakkant". Itt van az adatlapja: Bővebben: Link
Van egy 50 colos LG plazmám!Hang van,képet egyáltalán nem ad,az oldalára pedig kitesz egy kulcsot!Állítólag a modulok jók!
Ha a 6-9 lábak közötti dióda jó, akkor én a helyedben kicserélném az IC-t. De előtte a diódára kötött 100 µF-os kondit ki kellene cserélni.
Erre a hibára azt írják, hogy nyomd meg a menü gombot a távirányítón, majd a speciális menüben kapcsold ki a gyerekzárat. Ezen kívül különféle speciális bekapcsolási módokat is ki lehet próbálni. Angol nyelvű segítség.
Még egy. Keresés.
A 100mF kondit kicsereltem de nem tortent valtozas, most csereltem ki az 1000mF is de szinten semmi valtozas. Akkor kimerem a diodat is. Amugy szepen normalisan indul most , de a csikal.
Ha jol értelmezem az adatlap szerint a 9 es lábnál kapja a tápot, de nekem nincs ott feszültség.
A dioda is jo. Semmi egyebet nem olhetett meg a kisules , esetleg visszaram? melekelek egy kepet ami szerint en dolgozom mi az a "yock vert" rajta?
A hozzászólás módosítva: Júl 15, 2013
Sziasztok!Segítséget szeretnék kérni egy samsung cw29m204 tv javításában.
A hibajelenség, hogy a kép két széle beljebb megy bekapcsolás után pár óra elteltével(mellékeltem képet).Nekem még nem sikerült látnom így a képét(a szomszédé a készülék és ő fényképezte). Gondolom a vízszintes eltérítő részében egy kondi lehet rossz, de nem tudom melyik.Esetleg ha valakinek van ötlete ezzel kapcsolatban, azt szívesen fogadnám.A rajza itt található.
Ha minden más jó, akkor az IC a rossz, és azt cserélni kell. Az ismeretlen fekete alkatrész a függőleges eltérítés tekercse.
Jo reggelt.
Az a tekercs gondolom a kepernyon van. Az ejel olvasgatam meg itt ott errol a hibarol, (nem hagy nyugodni tobb szempontbol sem) valahol olvastam hasonlo dolgot, persze nem ilyen TV-bol, de ugyan ez az IC volt benne. Azt irja ,hogy ez csak jel erosito es neki annak az IC-nek a tapjaban volt megszakadva egy ellenalas, ami kellet volna adja a jelt ide, valahol a 33V-os zenerdioda kornyeken. Segitesz ,hogy merjem ki vajon jel vane?? gondolom egy ledel ki tudnam pilogtatni mert nekem nincs oszciloszkopom. Talan 50hz-es jelrol van szo. Persze megkertem valakit hogy neze meg a varosban es vegye meg ezt az IC-et , en nem tudok menni mert ebben a poros kis faluban meg csak buszjarat sincs .
Látom szépen haladtatok ahhoz képest , hogy tegnap még sehol sem jártunk.
Mellékeltem egy képet amiket ki kellene mérned , és hát a szkóp képnek ami a TDA3553 5 ös lábán , kellene , hogy legyen.Mert ha az ott meg van , akkor aic jó.És azok az alkatrészek amiket bekarikáztam valamelyik a hunyó .Ha nem lehet a képet széthúzni , lehet a trimmer is szakadt , vagy valamelyik kondenzátor, vagy a 100 ohm stb. Próbáld megmérni az ic ös lábát , ha semmi nincs rajta akkor tényleg gatya az ic.Ha valamit fog mutatni a műszer akármilyen változást is , akkor van esély rá , hogy jó az ic , de ne felejtsük el , hogy a multiméter nem szkóp , de ha nagyon 0v lesz az ötös lábon , akkor csere.
Van, amikor valóban nincs eltérítés, ameddig a tápfeszültségek nem rendeződnek. Ha meg van a 33V-os hangolófeszültség is, akkor ilyen téren nem lehet gond. Ezt multiméterrel megnézheted. Az eltérítő IC vezérlését pedig oszcilloszkóppal lehet ellenőrizni, LED-el nem igazán lehetséges.
Az ic 9 es lábán kell mérjél 25v ot.Ezt multiméterrel meg tudod mérni , ha ez nincs meg a képen látható kört kell átnézni , hogy miért nincs meg a 25 v .A sorkimenő környékén találod a B pontról , vagyis a 2 es lábáról kapná ezt a meghajtást.
A hozzászólás módosítva: Júl 16, 2013
|
Bejelentkezés
Hirdetés |








