Fórum témák
» Több friss téma |
Ahogy látom 25µF ot sütöget rá, nézd meg a tirisztort típus szerint mennyit bír ( amper). illendő nem a 10A os-t berakni, hanem 50-100A, azért azon rövid idő alatt igen csak rohangálnak a kA-ek.... és a 100A környéki tirisztorok pillanatnyi árama már e környéken mozog. Szóval az én tippem a tirisztor melegszik el, pláne ha a sípolás hangja megváltozik, vagy átvezet vagy épp nem vezet át valami miatt...
mérj feszt a gyújtótrafón, vagy a kondin, amikor épp rossz , vagy teljes feszt kapsz vagy alacsony 50-100V környékit Ha teljes feszt akkor cserélj trafót először ahogy a többiek mondják, ( szamara gyt jó lesz). Ha alacsony akkor meg tirisztort először.
Hali
A föld és a karám kivezetésnél mérjem a feszt? Vagy a trafó(kondi) két csatlakozási pontján? Sima multiméterrel lehet az ilyeneket mérni? A teljes feszültség kb. hány volt? A hozzászólás módosítva: Júl 12, 2013
Sziasztok!
Ezt lehet helyettesíteni egy másik tekercsel? Ez milyen feladatot lát el? Ez van a tekercsre írva:Rl 630 Mert ahogy nézegettem meg van repedve. Lehet ez lesz a hibája. Ennek mi a pontos megnevezése?
Az lehet az inverter trafója. Vasmagot kell szerezni, a tekercset benne nem kell bántani.
De ugyan ilyen vasmagot szinte lehetetlen találni.
Vannak nekem itthon vasmagjaim de mind máshogy néz ki és a méretei sem azonosak ezzel. Miben lehet a legkönnyebben találni vasmagot ami ebbe is jó lehet? Ahogy szedtem szét még jobban szétesett a vasmag. A hozzászólás módosítva: Júl 13, 2013
Jajjj jajjj nehogy a karám kivezetésen mérj, pláne ne multiméterrel ott , mert pikk pakk annyi a multiméternek!
A a kondi két kapcsát nézd, az a tuti és azt multiméterrel nagyfesz egyen állásban.
Biztos találsz, mondjuk lomex -nál de szerintem itt a hestore ban is....
Közben utánalestem sajnos egyik helyen sem találtam viszont tme nél igen, átmérő alapján találhatsz, ha jól összeszorítod a mostanival is menni kell ha nincs miszlikbe törve, bár rosszabb hatásfokkal egy picit.
Köszi frob.
Amik itt vannak méretek azok mely méretei a vasmagnak?Bővebben: Link A második méret ami ebben az esetben 17mm az minek a mérete? (Valamennyire össze tudom szorítani például szigetelőszalaggal. Ez nem tudom mennyire működőképes dolog. A képen amit kettő hozzászólással ezelőtt linkeltem azon látod mennyire eset szét. 4 felé esett.) A hozzászólás módosítva: Júl 13, 2013
Megmértem a kondenzátoron a feszültséget.41V-ig megy fel.
Akkor tirisztor csere? Ilyen tirisztor van benne.Bővebben: Link Másfajta típusú tirisztort tegyek bele? Ha igen akkor milyet javasolnál ami nem nagyon drága? Ma például bekapcsoltam és a harmadik kisülés után egyből adta a magas frekvenciás hangot.Kikapcsoltam majd vissza és utána is. Ezt háromszor megcsináltam majd a negyedik alkalomra ismét nem volt hiba. Érdekes,hogy egyszer jó egyszer nem jó.
Szia!
Tehát nézzük sorjában! Működik minden bekapcsoláskor csak idővel abbahagyja. Akkor a Tirisztor vagy TRIAC ( ami ép van benne) az tuti jó, az oszcillátor tranzisztora is jó, sőt a vasmag az-az fazék vasmag is jó csak egy kicsit lett másabb az induktivitása azzal, hogy elrepedt. Illeszd össze vagy ragaszd meg és kész, lényeg, hogy stabilan álljon ne lötyögjenek a részek! Ezután a nagy szürke kondenzátoron mérj feszültséget, sacc. olyan 200-300V egyen feszültség bizonyára létrejön rajta csak a kisülések ütemében vissza is esik. A töltődés elején mindig mélyebb hangon fütyül az oszcillátor mint amikor már feltöltődött a kondenzátor ez is ciklikus a kisülés ütemében. Ami rossz lehet szerintem is a trafó primere már át csattog és ennek cseréjével meg táltosodik a szerkezet. Nekem olyankor kezdett sziszegni folyamatosan magasabb hangon az oszcillátor, amikor meg is szakadt a kimeneti trafó primere a sok áthúzástól. mert ilyenkor ózon is keletkezik az meg megeszi a rezet. (ezt szakszerűen jobban le tudná írni aki mélyebben foglalkozott az elektrokémiával). Amúgy ránézésre elég jól kivitelezett kisipari "maszek" készülék, tehát kiforrott technika mert látszik, hogy sorozatban készítették.
Szia!
Köszönöm szépen a szakszerű magyarázatot.Akkor szólok majd a gazdájának,hogy egy gyújtótrafót kell szereznie. Akkor bármilyen autóba való gyújtótrafó megfelelő lehet ide?
Szia!
Nemvalószínű, hogy a gyújtótrafóval van gond. Valahol az inverteres részben lesz gond. Általában az elektrolit kondenzátorok szoktak így szívatni, de a képen a tápfesz szűrőn kívül mást nem látok. Érdemes lehet megnézni az inverter tranzisztorát, de lehet időszakos zárlat a töltőkondiban is. Vagy valamiért az inverter rész gerjed be. Akkor ott kell valami ellenállás értéket variálni.. főleg ha törött a vasmag akkor megváltozhatnak a paraméterek...
Lehetőleg "nagy batár" Orosz gyártmányt szerezzetek be! A kisebbekben belül is van szikraköz és ott húz át . De a bontókban olcsón hozzá lehet jutni.
Én azért megnézném azt a put-ot,hátha az "ül le",ott van a triak alatt,valami 2n6027 vagy hasonló lesz.
Nagyon jól tudtad. 2N6027 van benne. Ezt hogyan tudom kimérni,hogy jó vagy sem? Úgy mint egy fetet?
A töltőkondira 20µF 400,450,500V van írva. Ezzel helyettesíthető? Bővebben: LinkVan valami olcsóbb mód a töltőkondi hibájának kizárására azon kívül hogy veszek egy új kondit?Vannak itthon motorról leszedett kondik. Esetleg azzal? Vagy számítógép tápból bontott kondi? A hozzászólás módosítva: Júl 13, 2013
Ne találgassatok, kérdezzetek meg engem, ha valamit nem értetek a készülékkel kapcsolatban. Ez egy AHV 2005 tipusú villanypásztor feszültségadó MEEI H15560 Számon van engedélyezve. Én terveztem, Én gyártom, ezres tételben. Írhattok privátot is.
Tisztelettel Üdvözöllek!
Végre egy ember,ki meri vállalni a munkáját,őszinte tiszteletem érte! A probléma adott,kérlek,segítsd a javítást,ha lehetne itt a fórumon,had tanuljunk egy kicsit. Köszönöm!
Azért látszik, rajta, hogy igényesen kivitelezett munka, nem egy sufni tuning akármi, ami deszkákból van összeszögelve.
A hozzászólás módosítva: Júl 14, 2013
Akit érdekel kérdezzen, semmi titkos nincs benne. Ezek az áramköri részletek rég fel vannak találva, csak kicsit ide lettek faragva. Egyetlen rész sem villanypásztor elektronika volt eredetileg. Vaku, és egyebek. A cél: Minél egyszerűbb legyen, és immunis legyen az alkatrészkészletre. Sarkalatos pont az oszcillátortekercs, arra kényes, de kézben tartható, egyéb praktikákkal az is.
Szép napot mindenkinek .
Szeretnék segítséget kérni,hogy a tekercset kitudom -e cserélni autó trafóra mert nincs elég szikra. A segítséget előre is köszönöm szépen.És melyik vezeték hova fog kerülni .
AZ AHV 2005 működésével kapcsolatban lenne kérdésem. Azzal a problémával kerestek meg hogy cseréljem ki egy hosszabbító végén az elosztót mert szikrázik. Össze volt égve kicseréltem. Majd kiderült, hogy ez a villanypásztor működött belőle. A villanypásztor újboli csatlakoztatása után azt tapasztaltam hogy az elosztóban is jelentkezik ugyan az az ív húzás mint a készülék kimenetén. A villanypásztorral lehet a probléma vagy esetleg az elosztó környékén keressem tovább a hibát? Az elosztóból egyébként minden más jól működik!
Szia!
A villanypásztor üzemi földelése jó?
Beszéltem a gyártóval! Kiderült tipikus jelenségről van szó, ami akkor jelentkezik amikor a 230V -os hálózat nem rendelkezik megfelelő földeléssel. Sajnos itt is erről van szó, ezt kell megoldanunk.
Azt ne mondd, hogy a hálózati védővezetőre (földelés) van rákötve a pásztor nagyfeszültségű földelője. Ez így nagyon nem szakszerű.
Sziasztok!
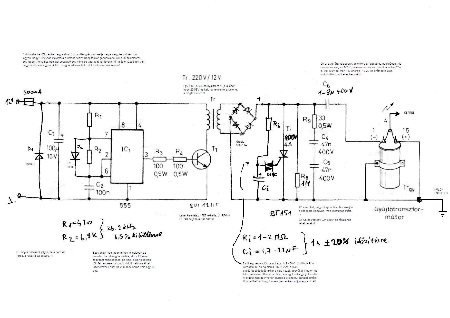
Egy kecskepásztort kellene csinálnom 500m huzalhoz a mellékelt kapcsolás jó lehet erre a célra?
Szia ez tényleg gyenge invertetreset készitsd ha fontos akkus nak lennie meg valami jobb gyujtás trafót pl:suzuki vagy twingo
Sziasztok szakik:Lenne egy olyan kérdésem,hogy a mellékelt rajzot elkészítettem és nekem az RI az 1m ohmos és mindig tönkre megy.Tudna e nekem ebben a kérdésben valaki választ adni előre is köszönöm.
Cseréld ki 2 vagy 5W-os, 1Mohm-osra. Így majd nem megy tönkre. Nagyfelbontású rajz.
A hozzászólás módosítva: Júl 26, 2013
Szerintem Ri-re gondol és 1MΩ-ra
|
Bejelentkezés
Hirdetés |


















