Fórum témák

» Több friss téma
Fórum » Villanypásztor
 
Témaindító: bernardo, idő: Feb 5, 2006
Témakörök:
Lapozás: OK   159 / 304
(#) frob válasza Directors hozzászólására (») Júl 10, 2013 /
 
Ahogy látom 25µF ot sütöget rá, nézd meg a tirisztort típus szerint mennyit bír ( amper). illendő nem a 10A os-t berakni, hanem 50-100A, azért azon rövid idő alatt igen csak rohangálnak a kA-ek.... és a 100A környéki tirisztorok pillanatnyi árama már e környéken mozog. Szóval az én tippem a tirisztor melegszik el, pláne ha a sípolás hangja megváltozik, vagy átvezet vagy épp nem vezet át valami miatt...
mérj feszt a gyújtótrafón, vagy a kondin, amikor épp rossz , vagy teljes feszt kapsz vagy alacsony 50-100V környékit
Ha teljes feszt akkor cserélj trafót először ahogy a többiek mondják, ( szamara gyt jó lesz).
Ha alacsony akkor meg tirisztort először.
(#) Directors válasza frob hozzászólására (») Júl 12, 2013 /
 
Hali

A föld és a karám kivezetésnél mérjem a feszt? Vagy a trafó(kondi) két csatlakozási pontján?
Sima multiméterrel lehet az ilyeneket mérni? A teljes feszültség kb. hány volt?
A hozzászólás módosítva: Júl 12, 2013
(#) Directors hozzászólása Júl 13, 2013 /
 
Sziasztok!

Ezt lehet helyettesíteni egy másik tekercsel? Ez milyen feladatot lát el? Ez van a tekercsre írva:Rl 630 Mert ahogy nézegettem meg van repedve. Lehet ez lesz a hibája.
Ennek mi a pontos megnevezése?

P7080382.JPG
    
(#) asdasd. válasza Directors hozzászólására (») Júl 13, 2013 /
 
Az lehet az inverter trafója. Vasmagot kell szerezni, a tekercset benne nem kell bántani.
(#) Directors válasza asdasd. hozzászólására (») Júl 13, 2013 /
 
De ugyan ilyen vasmagot szinte lehetetlen találni.
Vannak nekem itthon vasmagjaim de mind máshogy néz ki és a méretei sem azonosak ezzel.
Miben lehet a legkönnyebben találni vasmagot ami ebbe is jó lehet?
Ahogy szedtem szét még jobban szétesett a vasmag.
A hozzászólás módosítva: Júl 13, 2013
(#) frob válasza Directors hozzászólására (») Júl 13, 2013 /
 
Jajjj jajjj nehogy a karám kivezetésen mérj, pláne ne multiméterrel ott , mert pikk pakk annyi a multiméternek!
A a kondi két kapcsát nézd, az a tuti és azt multiméterrel nagyfesz egyen állásban.
(#) frob válasza Directors hozzászólására (») Júl 13, 2013 /
 
Biztos találsz, mondjuk lomex -nál de szerintem itt a hestore ban is....
Közben utánalestem sajnos egyik helyen sem találtam viszont tme nél igen, átmérő alapján találhatsz,
ha jól összeszorítod a mostanival is menni kell ha nincs miszlikbe törve, bár rosszabb hatásfokkal egy picit.
(#) Directors válasza Directors hozzászólására (») Júl 13, 2013 /
 
Köszi frob.

Amik itt vannak méretek azok mely méretei a vasmagnak?Bővebben: Link
A második méret ami ebben az esetben 17mm az minek a mérete?

(Valamennyire össze tudom szorítani például szigetelőszalaggal. Ez nem tudom mennyire működőképes dolog. A képen amit kettő hozzászólással ezelőtt linkeltem azon látod mennyire eset szét. 4 felé esett.)
A hozzászólás módosítva: Júl 13, 2013

vasmag.jpg
    
(#) Directors válasza frob hozzászólására (») Júl 13, 2013 /
 
Megmértem a kondenzátoron a feszültséget.41V-ig megy fel.
Akkor tirisztor csere? Ilyen tirisztor van benne.Bővebben: Link Másfajta típusú tirisztort tegyek bele? Ha igen akkor milyet javasolnál ami nem nagyon drága?

Ma például bekapcsoltam és a harmadik kisülés után egyből adta a magas frekvenciás hangot.Kikapcsoltam majd vissza és utána is. Ezt háromszor megcsináltam majd a negyedik alkalomra ismét nem volt hiba. Érdekes,hogy egyszer jó egyszer nem jó.
(#) Antennaman válasza Directors hozzászólására (») Júl 13, 2013 /
 
Szia!
Tehát nézzük sorjában! Működik minden bekapcsoláskor csak idővel abbahagyja. Akkor a Tirisztor vagy TRIAC ( ami ép van benne) az tuti jó, az oszcillátor tranzisztora is jó, sőt a vasmag az-az fazék vasmag is jó csak egy kicsit lett másabb az induktivitása azzal, hogy elrepedt. Illeszd össze vagy ragaszd meg és kész, lényeg, hogy stabilan álljon ne lötyögjenek a részek!
Ezután a nagy szürke kondenzátoron mérj feszültséget, sacc. olyan 200-300V egyen feszültség bizonyára létrejön rajta csak a kisülések ütemében vissza is esik. A töltődés elején mindig mélyebb hangon fütyül az oszcillátor mint amikor már feltöltődött a kondenzátor ez is ciklikus a kisülés ütemében. Ami rossz lehet szerintem is a trafó primere már át csattog és ennek cseréjével meg táltosodik a szerkezet. Nekem olyankor kezdett sziszegni folyamatosan magasabb hangon az oszcillátor, amikor meg is szakadt a kimeneti trafó primere a sok áthúzástól. mert ilyenkor ózon is keletkezik az meg megeszi a rezet. (ezt szakszerűen jobban le tudná írni aki mélyebben foglalkozott az elektrokémiával).
Amúgy ránézésre elég jól kivitelezett kisipari "maszek" készülék, tehát kiforrott technika mert látszik, hogy sorozatban készítették.
(#) Directors válasza Antennaman hozzászólására (») Júl 13, 2013 /
 
Szia!
Köszönöm szépen a szakszerű magyarázatot.Akkor szólok majd a gazdájának,hogy egy gyújtótrafót kell szereznie. Akkor bármilyen autóba való gyújtótrafó megfelelő lehet ide?
(#) k_h válasza Directors hozzászólására (») Júl 13, 2013 /
 
Szia!
Nemvalószínű, hogy a gyújtótrafóval van gond. Valahol az inverteres részben lesz gond. Általában az elektrolit kondenzátorok szoktak így szívatni, de a képen a tápfesz szűrőn kívül mást nem látok. Érdemes lehet megnézni az inverter tranzisztorát, de lehet időszakos zárlat a töltőkondiban is. Vagy valamiért az inverter rész gerjed be. Akkor ott kell valami ellenállás értéket variálni.. főleg ha törött a vasmag akkor megváltozhatnak a paraméterek...
(#) Antennaman válasza Directors hozzászólására (») Júl 13, 2013 /
 
Lehetőleg "nagy batár" Orosz gyártmányt szerezzetek be! A kisebbekben belül is van szikraköz és ott húz át . De a bontókban olcsón hozzá lehet jutni.
(#) erdgab hozzászólása Júl 13, 2013 /
 
Én azért megnézném azt a put-ot,hátha az "ül le",ott van a triak alatt,valami 2n6027 vagy hasonló lesz.
(#) Directors válasza erdgab hozzászólására (») Júl 13, 2013 /
 
Nagyon jól tudtad. 2N6027 van benne. Ezt hogyan tudom kimérni,hogy jó vagy sem? Úgy mint egy fetet?
A töltőkondira 20µF 400,450,500V van írva. Ezzel helyettesíthető? Bővebben: LinkVan valami olcsóbb mód a töltőkondi hibájának kizárására azon kívül hogy veszek egy új kondit?Vannak itthon motorról leszedett kondik. Esetleg azzal? Vagy számítógép tápból bontott kondi?
A hozzászólás módosítva: Júl 13, 2013
(#) panther2000 hozzászólása Júl 14, 2013 / 2
 
Ne találgassatok, kérdezzetek meg engem, ha valamit nem értetek a készülékkel kapcsolatban. Ez egy AHV 2005 tipusú villanypásztor feszültségadó MEEI H15560 Számon van engedélyezve. Én terveztem, Én gyártom, ezres tételben. Írhattok privátot is.
(#) erdgab válasza panther2000 hozzászólására (») Júl 14, 2013 /
 
Tisztelettel Üdvözöllek!
Végre egy ember,ki meri vállalni a munkáját,őszinte tiszteletem érte!
A probléma adott,kérlek,segítsd a javítást,ha lehetne itt a fórumon,had tanuljunk egy kicsit.
Köszönöm!
(#) k_h válasza panther2000 hozzászólására (») Júl 14, 2013 /
 
Azért látszik, rajta, hogy igényesen kivitelezett munka, nem egy sufni tuning akármi, ami deszkákból van összeszögelve.
A hozzászólás módosítva: Júl 14, 2013
(#) panther2000 hozzászólása Júl 14, 2013 /
 
Akit érdekel kérdezzen, semmi titkos nincs benne. Ezek az áramköri részletek rég fel vannak találva, csak kicsit ide lettek faragva. Egyetlen rész sem villanypásztor elektronika volt eredetileg. Vaku, és egyebek. A cél: Minél egyszerűbb legyen, és immunis legyen az alkatrészkészletre. Sarkalatos pont az oszcillátortekercs, arra kényes, de kézben tartható, egyéb praktikákkal az is.
(#) spirik hozzászólása Júl 22, 2013 /
 
Szép napot mindenkinek .
Szeretnék segítséget kérni,hogy a tekercset kitudom -e cserélni autó trafóra mert nincs elég szikra.
A segítséget előre is köszönöm szépen.És melyik vezeték hova fog kerülni .

kép.JPG
    
(#) szefte válasza panther2000 hozzászólására (») Júl 23, 2013 /
 
AZ AHV 2005 működésével kapcsolatban lenne kérdésem. Azzal a problémával kerestek meg hogy cseréljem ki egy hosszabbító végén az elosztót mert szikrázik. Össze volt égve kicseréltem. Majd kiderült, hogy ez a villanypásztor működött belőle. A villanypásztor újboli csatlakoztatása után azt tapasztaltam hogy az elosztóban is jelentkezik ugyan az az ív húzás mint a készülék kimenetén. A villanypásztorral lehet a probléma vagy esetleg az elosztó környékén keressem tovább a hibát? Az elosztóból egyébként minden más jól működik!
(#) kadarist válasza szefte hozzászólására (») Júl 23, 2013 /
 
Szia!
A villanypásztor üzemi földelése jó?
(#) szefte válasza kadarist hozzászólására (») Júl 24, 2013 /
 
Beszéltem a gyártóval! Kiderült tipikus jelenségről van szó, ami akkor jelentkezik amikor a 230V -os hálózat nem rendelkezik megfelelő földeléssel. Sajnos itt is erről van szó, ezt kell megoldanunk.
(#) kadarist válasza szefte hozzászólására (») Júl 24, 2013 / 1
 
Azt ne mondd, hogy a hálózati védővezetőre (földelés) van rákötve a pásztor nagyfeszültségű földelője. Ez így nagyon nem szakszerű.
(#) puffed hozzászólása Júl 25, 2013 /
 
Sziasztok!
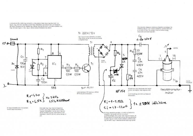
Egy kecskepásztort kellene csinálnom 500m huzalhoz a mellékelt kapcsolás jó lehet erre a célra?
(#) erdgab válasza puffed hozzászólására (») Júl 25, 2013 /
 
Nem lesz elég,kicsi a teljesítménye.
(#) Swedhart válasza puffed hozzászólására (») Júl 25, 2013 /
 
Szia ez tényleg gyenge invertetreset készitsd ha fontos akkus nak lennie meg valami jobb gyujtás trafót pl:suzuki vagy twingo
(#) kozso31 hozzászólása Júl 26, 2013 /
 
Sziasztok szakik:Lenne egy olyan kérdésem,hogy a mellékelt rajzot elkészítettem és nekem az RI az 1m ohmos és mindig tönkre megy.Tudna e nekem ebben a kérdésben valaki választ adni előre is köszönöm.
(#) kadarist válasza kozso31 hozzászólására (») Júl 26, 2013 /
 
Cseréld ki 2 vagy 5W-os, 1Mohm-osra. Így majd nem megy tönkre. Nagyfelbontású rajz.
A hozzászólás módosítva: Júl 26, 2013
(#) k_h válasza (Felhasználó 13571) hozzászólására (») Júl 26, 2013 /
 
Szerintem Ri-re gondol és 1MΩ-ra
Következő: »»   159 / 304
Bejelentkezés

Belépés

Hirdetés
XDT.hu
Az oldalon sütiket használunk a helyes működéshez. Bővebb információt az adatvédelmi szabályzatban olvashatsz. Megértettem