Fórum témák
» Több friss téma |
- Ez a felület kizárólag, az elektronikában kezdők kérdéseinek van fenntartva és nem elfelejtve, hogy hobbielektronika a fórumunk!
- Ami tehát azt jelenti, hogy a nagymama bevásárlását nem itt beszéljük meg, ill. ez nem üzenőfal! - Kerülendő az olyan kérdés, amit egy másik meglévő (több mint 17000 van), témában kellene kitárgyalni! - És végül büntetés terhe mellett kerülendő az MSN és egyéb szleng, a magyar helyesírás mellőzése, beleértve a mondateleji nagybetűket is!
Hello! Ellenállásokkal csak akkor lehet feszültséget csökkenteni, ha a terhelés állandó. HA ez nem áll fenn, akkor változni fog a feszültség a terhelés hatására. Vagy is stabilizátorra lesz szükséged, nem ellenállásokra. De az sem elhanyagolható, hogy mekkora a terhelőáram, és mennyivel terhelhető a tápegység. Mert az első nem lehet több a másodiknál, csak kapcsolóüzemű szabályzó esetén.. üdv!
Huhh. Köszönöm! -de sajna nem sokat értek belőle
![]() Ha úgy kérdezem, h max 3,3 volt kell, úgy változik a helyzet?
Nézd meg az adatlap "hFE Classification" rubrikáját. A "hFE" a tranzisztor áramerősítési tényezőjét adja meg.
Szia Istvan,tudnal nekem javasolni egy olyan webaruhazat ahol ,aranylag olcso es megbizhato alkatreszeket tudok rendelni?
Mindössze annyi a kérdés, mennyit fogyaszt a kijelző. Mert ha csak tényleg az LCD megy, az általában keveset. De háttérvilágítás kizárt. Ha van egy fehér Led-ed, akkor a 150ohm-al mint előtét ellenállással lehet pld. a 4,5V-ból 3,2V feszültséget készíteni kb. 8mA terhelésig. De műszered van, hogy megmérd, a "4,5V" ténylegesen mennyi?
Hello!
Kisebb trafót semmiképp nem javaslok mert nagy terhelésnél melegszik, leég, a biztonság kedvéért inkább 15-20%-os felülméretezés ajánlott.
Mi meg nem értjük mi az a "h", ez nem cset-oldal! A terhelés a lényeges: hány Amper?
Sziasztok
Szeretném megkérdezni, hogy véleményetek szerint egy Lm3915 kimeneteire hogyan tudok több ledet kötni, mint a megengedett áramerősség, ami folyhat az IC-n.Én optocsatolóra gondoltam... Van valami egyszerűbb? Köszönöm
Lehet az opto is jó,de azért eléggé drága megoldásnak gondolom, igaz attól is függ közösíthető e a ledek és a kijelző tápja.Ha kevés led kell rá, esetleg járhatónak tartom a kimenetre több led sorba kötve , kicsit nagyobb feszültségű táppal (ez szerintem 4-5 db 15mA ledig járható csatornánként.) vagy egy jól méretezett soros ellenállással egy egy pnp tranzisztor is megteheti szintillesztésként.(feltétel a ledek tápjának a + - a közösíthető a kijelződ + tápjával .
Közösíthető, de mivel 7db 2,2V, 15mA led kellene sorbakötve, ez már sok az IC-nek.
A tranya jó lenne, de azt hogy tudom az IC-hez illeszteni?
Hello! Azt simán elviszi. 7*2,2V=15,4V. Az áramkörnek 1,5V többletfeszültség kell a Led feszültség felett, az 16.9V. Az IC maximális feszültsége 25V. Vagy is 17..20V táppal működni fog a 7db soros Led-el.. üdv!
Tehát az általad tervezett kivezérlésjelzőbe betehetem? A 15mA /Led nem lesz sok?
Bocsánat, elnéztem, mert a zöld az 3,2-3,4V nyitófeszültségű.Ez már határeset... Emlékszem a kivezérlésjelződre, de melyik topicban találom? Köszönöm.Üdv! A hozzászólás módosítva: Aug 1, 2013
A feszültség nem lehet sok, a disszipációt meg ki kell számolni. Ott nem mindegy, hogy "vonal", vagy "pot" a kijelzés. De ha az IC-re jutó maradék feszültség 2V és minden Led ég, akkor 2V*150mA=300mW a terhelés. A tok, meg kb. 800mW-ot képes elviselni.. "Led-es kivezérlésjelzők" a címe gondolom én, ha az Alkotóval közös kis munkánkra gondolsz.
A hozzászólás módosítva: Aug 1, 2013
Sziasztok! Segítséget szeretnék kérni. Egy áteresztőtranzisztoros szabályzóra lenne szükségem. A generátor forgórészének gerjesztését szabályozná (ETZ-ben). A mostani szabályzó nem az igazi, néha felmegy az töltő feszültség 15-16 V-ra is.
Vagy valami hiszterézises kapcsoló is jó lenne. Ami ha pl 14,4 V fölé megy a fesz lekapcsol, majd 12,5nél be mondjuk. Relével lekapcsolnám az egész gerjesztést meg töltést a francba addig. Vélemény? Esetleg kapcsolás? Köszi
Egy-egy sor világít csak, és akkor elég lesz.Köszönöm, most már kiszámolom.
Igen, a közös munkátokra gondolok.
Több kapcsoló van a házban, de mindegyikhez csak az egyik megy, a "szakértő" villanyszerelő viszont mindegyiket máshogy kötötte be, van amelyik a fázist, van amelyik a nullát szakítja.
A lámpa jelenleg egy 100wattos hagyományos izzó. És csak egy mikroprocesszort akarok táplálni róla
Erre én is gondoltam, ezért kérdeztem a félvezetős dolgot. Mert azt nem akarom, hogy feleslegesen kopjon a relé. Na meg azt könnyebb beültetni, és talán kevesebbet fogyaszt.
Amúgy ezt találtam.
Ujra koszontelek.
Elso kerdesem az lenne , hogyan lehet konyen visszakeresni a sajat hozzaszolasunkat? Amely hozaszolasra hivatkozom most, "proli007" belinkelt egy mas hozzaszolast amelyben jelen van egy rajz. Vele kapcsolatosan volna kerdesem , felig meg epitetem de nem talalok hozza a "zoldsegesnel" arban megfelelo halozati trafot, vagy tul nagyok es dragak vagy tul kicsik. Amit kukaztam es itt is erdeklodtem rolla ,vetem a batorsagot es arram ala helyeztem , ahogy az altalatok belinkelt, legtobb trafo szamolo progi sacolta , 2X4.5V jon ki belole. (Fogalmam sincs mit kezdjek egy 22 negyzet cm keresztmetszetu vasmagos trafoval ilyen kis feszen. ) A trafo amit meg engedtem magamnak hogy megvegyem , 9V 0.2A. Ez is a gratz hid utan csak 8.6V, ami me'g kapcsolja a rellet. A kerdesem, kondival fel tudname pumpalni , es mekoraval? Ha nem stabil a fesz es aram (mivel 10 percre bekapcsol a relle) befolyasoljae az IC-ek mukodeset? A relle aram felvetele adatlapja szerint ,33.3mA (siman elbir vele8.6V is) , a HEF4541BE adatlapja nem tiszta szamomra , hofokhoz van kotve ugy latom. A kerdesem az hogy elbirja az a kis trafo a 2 IC-et es a rellet?Esetleg az IC-enek hasznaljak stabilizatort 5V-ra? Ez esetben hasznalhatoke nem Logikai fetett?(mar ez is megvan de nem logikai). Tobb kerdes nem jut egyelore eszembe.
Hello! Érdekes, hogy itt vagytok a fórumon, és nem itt keresgéltek?
![]() Pedig megtalálhattad volna pld. ezt is.. üdv!
Szeretnék egy olyan kapcsolást, ami egy relét kapcsol.
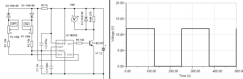
Egy olyan kapcsoló áramkör, amit lehet időzíteni 2 potival a bekapcsolások és a kikapcsolások idejét . Ez az idő 10 sec és 120 sec között lehessen állítani. Amim van, amiből lehetne gazdálkodni: -NE555 -Relék -2db 100Kohm potméter -tranzisztorok BD140, BD139, BC558, BC557, BC337, BC547 -diódák 1N4007, 1N4008 -feszstabok (5V, 8V, 9V, 12V) -kondi ellenállás szinte inden szabványos értékből -12V-os trafó
Hello! "Tobb kerdes nem jut egyelore eszembe." Szerencsém van! Mert ahogy néha fogalmazol..
- Nyilván elbírja a trafó az áramkört, mert az IC fogyasztása minimális, a relé meg 33mA, a trafó, meg 200mA-es. (Ha úgy van ahogy írod). - Az egyenirányítás után, mindig veszteség van, ezért kevesebb, mint a váltó. De ha szűröd, akkor gyök-kettővel több lesz. (Gyakorlatban inkább 1,3szor több) Vagy is közel 12V lesz a feszültség. - De ha egy trafó nincs kiterhelve, akkor a feszültsége is magasabb, mint a névleges. Ez a teljesítményétől és a terhelés viszonyától is függ. Kistrafónál mint ez, akár a 20..30%-ot is elérheti. - Tehát előfordulhat, hogy puffer nélkül is működteti a relét. Ekkor egy diódával le kell választani az IC tápját, és csak azt kell szűrni. A szűrés egyszerű tápnál, 2200..4700µF/amper értékkel szoktunk számolni. A HEF CMOS IC, alig fog pár mA áramot fogyasztani. Logikai Fet nem kell, hozzá, ha a tápja 5V-nál magasabb. De a táp nem érheti el, a 15V feszültséget. Ha igen, stabilizálni kell. Leginkább egy zéner a megfelelő hozzá. (Hőfokot hagyd a fenébe, gondolom nem a kemencébe lesz belül.) Visszakeresni a file nevével, vagy "user:felhasználónév"-el lehet. üdv!
Szia . A segedprogramok kozt ., probalkoz meg az 555IC-evel jatszani.A rele ilesztes mar konyu , tele van a forum olyan kapcsolasokal amelyek tartalmazak .Hamar szabalyoztad az alkatreszlistat.
Hello! Tessék.. üdv!
Idézet: Talan a tajszolasnak tudhato be , na meg annak hogy nem mukodik jol a bilentyuzet, (idonkent egy gomb a melete levo karaktert uti le de folyamatosan mikor rajon a hulyeseg) ilyenkor a mondat feletol ujra kel fogalmazam amit szeretnek irni.„Hello! "Tobb kerdes nem jut egyelore eszembe." Szerencsém van! Mert ahogy néha fogalmazol..” ![]() Uveg hazba locsolo rendszer, ahol nyaron eleg nagy a hofok, 50-60 talan meg tobb is, ha vashoz ersz egesi sebet okoz. -Pufer nelkul , de IC-ek nelkul (amit probaltam )mukodteti a relett, atol feltem hogy az aram es a feszultseg ingadozas befolyasoljak az IC-ek mukodeset? Valahol olvastam itt , hogy a halotrafok 20% legyenek nagyobak mind amit szeretnenk , az en esetemben ez rendben van , joval tobb, 200mA-33mA (relle) (es koztes ertek az IC_nek 2-szer) -20mA. (hu ha kezdtem szamolni elektronikabol, egeszen hulyen erzem magam) =fenmaradt 150mA, Jol szamolok? Ha 10mA veszek 1 IC-re=20mA, akkor 2X47mF=94mF, 100mF amivel lehet talalkozni gyakraban. Jol van igy?
Üvegházban nem kell a tetőre tenni az elektronikát. Jól számolsz, csak ne 100mF-ot írj, mert az "millifarád". A 100µF a mikrofarád.. De nem spekulálni kell, mert a trafó feszültségesését ha nincs megadva, csak találgatni lehet. Meg kell mérni a valóságban. Öt perc munka, ha minden kéznél van..
Hu ha , az anyat , hogy lehet ezt igy csinalni, mas azon gondolkozik meg ,hogy jol tete-e fel a kerdest ,hogy meg ertsetek mit is akar kerdezni es ti mar kirukoltok egy rajzal! Ilyen korulmenyek kozt nem csodalkozom ,hogy rengeteg elektronikai talalmany magyar nevhez fuzodik, csak nem ertem hogy nem lehet ezt kamatoztatni is?
Bocsanat , de hol van a mikrofarad karakter , esetleg mindig masoljam ki valahonan?
Remelem nem csinaltam roszat , de be epitetem a nyakra egy szurest amit monitorbol , talan valmilyen tapbol szedtem ki, gratz hid nelkul (terheles nelkul) a halotrafon 12V korul van , ha rakotom az egyeniranyito hidat le esik 8.6V-ra a fesz, terheles nelkul. Tenyleg csak talalgatni lehet mert "no name" trafo, csak anyit ir rajta; I/P 220V 50-60hz ,O/P 9V 0.2A.
Sziasztok! Olyan kéréssel fordulok hozzátok. hogy segítsetek engem egy kis egyszerű kapcsolással! Ezt szeretném elkészíteni: van egy indukált áramom (motor alapjárat 2V - teljes fordulat 13,5V) szeretnék egy töltés mérőt készíteni amely 10 ledből állna és ahogy nő a fordlat úgy kezdenek el sorban világítani a ledek! Aszt szeretném megtudni h ezt meg lehet e egyszerúen csinálni ledek és ellenállások segítségével.. sorba kapcsolással vagy sem! A lehető leg egyszerűbb megoldásra lennék kiváncsi! megköszönök érthető kapcsolásokat is!! Előre is köszönöm szépen! Üdv mindenkinek!
|
Bejelentkezés
Hirdetés |










