Fórum témák
» Több friss téma |
És ezt hogy valósítom meg?
Esetleg ha egy bekötési rajzot vagy valamit küldenél megköszönném.
Összedobtam egy egyszerű rajzot , csak hogy megértsd mire gondoltam .
Hát én még elég kezdő vagyok,szal lehet hogy hülyeséget kérdezek,de ezt h valósítom meg az egyenirányító és a feszültségszabályzó között?
Megnézted a rajzot ???Lerajzoltam az egyenirányítást és a feszültségszabályzót
Akkor most csak annyi lenne a dolgom,hogy a bekeretezett részt beleépítem a kapcsolásba?
Üdv.
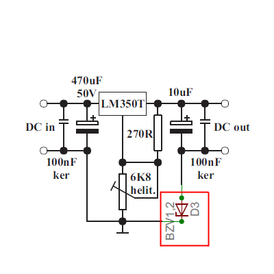
Kérdésem az lenne hogy,hogyan lehet megoldani azt h ne 1,2V-tól kezdődjön a szabályozás,hanem 0V-tól. Kapcsolási rajzot mellékeltem.Mivel kellene kiegészítenem vagy átalakítanom?
Megnézted a rajzot ?? és miért kérdezel egyszerre két témában http://www.hobbielektronika.hu/forum/files/6b/6bb804c953664ec245585...b4.jpg
A 6,8 kohmos helitrimmer alsó végét nem testre, hanem -1,2 V -ra kell kötni. Illetve ennél valamivel nagyobb negatív feszültségre, hogy a 0 V beállítható legyen a trimmerrel.
azért h minnél előbb választ kapjak,mert elég sürgős lenne a dolog,és amit te írtál nem tudtam felfogni.
Ez nem így működik az oldalon ! Egy kérdés egy téma !
De látod Pucuka is azt írta amit én .... Viszont itt a link ben találsz egy rajzot ami tökéletes . Ha erről nem tudod megépíteni akkor sajnos senki sem tud segíteni ennél többet
Elnézést kérek akkor.
Azt hiszem félre értettük egymást.Én nem most akarom megépíteni,hanem már megépítettem és azt szeretném tudni h utólagosan meglehet-e oldani?
Ezt a tápot szeretném megépíteni egy kis panelfúró géphez valaki dobott össze ilyen áramkört ezzel a szabályzó IC vel? Esetleg tapasztalat v észrevétel?
Milyen módon lehet megoldani, hogy az LM350-ből készült tápegység rövid zár ellen védve legyen?
Azaz ha valami oknál fogva rövidzár lesz, akkor az IC ne menjen tönkre, hanem valami más alkatrész terhelődjön le. De ne olvadóbiztosító legyen, mert azt macera cserélni, és egyszerübb tápegységnél kísérletezéseknél gyakran előfordulhat. Tudom van benne rövidzár védelem, de az mekkora áramot visel el? A hozzászólás módosítva: Aug 6, 2013
Szia!
Az LM350-ben van rövidzárlat és túlterhelés elleni védelem, tehát elviekben nem mehet tönkre.
Helló!
Egy USB aljzatot szeretnék építeni az autóba amiről tudok tölteni pl: telefont, tabletet... ahogy nézem elég nagy áramot tud ez az ic. Azt szeretném kérdezni, hogy ez az ic megfelelő lenne e ilyen célra vagy esetleg valaki tud ajánlani jobbat? tudom hogy létezik már fillérekért szivargyújtóba dugható kapcsolóüzemű töltő, de ahogy mértem terheléskor elég szép kis zajjal ajándékozza meg a rácsatlakoztatott készülékeket. Egy 2A os töltőáramnál mekkora hűtőborda kellene rá ami a disszipáció miatt keletkező hőt biztonságosan el tudja vezetni ha például nyáron 35 fok van az autóban? Vagy esetleg olyan helyre is tudnám tenni ahol éri a menetszél. (Ha jól gondolom akkor 12v-5V=7v *2A = 14W ot kellene hővé alakítani de javítsatok ki ha nem így működik ez a fajta feszültség szabályozás lehet rosszul tudom) Előre is köszönöm a segítséget!
Üdvözletem!
Van akadálya 2db lm350 párhuzamos kötésének? A cél a 6A-es terhelhetőség. Egy potméterrel szabályoznám mindkét ic-t. + a kimenetüket közösíteném? Működne gond nélkül? Természetesen a megfelelő hűtésről gondoskodnék.
Hello!
Nem jó, az IC -k nem teljesen egyformák, hiába sorozatban vannak gyártva. Amelyiknek nagyobb a kimenő feszültsége, az a másikra fog rádolgozni. A kimenetekkel kell sorba tenni egy -egy pár tized ohmos ellenállást, azokon kiegyenlítődnek a különbségek. De lehet, hogy válogatni is kell majd az IC -ket. Itt egy LM338 -as IC -hez alkalmazott megoldás a 2. ábrán. Hasonlóan kell kivitelezni ezzel az IC -vel is. A hozzászólás módosítva: Máj 30, 2015
Szia!
Igen, sejtettem. Kipróbálom a kimenetekre sorba kötött ellenállásos megoldást, aztán elválik. Köszönöm a segítséget!
Képen látható kapcsolást építettem meg az a kérdésem hogy mit kellene raja változtatni hogy áram erősséget is lehessen állítani?
A hozzászólás módosítva: Júl 17, 2015
Sziasztok. Az a fura feladatom van, hogy 2 es 5v közötti kimenő állítható stab feszre van szükségem lm350? Milyen alkatrészekkel körítve ?
Hello! Az előtted lévő hozzászólásban ott a kapcsolás. Az adatlap 13. ábrájánál szintén és a számítás is. A 120 Ohm-al és egy 470 Ohm-os potival, 1,2V..6V állítható a kimenet. De nem szabad elfelejteni, hogy a bementi feszültségnek minimum 2V-al kell nagyobbnak lenni mint a kimenti feszültség.
Üdv!
LM350-el építettem egy 2.5 voltos fix feszültségű tápot, ami tudnia kell kb 1.1 amper maximum, soha eddig nem használtam 350-et, az érdekelne hogy rá lehet bízni feszültségre érzékeny elektronikát? Nem tudom szokott e elhalálozni, feszültség átengedésre gondolok.
Nem gondolnám hogy elhalálozóbb lenne mint bármely stab.
Annyi hogy én ha fix feszültség kell, beállítanám a potival, kimérném, és olyan értékű ellenállást tennék be mint a kapott érték. Ez lehet egy ellenállással nem fog menni, ez esetben több kell.
Szia!
Persze, van hozzá kalkulátor, 2db 470 ohm az pont 2.5 volt lett |
Bejelentkezés
Hirdetés |















