Fórum témák
» Több friss téma |
Fórum » PC táp átalakítás
Sziasztok, nem tudjátok véletlenül, hogy hogyan lehet a PC tápban az áramkorlátot kiiktatni? Azért kellene, mert az ablaktörlő motort nem indítja el a kezdeti nagy áram miatt
(Olyasmit is hallottam, hogy azt a karikára tekert tekercset kell áthidalni, de nekem így se lett jobb) Előre is köszönöm a választ Drajzi A hozzászólás módosítva: Aug 8, 2013
Szia!
Gondolj arra, hogy áramkorlát nélkül egykönnyen tönkremehet a tápegységed. Még ideiglenesen sem szabad kiiktatni a védelmet.
Egy PC tápegységből mekkora feszt lehet kivenni maximum? Milyen vezérlőICs kelene, amit könnyű megpiszkálni?
Nekem minimum 24V DC, de akár 42V DC is jól jönne, és minimum 3A.
Szia!
TL494 ami szóba jöhet és egyszerű vele az átalakítás. Én most készülök egy tápot felhúzni 60-62voltra. Önmagában a trafó áttekercselése nélkül Kb. 50-55V húzható ki belőle ha sorba kötöd a benne lévő transzformátor tekercseit.
Köszi, megnézem hogy mim van, és majd megírom, de akkor a TL494-at keresem benne.
Most megnéztem nekem elég a 30-32V DC is, nem kell több.
Köszönöm, ezekben sok okosság van, habár olaszul nem tudok, de a képek segítenek.
Én sem, de a Google lefordítja. A lényeget azért ki lehet szűrni.
Akkor kénytelen leszek egy ATX-es tápegységet keresni, meg is nézem gyorsan.
Körbenéztem, ami van abban nem az van, amiben volt kipróbáltam, és eldurrant, de szó szerint.
A többi vezérlővel is lehetne ilyen fesz. és áramszabályozást kialakítani? Ki csinált már ilyet?
Üdv. Esteleg megnézheted, hogy találsz-e olyan tápot amiben ka7500-as ic van, ugyanis ez ugyan az mint a tl494.
Milyen tápegységben találni TL494-et vagy KA7500-as IC-t?
Van 3 tápegységem, 1, AT-s TL494 <= arra azt a választ kaptam, hogy nem jó 2, 400W codegen abban egészen más van 3, 400W mercury abban is más van Hétvégén megyek bolhapiarcra, és akkor bontás nélkül kellene megállapítani, hogy melyikben mi van. Mit nézzek, valami kisebb teljesítményűt? (300W alatt, vagy még alatta?) Vagy márka?
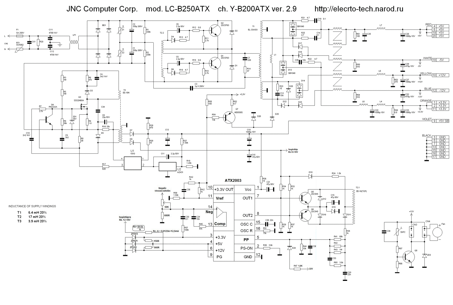
Hülyeség, hogy a TL494-es AT nem jó! Nagyon is jó, és amit a fenti kolléga írt, hogy nagyon letekert tápfeszültség mellett valóban leáll a PWM vezérlő. De ha felhúzod FIX 32V-ra, akkor annak működnie kell. A MERCURY és a CODEGEN tápokban sejtéseim szerint ATX 2003 vagy 2005 van. Azt is ki lehet váltani TL494-gyel, viszont ahhoz egy kisebb panelt is le kell akkor gyártani. A benne lévő eredeti IC-vel is megoldható a dolog elméletileg, viszont azt Én terveztem át olyanra amilyen, tehát nem 100%, hogy az úgy működni is fog, tesztelni még nem volt időm. Csatolom a fájlokat!
Üdv. Hát én úgy vettem észre, hogy elsősorban régebbi tápokban van ilyen ic. Illetve a márkátlanabbak tartalmazhatnak ilyeneket. De abból is a régebbiek. 550w-os volt a legnagyobb amiben ilyent láttam. Az 2010-es model volt. De általában régebbi tipusokban fordul elő. 300-400W-osban is raktak ilyen ic-t.
Nekem változtatható fesz és áram kellene, labortápféleséget szeretnék csinálni belőle.
Ezekben a PC-tápokban rendes áramkorlátot nemigen fogsz tudni csinálni, csak ha építesz bele pluszban egy tápfokozatot. Aminél valószínűleg jobb megoldás egy igazi labortápot rakni oda, pl: Bővebben: Link Bővebben: Link
Hobby célra kellene, nem kell preciziós. A Labortápot a magas toroid ár miatt elvetettem. Egyszer megpróbálkoznák ezzel, és ha komolyabb kell, akkor csinálnék majd valami komolyabb kétcsatornásat.
Akkor még egyszer leírom. Keress olyat, amiben 494 vagy annak megfelelője van. Nem baj ha rossz, meg kell javítani (az IC 100Ft sincs, ha meg a primer tranyók rosszak, kitermeled egy másikból amiben még jók stb.). A régi AT-s tökéletes, csak le kell kötni a 494-ről a kimenet feszültségét, és egy külső 12V-ról kell táplálni. Az eredeti (kétutas) egyenirányítás mellett kb. 0,1-26V között állíthatod a kimenő feszt, valamint diódától és trafótól függően kb. 40mA-10A között az áramot. Ha nagyobb feszültség kell, akkor a dual dióda helyett graetz-et kell használni a teljes szekunder feszültségre, ekkor a kimenő fesz a duplája lesz, áramban 4-5A-ig el lehet menni.
Minden szükséges információ számtalanszor le lett már írva, rajzok is lettek csatolva, csak keresni kell, meg vissza kell olvasni.
Nem kell elé toroid, a kapcsolóüzemű tápot is rákötheted. Ez előszabályzott is, szóval nem fog melegedni. Ugyan ilyen projektet csinálok jelenleg.
Sziasztok!
Át szeretném alakitani a PC tápomat, hogy ne kelljen rá ventilátor? Van valami ötlet? A hozzászólás módosítva: Aug 18, 2013
Hello! Persze! Félkilométeres hűtőborda vagy olajfürdő.
üdv!
Szia!
Megoldható például úgy, hogy vízhűtéses rendszerre átalakítod de magas költségek és munkaóra miatt nem túl kifizetődő dolog. Minek kell ez neked?
Szóval arra gondoltam, hogy kiforrasztom azokat a tranzisztorokat, és beforrasztom a hátoldalára, és felfogatom egy olyan hűtőbordára, ami egy Pentium III MMX processzoron volt passziv hűtőként.
Az ötletet egy AT tápbol vettem, ott igy volt gyárilag...
Röviden: ne tedd.
A tranzisztorok lábait nem hosszabbíthatod meg büntetlenül, tönkre fognak menni. Ezen felül a tranzisztorokat átjárja a 220, ha kicsit is nem jól csinálod, a végeredmény "haláli" lesz... A 220 nem gyermekjáték. Egyébként még a végeredményt sem tudnád így elérni, igen-igen brutális méretű hűtőborda kéne (sokkal nagyobb, mint egy P3 borda), hogy ez a megoldás extra hűtés nélkül működjön.
És a puffer-szűrőelkókat mi fogja hűteni? Ezek úgy vannak odatervezve, hogy a ventilátor szele besegítsen a hűtésükbe.
Tulajdonképpen a tápegység ventillátora az alaplapot is hűti. Ha megoldható is a táp hűtése egyéb módon az alaplapot továbbra is hűteni kell!
A baj a hűtőbordával az ebben az esetben, hogy hová teszed. Ha a PC dobozán belül marad akkor a hűtőbordáról a hő hova fog elvezetődni? Ha a PC-n kívülre szereled akkor növelheted az áramütés veszélyét. Az esetlegesen ajánlott hűtőborda mérete függ a disszipált teljesítménytől (ez kb 10W-tól indul) és a borda hőleadási viszonyaitól. Belátható, hogy egy dobozba zárt, vagy letakart hűtőborda hőleadási képessége csekély forszírozott légáramlás nélkül. Hőtani szempontból azért jól eltalálták a PC design-ját, még ha sajnos nem túl szemet gyönyörködtető is. Idézet: „Ha a PC-n kívülre szereled akkor növelheted az áramütés veszélyét.” A PC-táp háza és az egész számítógépház fémből van, ami pedig galvanikusan összeköttetésben van a hálózati védőföldeléssel. Szóval ha rosszul szigetelné a tranzisztorokat, akkor a szokásos láncreakció menne végig: tranzisztorok, egyenirányítás, biztosíték, kismegszakító. És persze (rossz esetben) jó sok füst, de minimum, hogy szép nagyot szól. Áramütés ebben az esetben kevésbé valószínű. A hang hatására kiváltott ijedtség által okozott szívbajt előbb el tudom képzelni. Persze amennyiben van védőföldelés. A hozzászólás módosítva: Aug 19, 2013
Így felejtős, ahogy írják a kollégák is. A panelről nem vezetünk ki semmit, ezt már én is megtanultam és megtapasztaltam. Ezek a tápok arra is érzékenyek, ha potival állítani akarod a kimeneti feszültséget és azt kivezeted kábellel a panelról. Eredmény: gerjedés és sok bosszankodás. Felejtsd ezt el mert nem megoldható.
Ha valahogyan a vízhűtést rá tudnád tenni a két bordára, talán az működne és akkor a pufferkondit sem kéne annyira hűteni. Itt viszont azt kéne megnézni, hogy a kimeneti induktivitások mennyire fűtik fel a kimeneti pufferkondikat ez esetben ( az elkészült vízhűtéssel), mert ha nagyon melegszenek a kondik, akkor kadarist kollégának igaza van, hogy plusz ventilátor úgy is kellene oda. |
Bejelentkezés
Hirdetés |







üdv! 


Áramütés ebben az esetben kevésbé valószínű. A hang hatására kiváltott ijedtség által okozott szívbajt előbb el tudom képzelni. Persze amennyiben van védőföldelés.





