Fórum témák
» Több friss téma |
Szia!
Nem kötekedni akarok de nem a "méteres" szikra a legfontosabb szempont. Hanem az elegendő energia ami egy aránylag hosszú karám az-az elektromos kerítést is ellát, hogy a legtávolabbi pontján is legalább 2500V legyen. Na persze ha már át van ütve a trafó akkor bizonyára üresjáratban is kevesebb feszültséget produkál a kimeneten. Zárd le a kimenetet kb. 500 Ohmmal és úgy mérd meg! Ha van mivel..
Szia!
Ott az RI legyen legalább 3 db. 1Mega Ohm-os 0,5W ellenállás sorba, hogy eloszoljon rajta a kialakuló feszültség.
Hali:Ha kettőt teszek be akkor sűrűbb az impulzus.Egyébként 3,5W-osat raktam bele 1 db-ot.Nekem nem 12V/230 van benne hanem 9/230 mármint a trafóra értem amit fordítva kötünk be.Ugyan is én arra jöttem rá,hogyha 12/230-at rakok be akkor nagyon lassú az impulzus,így ezt gondoltam bele rakni lehet,hogy nem értetek velem egyet de nekem így jött be.Egyébként bármilyen jó tanácsot elfogadok.Köszönöm
Igen, a kisebb feszültséget leadó trafó (adott frekvencián) lassabban tölti fel a Diac előtt lévő 10 µF-os kondenzátort, így lassabban gyújtja be a tirisztort. Ugyan ezzel a trafóval kicsit magasabb frekvencián nagyobb lenne a leadott feszültség.
Azért valamit tisztázzunk,ha 2 db. 1M ellenállást teszel be,gondolom párhuzamosan kötve,akkor eleve gyorsabban tölti fel a diak előtti kondenzátort s ettől szaporábbá válik az impulzus,ez egyértelmű.A nagyobb áttételű trafóval magasabb feszültségű szintre töltődik a Cx kondenzátor és erősebb szikra jelentkezik a gy. trafó kimenetén.Nálam az ominózus 1M ellenállás 0,6W és még sosem ment tönkre és 22µF/63V a kondenzátor.Az inverterben lévő kis trafó áttétele is változó,általában annak függvénye,hogy milyen "erősre" akarom készíteni a pásztort.Nagyobb területek lefedéséhez úgy választom meg,hogy a Cx kondenzátort 400-440V környékére töltse fel,míg kisebb területekhez,esetleg kiskertbe elég a 280-320V is,de lehet játszani a frekvenciával is.Még annyit hozzátennék,mint előttem is mondták,nem a méteres szikra a fontos,nem kell a vadnak rásülni a kerítésre.
Szervusztok,
Nem tudom rajtam kívül valaki találkozott-e "árvízkárosult" villanypásztorral? Teljesen szét korrodálódtak a panelen az alkatrészek.
Sziasztok!
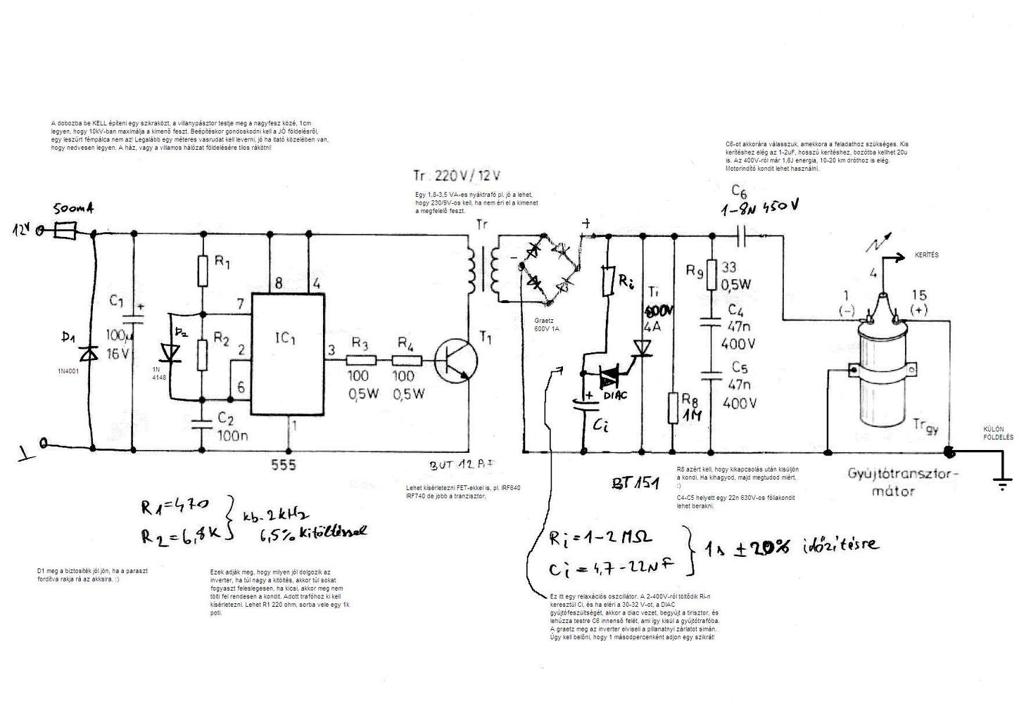
Megépítettem a képen látható villanypásztort, működik, de valami miatt nem úgy ahogy kellene, a hiba jelenség az hogy ha rákötöm (piros banánhüvelyt) a kifeszített karám huzalra akkor a dobozban kialakított szikraközön (1cm) megszűnik a szikra és a gy. trafó hangja is olyan mintha egyenesen a gy. trafó fém házához érinteném, viszont ha leveszem a földet (a fekete banánhüvely) akkor megint van szikra, de értelem szerűen egy cseppet sem érezni a nagyfeszt. Egy pár dolog amit észrevettem hogy ha a földelést bekötöm akkor a karám huzalhoz képest is ugyan úgy megjelenik a szikra mint a földhöz képest aminek nem szabadna lennie. A másik hogy az R9-s 33Ω ellenállást már harmadszor cseréltem mert mindig megszakadt, ezért lett narancssárga szigetelőbe bújtatva. Minden alkatrész értéke ugyan az mint a kapcsolásban csak az R1 értéke 8,2KΩ, így 320V tölti a kondit. Tények: Akkumulátorról működik. A karámhuzal sehol sem testel le, mert egy gyári vill. pásztorral ki lett próbálva (ami ugyan ezen az elven működik) azzal tökéletesen működött. A karám huzal hossza kb 4Km. A földelést két földbe levert rúd adja az egyik kb 80cm a másik 120cm mélyre van. Ez szerintem elegendő. Nem csak egy lett építve és a többi működik igaz rövidebb karám huzallal. Lada gyújtó trafót használom negatív pont a kondin a pozitív testelve a házával együtt. Úgyhogy elméletileg jó gyakorlatilag 3 napja szívat és már nagyon idegesít. Előre is köszönöm a válaszokat! A hozzászólás módosítva: Aug 12, 2013
Szervusz!
A 33 ohm ellenállás legyen legalább 1W-os.A pásztort,ha rákötöd a karámra akkor a belső szikraközön nem szabad,hogy szikrázzon,ellenkező esetben a ménkű nem jut ki a karámra,elvész a szikraközön.A szikraköznek védelmi funkciója van,leszakadt karám esetén,vagy kicsi területnél szikrázhat (nem megfelelő illesztés), megvédi az elektronikát a káros átütésektől.A 320V-ra töltött kondenzátor édes kevés,legfeljebb egy kisebb területhez elég lehet.A kondit fel kell tölteni legalább 400-410V-ra.Azt írod a karám huzal hossza 4km,ha ezt egy egyenesnek tekintem (mindegy,hogy kör vagy valami négyszög szerű a kialakítás) akkor ez ennek a pásztornak nagyon sok,pláne,ha a 320V töltött kondira gondolok.Az 555 hatos-hetes lábáról vedd ki a diódát,R1=220 ohm,R2=2,2k legyen és használj 230V/8V/4W áttételű trafót az inverterbe.A karámhuzal hosszát úgy számold,hogy a körbekerített terület kerülete,vagy a terület hossza mekkora.Az egymás fölé kihúzott szálakat ajánlatos kb. 200 méterenként párhuzamosítani,így osztódik a vezeték ellenállása.Ne az összesen kihúzott sorok vezeték hosszával számolj.Ennek a pásztornak 6 hektár területen (körbe ez kb. 1,5km) 5 soros vezetékkel a disznót is meg kell "fognia",saját tapasznyalat .
Szia
A gyújtótrafó az fordítva van bekötve a rajzon, az 1 pontot kell testre kötni nem 15öst. Legalább is, CDI gyújtásoknál úgy van. A 33ohmos ellenállásnak a leégésének lehet ez is az oka, de az egyik 47nF kondenzátor zárlata is csinálhat ilyet. A hozzászólás módosítva: Aug 12, 2013
A rajzon a gyújtótrafó jól van bekötve! A 15-ös kapocs kapja a pozitív feszültséget (nézd a tirisztort). Tekintsd úgy,hogy pozitív testelésű rendszer.A két kondi helyett egy darab 22nF/630V kondi is jó,fontos ,hogy ekkora feszültségű legyen.A többi ok.
Idézet: „"A rajzon a gyújtótrafó jól van bekötve! A 15-ös kapocs kapja a pozitív feszültséget (nézd a tirisztort)."” Hát ez az, hogy rosszul kapja mert a számok az induktivitásban tárolt energiára vonatkoznak. De mi sima feszültség átalakítókén alkalmazzuk, ezért, 1-es primer-szekunder közös kivezetés kell testre kötni. Amúgy szerintem meg, a legjobb megoldás az iker trafó lenne, mert ott független egymástól a két tekercs. A hozzászólás módosítva: Aug 13, 2013
Szia!
Mindegy hogy kotod, ha felcsereled az 1-est a 15-ossel, nem valtozik eszrevehetoen a nagyfesz.
Szia
Persze. Csak a Snubber kör ellenállása terhelődik túl, kondenzátora meg át üt .Még jó hogy másodpercenként csak egy szikrát generál villanypásztor, mert ha 200-ra fel kéne vinni egyből kijönnének a kapcsolás hiányosságai. Durrantottam már én fel MKP (-nak mondott, bár én kétlem) 470nF/400V kondenzátort .
Szia! Most már 440V-ra töltődik a kondik 540mA csúcsáram mellet, viszont úgy hogy R1 1,5KΩ R2 2,2KΩ a trafó maradt a 230V/9V, gondolom a 440V volt már elég lesz, a karámhuzalt meg akkor összekötöm 200m-ként mert nem volt és a 4km az a felhasznált huzal hossza 2sor 2km a kerület, kukorica tábla köré lett kihúzva.
A hozzászólás módosítva: Aug 13, 2013
Szia
440V--30µF =2,5Joule!!! Annak a gyújtótrafónak megvannak számolva a napjai. Főleg így hogy nem is lassítjátok a kondenzátor kisülését rajta. Van itthon egy gyári villanypásztor abban 4µF/438V-s van meg persze egyéni trafó zárt vasmag körrel.
Szia! Kb 1,5s-ként van a kisütés Ci10µF Ri 3MΩ már így is lassúnak tűnik, de nem fogok gyorsítani rajta ha gyorsítanék értelem szerűen nem tudna ekkora feszültségre töltődni, a másik dolog hogy jogos-e az hogy ha a földelést rákötöm (fekete banánhüvely) akkor a karámhuzalra is ugyan úgy van szikra mint a földeléshez képest, mert én szerintem nem kellene, de lehet rosszul tudom és ha teljesen összekötöm a huzallal akkor a hangja is olyan mintha teljesen leföldelném és semmit nem lehet érezni ha megfogom a huzalt igaz a másik kezemmel nem mertem még megfogni a földet.
A hozzászólás módosítva: Aug 13, 2013
Szia.
Ott szerintem a gyújtótrafóval lesz a baj. Mert relatíve nem több 10KV kell kiküldeni a karámra hanem inkább áramot. Az előbb bemutatott gyári transzformátornak az ellenállás értékei. Primer :1ohm Szekunder:76,4ohm A tiedben felhasznált gyújtótrafónak mik az értékei?
A trafó csere úgy látszik hogy megoldotta a problémát most már működik.
Köszönöm az építő jenlegű válaszokat!
A napokban hozzám került egy Rutland gyártmányú ESB375 típusú villanypásztor. Természetesen javításra hozták, beázott, és ezután elhalálozott! Elég rondán néz ki a belseje. Nem tud valaki erről a szerkezetről valamilyen dokumentációt szerezni? Teszek be egy képet is, bár ez nem a nálam lévőről készült, de talán így egyszerűbben beazonosítható.
Azért jó lenne egy-két közeli képet a panelről, a trafóról, kondenzátorokról.
Annyi a nevéből is kiderül, hogy Battery tehát szárazelemes táplálású. Akkor jó lenne tudni az inverterének az aktív elemeiről valamit, mert ugye ennek is fáj ám ha beázik. Üdv.
Sikerült megépítenem a villanypásztor tranzisztoros változatát. A szikra kb. 1 centiméter. Ismétlési frekvencia 2 szikra másodpercenként. A beépítés még nem történt meg. még be kell szereznem a vezetéket. Köszönöm a segítségét minden tagnak aki hozzájárult, hogy egy kezdő is tudjon egy ilyen eszközt megépíteni.
Estre csinálok képet a panelról, de ha látszanának a félvezetőkön a nevek akkor cserélném is őket. Sajnos szinte semmilyen felirat sem látszik, pont ezért fordultam hozzátok!
Jo napot kivanok, uraijm!Sunt Helló Romániából és érdeklődéssel követi a fórumot, bár nem mindig értem, mit mond nem beszélnek, hogy csak használja a programot magyar fordító, úgyhogy elnézést a hibákat, hogy fogom használni, és remélem, megértetni magam. Azt hiszem, kérve két rendszer (térképek) villanypásztor, amit szeretnék fac.Ca teljesítményt szeretnék dolgozni, a következők: Hossz 3km.Spuneti kérlek, ha tudom használni az első diagram a K / Transformer 4.7 Kohm / 2W, Rx 2Mohmi (sau1Mohm) A CX 30 µF/450V, és T1 = BU2O5 vagy IRF840 (MOSFET). Köszönjük előre is azoknak, akik választ, és remélem, nem zavarja!
http://www.hobbielektronika.hu/forum/getfile.php?id=142740 Diagram2 http://lea-linux.dyndns.org/electrobidouille.fr/cloture/montages/cloture.jpg
Szia ez sokak által megépített kapcsolás
http://www.hobbielektronika.hu/forum/getfile.php?id=142740 működőképes, csak a kimenő transzformátornak nem lesz elég a sima autó gyújtó transzformátor. Készítened kellene házilag, körülbelül 6-8kV kimenő feszültséghez 1:20 áttétel kell egy 20x20mm keresztmetszetű 100mm hosszú trafólemez magra, primernek ~50 menet, szekundernek meg 1000-1200 A primer legalább 1mm réz, a szekunder meg 0.2-0.3mm A szekunder és a primer szigetelésére és a primer tekercs soronkénti szigetelésére nagyon odafigyelni! sok sikert hozzá
...SZIA FODO!! KOSZONOM A FELELETRE. VAN EGY BARATOM AMEJK TUD MAGYARUL ES REMELEM HOGY MEG BIRSZ ERTENII VALAHOGY.MOMND KERLEK MIJEN ANAGOT HASZNAIAK A TRANSZFORMATORNAK ...TIPUS EE VAGY SIMA FERRIT 10 CM. HOSZU ES 2 CM ATMERO ES MIJEN JELRAIZOT KEL .ES MIEN ERTEKET KEL.?R/TRAFO 4,7Kohmi/2w, a Rx2Mohmi, a Cx 30µF es a T1BU205 VAGY Mosfet IRF840? BOCSANAT A NEM HJES IRASRA KOSZONOM SZEPEN
A link amit belinkeltél nem fog működni mert a d8 előbb kifog nyitni mint a tirisztor . Meg kell fordítani a polaritását a D8 as diódának .
üdv wegg A hozzászólás módosítva: Szept 9, 2013
Szia!
Elozetesen: Normal transzformator lemez, 20mm szeles, 100mm hosszu, 20mm vastagsagban osszerakva (kb. 40db. 0.5mm-esbol).
Nagyon köszönöm a segítséget és információkat Frob uraim, Kiss Attila, Gronpa, Francis Deák Wegge! Igen, ne feledje, hogy fordított polaritás dióda D8.Cu tekintetben egyszer köszönöm mindenkinek ezen a fórumon!
Salut,
Miezul magnetic al transformatorului este din material ferosiliciu(ce se foloseste de obicei la trafuri), de forma I, cu urmatoarele dimensiuni:lungime 10cm; latime 2cm;grosimea pachetului 2cm. Primarul transformatorului se executa din sarma CuZ de grosimea 1mm, iar secundarul din acelas tip de sarma cu grosimea de 0,2-0,3mm. Primarul are circa 50 de spire, iar secundarul 1000-1200. A hozzászólás módosítva: Szept 10, 2013
|
Bejelentkezés
Hirdetés |







.
.









