Fórum témák
» Több friss téma |
Köszi asszem nekiállok tanulni
Pedig ez egy 0,325 Wattos kicsi erősítő IC, és elvileg erősítenie kellene! De megpróbálom és kiderül, de lehet, hogy kellene hozzá a nagyobb kicsatoló kondi vagy ilyesmi apró átalakítás, mint az IC adatlapján...
A FET-eknek meg lehet, hogy nem is lehet csökkenteni a torzítását??? Ezt nemtom, de valami ilyesmiről is hallottam.
A kis mini-erősítő végére egyszrűen kössetek egy sima PC hangszórót!
Simán jó lesz!!! :yes:
LÁtom sokan keresnek itt egyszerű és/vagy jó torzítót
. Szeretném felhívni a figyelmeteket egy nagyon jó oldalra! ITT találjátok. Nemcsak torzítók vannak, hanem mindenféle gitáros kapcsolás, és a legtöbbhöz nemcsak kapcsolási rajz, hanem nyákterv ill. beültetési rajz is van! Szerintem mindenkinek érdemes átnéznie akit érdekel az ilyesmi. Az egyik kedvenc oldalam! :yes:
Hello!
Hát én megépítettem, kettőször is, de nem lehet vele zöldágra vergődni :no: Először azthittem a tranyók a rosszak, vagy a kondenzátorok, most vettem újakat, ugyanazt csinálja. pattog, serceg. Vagy nem is csinál semmit, de a jelet átengedi mindig.. Esetleg, más értékeket használtál mint ami a rajzon van? Vagy variáltál a rajzon? mert mondom kétszer megépítettem, és mindkétszer ugyan az a hiba. Már vettem neki új elemet is, semmi nem változott.
Hát valamit valamiért...
Nem akartam egyből beírni, hogy építsetek egy "normális" végfokot, egy normális hangszóróval, amin hallani is, hogy mit citerálsz. Akár a jó öreg 2030 is megteszi! Én is azon nevelkedtem.
Jaja
Én épp tegnap raktam össze este, csak sajnos trafó hiányában nem sikerült még kipróbálni. Egyébként mi a véleményed róla? Csak otthonra lenne, az első "erősítős" kapcsolásom.. Máshol nagyon fikázták.Egyébként írtam a másik topicba, de akkor benyomom ide is Bővebben: LinkAzt még hozzátenném, hogy mindd a kétszer új alkatrészeket vettem, egymástól teljesen külön.
Sziasztok! Az lenne a kérdésem hogy van egy sima trafóm ami 15v-ot ad le... (nem középkivezetéses), és hogy az egyenirányított tápágba a pozitív és negatív közé mekkora kondenzátort tegyek be, hogy kiszürhessem a hálózati zavarokat!? Hány voltos, hány mikrofarádos legyen ez?
előre is köszi a segítségeteket!
Pedig ez mini erősítő lesz, ha törik, ha szakad!
Mini erősítőbe, mini végfok kell! Nagyobb cuccok már vannak.
Szeva! Ha ~15V-ot ad le, akkor egyenirányítva és szűrve 15*1.41=21.2V körüli értéket fogsz kapni. A kondenzátor mérete a terheléstől függ, és inkább legyen nagyobb, mint a szükséges. 25V, de inkább 35V-os legyen a kondi.
Hali!
Valaki nem csinált már esetleg gitár erősítőt VF2,VF3 -al? Ha valaki csinált már az megosztaná velem (velünk) a tapasztalatait? Köszi
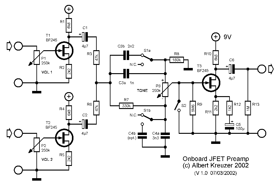
Sziasztok! A segitségeteket szeretném kérni! Egy citerába beleépitettünk egy gitárnak a hangszedőjét. Működik a dolog, csak az a baj, hogy a kimeneti jele nagyon alacsony! Épp ezért ha rákötöm a keverő LINE bemenetére, akkor teljes hangerőn is alig hallatszik, de nincs zavarjel,búgás! Ha viszont rákötöm a PHONE bemenetre, akkor a citera "üvölt", de búg is erősen!!! Ezért szeretnék kérni egy előerősitő rajzot, hogy a bemeneti jel elég nagy legyen ahhoz, hogy a LINE bementen keresztül működjön!A lehető legegyszerűbb megoldást keresném!!! Előre is köszönöm!
Tessék itt van! Sok sikert!
Ja és ez 2. db előerősítő, az egyik FET -es a másik meg sima tranyós!
LANCIAZSOZSO : Én az elsőt ajánlom. Ami PDF-ben van. Nincs hozzá nyákterv de nem is kell elég egyszerű, csak próbanyákon "összedobod" a kapcoslás szerint. Az első kapcsolásom nagyon hasonló volt ehhez, elsőre sikerült is
Köszönöm, Uraim! Örülök neki, hogy vannak ilyen segítőkész emberek! Az elsőt fogom megépíteni. Üdv. mindenkinek!
Ensium
Akkor most végülis mit csinál a kapcsolás? Nem is torzít egyáltalán? Amúgy látod, azt májusba írtam, szóval azért annyira nem nagy szám, de ha nincs torzítód, akkor baromi hasznos! Vagy esetleg a torzítóval sorosan bekötve még durvább hangot hozhatsz ki belőle! maTaKee Én már megépítettem a VF3-at. Gitároztam is rajta. Nem volt semmi gond! Nekem tetszett. Sőt még basszgitár is szólt róla a gitárral egyszerre külön előfokokkal, és az is szépen szólt. Persze mikor már nagyobb volt a hangerő, akkor torzított picit, de lehet, hogy a trafó volt pici... Most a fiókomba pihen. ST van már helyette. LANCIAZSOZSO Hát a Phone bemenet az ilyen. Azon fogod csak hallani normálisan. Ott le kell halkítani, a line-ba, meg hangosítani.
sziasztok!!! az első erősítőm szeretném megépíteni
Sixtek ST151-e nagyon csábító, esetleg valaki megépítette már? Jó a kapcsolás?
Nem, de ha már megvannak az alkatrészek.. Durván egy fél éve (amikor először modntad) akkor építettem meg. Akkor se működött, most se megy. Nem, egyáltalán nem torzít úgy ahogy kéne. Csak lassú lüktetés szerűen, ha húrokat pengetek recsegés jön ki belőle. Mind a két kapcsolásnál. Igen egyenlőre nincs torzítóm, most épül. Az előző meg hol van hol nincs, nagyobb átalakításra szorul. Ez meg egyszerű volt kinézetre, mondom összedobom pár perc alatt és szórakozhatok. Hát nem így történt.
Nem pontosan, mert a line in gyakolratilag az erősítőben a végfok bemenete. Ha saját előerősítőt akarsz használni, akkor a line in-re kötöd, vagyis a végfok elé közvetelnül. LANCIAZSOZSO-nak tökéletes lesz.
Hello
Szerintem elsőre egy könyebbel kezdj.. Nekem is ajánlották de én nehezebbnek találtam, mint egy TDA2030-at. Nemtudom mennyi az elektronikai ismereted, de saját tapasztalatomból mondom, ha kevés, vagy nincs, először NÉZZ UTÁNA rendesen, mindennek!
Nem sok ismerettel rendelkezem, de van segítségem, meg itt is tudok kérdezősködni
Hali!
Régen írtak már ide! Gondoltam, felteszem ide "feszengés" céljából a kis tortyogóimat, de érdekelne, hogy másoknak milyenjünk van (képpel együtt)!
Helloka! Egy flanger nekem sem ártana...
Inkább nem feszengek, mert nincs miért, de nekem ez az első saját készítésű torzancs-om! Na jó kicsit talán azért odabas...! Tube Screamer a sikító halálfej! Idézet: „...Inkább nem feszengek, mert nincs miért,...” Igen? Hát pedig a képek alapján van mire... Baromira tetszik! egy kapcs.rajzot feltudnál róla tenni?
Köszi az elismerést!
Nos, semmi ördöngősség, a Tonepad.com -ról csináltam a TS9-et... Az elektroncső igazából nem működik csak díszként szolgál, alatta pedig van egy erős fényű kék LED.....:eek2: A doboz és az összes alkatrész teljesen egyedi. Nem kis munka volt összehozni. Hamarabb kitaláltam a design-t /pár óra/, mint elkészült a cucc elejétől a végéig /35-40 nap/!
A kapcsoló az csak egy sima nyomógomb vagypedig rendes x állású kapcsoló??
6 lábú lábkapcsoló?? :eek2: honnan szereztél te olyat?
Azta! Gratulálok, ez azért nem semmi! Szép munka
Te festetted? A hangját ugye hallhatjuk? |
Bejelentkezés
Hirdetés |




Csak halk, meg a hangja silány
. Szeretném felhívni a figyelmeteket egy nagyon jó oldalra!











