Fórum témák
» Több friss téma |
- Ez a felület kizárólag, az elektronikában kezdők kérdéseinek van fenntartva és nem elfelejtve, hogy hobbielektronika a fórumunk!
- Ami tehát azt jelenti, hogy a nagymama bevásárlását nem itt beszéljük meg, ill. ez nem üzenőfal! - Kerülendő az olyan kérdés, amit egy másik meglévő (több mint 17000 van), témában kellene kitárgyalni! - És végül büntetés terhe mellett kerülendő az MSN és egyéb szleng, a magyar helyesírás mellőzése, beleértve a mondateleji nagybetűket is!
Köszönöm segítségedet, de úgy néz ki tárgytalan lett...
Még pénteken délben ahogy forgattam a panel (bekötve, működés közben), és egyszer csak elhallgatott... Azóta csak a feszültség ráadásakor egy töredék-pillanatra szól az erősítő , aztán csend, mintha stand-by, vagy mute módban lenne. De ellenőriztem a módkapcsoló bemenetet (TDA7375 , 7-es láb), rendesen fel van húzva (2V felett van normál üzemben, és 15V rajta...) Próbáltam direktbe le/fel húzni a lábát, de sokat nem ér. Mivel bontott IC (és ez a 2., mert az első -mint kiderült beültetés után- rossz volt), így egyelőre ráhagyom (hacsak valaki nem mond valami jó megoldást).
Köszönöm! A kapcsolás 25-80°C között tökéletes, 40°C-nál szeretném, ha lekapcsolna! A működését dióhéjban el tudnád magyarázni? A komparátoros termosztát működése világos, itt viszont megzavar, hogy két komparátor van. "Szokásos" egy komparátoros termosztátból már építettem párat, viszont nem tűntek valami megbízhatónak. Egyrészt hajlamosak voltak prellegni, másrészt időnként előfordult, hogy a hőmérséklet potméter állításakor fűtés üzembe kapcsolt, majd ha emeltem a felső kapcsolási hőmérsékletet, akkor egy ponton kikapcsolt, majd ha tovább emeltem ismét be, tehát úgymond "kihagyott".
Kicsit visszakanyarodva Ehhez a kapcsoláshoz, pontosan mekkora a legkisebb teljesítmény, amivel használható? Ha jól sejtem, akkor a BTA16 IGT értéke lesz az, ami 2,5-50mA, vagyis 5,75-11,5W között lenne a minimális terhelés? Elméletileg a kapcsolás le tud menni 0V-ig, ilyenkor a teljesítmény is 0 ugye. Akkor hogy is van ez? Annak egy infrafilm esetében (vagy akár izzónál) van jelentősége, hogy áramot, vagy feszültséget szabályzok? Úgy láttam a legtöbb dimmer áramot szabályoz és 20-40W között van a minimálisan leadható teljesítmény. A hozzászólás módosítva: Szept 2, 2013
Ok. Megnézem hogy tudom beapplikálni.
Köszönöm.
Sziasztok, ki tudnátok segíteni, mindíg összekeverem, és az adatlapból nem jön le, hogy melyik melyik, szóval, van az ULN2803a ez ami alacsony szintre húz, vagy ez ad magas szintet ? És ennek akkor melyik a párja , ami pont az ellentéte?
Köszönöm! A hozzászólás módosítva: Szept 2, 2013
Szia! UDN2981A=TD62783AP pnp tranzisztormező.És ha adsz neki jelet testre húz.
Lenne egy nagyon amatőr kérdésem: ha két darab 230v -os 100W-os izzót sorba kötök, akkor 50W lesz a felvett teljesítményük összesen? Tehát izzónként 25W, ami azt jelenti, hogy izzónként (és összesen is) negyede a párhuzamos kötéshez képest? Továbbá, ha feltételezzük, hogy az izzók fényereje lineárisan változik, akkor az izzók eredeti fényerejükhöz képest negyed fényerőn fognak világítani?
A hozzászólás módosítva: Szept 2, 2013
Nem lineáris a fényerő. Minél nagyobb áram folyik az izzószálon annál fényesebben világít.
Egy 230V 100W-os és egy 12V 100 W-os fényereje nem egyforma a 12V-os javára.
Köszönöm a gyors választ! Az izzós példát csak az elmélet miatt hoztam fel, amit a végére szerettem volna kikerekíteni az az, hogy ha van 6db 230V 27,5W-os infra fűtőmodulom ami összesen 165w, hogyan kellene kötnöm, hogy fél-harmad-negyed teljesítményen fűtsön? Csak azért kérdezem, mert láttam olyat is, aminek az adatlapján szerepelt: 12V 2W/24V 4W modulonként.
Hello! Egy áramkörben a "megbízhatóság" tervezés, és alkatrész kérdése.
Tervezés azért, mert a megbízhatóságra kell törekedni. Persze nem minden áron, csak az igények és az ésszerűség határain belül. De a tervezésnél figyelembe kel venni az alkalmazást. Vagy is a működési körülményeket is. Egy komparátornak mindig szüksége van hiszterézisre, különben prelleghet. Ugyan is a komparátor erősítése szinte végtelen nagy. Az érzékelt eszközön-jelvezetéken mindig van/lesz zaj. Amikor a jel a kapcsolási határérték közelében jár, akkor a zaj hatására is kapcsolgathat a komparátor. Hogy mi a teendő? Amennyire lehet csökkenteni a zajt, valamint minimum akkora hiszterézis használata, aminek szélessége (holtsávja) nagyobb,mint a zaj amplitúdója. Ekkor nem prelleghet. Mivel egy hőmérsékleti jel változása nem az a kapkodó idegbeteg, így lehet szűrni (integrálni) pld. egy kondival a jelet. Ezzel csökkenteni a zaj bejutásának lehetőségét. A hiszterézist meg pld. pozitív visszacsatolással lehet képezni. Az alkatrészek és az áramkör megbízhatósága, megint kulcskérdés. Pld. az általad említett "kihagyás". Lehet a beállító poti rossz minősége okozza. Tervezésnél erre is lehet gondolni, legfőképpen arra, hogy mi történjen egy előre várható meghibásodás esetén. Vagy is kikapcsoljon, bekapcsoljon, alapértéket vegyen fel, jelezzen, stb. Az áramkör amit rajzoltam egyszerű működésű. Az alapja, egy hídkapcsolás, aminek hídátló feszültségét figyeli az OP1 komparátor. Ha a PTC-n magasabb a feszültség, mint a potival beállított érték, akkor a komparátor bebillen, a tranyó meghúzza a relét. De ekkor a visszacsatolás D2/R5 "rásegít" a PTC-re, vagy is emeli rajta a feszültséget. ez hozza létre a hiszterézist, hiszen a PTC ellenállásának most sokkal jobban kell csökkenni kikapcsoláshoz, mint előzőleg bekapcsolás esetén. Deitt a hiszterézis olyan nagy holtsávval rendelkezik, hogy a PTC-nek kb. -40°C-ra kellene lehűlni, hogy visszakapcsoljon. Ezért gyakorlatilag bekapcsolás után úgy is marad a komparátor. Csak a tápfesz kikapcsolása fogja "visszabillenteni". A C1 szűri a PTC zajfeszültségét, de egyben bekapcsoláskor gondoskodik a komparátor alaphelyzetéről. Hiszen miközben a táp megjön, a bement alacsony szintű lesz a kondi töltődése miatt. (Mintha kicsi lenne a hőmérséklet ekkor) A PTC ellenállása változása adatlap szerint 25°C és 80°C között, kb. 1,5. Vagy is a PTC ellenállás változása ekkor 2kohm..3kohm között van. Az OP2 komparátor ezt figyeli, vagy is ha a PTC változása 3kohm feletti, akkor a PTC köre szakadt. Ekkor az OP2 átbillen, és a hibás állapotot a Led jelzi. OP2-nek nincs hiszterézise, De egy Led jelzéshez ez gyakorlatban nem is szükséges. Hiszen prelleghet kedvére, mert azt úgy is fényerőváltozásként fogod érzékelni. Ha meg jelez, úgy is megette a fene az egész szabályozást. Hogy szakadás esetén is működjön a védelem, azt a PTC önmaga biztosítja, hiszen egyenértékű azzal, mintha a hőmérséklet nőt volna meg. üdv! A hozzászólás módosítva: Szept 2, 2013
A triac-os kapcsolást nem érted. Szerintem a minimális terhelésnek nálad semmi értelme nincs. Szerintem összekevered a szezont a fazonnal. Egy Triac (vagy tirisztor) ha bekapcsolt, csak akkor kapcsol ki, ha anódárama nullára esett. Ez létrejöhet, akkor, ha a hálózat nullpontja van, mert ekkor nincs feszültség. (De akkor is létrejöhet, ha rövidrezárjuk az MT1-MT2 elektródát. De ezt általánosan nem használjuk.) A minimális áram, nem az IGT, mert az a Gate érzékenységére mutató adat. Vagy is hogy minimálisan mekkora Gate áram szükséges a begyújtásához. (Ez síknegyedenként változhat.)
A tartóáram az, hogy amikor a Gate gyújt, utána mindenképpen szükséges egy minimális "anódáram", hogy a Gate impulzus megszűnése után is bekapcsolva maradjon az eszköz. Ez a tartóáram. És ennek minimuma, egyből meg is határozza a legkisebb kapcsolható teljesítményt. Igen, kapcsolható, nem szabályozható. Mert egy Triac alapvetően csak ki-be tudja kapcsolni a terhelést. Persze ezt gyorsan teszi, és a hálózattal szinkronban, akkor beszélünk fázishasításos (vagy gyújtásszög vezérlésű) teljesítmény szabályozásról. Tehát nem áramot, feszültséget szabályozunk, hanem teljesítményt. Ha pontosak akarunk lenni akkor MUNKÁT. Ha egy 60W-os izzót egy órán keresztül bekapcsolunk, akkor annak fogyasztása 60Wh. Ha percenként ki-be kapcsolgatjuk, akkor is bekapcsolt állapotban 60W a fogysztó teljesítménye, de végzett munka avagy a fogyasztás, csak a fele lesz. Vagy is 30Wh-át fog mutatni az óra. A Triac ugyan ezt teszi, csak kicsit színesítve. Minden félperiódusban be-ki kapcsolja a fogyasztót. De a hatás teljesen azonos lesz az előzővel, ha a félperiódus csúcsán kapcsolja be, és a félperiódus végén (nullátmenetnél) kapcsol ki. A fogyasztás ekkor is 30Wh lesz, csak éppen nem fog percenként "villogni" a lámpa. Tehát így szabályoz teljesítményt avagy munkát a Triac. Természetesen vannak sajátosságai is a szabályozásnak. Általában egyszerű kapcsolásokkal nem lehet a szabályozás tartománya nullától a maximumig, valamint a gyújtásszög értéke és a teljesítmény koszinuszos összefüggésű lesz, lévén, hogy a hálózati feszültség szinuszos lefolyású.. De ez már egy másik történet.. üdv! Idézet: „Egy 230V 100W-os és egy 12V 100 W-os fényereje nem egyforma a 12V-os javára.” Ebben te biztos vagy? Miert nem a teljesitmeny szamit? Az melegiti a Wolframot, nem az aram. Az egyetlen dolog, amit el tudok kepzelni, hogy az azonos teljesitmenyu izzoszalak kozul a kisebb feszultsegunek az ellenallasa is kisebb, ezert az izzoszal kisebb tomegu/feluletu, es ettol jobban felmelegszik, de ezt sem nagyon hiszem.
Pedig ez a lényeg. Nagyobb áram hatására jobban felmelegszik és egyre fehérebb lesz a fénye.
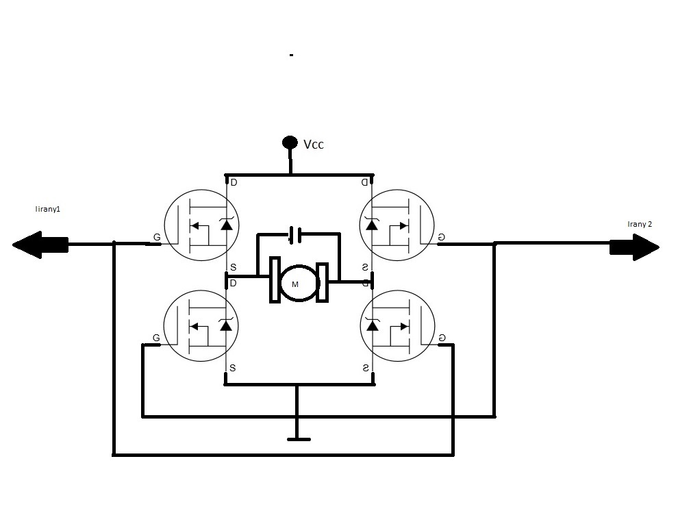
Sziasztok! Ilyen h hidat éptettem, és + tápot nem akar kapcsolni, jól kötöttem be?
Megneztem a Wikipedia-n, es ott azt irjak, ugyanolyan teljesitmenyu, de alacsonyabb feszultsegu izzoban vastagabb az izzoszal, ezert magasabb hofokra lehet heviteni azonos elettartam mellett. Ennyi a titok.
A FET gate-jet tipustol fuggoen 3..10V-tal a Source fole kell emelni ahhoz, hogy kinyisson. Ezert aztan a plusz tapot N csatornas FET-tel csak ugy tudod kapcsolni, ha gate-jet tap fole emeld. Szoval ez a kapcsolas igen szuk keretek kozott fog csak mukodni. Vannak megoldasok erre is, de kerdes, hogy neked DC-re kell vagy valtora, ha valtora, akkor milyen frekvenciara, stb..
DC re kell, egy MCU 5V ot ad rá direktbe, a táp aksiról van 8V os az aksi.
Es mekkora aramu a motor? PWM szabalyoz, vagy csak egyszeruen erre/arra vagy semerre forgatja?
Sziasztok, ma kísérleteztem pár kapcsolóüzemű táppal, és megépítettem ezt ,de még análkül, hogy ráadtam volna az 50Khz-et , bekötöttem a 12V-ot , de kb 2mp- mulva a BUZ11-es Fet fogta magát, és kettérepedt, szerintetek mitől lehetett ez? Egy 12V-os zselés aksiról ment (7Ah) kondik elől hátul 470µF , dióda 1N4007, 220uH -el.
Köszönöm!
Sziasztok! Motoromon olyan index relé van gyárilag ami egy kondiból és ha jól tudom egy FET-ből áll és valószínű, hogy ezt a FET meghibásodott milyennel tudom helyettesíteni mert adatot nem találok rajta?
A hozzászólás módosítva: Szept 2, 2013
Ez a kapcsolas nem fog mukodni, ha csak ugy raadsz 50kHz-et. Hova volt kotve a FET gate-je? Volt terheles a kimeneten? Az 1N4007 semmikeppen nem lesz jo 50kHz-es kapcsolouzemu tapegysegbe! Oda Schottky dioda kell, vagy esetleg gyorsdioda. Ez a rajz inkabb csak egy magyarazo abra, nem egy mukodod kapcsolas.
Hihetoen hangzik, amit mondasz. Szegyen, hogy a Tungsram-Schrederben dolgoztam (igaz mas teruleten), es megsem ertek ehhez eleget.
Ne busulj, kelleten meg van eleg
).
Sziasztok, mint ahogy már kiderült, párszopr nekimentem a falnak, a kapcsolóüzemű tápok építésével. Szeretnék egy ilyen tápot (tudom, a rajz inkább csak magyarázó), ezzel csak a táp lényegét szeretném bemutatni ;
egy olyan táp kellene, ami egy trafóval van leválasztva a hálózatról. És itt jön a kérdésem; milyen olvasmányt tudnátok ajánlani, amivel saját magam ki tudom számolni, és el tudom készíteni az ilyen vagy ehhez hasonló tápokat? Köszönöm. ÜdV!
Nálam egy hosszabb ideig működött egy mozgásérzékelő, gömb alakú. Sajnos nem tudom mi okozta, de most már nem hajlandó működni. Szétszedtem, és benne van egy CO324 4 komparátor integrált áramkör, egy fényérzékelő, egy infra led, és egy tranzisztor. Ha valaki meg tudná a kapcsolási rajzot részemre megadni, nagyon köszönném. Sajnos ha nem tudom újra működővé tenni, kénytelen leszek egy újat vásárolni.
Üdv! Köszönöm szépen mindkét hozzászólást, nagyon sokat segítettél velük! Az az igazság, hogy a jelenlegi DS1821 -es, két csatornás termosztát kapcsolás tavaly télen kitűnően működött folyamatos üzemben (szintén a segítségeddel készült), de mivel meglehetősen túlméretezett az infrafilm és számomra felbecsülhetetlen értékű állatok melegen tartásáról gondoskodik a kapcsolás, nagyobb biztonságban érezném magam, ha lenne még egy megbízható védelmi fokozat. Ehhez jött képbe először a kapcsoló relé meghúzásától induló időzítős lehetőség, NE555-el, ugyanis a felfűtési idő teljesen hidegen kb 10 perc, a szinten tartás pedig 3-5 perces fűtést igényel, tehát ha 15 percnél tovább üzemel egyszerre a film, akkor ott valami gond van. Másik lehetőség amit számba vettem, az általad mutatott öntartó kapcsolás, ami hőmérsékletet mér. Ez precízebb, de bonyolultabb is, ráadásul újabb érzékelőt igényel a terrárium alá. Aminek legjobban örülnék, ha lenne 40°C-os hőbiztosíték, de sajnos ilyet még nem találtam.
Továbbá a komfortérzet növelése érdekében szeretném csökkenteni a hiszterézist, de attól tartok, hogy hosszú távon nem bírnák a relék a gyakori kapcsolást (kb. 6 ki-be ciklus óránként, napi 24 órában, fél éven át) és érdemesebb lenne SSR-re váltani. A triakos szabályzó pedig egy másik infrafilmes projekthez kellene, de érdekes módon ilyen megoldást még sehol sem találtam infrafilmhez és attól félek, hogy talán nem véletlen... A hozzászólás módosítva: Szept 2, 2013
Hello! Ha a biztonsági kapcsolót szeretnél beépíteni, akkor elkerülhetetlen a külön értékelő. Hőbiztosíték ugyan nincs 40 fokos, de lehet kapni bojler szabályzót, ami kapcsolhat. Sőt egy kimustrált vasaló, vagy fűtés termosztát kapcsolója is megfelelő lehet. SSR-t nyugodtan lehet alkalmazni. A feladat egyébként erősen hasonlít a csirkekeltetőre, amihez van külön topik, és tapasztalat is.
Lehet az is az ok, hogy az infrafilmek teljesítménye nem teszi szükségessé a teljesítményszabályozást, csak a kétállapotú szabályzót. Vagy berregnek a fázishasításos jeltől.. üdv!
Sziasztok remélem jó helyen teszem fel a kérdésem.
Építettem egy steppermotor vezérlőt,az a problémám hogy nemigen tudok angolul és nem is sokat értek a szakmához belezavarodtam a motor meghajtó adatlapjába. STK-6712BMK4 a másik STK-6713BMK4 A bemenet megvan,kimenet megvan, de a 8 és 11 -es lábon nem értem azt a referencia dolgot.... El tudnátok azt magyarázni "barátságosabban?" mint az adatlap. Vagy csináljak meghajtót inkább fetekből? Kérnék egy kicsi segítséget,mer már nem kell sok és kész a cnc-m.
Köszönöm, megnézem azt a topikot is! Előfordul néha, hogy nagyon halk ciripelő hangot adnak a filmek, gondolom ez az 50Hz és a nagy felületű, vékony, rugalmas infrafilm együttese miatt van. A kötések egyébként rendben vannak, szorosak, bitumenes szigetelés van rajtuk, ráadásul a jó 30-40kg-os terrárium súlya is nyomja őket, tehát nem valószínű, hogy ezekből jönne a hang. SSR-ből Sharp 202S02-t néztem ki, mert kicsi, 8A-t tud (nekem 0,4A kell csak) viszont 1,2V -os a bemenete, ezt elő is kellene állítani valahogy a 12V-ból (TO-92-es LM317-el gondoltam), viszont kérdés, hogy mennyire érzékeny a kapcsoló áramkör esetleges maradékáramára ilyen érzékenység mellett, illetve mit szól az LM317 az állandó kapcsolgatásra.
Közben úgy néz ki, hogy megtaláltam a megoldást egy ilyen hőkapcsoló személyében, kérdés, hogy mennyire 40°C a 40°C, mert nálam most 37°C-ig fűt a film, bár 10db-ból 3-at valószínűleg ki fogok tudni választani. Ehhez már csak egy egyszerű, öntartó kapcsolás kellene.
Hello!
Valaki a't paszolt nekem 3meter ilyen fute'st, Bővebben: Link, Nalunk nem kapni hozza valo alkatreszeket, me'g csak csatlakozot sem, vagy en nem talatam, az internetrol pedig nem tudok/merek venni. Ha barmiben segiteni tudnatok halas lennek. Talan meg jobbb is lenne ha en epitenem meg , nem hiszem ,hogy olyan nehez lenne. Elore is koszonom. |
Bejelentkezés
Hirdetés |




Annak egy infrafilm esetében (vagy akár izzónál) van jelentősége, hogy áramot, vagy feszültséget szabályzok? Úgy láttam a legtöbb dimmer áramot szabályoz és 20-40W között van a minimálisan leadható teljesítmény. 
DC re kell, egy MCU 5V ot ad rá direktbe, a táp aksiról van 8V os az aksi.
). 




