Fórum témák
» Több friss téma |
Fórum » TV hiba, mi a megoldás?
Ha a fehér képrészek sárgásak, akkor a kék meghajtáson kell növelni. Állítsd be úgy a G2-t, hogy viszonylag jó kontrasztú, villogásmentes képet kapj, majd a szervizmenüben növeld a kék meghajtást a szervizleírás alapján. A G2 beállítóábra a G2 optimális szintjét hivatott beállítani. Ilyenkor nincs sugáráram korrekció és a képen látható ábrát kell jó kontrasztúra beállítani. Egy gyengült képcsőnél már nincs sok jelentősége.
Na most ha a csere előtt volt és működött, akkor nem foghatta a tápot. Vagy valamit félreértek?
Most olvasom, hogy legyengült képcsőről társalogtok. Egy régi Rádiótechnika számban olvastam, arra már nem emlékszem, évkönyv volt-e és, hogy melyik? Igaz nem képcső, hanem régi elektroncsövek regenerálásáról volt benne szó. A lényeg színes tévé képcsővel ugyanezt meg lehet tenni, nekem sokszor bejött. Sokkal jobb, mint a felfűtés, mert ha jól sikerül, az eredmény akár örök élet, bár van az öregedésnek egy pontja, ahonnan már nem lehet regenerálni sehogy, csak kiégetni, de annak már így is, úgy is vége. A lényeg: Az üzemi áram 10- 20szorosát kell átzavarni a katód-G1-között úgy 1-2 percig, az eredmény általában nagyon látványos. Mind a 3 színnél el kell ugyanezt a műveletet követni úgy, hogy 1-2 kiloohm korlátozó ellenálláson és egy milliampermérő műszeren keresztül adod a G2 feszt, vagy külső tápegységről 2-300 voltot a G1-re úgy, hogy közben a katód a testen van, kikötött vezérlő elektronika mellett. Ha nincs eredmény, ugyanezt meg lehet próbálni kicsit megemelt fűtéssel, de vigyázat, a fűtőfeszültség túlzott megemelése kiégéshez vezethet! Így csak akkor jártam, egyetlen egyszer, amikor a képcső annyira gyenge volt, hogy már semmire nem reagált, és közel12 voltról fűtöttem fel, erre kiégett, az ilyen már a szemétre való, különben a rácsáram 1-2 milliamperről látványosan megemelkedik 20-30 milliamperre, az a jó. Utána az így kezelt szín szinte vakít. A kezelés után az eredeti fűtőfeszültség mellett akár örökre erős maradhat a fénye, néha megesik, hogy kis idő után visszagyengül a képcső, de ez a művelet akárhányszor megismételhető.
Köszönjük az ismertetőt és bizony a kidobásra ítélt csöveket fel lehet éleszteni így is. Persze ehhez már komolyabb hozzáértés is kell, meg persze elszántság.
Állítólag létezik (Vagy létezett?) képcső regeneráló gép gyári is. Németországból hozta egy kolléga állítólag tizen-egynéhány, vagy több évvel ezelőtt, állítólag az is valami túl-izzításos módszerrel regenerál, de én azt nem láttam. Az általam leírt módszer jól sikerült nekem szinte mindig már majdnem halott Junoszty, és kis VL100-as fekete-fehér képcsöveknél is. Junosztynál, ha a tápot, és vele a 12 volt képcső fűtést megemeled +1 volttal, mert gyenge, annak a következménye 1 éven belül biztos halál. Az előbb leírt módszer után még legalább 4-5 évig használható a TV.
Igen van ilyen készülék, sőt volt olyan cég, amely nyakcserés megoldással javította a csöveket. Ehhez már komoly vákum és üvegtechnikai felkészültségre volt szükség.
Először csak egyel végezz, utána jöhet a többi! Ha valami van írj.
Szerintetek megérhet egy próbát ez nálam is? Csak az a baj, hogy kicsit értetlen vagyok olyan értelemben, hogy nem nagyon tudom hogyan kéne csinálnom, ha nekiállnék.
Nem tudom emlékeztek-e még az AKAI CT-G215D-re. Most újra nincs kép. A rossznak tűnő forrasztásokat átforrasztottam feszstabokon megvan 5V 8V 12V is. A nagyfesz is szerintem megvan. (Sortrafó hangja alapján és a képcső "pattogása" alapján) Ha valaki tudna segíteni előre is nagyon köszönöm.
Hát akkor egy kicsit szájbarágósabban? Elő kell venni a kapcsolási rajzot, vagy akinek van benne kis gyakorlata, mint nekem, az az üvegen át is látja mi hová van kötve, nem kell kapcsi rajz. Meg kéne mérni az UG2-t, mert ezt fogod a G1-re rákötni. Ki kell számítani a szükséges soros korlátozó ellenállást, úgy hogy ezt a feszültséget elosztod 50 mA-rel, nekem ez olyan 1,5-2,4 kiloohm közötti 1-2 Watos ellenállásnak jött ki annak idején, ez azért kell, hogy ennél több áram még rövidzár esetén se tudjon folyni, így biztosan nem ég le semmid. A rácsokra és a katódokra menő dolgokat a panelen kiforrasztod. A G1- et a G2 vel az említett ellenálláson át összekötöd egy vezetékkel, a hozzá tartozó katódot testre kötöd egy milliamper mérő műszeren keresztül. Bekapcsolod a tévét, és figyeled a műszert. Ha 1és 10 mA közti értéket mutat, az jó. A mutató elkezd felfelé ballagni. Nem igazán szeretem ilyenkor a digitális műszert, mert az ugráló számok idegesítőbbek, mint a lassan felfelé ballagó mutató, az elég látványos. Olyan 20 30 mA-nél az áram növekedés megáll, ha nem, azért van benne az ellenállás, hogy ne legyen zárlat akkor se. Ha a rács- katódon kívül mást nem kötöttél ki, és a nagyfesz megvan, látod a képernyőn is a fényerő növekedést, érdemes egy tükröt elébe tenni, hogy hátulról is lásd. Ilyenkor persze a visszafutási csíkok is benne vannak, de az most ne zavarjon. Ha úgy látod, tovább nem nő a fényerő kikapcsolod a tévéd, megcsinálod ezt mind a 3 színnel, kikapcsolod, mindent az eredeti állapotba visszakötsz, és megnézed mit műveltél. Ha valamelyik szín nem lett olyan erős mint a többi, megpróbálod a trimmerekkel utána állítani, vagy mostani tévében már azt hiszem a szervízmenüben, de ilyen újakat már nemigen javítottam. Ha a módszer hatástalan, azt jelenti, az a képcső már nagyon rossz, a károsodása visszafordíthatatlan stádiumba jutott. Ekkor még meg lehet próbálni a fűtő feszültséget óvatosan növelni a regenerálás alatt, hátha az áram növekedés beindul. Veszteni való ilyenkor már nem sok van, de ez az egy mód, hogy viszatérjen az élők sorába. Olyat is hallottam, hogy valaki a fókusz nagyfeszt csattogtatja rá a rács-katódra, ez sokkal brutálisabb, és veszélyesebb, mint az én módszerem, és az nem is mindig jár sikerrel. Többnyire inkább kárt okoz. Műszerrel kontrollálva az, amit én leírtam, szinte teljesen veszélytelen, és szerintem a legmegbízhatóbb.
Én ilyenkor a fülembe gumicsövet dugok, azal keresem a pattogás forrását, vagy elsötétítek, és figyelem, mi szikrázik? Csak arra vigyázz, ha véletlenül mégis van nagyfesz, véletlenül bele ne nyúlj. Az, aki szikrázik, pattog a szemétbe való. Még a sortafó is, házi módszerekkel nem lehet tökéletesen elszigetelni, ha ki van repedve.
A hozzászólás módosítva: Szept 5, 2013
Persze értettem ez alatt, hogy mint minden jó tv nél is bekapcsoláskor ahogy jön a nagyfesz pattog vagy menet közben ha kézzel közelítjük a képcsövet.
Bocsánat hülyén fogalmaztam semmi olyan probléma nincs ami rendellenes lenne. Nem a rendellenes pattogás.
Itt a doksija a TV-nek. Majd ha nekiállok biztos lesz kérdésem még. Közben 2 TV-t csinálok még. De az Akainak még nem jöttem rá a bajára. A Philipsnek meg az a baja, hogy kikapcsolgat menet közben készenlétibe, most poroltam ki, valaki járt benne és a sorvégtranyó valószínű cserélve volt és nem a hűtőzászlója érintkezik a bordával, hanem a tok (fekete) van odaszorítva az alu lemezre -.- , nem tudom de nekem ez nem tűnik gyári megoldásnak.
Értem , tehát , ha kívülről az üveg felületéhez közelíted a karod , akkor érzed , hogy meg van a nagyfesz?
Mert ha a szőröcskék nem állnak fel a karodon , akkor nemigen van meg. A hozzászólás módosítva: Szept 5, 2013
Úgyhogy "eyess" és "fecameca" bocsánat azt hülyén írtam, nincs semmi áthúzás meg ilyenek, viszont kép nincs, ezelőtt a 12v os feszstab volt kimenve, de most oké. Esetleg lehet az eltérítő IC hibája? (Ez az AKAI, most azzal foglalkozom)
Persze nagyfesz megvan a szőr feláll
Meg persze pattog ha közel teszem. Kikapcsoláskor pedig a kép közepén felvillan fehéren, nem tudom ez mond-e valamit. Én az eltérítőre gyanakszom, csak nem tudom, hogy tudhatom meg, hogy az jó-e. (Csere nélkül)
Ok az jó nincs most kéznél a rajz esetleg , ha neked meg van tedd fel , és megnézzük mit tehetünk.
Igen közben elolvastam az akkori hibát.
Nos azt a kört nézd át megint , amit akkor a 12v stab , és egyebeket a kondijait stb.Szerintem megint ott lesz a hiba.
A feszstabon most megvan a 12V és stabil.
De ez a rajz nem az a rajz , mert ezen nincs 12v stab , csak 5, és 8.
Vagy az a N001 lenne az ? A hozzászólás módosítva: Szept 5, 2013
Most ezt találtam, nem tudom ez lesz-e az. Ez nagyon hasonlít rá.
A hozzászólás módosítva: Szept 5, 2013
Lehetséges igen.
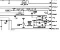
Feltettem a részletet , hogy mit mérj meg .Ez a tunernél található elmegy e oda a +12 volt , és pláne utána meg van e a stabil 5 volt.a zéner diódán.És a TDA 8351 es ic re is eljut e a +12 volt.A rajz részlet itt is mellékelve. A hozzászólás módosítva: Szept 5, 2013
Üdv! Egy érdekes kérdés! A TV-szoftverjét hogy kell kicserélni? A szoft megvan, csak nemtudom hogy kell felírni rá! Van rá valami mód?
Még mindig nem találom a tuneres résznél... lehet, hogy a fémtok alatt van.
Miért cseréltél TDA ic és jó vagy ?
Miért kell szoftvert cserélni.Egyébként ha a tv meg tudja írni , akkor általában egy üres ic szoktak bele tenni , és a tv megírja , ha nem alkalmas erre , akkor persze külön programozóval.
Biztos , hogy nincs a fém tok alatt ennek külön kell lennie valahol az alap lapon.
|
Bejelentkezés
Hirdetés |




Meg persze pattog ha közel teszem. Kikapcsoláskor pedig a kép közepén felvillan fehéren, nem tudom ez mond-e valamit. Én az eltérítőre gyanakszom, csak nem tudom, hogy tudhatom meg, hogy az jó-e. (Csere nélkül)


