Fórum témák
» Több friss téma |
Fórum » Ki mit épített?
Ez a téma ha úgy tetszik a mi "kiállítótermünk", nem pedig a ki mit csinált volna másképpen, mások helyett, és legfőképpen nem javítós téma.
Minden készüléknek van saját témája, ott kell kitárgyalni a részleteket!
FONTOS! A kapcsolási rajzok keresésére is van saját téma, ott keressetek rajzokat!
Ahh ez a lila nagyon tutin néz ki szem megrpóbálom ilyennem...Kösz a válaszokat
Igen nagyon szuper, viszont a lila led itthon 300-400 Ft körül mozog...
Az szép ako már tényleg nagyon drága órám lesz
...és hogyan fogod hívni majd? Drágaszágom...?
Hali! Látom STK ic-ből csináltad az erősítöt, nem tudnál nekem olyanba segíteni hogy hol lehet kapni STK1070-est?? Van egy régi erösítőm, és ott porosodik a polcon, mert nem kapok sehol ic-t.
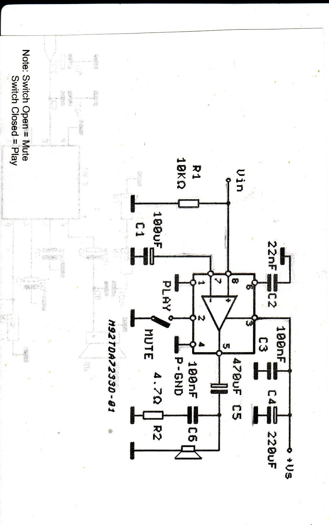
Üdvözletem mindenkinek! Az én telefonom (SonyE. T630) még nem tud Mp3-at, de pár napja szereztem 1 progit, ami audio állományokat átalakít .amr kiterjesztésű állománnyá, így lehetővé teszi, hogy néhány zenét nem túl szuper minőségben, de hallgassak róla. A hangszórója viszont elég gyenge. Emiatt kellett nekem egy kis erősítő ami nem túl erős (1-2 Watt), viszont elég kis tápfeszről működik. Találtam is ilyet: TDA7233. Ez 1W-ot tud és már 1.8V-ról elmegy. Tehát ez tökéletesen megfelet arra, hogy a telefon aksijáról tápláljam. Rákötöttem 1 régebbi ugyanilyen márkájú telefonom töltőjének csatlakozóját, ezzel a tápfesz már meg is volt. A hangot 1 headset csatlakozója hozza ki a telcsiből, ugyanis ennek meg a fülhallgatója volt törött. A kapcsrajzon és a nyákrajzon nem szerepel 1 kondenzátor amit utólag kötöttem a bemenetre. A képen látszik a sárga színű 1µF-os nem polarizált elkó.
A némítás úgy van bekapcsolva, ha nincs összekötve a kapcsoló, a nyákterv fólia oldal felöli nézet, és felteszem a gyári adatlapot is az ic-ről.
üdv mindenkinek. Szétnéztem egy pár oldalon és elcsábított egy nagyobb teljesítményű stroboszkóp.... idáig 120Wos volt de nagyon meguntam főleg az utolsó buliban amikor 200 fő volt és csak az első pár sor élvezte a fényeffekt hatását. Ugy döntöttem hogy neki esek építekegy nagyobbat már csak a NYÁK kell vagyis az alkatrészek a nyákba. Töltök fel egy pár képet.... A doboz még nincs teljesen lefújva..... Remélem működni fog
SZerintem nagyon "vad" lett a doboza
húú tényleg vad lett!!
1700 wattos lesz amúgy? a csövet honnan vetted és mennyiért? esetleg a rajzát meg lehet nézni?
PAKO 7500 sztem itt legolcsóbb máshol 14be láttam... a kapcsija meg a stroboszkóp témában van dragon1700 néven
Hali!
A majd 4 hónapja készülő nixie órámba, raktam bicolor LEDeket (kék-piros), amiket PWMel hajtok, igy elég szép szinkavalkád hozható ki velük (lehetne fokozni RGBvel is ). Most sikerült befejeznem a progit hozzá, már csak a design maradt. 1-2 hét múlva szerintem már lesz róla video is.
Ma elkészültem a dallamcsengőmmel.
Egy orosz műanyag harangba szereltem be. A csengő 3V tápfeszről jár, elemről. UM66 IC-vel készült. Apukámnak lesz karácsonyra Üdv.
Nagyon ötletes hogy harangba raktad
Látod, hogy tudsz Te szépen is dolgozni?! :wow1:
Amúgy tényleg szép lett, mutatós és ötletes! Hangját hallhatjuk?
Ez milyen UM66-os? L-es vagy S-es? Ha S-es akkor hol vetted?
Köszi. De nekem S-es kellene de sehol nem találok
Szép!
Na és milyen hangja van, csak nem fürelíz? Nekem az baromira kibírhatatlan volt mikor um66-tal építkeztem.. Amúgy a Lomex is árulja, bár az árára már nem emlékszem..
Onnan tudtam, hogy már én is építettem ilyennel, és más hanggal itt nem nagyon lehet kapni..
Viszont nekem nagyon nem működött sima tranyóval, egy kis JFET-et kellett beletegyek hogy szóljon, és úgy sem volt valami hangos..
Hú, köszi, ez hasznos volt! Bár már van fürelízesem, de éppen készültem menni az incompba, beszerzek akkor párat..
sziasztok
építettem egy csillagot karira :
Na ezt tavaly én is +építettem!
![]() Csak kézzel rajzoltam, és hát elég randa lett.
helló
Jó lett nagyon. Kéne nekem is csinálni egy ilyet. Megosztanád velem a kapcsirajzot?
Építettem a jóbarátomnak egy autóba való feszültség őrt.
Kapcsolási rajzot a BSS-en találtok Akku feszültség őr néven.
helló én is kézzel rajzoltam de szerintem szép lett
iet én is csináltam hordozható hangfalba de a tiéd is jo lett
|
Bejelentkezés
Hirdetés |











). Most sikerült befejeznem a progit hozzá, már csak a design maradt. 1-2 hét múlva szerintem már lesz róla video is.












