Fórum témák
» Több friss téma |
- Ez a felület kizárólag, az elektronikában kezdők kérdéseinek van fenntartva és nem elfelejtve, hogy hobbielektronika a fórumunk!
- Ami tehát azt jelenti, hogy a nagymama bevásárlását nem itt beszéljük meg, ill. ez nem üzenőfal! - Kerülendő az olyan kérdés, amit egy másik meglévő (több mint 17000 van), témában kellene kitárgyalni! - És végül büntetés terhe mellett kerülendő az MSN és egyéb szleng, a magyar helyesírás mellőzése, beleértve a mondateleji nagybetűket is!
Sziasztok !
Ha egy Számítógép tápegységen becsatlakozom a +12V DC és a -12V DC közé akkor ugye +24V DC -t kapok. Viszont a maximális áramok hogyan alakulnak ha a doboz szerint: +12V DC-max 8A és -12V DC -max 0.5A ? Valamint sok cikk van az árammérő méréshatárának kiterjesztéséről, de a szűkítése lehetséges ? üdv.
Az áramok úgy alakulnak, ahogyan ráírták: a + ágban 8A-el terhelheted, de a - ágban csak 0,5A-el! Ha te 24V-ot akarsz használni, azt is megteheted, de akkor csak 0,5A-ed van maximum.
Pontosan mit szeretnél szűkíteni??
Tehát akkor a legkisebb áramérték.
Ez egy itthoni tápegység lesz amit egy számítógép tápból alakítok ki és szeretnék rá DC+24V kivezetést. Bár 0.5A az nem túl sok. Én úgy gondoltam hogy legalább az átlaga 4A körül lehet kivenni belőle. Van egy analóg árammérőm aminek a méréshatárai +/- 250A és ez akarom olyan +/- 10A -re szűkíteni ha lehet.
Az attól függ. Kell lenni benne egy durung nagy söntnek, azt kell másikra cserélni és úgy jó lesz kisebb áramra is. Az más kérdés, hogy hol szerzel bele másikat . . .
Sziasztok!
Tud valaki egy tranzisztoros oszcillátort? Csak kondenzátor, ellenállás, és tekercs lehet benne. Szinusz jelet adjon ki magából. Előre is köszönöm.
Szia!
Muszáj, hogy tekercs is legyen benne? Addig is: fázistolós oszcillátorok.
Köszönöm. Iskolában valamiért ez nem akart működni.
Vannak még ilyen fázistolós kapcsolások, próbálkozz több félével. Ha a tranzisztornak kicsi az áramerősítési tényezője, akkor sem tud stabilan berezegni a rendszer.
Sziasztok.
Neoncsőhöz használt kondenzátort lehet használni vill motorhoz?természetesen üzeminek.Ma kaptam pár db 14 mikrósat.Köszönöm a válaszokat.
Ha fénycső-kondenzátor, akkor lehet, hogy jó, de kérdés, hogy az adott motorhoz ugyanez a kapacitás kell-e(a motor adattábláján rajta kell lennie, hogy mekkora kapacitású kondit kíván)?
Szia! Mi építettünk gyakszin egy ún. Meissner-oszcillátort. Fazékmagra készült, néhány kHz-et adott, meg elég jó szinuszt. Tranyó BC 301 volt földelt emitteres kapcsolásban. Igyekszem előásni a rajzot, meg kell, hogy legyen.
Helló laacika!
Neoncsőhöz szerintem nem használnak kondenzátort. Azt 2.7kV-os trafóval hajtják (bár a trafó előtt lehet épp kondi). A neoncső narancsvörös fénnyel világít és reklámvilágításra használták (főleg régebbi időkben). Te nyilván fénycsőre gondoltál. Használhatod a kondiját motorhoz, csak kell egy vödörrel belőle. Ha a motor több kW. akkor esetleg több vödörrel...
Szia!
Köszönöm! Szóval, ehhez elektronikai is kell? azt hittem, ráeresztem az áramot labortápról, aztán hadd szóljon...
Sziasztok,
A mellékleten egy PLC bemenete látható optocsatolóval. A kérdésem az lenne, hogy az ellenálásokat és a kondenzátort mi szerint méretezzük? R1 -et azt gondolom a diódára. Én kerek 1kohmot számoltam, az eredeti szerekezetben 3.3k van. R2 elvileg 81ohm, de nem is értem miért van ott C1 -el eggyütvéve? Továbbá R3 az 1kohm, de azt se tudom miért? Továbbá az a 74HCT365D egy műveleti erősítő volna? Az miért kell oda? A válaszokat előre is köszönöm: Gergő
Az integrált áramkör nem műveleti erősító (bár az is lehetne) hanem a digitális áramkörök családjába tartozó (74 xxxx) buffer (teljesítmény erősítő) áramkör. Szerepe az optocsatoló tranzisztoráról vett jel formálása, erősítése kis kimeneti impedanciára, nagy terhelhetőségű TTL szintre.
A másik oldalon az érzékelő (vagy bármi amit odakötsz érzékelőként) az optocsatoló diódáját meghajtó áramkör. Mivel a foto diódák (gyakorlatilag egy LED) áramár korlátozni kell, és a záró irányú feszültségük is általában 5 V körüli, fordított polaritás ellen védeni kell. Az R1 a dióda áramát korlátozza, az R2 ellenállással feszültség osztót alkotva, a dióda elvégzi a fordított polaritás elleni védelmet, az R2C1 komplexum zavarszűrést végez, az R3 a fototranzisztor munka ellenállása. Az optocsatoló LED diódáján nem kell nagy áramot átengedni, általában 1 - 2 mA -t, de nézd meg az adatlapját. Ugyanígy a fototranzisztor kollektorába az ellenállást úgy kell megválasztani, hogy ne legyen se kicsi, (a max kollektor áram miatt), és túl nagy, hogy üzembiztosan meg tudja hajtani a buffer bemenetét, mint terhelést. A buffer bemenete egyenáramúlag is terheli az optotranzisztor kimenetét. A hozzászólás módosítva: Szept 17, 2013
Segítségre lenne szükségem, sajnos költözés miatt már nem férek hozzá a műhelyhez.
Egy olyan megoldásra lenne szükségem ami egy Android-os telefonhoz egy szinti kötését megoldja. Ha jól olvastam akkor egy headset-ből meg lehet oldani, hogy a mikrofonja helyett egy jack aljzat legyen és oda egy mezei szintit rá lehessen kötni. (Pontosabban annak van egy fejhallgató kimenete bár az van ráírva, hogy headphone/line-out). Pár ellenállás stb... (Már kapcsolási rajzot is kaptam hozzá, de sajnos a kivitelezést nem tudom megoldani).
Köszi válaszod,igen fénycsőre gondoltam,és álltalába szokott kondi lenni a trafó előtt!
14 mikrós amiket kaptam,szóval kissebb motorokhoz 400-500-600w-osakhoz tökéletesen megfelel ha rá akasztok egy db-ot,vagy ha egy kicsit nagyobb a moci akkor 2db ot,elfér rajta,kicsik a kondik (nem a régi 4 mikrós fémházas nagy batárról van szó),ügyes kis fehéz műanyag.
Hello! Nyugodtan megteheted azt is, nem kell semmi, csak bírja a táp. De egy mezei trafó is jó, ha illeszkedik az ellenállás huzalhoz. Maximum ugyan abból a ellenállás anyagból előtét ellenállást is csinálsz hozzá, ha sok a fesz.. üdv!
Szia,
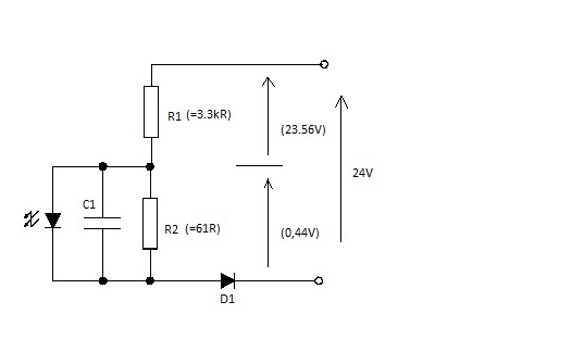
Először is köszönöm a válaszod. Ugyanakkor értem is meg nem is. Az elsődleges probléma, hogy nem tudom értelmezni az adatlapt. Mellékelem képként az adatlap 2 táblázatát (+az eredeti adatlapot is). Ami számunkra fontos (ha jól értelmezem), az az also. Ez alapján az optokapu ledje 1mA -t igényel és 1.1V -on? Az 1.1V az nem kevés neki? És mit jelent az 5V záró irányú feszültség? Az meg sok egy lednek nem? Továbbá megnéztem a PLC -ben milyen értékű ellenállások vannak berakva. R1 -nek 3.3k, R2 -nek pedg 61ohm. Ha ezeket rakom be akkor a led -re csak 0.44V esik, az meg biztos kevés. Egyszóval milyen áramra és feszre méretezzem a ledet szerinted?
Hello!
Nem jól értelmezed. Az infra Led az optóban olyan mint bármelyik másik Led. Soha nem a feszültség számít, mert alapvetően nem azzal, hanem az áramra működik. Egy adott áram, a diódán egy adott feszültséget állít be. (Mint egy ellenálláson, csak ez éppen a feszültség és az áram itt nem lineáris összefüggésű, mint ellenállás esetén.) - Vagy is az adatlap azt "mondja", hogy 1mA "IF" Led-áram a Led-en 0,9..1,2V nyitófeszültséget hoz létre. - A feszültség csak annyiban számít, hogy az előtét ellenállás meghatározásánál, tudjunk számolni a Led feszültségesésével. - Amikor a Led-re fordított polaritású feszültség kerül, (ekkor ugyebár nem fog világítani, és áram sem folyik a diódán) annak maximális értéke 5V lehet, ha nem szeretnénk, hogy károsodjon a Led. - A PLC-ben biztos hogy nem 61ohm-os ellenállás van, hanem legfeljebb 610ohm-os. Vagy is a PLC bemeneten folyó áramot legfőképpen a 3,3kohm határozza meg. Ha kiszámoljuk, akkor ki kell számolnunk az ellenállásra jutó feszültségesését. UR=Ut-Ud-Uled=24V-0,7V-1,1V=22,2V Íg az áram IR=UR/R=22,2V/3,3k=6,7mA. Ez az áram fog átfolyni a Led-en és az 610ohm-os ellenálláson. Mivel a Led szinte határolja a feszültséget mint egy stabilizátor, azon hozzávetőlegesen meg lesz az 1,1V. Így a párhuzamos ellenálláson folyó áram 1,1V/610ohm=1,8mA lesz. Vagy is a 6,7mA bemenőáramból így a Led-en kb. 5mA áram fog folyni. Ami nem tilos, hiszen az adatlap szerint annak maximuma 20mA. - Felmerülhet a kérdés, miért van párhuzamos ellenállás a Led-en. Azért, hogy a 24V-ra szánt bemeneten, legyen valami zavarvédelmi sáv. Vagy is egy minimális bementi feszültség alatt, ne folyjon a Led-en áram. Ha feltételezzük, hogy ha a Led-re a feszültségosztóról (3,3k/610ohm) nem jut még 1V feszültség sem a diódára, akkor azon nem folyik áram. Azt már tudjuk, hogy a 610ohm-on akkor lesz 1,1V feszültség, mikor 1,8mA folyik rajta át. Vagy is ekkor a 3,3kohm-on eső feszültség, 1,8mA*3,3k=6V. Vagy is 6V bementi feszültség alatt, a Led-en enm is folyhat áram.. Remélem ez alapján, már értelmezni tudod a méretezést.. üdv!
azt leírná valaki, hogy a nem szimettrikus tápról ellátott ic-t hogy kell bekötni, mert megcsináltam a rajzot és működik is, csak tudni szeretném hogy hogy számoljam a féltápfeszt (próbáltam feszültségosztót, de valamiért rosszul sikerült, csak búgott az áramkör; valamint a lenti áramkörbe nem értem a kondenzátor szerepét ami a 0V felől tart a nem invertáló lábhoz) és a többi alkatrészről néhány szót, mert nem találtam érthető leírásokat.
köszönöm! a köv. építésem egy olyan áramkör lenne amiit gitárba szeretnék tenni, egy 3 sávos hangszínszabályzó... (csaknem tudom ellátni az ic-t táppal)
A felső táblázatban az abszolút maximális adatok vannak. Ha ezeket túlléped, tönkremegy.
Ezeket a legszélsőségesebb esetben sem lehet, még csak megközelíteni sem. Az alsó táblázatban üzemi adatok vannak felsorolva. A LED -nek nem 1mA -re van szüksége, 1,1 V -on, hanem HA 1 mA folyik át, akkor 1,1 V esik rajta. A két megfogalmazás nem ugyanazt jelenti. Tehát a LED előtti komplexumot úgy kell méretezni, hogy a diódán 1 mA folyjon, és fordított vezérlőjel esetén se legyen rajta 5 V -nál nagyobb feszültség. Ha 24 V esetén 0,44 V -ot mérsz a LED -en, az biztos kevés lesz neki. De biztos, hogy 24 V megy be, nem lehet, hogy valami rövid, de nagyobb amplitúdójú impulzus? Pl egy induktív érzékelő? Ezt már nem tudom, ehhez nem értek.
Szia!
Éppen az a kondenzátor szűri ki a brummogást.
Hello!
- Sokat számolni nem kell, mert két azonos értékű ellenállás, pont felére osztja a tápot. Amúgy ez is feszültség osztó. - A kondi azért kell, mert a tápfeszültségen lévő esetleges zavarfeszültséget is felére leosztva bevezeti a bemenetre az osztó. Az meg felerősítve megjelenik a kimeneten. A kondi azért kell, hogy az osztó alsó tagját váltóáramilag söntölje. Népszerű nevén ezt, "hidegítésnek"hívják. Kicsit el kellene merülni a soros-párhuzamos kapcsolások kondenzátor reaktanciájának rejtelmeibe, ha már műveleti erősítőkkel szeretné foglalkozni. üdv! A hozzászólás módosítva: Szept 17, 2013
Sziasztok!
Meg tudnátok mondani mivel tudnám ezt helyettesíteni? Link Előre is köszönöm! A hozzászólás módosítva: Szept 17, 2013
-ha tudnál javasolni valami jegyzetet, vagy kulcsszavakat h mire kerressek rá, akkor nem írkálnék fölöslegesen (és köszönöm a segítséged)
(eddig ilyeneket néztem hogy tranzisztoros erősítő tervezés tutorial: http://www.electronics-tutorials.ws/amplifier/amp_2.html ; és a borbély gábor - elektronika I-II) meg csinálgattam áramköröket csak nem tudatosan hanem kísérleti jelleggel A hozzászólás módosítva: Szept 17, 2013
Köszi szépen, nem tudom miért nem akadtam rá....
Hello! Én nem igazán szoktam már keresgélni a hálón ilyesmit, de itt a fiúknak már volt sok-sok ajánlatuk. És remélem lesz is.. Könyvek meg már nem igazán beszerezhetőek.. (gondolom én) üdv!
Sziasztok,
Köszönöm a válaszokat! Továbbá akkor kérlek titeket nézzétek meg, a leírtak alapján jól gondolkozom -e? Szóval szétszedtem a kapcsolást, hogy jobban tudjam értelmezni. Ut = Ud = UR2 = UR1. Amit tudunk, hogy Ut = 24V, Ud = 0.7V, UR2=Uled = 1,1V és hogy Iled = 1mA, azaz 1mA -nek kell átmennie az optocsatoló ledjén. Ezek után önkényesen választottam egy 3.3k értéket R1 -nek. Ezután kiszámoltam UR1 -et, IR1 -et és IR2 -őt. Ezek után meg tudtam hazározni R2 -őt amiből szabványosat választva 200ohmot kaptam. Számoltam még teljesítményt is és R1 -hez egy félwattos, R2 -höz meg negyedwattos bőven jó. Ez így helyes? |
Bejelentkezés
Hirdetés |




azt hittem, ráeresztem az áramot labortápról, aztán hadd szóljon... 



(eddig ilyeneket néztem hogy tranzisztoros erősítő tervezés tutorial:






