Fórum témák

» Több friss téma
Fórum » Elektronikában kezdők kérdései
- Ez a felület kizárólag, az elektronikában kezdők kérdéseinek van fenntartva és nem elfelejtve, hogy hobbielektronika a fórumunk!
- Ami tehát azt jelenti, hogy a nagymama bevásárlását nem itt beszéljük meg, ill. ez nem üzenőfal!
- Kerülendő az olyan kérdés, amit egy másik meglévő (több mint 17000 van), témában kellene kitárgyalni!
- És végül büntetés terhe mellett kerülendő az MSN és egyéb szleng, a magyar helyesírás mellőzése, beleértve a mondateleji nagybetűket is!
Lapozás: OK   2123 / 4062
(#) zolika60 válasza maria hozzászólására (») Szept 29, 2013 /
 
Milyen kicsit? Ilyet vagy ilyet. Aztán feszültséget vagy áramot?
(#) maria válasza zolika60 hozzászólására (») Szept 29, 2013 /
 
ilyet
azt hogy mekkora ellemet kell hoza kapcsolni hogy menjen de magakarom hatarozni hogy menyi a legkevesebb!!!
(#) bbalazs_ válasza maria hozzászólására (») Szept 29, 2013 /
 
Ez fugg a motor terhelesetol is, de alapesetben ezt egyszeru meressel nem tudod megallapitani. hozza kell kotni az elemet es forog vagy nem.
Ezek egyenaramrol mennek, de a valto reszen nincs is 20V-os mereshatar.

Legy szives, a VALASZ gombbal valaszolj a hozzaszolasra es tartsd be a helyesiras alapveto szabalyait.

szerk: A kep alapjan valoszinuleg 3.7V koruli a motor. Talan 2V-rol meg elindul, szerintem masfelrol mar nem. A pirosat az elem pozitiv polusara, a keket a negativra tedd.
A hozzászólás módosítva: Szept 29, 2013
(#) elektromos hozzászólása Szept 30, 2013 /
 
Sziasztok!
Kérem szépen, hogy aki tud műszaki angolt jól fordítani magyarról angolra, kérem szépen segítsen megírni pár kisebb levelet. Egy nyáktervező cégnek szeretnék jelezni pár hibát, de amit írok nekik, nem értik. Sajnos az én Angol tudásom elég gyengécske.
(#) mindenes válasza maria hozzászólására (») Szept 30, 2013 /
 
Üdv!Először is helyesen kellene megtanulnod írni magyarul, úgy ahogy sokan mások már megtették itt, és a mondatokat nagy betűvel kezdeni. Mennyivel szebben nézne ki egy mondatod mint ahogy most van.Nem egy nagy dolog ez bármennyire is annak tűnik..
sziasztok- Sziasztok meg muszer- Műszer. A kérdésedre a válaszolók is szívesebben válaszolnak majd, szerintem . És próbálj meg kicsit konkrétabban fogalmazni hogy mit is szeretnél
Idézet:
„hogy hogy lehetne megmerni ilyen kis motor, hogy hány voltal is müködhet es a tobbi funkcioit???
mert hogy ez mi akarna lenni azt csak találgatni lehet..
A hozzászólás módosítva: Szept 30, 2013
(#) resystance hozzászólása Szept 30, 2013 /
 
Sziasztok! Feszültséget szeretnék stabilizálni. Megépítettem az alábbi kapcsolást, de több sebből vérzik a tudásom, meghalt a potim. Kérdésem, hogy a zénernek melyik paraméteréhez kell méretezni az R ellenállást, ha az adatlapot nézem: PDF 3. oldali táblázat
Másik kérdésem, hogy mekkorának kell lennie a P potinak?
Ube=10V
A hozzászólás módosítva: Szept 30, 2013

fesz-stab.jpg
    
(#) kadarist válasza resystance hozzászólására (») Szept 30, 2013 /
 
Szia!
Információ: Bővebben: Link
A hozzászólás módosítva: Szept 30, 2013
(#) resystance válasza kadarist hozzászólására (») Szept 30, 2013 /
 
Ó ez mintha pont arról szólna. Köszönöm!
(#) kadarist válasza resystance hozzászólására (») Szept 30, 2013 /
 
Jó áramkörépítést! És bizony, nem árt egy erősítőt (+1 tranzisztor) betenni a Z-dióda kimenetére.
(#) prebuds hozzászólása Szept 30, 2013 /
 
Sziasztok!

Réz vezetéket szeretnék különböző apró nyomógombok füleihez forrasztani. Házilag barkácsolt, pár ceruzaelemes rendszerről van szó... Mit ajánlotok erre a célra? Ónos forrasztást?

Ez a forrasztó jó lesz a célra? Bővebben: Link

köszönöm a segítséget!
(#) SzervízMacska válasza prebuds hozzászólására (») Szept 30, 2013 / 1
 
Fogadjunk, hogy ezt már kérdezted valahol?? Nem is olyan régen...

Amúgy, ha van forrasztàsi gyakorlatod, simán jó, de ha nincsen, el fogod olvasztani vele az apró kis füleket, meg a vezeték szigetelését is.
A hozzászólás módosítva: Szept 30, 2013
(#) zolika60 válasza prebuds hozzászólására (») Szept 30, 2013 /
 
Nem ismerem a konkrét pákát, de ha forrasztásra alkalmas ezzel a feladattal is megbirkózik.
(#) prebuds hozzászólása Okt 1, 2013 /
 
Macska: forrasztottam már, csak vacak forrasztoval eddig... És arra nem kaptam választ, az ónon kívül van e jobb anyag e célra. Az usaban pl hot gluet használnak, ami nem tudom, hogy mi pontosan, utána olvasva sokféle forraszto anyag létezik
(#) pucuka válasza prebuds hozzászólására (») Okt 1, 2013 /
 
Elektronikus áramköröket lágyforrasszal forrasztunk. Ennek neve forrasztó ón ugyan, de ez egy ón - ólom ötvözet, a közepében egy csatornában folyatószer is található. Ezt kell használnod. (a vízvezeték szerelés, és bádogos munkákhoz használatos lágy forrasz anyag nem használható, és a hozzájuk használt folyatószer sem) Van ugyan újabban ólommentes forraszanyag is a környezetvédelmi okok miatt, ezzel azonban nehezebb boldogulni, legalábbis egy kezdőnek.
A másik forrasztás fajta, a kemény forrasz, ilyet az elektronikában nem használunk.
A hozzászólás módosítva: Okt 1, 2013
(#) bbalazs_ válasza prebuds hozzászólására (») Okt 1, 2013 /
 
Az USA egy csodalatos orszag. Ott az alacsony olvadaspontu muanyaggal is tudnak forrasztani...
A hot glue egyebkent a magyar szakzsargonban elterjedt melegragaszto, aka "Takonypisztoly". Vezetekek es elektronikai komponensek MECHANIKAI rogzitesere hasznaljak.
(#) DUCIJUCI hozzászólása Okt 1, 2013 /
 
Sziasztok.
Csupán a kiváncsiságomat szeretném kielégíteni. Már több éve használok akkuról LM317 és LM 338-at kisebb értékű fesz.szabályozásra. Egyszerűen két ellenállással beállítom a kimenő feszt. Szinte minden rajzon látok még két kisebb kondit is, de ezeket én nem forrasztottam be egyikbe sem. Mégis működik mindegyik. Most kell bele vagy sem. Ha kell bele, akkor mit kellene tapasztalnom a hiányuk miatt? Esetleg jobban melegszik vagy valami?
Előre is köszi.
(#) proli007 válasza DUCIJUCI hozzászólására (») Okt 1, 2013 /
 
Helle! Nem, előfordulhat, hogy egyes gyártmányok gerjednek a kondi nélkül. üdv!
(#) DUCIJUCI válasza proli007 hozzászólására (») Okt 1, 2013 /
 
Tisztelt Proli007!
A gerjedés mit jelent? Teljesen elmászik a beállított értékről? Akár lefelé, akár felfelé, vagy csak kicsit instabil lesz?
(#) proli007 válasza DUCIJUCI hozzászólására (») Okt 1, 2013 /
 
A gerjedés az, hogy a bent lévő szabályzó erősítő nagyfrekvenciásan gerjed (rezeg). Ettől a kimeneti feszültség is (bár kis mértékben) megváltozhat. De pozitív stabilizátorokra ez kevésbé jellemző, mint a negatívakra. Azok gerjedékenyebbek.
(#) DUCIJUCI válasza proli007 hozzászólására (») Okt 1, 2013 /
 
Tisztelt Proli007!
Bár eddig nem vettem észre semmit, de most megint egy LM338-at állítok be 14,4V-ra. Mekkora kondikat javasolsz a be és kimenetre? Biztos, ami biztos.
(#) proli007 válasza DUCIJUCI hozzászólására (») Okt 1, 2013 /
 
Soha nem engem, vagy mást kell megkérdezni, hanem meg kell nézni az adatlapot. Az a mérvadó!
(#) DUCIJUCI válasza proli007 hozzászólására (») Okt 1, 2013 /
 
Köszönöm!
A választ is, a segítséget is.
A hozzászólás módosítva: Okt 1, 2013
(#) Addye hozzászólása Okt 1, 2013 /
 
Sziasztok!

Az alábbi kapcsolásban az 1N4002 helyett használhatok 1N4004-ez is, ugye?

Bővebben: Link
(#) proli007 válasza Addye hozzászólására (») Okt 1, 2013 /
 
Hello! Természetesen.. A 04-nek nagyobb a zárófeszültsége, ez csak ott lényeges, ahol nagyobb feszültséget kell egyenirányítani. üdv!
(#) Addye válasza proli007 hozzászólására (») Okt 1, 2013 /
 
Köszönöm a gyors választ!
(#) Addye hozzászólása Okt 1, 2013 /
 
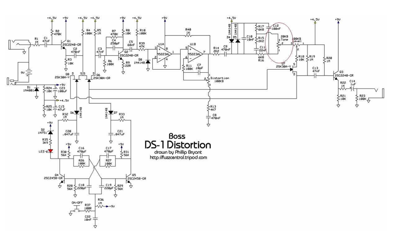
Ne haragudjatok, hogy egymás után 2 alap kérdést teszek fel, de biztos szeretnék lenni benne. A következő kapcsolásban egy 20K LIN potméter állítja a hangszínt, viszont sehol nem találok ilyet, csak 10K-s potmétert. Helyettesíthető vele? Ha igen, akkor jelentősen hallható lesz a különbség?
A hozzászólás módosítva: Okt 1, 2013

boss ds1.jpg
    
(#) proli007 válasza Addye hozzászólására (») Okt 1, 2013 /
 
Hello! A körben az ellenállások értékét felére, a kondikét kétszeresére kel választani, akkor minimális eltérés lesz.
R14=R15=1k, R16=R17=3,3k, C9=1uF, C11=47nF, C12=220nF..
üdv!
(#) calebra05 hozzászólása Okt 1, 2013 /
 
Sziasztok!

Egy olyas kérdésem lenne, hogy mintavételezési időből hogyan számolunk maximális frekvenciát?

Köszi!
(#) Addye válasza proli007 hozzászólására (») Okt 1, 2013 /
 
Köszönöm! A C10 értékét is meg kell növelni 22nF-ra?. Tehát akkor csak a következő alkatrészek értékét kell megváltoztatni:

R14, R15, R16, R17, C9, C10, C11, C12
A hozzászólás módosítva: Okt 1, 2013
(#) pucuka válasza calebra05 hozzászólására (») Okt 1, 2013 /
 
Következő: »»   2123 / 4062
Bejelentkezés

Belépés

Hirdetés
XDT.hu
Az oldalon sütiket használunk a helyes működéshez. Bővebb információt az adatvédelmi szabályzatban olvashatsz. Megértettem