Fórum témák

» Több friss téma
Fórum » Elektronikában kezdők kérdései
- Ez a felület kizárólag, az elektronikában kezdők kérdéseinek van fenntartva és nem elfelejtve, hogy hobbielektronika a fórumunk!
- Ami tehát azt jelenti, hogy a nagymama bevásárlását nem itt beszéljük meg, ill. ez nem üzenőfal!
- Kerülendő az olyan kérdés, amit egy másik meglévő (több mint 17000 van), témában kellene kitárgyalni!
- És végül büntetés terhe mellett kerülendő az MSN és egyéb szleng, a magyar helyesírás mellőzése, beleértve a mondateleji nagybetűket is!
Lapozás: OK   2127 / 4062
(#) proli007 válasza noris hozzászólására (») Okt 5, 2013 /
 
Hello! Tessék! De marad az eredeti válasz is, hogy a 0,9V ÉRTELMETLEN egy PIC kimenetén.. üdv!

0V9-PWM.png
    
(#) laszlo raduj válasza pucuka hozzászólására (») Okt 5, 2013 /
 
Roszul erteted/irtam, mikrofonak hasznalnam 70-80 meteres vezetek vegen.
(#) kadarist válasza zilahi hozzászólására (») Okt 5, 2013 /
 
Persze, hogy meg lehet táplálni, de akkor néhány ellenállás értékét le kell csökkenteni.
(#) noris válasza noris hozzászólására (») Okt 5, 2013 /
 
Bocsánat!
A kétségbeesés szülte!
(#) noris válasza proli007 hozzászólására (») Okt 5, 2013 /
 
Köszi!
Jövő héten kipróbálom, bár lehet, hogy minden van hozzá itthon.
A pic-et én sem értem.
Direkt vettem egy másik programozót próbaképpen(k150 usb-s), meg 5db 12f675-öt.
Az eredmény u.a. csak 1V körüli értéket modulál(szkóppal mérve).
Valamit nagyon nem jól csinálhatok.
A fenti kapcsolás azért is jó lesz, mert ha tönkrementek a pic-ek kimenetei, akkor is használhatom így.

ui:
Le tudom tesztelni a pic-et valahogy?
(vadásszak pwm-es hex fájlt?)
(#) proli007 válasza noris hozzászólására (») Okt 5, 2013 /
 
Le tudod tesztelni. Bekapcsolod azt a kimenetet ahol majd a PWM jön ki és megméred a feszültséget.
(#) vicsys válasza noris hozzászólására (») Okt 5, 2013 /
 
Nem akarok belevau, de ha a PIC-ed +5V-ról jár, akkor bizony közel tápfesz nagyságú a négyszögjeled. Ha nem így van, akkor vagy hibás a mérés (méréshatárváltó, 10-es osztó, stb...), vagy hibás a műszer, vagy van valami a PIC lábán ami beterheli.
Tedd a szkópodat a tápfeszre. Ott is 1V-ot mérsz?
(#) deafcsaba hozzászólása Okt 6, 2013 /
 
Hogyan kell összekötni a 9 voltos motorral a Potenciométerrel

9 voltos motorral össze szeretném kötni a potenciométerrel
és nem tudom hogy milyen tipus poteciométer kell a 9 voltos motoral hogy
tökéletesen működjön és haly voltos elemmel ajánljátok?
(#) Buvarruha válasza deafcsaba hozzászólására (») Okt 6, 2013 /
 
Ez kemény. A mondat egyetlen szavának sincs értelme. Próbáld újrafogalmazni.
(#) deafcsaba válasza Buvarruha hozzászólására (») Okt 6, 2013 /
 
Én ennél jobban nem tudok leírni mert én hallássérült vagyok.
Megpróbálom, van nekem egy 9 voltos motor 4 szál dróttal áll és össze szeretném kötni a potenciométerrel. Azt akarom hogy Szabályozható legyen ne menjen mindig nagy fordulaton. Anak hány voltos elem kell hozzá?
(#) Kastler válasza deafcsaba hozzászólására (») Okt 6, 2013 /
 
Szerintem nézz szét ebben a topicban.
(#) proli007 válasza deafcsaba hozzászólására (») Okt 6, 2013 /
 
Hello! Igazából nem fogunk tudni válaszolni rá, mert nem tudható, milyen lassan megy majd a motor (mekkora fordulatszámesését vársz el), változik-e a terhelés, és közben még hogy hány voltos elem is kell. De..
- Nyilván ha a motor 9V-os, és lassabban akarod járatni, akkor az elem feszültsége célszerű ha 9V-nál kisebb.
- Potméterrel általában nem lehet motort szabályozni, mert a motoráram elég nagy szokott lenni (mondjuk nem írtad mekkora). Vagy is kis ellenállású és nagy teljesítményű huzal-potenciométerre lenne szükség. Vagy is legalább egy tranyóval kell a poti áramát(feszültséget) felerősíteni. Akkor már legalább valamire használható.
- Túl erősen nem lehet a fordulatot csökkenteni mert a motornak egyéb paraméterei is vannak, vagy el sem indul, vagy nem terhelhető vagy rángatni fog. Ezekből bármelyik, vagy mindegyik. Lassú egyenáramú motornak sokszeletes a kommutátora. Játék motoroknak meg általában három..
- Feszültség csökkentéssel általában a nyomatéka is omlik a motornak. Vagy szabályzó áramkör kell, ami egy adott tartományban tudja ezt kompenzálni, vagy PWM szabályzó (igazából vezérlő).
- A 4 szál drót hol van? A motorból jön ki annyi, vagy a potiról, vagy a kezedben van? Egyszerű egyenáramú mágneses állórészű motornak csak két kivezetése van. Ha az állórész gerjesztése tekercsel van megoldva, akkor négy kivezetés van. De ezek általában nem 9V-os motorok. BLCD motornak általában 3 kivezetése van és háromfázisú vezérlőt igényelnek. Egy léptető motornak lehet 4 kivezetése, de annak működtetéséhez elektronika kell, semmi képen nem egy poti.
üdv!
A hozzászólás módosítva: Okt 6, 2013
(#) pucuka válasza deafcsaba hozzászólására (») Okt 6, 2013 /
 
Általában semmilyen motor fordulatszámát nem lehet üzemszerűen potméterrel szabályozni. Még az általánosan használt kis egyenáramú modellmotor (külső gerjesztésű egyenáramú motor) fordulatszámát se.
Minden motor árama terhelésfüggő. Ezért ha vele sorba ellenállást (potméter) teszel, a terhelés miatt megváltozó áram erősen változik, ezzel együtt a motorra jutó feszültség is. Mindenképpen szükséges a motor, és a potméter közé olyan elektronikát iktatni, aminek a belső ellenállása sokkal kisebb, mint a motoré.
Ezért küldött Kastler fórumtárs a PWM vezérlés topikba. Kicsit bonyolultnak tűnik, de nincs sok más lehetőség.
A hozzászólás módosítva: Okt 6, 2013
(#) Lázár Péter hozzászólása Okt 6, 2013 /
 
Üdv. Egy apró problémába ütköztem javítás közben. Egy sztereó potmétert kellett kicserélni. Ezzel nem is lenne probléma, csak az a fura, hogy az eredeti potméter lábkiosztását hasonlónak találtam mint a mai új potméterek elvileg szabványos kiosztását mégis a készülék előlapján fordítva van a hangerő tekerés erősségének a jelzése, és tekerni is fordítva kell. Azaz a csere így jelenleg sikeres, csak a hangerőállítás pont fordított. Nincs a gyári potméterben semmilyen áttét ami okozná ezt, egytengelyes. A kérdés egyszerű, ha a csere potméter ki és bemeneti lábait felcserélném, működne fordítva? Vagy hagyjam így és békéljek meg vele? Köszi előre is.
(#) kadarist válasza Lázár Péter hozzászólására (») Okt 6, 2013 /
 
Szia!
A két szélső láb bekötését cseréld meg.
(#) Lázár Péter válasza kadarist hozzászólására (») Okt 6, 2013 /
 
Köszi szépen, neki is állok.
(#) noris válasza vicsys hozzászólására (») Okt 6, 2013 /
 
Elvileg.
Az 5,6,7 lábon nincs semmi(a méréskor).
A szkóp vezetéket(tizes osztásban)egyenként kötöttem az 5,6,7 lábra.
5 és 7 lábon 0,5V-ot mérek, 6-os lábon 0,1 V-ot(V p-p).
A tápfeszen is 0,5 V-ot mutat a szkóp.
Ötletem sincd hogyan és miért.
(#) vicsys válasza noris hozzászólására (») Okt 6, 2013 /
 
Ha 0,5V-ot mutat és tizes osztó van a fejben akkor minden okés: 05Vx10=5V. Ehhez igazodj.
(#) storm hozzászólása Okt 6, 2013 /
 
Sziasztok!
Meg tudja nekem valaki mondani, hogyha induktivitást akarok készíteni akkor milyen képlettel tudom kiszámítani az induktivitás végső értékét (L)? Olyan képlet kellene amiben szerepel a huzal vastagsága a tekercs vastagsága illetve a menetszám is.
(#) vargaf válasza noris hozzászólására (») Okt 6, 2013 /
 
Szia!
Az oszcilloszkópod DC mérés állásban van? Ha igen, akkor rossz lehet a szkópod, vagy osztót használsz. Ha AC állásban mérsz, akkor szűretlen a tápegységed, 0,5 V váltakozó feszültség nem lehet az egyenirányított és szűrt tápon. Ha feszültségstabilizátort használsz van-e a stab. IC lábain rövid vezetékkel bekötött 100 nF gerjedésgátló kondenzátor?
Üdv.: Feri
A hozzászólás módosítva: Okt 6, 2013
(#) pucuka válasza storm hozzászólására (») Okt 6, 2013 /
 
A fórum "Segédprogramok" részében körülnéztél?
(#) storm válasza pucuka hozzászólására (») Okt 6, 2013 /
 
Ott nem, akkor ha jól sejtem nekem a 3-as kell ha légmagos tekercset akarok csinálni ugye?
(#) noris válasza vicsys hozzászólására (») Okt 6, 2013 /
 
Csak az 5-ös és 7-es lábon 0,5V.
A 6-os lábon 0,1V.
(#) noris válasza proli007 hozzászólására (») Okt 6, 2013 /
 
Bocsánat!
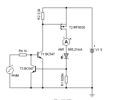
a 820m milyen ellenállást takar(R1)?
(#) pucuka válasza storm hozzászólására (») Okt 6, 2013 /
 
Oda vagyon írva . . .
(#) proli007 válasza noris hozzászólására (») Okt 6, 2013 /
 
Hello! Az 820 milliohm vagy is 0,82ohm. Ez határozza meg a Led maximális áramát és a dióda bázis-emitter nyitófeszültsége. kb. 0,6V/0,82ohm=730mA üdv!
(#) etm hozzászólása Okt 7, 2013 /
 
Sziasztok! Kellene nekem ötlet,hogyan tudnám megvalósítani,hogy egy 6 Voltos kis izzót egy nyomógombbal(aminek csak egy pár érintkezője van) bekapcsoljak és világítson,míg másodszori megnyomásra kikapcsoljam. Köszönöm!
(#) kadarist válasza etm hozzászólására (») Okt 7, 2013 /
 
Szia!
A téma itt van: Bővebben: Link
(#) etm válasza kadarist hozzászólására (») Okt 7, 2013 /
 
Bocsánat!
(#) noris válasza proli007 hozzászólására (») Okt 7, 2013 /
 
Köszönöm!
Megvettem a Hestorban az alkatrészeket.
0,8 Ohmos lessz az ellenállás (2*1,6).
Jelzek, ha kész vagyok.
Következő: »»   2127 / 4062
Bejelentkezés

Belépés

Hirdetés
XDT.hu
Az oldalon sütiket használunk a helyes működéshez. Bővebb információt az adatvédelmi szabályzatban olvashatsz. Megértettem