Fórum témák
» Több friss téma |
Szia! Ez a meghibásodás köthető valamilyen előzményhez ami kiváltotta? Három műveleti erősítő egyidejű elpusztulása figyelemreméltó.
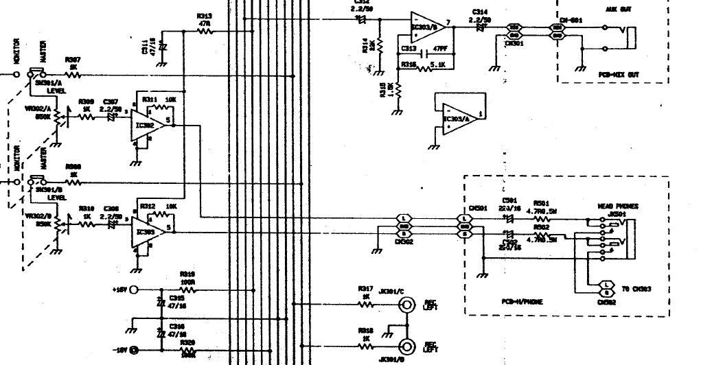
OPA után van még egy ellenállás meg egy kondenzátor. Csatoltam rajzot, elég rossz minőség, de ilyen van csak.
29V jut a OPA bemenőjére, ami belefér a specifikációba.
Szkóphoz most nem férek hozzá, nélküle, tudok valamit ellenőrizni?
Bemenője? a 8-as és a 4-es lábon mértél? Amúgy akkor nem lesz jó az NE5532 túl sok lenne neki a tápfeszültség, de az LM 258N lehet hogy alkalmas lenne legalábbis adatlap szerint.
Szia,
Semmi különös eseményt nem tudnék felidézni, kb 10 éves, eddig ennek tudtam be. De lehet mélyebbre kell ásni...
±16 or 32V LM 258N
±22 NE5532, nem lehet hogy mégis jó lenne, csak az adatlapon a táplálás jelölése más? De javíts ki ha tévedek, nem akarok OPA pusztító lenni
Nem hinném, hogy más lenne viszont az LM az 16-32V-ig lehet az NE csak 22V-ig bár én sem vagyok 100%-ig biztos.
szimmetrikus és aszimmetrikus táplálás a két érték.
Az OPA-ra jutó feszt tudom így is mérni, hogy +14.9V -15.3V
Tényleg
bocs elnéztem. Viszont így igazad van. Szerintem meg lehetne próbálni 5532-vel.
Köszönöm a megerősítést
![]() Teszek egy próbát 5532-el nem olyan drága, és könnyebben beszerezhető. IC tokba teszem, aztán majd alakul az ügy. Köszönöm mindenkinek!
A csatolt rajzon egészen más jellegű műveleti erősítő hajtja meg a fejhallgató kimenetet. Nem erről van szó?
Jó az észrevétel!
A típus ugyanaz, de ez a rajz későbbi mint az én készülékem gyártási ideje. A huzalozás szinte teljesen stimmel, de pl. az enyémen a 6.3-as jack aljzat nem kapcsol semmit. Nem kizárt, hogy konstrukciós hibás az enyém, és találtak egy jobb OPA-t, mint amit az enyémbe építettek. Van a rajzon egy táblázat az IC-kről, de nem kivehető a típus sajnos, teljesen elmosódott. Ezt a rajzot tudtam szerezni a gyárból.
Az tűnt fel, hogy 3-as be, 5-ös ki lábkiosztás az LM386-ra hajaz
Érdekességképpen csatolom a "táblázatot"
A második sor az érdekes, az még kivehető ic302 303 És az a helyzet simán lehet mondjuk 386D
És reloop-nak igaza van ismét
A hozzászólás módosítva: Okt 17, 2013
Nos, beépítettem egy 5532-t, 96db/mW 32 ohmos fülest elfogadható hangerővel elvisz.
Legalábbis fél órát már kibírt. Szoba-hőmérsékletűnek nem mondanám, 35 fokra melegszik az IC. Nem tudom, hogy ez sok-e. Majd beszámolok róla, hogy bírja. Köszönöm mindenkinek a segítséget!
35 fok szerintem kicsit sok max rá kell rakni egy hűtőbordát. Amúgy ez milyen típusú keverő?
Képet tudnál fel rakni róla kíváncsivá tettél
Szép kis darab
nekem is van 2 keverőm csak azok nagyobbak, múltkor egyikbe elszállt nekem is egy OPA hiába kb 20 év utána várható is.
Nem hiszem, hogy rászánom magam, de hogy lehetne hűtőbordát applikálni egy DIP8-as IC-re?
Például Xboxokba szokták használni a ram chippek hűtésére ilyen kisméretű borda, alján hővezető ragasztó (ilyen gyurma szerű anyag) pontos nevét én sem tudom sajna
Pl.: Bővebben: Link
Alapvetően elégedett vagyok vele, most sikerült minden hibáját "befoltozni", talán.
Amit meg akarok rajt még "hekkelni", hogy van benne végfok és a fülhallgató a MASTER-ről kapja a jelet, ha nincs feltekerve a kimenő, akkor a fejhallgató sem nem kap jelet ?!, így az éjszakai csendes használat lehetetlen. Vagy ráfülelj előre, hogy mit fogsz kiadni a hangfalra ha feltekered. Nem teljesen értem miért így tervezték.
Elvileg úgy kéne neki lennie, hogy tényleg a Masterről kapja a jelet de nem a végéről hanem az elejéről és onnan a fejhallgatóba egy hangerő potin keresztül. Legalábbis nekem így van megoldva sőt az én nagy keverőmön külön be tudom állítani, hogy melyik csatorna jelét küldje ki a fülesre. Amúgy van a fejhallgatónak hangerő szabályzója egyáltalán?
Fejhallgató hangerő tekerő az van azért
![]() Most már így idősebb fejjel lehet mást vennék, sok okos dolog van, amit ez nem tud.
Ezen jót nevettem, van rajta külön hangerőszabályzója de a Mastertől függ így is... ez szerintem gyártási hiba lehet mivel ennek így nincs értelme amúgy egyszerű az orvoslása. Keresd meg hogy a Mastertől honnan jök a fülesre a jel és rakd úgy hogy a potméter ne tudjon közbeszólni és kész is. Igen az a baj, hogy nagyon szét kell nézni mi van és mi nincs... én kb 1 hónapig bogarásztam és a jó kategória több száz a rossz meg 100e alatti végül vettem egy Behringert ami egyáltalán nem csúcskategória sőt de cserébe nagyon sok mindent tud és tapasztalat szerint a Eurorack család meglepően minőségi hangot eredményez amúgy ez igy néz ki:Bővebben: Link
Igen a Tiéd sokkal komolyabb cucc.
Az enyémet, szerencsére olcsón vettem, egy végkiárusításon, annyit meg megért. A panelra raktak egy komparátorral megvalósított kivezérlésjelző led párt is , ez nincs rajt a rajzon. Ez normális hogy összefügg a master-ral. Aztán fogták tovább "drótozták" a nyákot a fejhallgatóhoz Majd kigondolom mit lehet tenni. |
Bejelentkezés
Hirdetés |





bocs elnéztem. Viszont így igazad van. Szerintem meg lehetne próbálni 5532-vel. 





