Fórum témák
» Több friss téma |
Fórum » Labortápegység készítése
valoszinuleg ellenallas vagy kondenzator hiba miatt nem mukodott mivel a regipanel diodait es tranzisztorait epitettem be az ujba is.ahhoz meg nem volt erom hogy kiszedegessem a regibol az alkatreszeket hogy megtalaljam a hibasat de ha meglesz akkor szolok.
Sziasztok !
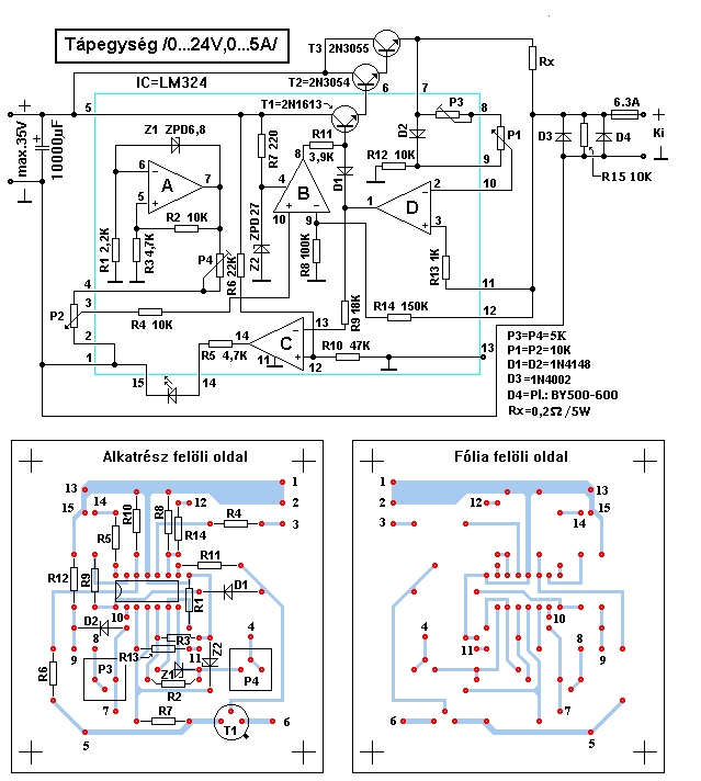
No vajon mi lehet a baj ? Megépítettem a topicban szereplő legelső tápot lásd képen Egyébként semmi gond nincs vele szépen szabályoz tartja a feszt az áramot is szépen hajtja a lézerdiódát is pedig az érzékeny kütyü, tehát jó. Viszont rákötöm a nyákfúrómat elkezdem feltekerni a feszt és beindul a motor eddig ok. Ha vissza letekerem a feszt nullára akkor a motor lüktetve beindul de ezerrel és leáll és megint így tovább. leveszem a motort a kimenetről és visszarakom és nem kezdi a hülyeséget csak ha megint rátekerem és utána visszaveszem nullára. Lézerdiódánál ilyet nem tapasztaltam mi lehet a gondja ?
Szia!
Szerintem a terhelés milyensége okozza a gondot. A motor induktív terhelés, a lézer meg ohmikus. Sokat mondjuk ezzel nem segítettem.
Akassz a kimenetre egy puffert. Kb. 220uF~1000uF. Feszültségére figyelj!
Hello
Én is megépítettem ezt a kapcsolást, kis terheléssel próbáltam, elsőre indult. Az a problémám, hogy az áramkorlátot nem bírom változatni. 0-kb3A ig szépen működik, de tovább nem tudom emelni, hiába cseréltem ki a potmétereket. /4db 2n3055 van benne, tehát az bírni fogja a terhelést./ Mit kellene megváltoztatnom, hogy kb 10A-ig felmehessek?
Szia !
"D" müv.er-t, az hajtja az áramot. Üdv!
Én arra gondoltam hogy a D műveleti rősítő előtti oszrón kellene álítani, pl R13-at változtatni. Csak mielőtt belebarmolok inkább megkérdezem. Végigolvastam az egész topicot, páran írták hogy sikerült megemelni a terhelhetőséget, de azt hogy mit változtattak azt nem
Elfogy, a feszültség. Azért nem megy, 3A fölé. D2 dióda helyett, kettőt tegyél be. Így a 0.6V helyett, 1,2V lesz. Vigyázz így 6A lesz a kiszedhető,a P3 állítani kell. Vagy a Rx helyére 0,12ohm.
Kedves Mtomihun!!!
Azt szeretném kérni hogy ha tudja,küldje már el nekem a kapcsrajzokat,beültetési rajzokat és nyákterveket a labortápjáról!!! Segítségét előre is köszönöm!!
Ha 10 A akarsz és a trafóis megfelel ennek akkor az áramkorlátozó Rx ellenállást azt a 0,2 ohmosra tegyél még párhuzamosan egyet vagy kettőt is.
A másik meg hogy a belső P3 potit állítottad mert azzal lehetne meghatározni mekkora legyen a kimenő áram. az van sorbakötve az előlapi P1 potival. Nekem meg hát megoldotta az ingadozási problémát egy 150 mikros 200 voltos kondi a kimeneten. Viszont más is van bár ez nem egy egetverő de terheletlenül fürészjel jön ki a kimeneten. Ha már csak egy leddel vagy egy kerékpárizzóval is leterhelem akkor már meg is szűnik ez a probléma. Tegyek a kimenetre egy állandó műterhelést ?
Köszönöm mindenkinek a segítséget; sikerült megemelnem az áramkorlátot. Képeket a ki mit épített topicba rakok.
Sziasztok,
kis segítségre lenne szükségem, labortápomhoz van két 7107-es LED-es alapműszer, egyik feszültség másik áramerősség mérését végezné. Hosszú ideje csak a feszültségmérő van bekötve mert az ampermérővel együtt már nem csípik egymást. Olvastam itt is, volt hasonló probléma, kipróbáltam sok lehetőséget hogy pozitív-negatív ágba mértem az áramot, külön tápellátás stb. de nem sikerült megoldanom. Tudtnátok ebben valamit javasolni? A jelenlegi bekötés ábráját mellékeltem.
Külön,külön táp mindkettőnek. Pazarlásnak tűnik,de megoldja.
Sziasztok!!!
Azt szeretném kérdezni hogy meg akarom építeni a pcb-féle tápot,és lenne egy bolti a panelmüszerem és hogy a táplálását az elemes megoldáson kívül hogy lehetne megoldani ugy hogy ne menjen tönkre???
Köszi, sikerült megoldani és tényleg ez volt a gond.
Pedig anno megcsináltam külön trafó, külön tápot mindkettőnek de ugytünik akkor pont rossz ágban próbáltam az áramerősséget mérni (nekem a negatívban jó). Köszi mégegyszer!üdv. zetef
Sziasztok, az lenne a kérdésem, hogy valakinek van esetleg egy kettős labortáp kapcs. rajza?
Veszel egy kis paneltrafót (pár négyzetcentin elfér), és építesz neki egy kis tápot. Én is azt csináltam, mert az elem nem volt szimpatikus.
A trafó tudjon 12VDC körüli értéket produkálni, arra mehet egy 7808-as 100mA-es stabkocka. Az árammérő söntöléssel sem nagyon kell vesződni... fogsz egy 1Mohm-os helikális trimmert és leosztod vele a sönt feszültségét. Nagyon precízen be lehet állítani.
bocs, elfelejtettem, szeretném a fesz. szintet szabályozni, kb 0 és +-30 v között....
Csőztök!!
Megépítettem a pcb féle tápot és az a baj hogy a feszt szépen tudom szabályozni 0-25v ig mivel 26v a tápfesz.,de az áramnál 5A helyett csak 2.5A-t ad le!!!??? Szerintetek mi lehet a baj???? A trimmert már próbáltam és nem segít??? Segítségeteket előre is köszönöm!! Idézet: „Megépítettem a pcb féle tápot” Majd keresgélni fogom, hogy hol is van ez... 2,5 A? Mekkora feszültségen?
Szia !
"D" jelü müveletinél méregess és gondolkozz. Üdv!
Hello
Nekem is ez volt a problémám először. Köss Rx-el párhuzamosan még egy ugyanolyan ellenállást és jó lesz
RX = 0,2ohm. 2,5A –nál az hány volt? D2 = 0,5-0,6V
D műveleti erősítőnek, lesz eltérése? Vagy az egyiket csökkented vagy a másikat növeled.
Sziasztok!
Érdeklődök, hogy szerintetek ezért a tápegységért mennyit lehet adni max? Semmi adatot nem tudok róla, csak ez a képem van... de folyamatban van az adat kérdezés. Gondolom szimmetrikus tápegység, áramkorlátos, meg duplán szimmetrikus. köszi a válaszokat. üdv.: Zoli
A 40 pénz is bőven elég amit adnál érte látatlanba....
Az nem duplán szimmetrikus. Csak godolom áramot és feszültséget is mér mindkét ágban külön-külön.
Én 40k-t biztos nem adnék érte. Pláne nem 60-at.
Szia!
Mintha láttam volna valamelyik Budapesti webárúházban ezt a képet, megpróbálom megkeresni. Üdv. Tóbi
Megtaláltam, valószínüleg ez az a tápegység. Újonan 65kHUF. Ha ez, akkor legalább van némi adatod róla.
Tóbi |
Bejelentkezés
Hirdetés |






Pedig anno megcsináltam külön trafó, külön tápot mindkettőnek de ugytünik akkor pont rossz ágban próbáltam az áramerősséget mérni (nekem a negatívban jó). Köszi mégegyszer!





