Fórum témák
» Több friss téma |
Fórum » Labortápegység készítése
Köszi! Ezen az oldalon, hogy mondtad ki sípoltattam és ott nem sípol. De lehet nem is furatgalvánosak a lukak mert a két oldalt ha össze érintem a fet forr.pontjainál nem sípol
Sziasztok!
Tegnapra sikeresen összeraktuk az SMPS II-őt. Ami fontosabb, hogy sikeresen élesztettük is, első bekapcsolásra egy másik labortápról nagyon szépen elindult. Mindent be tudtunk állítani, majd rézvezetékekkel megvastagítottuk a vezetősávokat és 10A-es terhelésen is megnéztük, ez is sikerült. Nagyon örülök a dolognak és köszönet érte Attilának. Most már csak dobozolni kell, panelmérőt rakni rá és megépíteni még egyszer. Készítek mindjárt pár képet, de teljesen olyan lett, mint Attila képein. Megnéztem üresen a kimenetét és a szkóppal alig volt mérhető zaj rajta. Terhelve még nem néztem.
Szia!
Furatgalvánosak, másképp nálam sem működne, de kiforrasztáskor nem egyszer kijön a csövecske, és rajta marad az alkatrész lábon.Többször előfordult nálam is, nincs gond vele, csak az új alkatrész lábát felül is forrasztani kell. Üdv. A hozzászólás módosítva: Okt 20, 2013
Itt van néhány kép a tápról. A segédtápot élesztésnél egy másik tápegység szolgáltatta, de a nagy áramú próba során már a végső 1,5kW-os toroidról kapta a szuflát.
A panelt nem én ültettem be, hanem egy gyakorlottabb barátomnak segédkeztem. Jó móka volt, eltartott egy délutánt. Ő helyére igazította az SMD-et, én lefogtam egy csavarhúzóval, míg ő két oldalról beforrasztotta. Megéri a pepecselést és az állandó ellenőrzést, mert nem kellett hibát keresni szerencsére. A megvastagítás 2-es illetve 1,5-ös tömör vezetékdarabokkal történt, de legközelebb már valószínűleg sodort lesz (elég nehéz volt megcsinálni a hajlítgatást). A hozzászólás módosítva: Okt 20, 2013
Jó a fadoboz. Még jobb a 7-10mm vastag rétegelt lemez. Az előlap meg nyomtatott, laminált öntapadó. A fát lakkozod. Arra tapad az öntapadó.
Megmértem az SMPS II hatásfokát!
Majd a cikkbe beleírom a részletes mérési eredményeket, de a lényeg:1W-nál: 22,44% 5W-nál: 45,68% 10W-nál: 57,45% 50W-nál: 79,51% 100W-nál: 84,24% 200W-nál: 88,56% 300W-nál: 90,18% 400W-nál: 91,44% Sajnos 500W-ot nem tudtam mérni mert ilyen nagy terhelést nem tudtam összeállítani. A legnagyobb amit sikerült kisajtolnom, az kb 420W, ekkor 92,66% a hatásfok. A számításokba egyenlőre nem vettem bele a segédtáp teljesítmény-felvételét, de majd azt is megmérem. Nos kérem ez azt jelenti hogy a maximális kimenő teljesítménynél is durván 40W alatt marad a tápegység disszipációja! Aminek nagyon örülök mert a tervezéskor 50W-ra számítottam.A mérés egyébként rendkívül pontos, az öt és fél digites asztali multiméteremmel mértem mindent, a táp bejövő és kimenő áramát pedig 1-1db 0,01Ohm-os és 0,5%(!) tűrésű kelvin-kivezetéses söntön keresztül. A hozzászólás módosítva: Okt 24, 2013
Életképek a hatásfok-mérésről.
![]() Egy barátomtól kölcsön kértem mindkét SMPS II példányát hogy legyen miről járnia az enyémnek.
Sziasztok!
Bontásból találtam egy csomó uA723 IC-t és szeretnék egy szimmetrikus labortápot, két darabbal lehetséges egy szimmetrikus tpáegységet kihozni az IC-kből? Ha igen tudna valaki egy kapcsolási rajzot küldeni?
Szia!
Én most egy ilyen ICvel építettem tápot, pont ma raktam fel a ki mit építettbe. Itt elérhető a doksija: Bővebben: Link A némettől ne ijedj meg, anélkül is érthető lesz.
Találtam én is rajzot, csak azt nemtudom, hogy 2 IC vel lehet e szimmetrikus tápegységet szabályozni? És elég ha simán kétszer építem meg?
Én két példányban építeném, és ha szimmetrikus kell, sorbakötném, és a közös pont lenne a gnd
Bővebben: Link
Azt hiszem akkor ebből építek 2 darabot.
Nekem is ilyen van, mert ilyet tudtam venni olcsón és készen. De ki fogom hajítani, és csinálok jobbat. Nem tetszik az áramszabályzása, olyan mint a gumi, nyúlik. Persze ne várjuk csodát egyetlen tranyóval megvalósított áramszabályzástól...
Ha már ilyet csinálsz, oda nagyon kellene egy műveleti erősítő, hogy pontos legyen az az áramszabályzás!
Énis épp figyeltem, ezért arra gondoltam hogy kihagyom, a szimpla kapcsolást csinálom meg.
Sziasztok!
Építettem a BSS elektronika oldaláról egy tápegységet. Összeállítottam egymás után kétszer is próbapanelen az áramkört az elvi rajz alapján, az áramkorlát és hozzá a LED működött, a feszültség szabályzás már nem. Gondoltam megépítem a NYÁK rajz alapján is, ekkor láttam, hogy az elvi- és a NYÁK rajz között vannak különbségek. A kérdéses alkatrészeket be is karikáztam. Például a D3, D4 egymás utáni diódák nincsenek benne, D2 1N4148 helyett Z2 27V zener dióda van beültetve. Tovább nem is nagyon nézegettem, de az biztos, hogy ezek már jelentős különbségek. Szerintem is hibás az elvi kapcsolási rajz? Itt lelhető fel a kapcsolás.
Miért nem Alkotó 2.7.4-et építetted meg? Ugyanazt tudja, és üzembiztos, kipróbált kapcsolás....
![]() És megnézném, ha maximális teljesítményt disszipál, hány s alatt hal be a tranzisztor.... 1 2N3055-el az nem megy!!! Számolj csak ha 5V/3A-t veszel ki 40V-os bemenő fesznél, akkor szerencsétlennek 105W-ot kellene leadnia. Amit NEM fog sosem....
Anélkül, hogy véggigondolnám, hogy miért rossz a kapcsolás: én még teljesen jó kapcsolást a bsselektronikán nem láttam. Valami kisebb-nagyobb baja mindnek volt, olyan is volt, ami még elvileg sem működhetett úgy, ahogy azt elképzelték (ergó soha az életben nem építették meg még közelítőleg se).
Itt, ezen a fórumon találhatsz több olyan kipróbált kapcsolást, ami már bizonyított. A hozzászólás módosítva: Okt 29, 2013
Szimpatikusnak tűnt a kapcsolás és viszonylag olcsó is volt az alkatrészköltség. Amire én használnám, szerintem a max paraméterek 15V és 1-1,5A lenne.
Ha már a 2N3055 nem bírja a 105W disszípációt 5V 3A mellett, akkor szerinted ez a kis TO220-as micsoda a maga kis 1-2cm2-s hőfelületével miért kéne hogy bírja?
Szia
A D3, D4 az a Z2 feszültségét emeli ~1,2V al ( annélkül is kell müködnie. ) A D2 ott a 27V egy kicsit sok. A R13 as ellenálláson ha 3A folyik akkor 0,6V feszültségnek kell ott lenni. A IC1C ezt a feszültséget hasonlítja össze, a P2 potencióméterrel beállítot feszültséggel, aminek szerintem sok a 27V. Elég oda, a 0,6V, vagy a 1,2V, egy vagy 2db 1N4148 dióda. A feszültség állításnál, a IC1A kimenetén (1es láb ) milyen feszültséget mérsz? A IC 1 és a 2 lába közt, megvan a ~6,8V os feszültség? üdv.
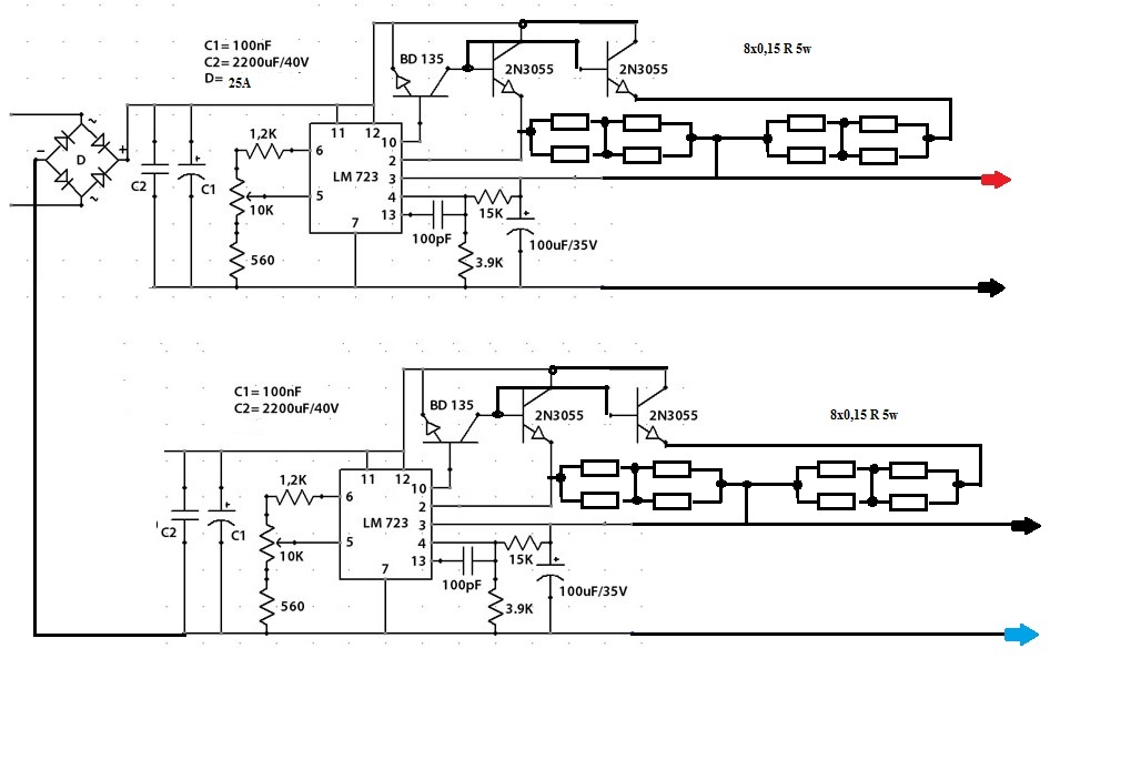
Én hasonló kapcsolást építek lm 723 IC vel és 2n3055 végtranyóval, duplatápot készítek, szerintetek max hány A hozható ki? és Ha párhuzamosan bekötnék még egy olyan végtranyót 2x0,15ohmos emitterellenállással?
Nalam okosabb ember, egy hasonlo kapcsolasnal [ott 3db 2N3055 van] az ajanlotta, hogy a max disszipacio legyen 100W kornyeken. Ebbol en azt okoskodtam ki, hogy 30W kornyeki teljesitmeny bizhato ra hosszu tavon.
Nekem elég két 2n3055 tápáganként (dupla táp tehát összesen 4 darab 2n3055)
Bővebben: Link, Nem lenne elég csak 2x 5w os 0,15 ohmos ellenállás? Amúgy nekem külön bordáim vannak csillám nélkül. A hozzászólás módosítva: Okt 29, 2013
A külön bordás megoldás addig jó, amíg rá nem esik egy csavarhúzó, fogó, csavar, vagy alátét. Akkor aztán lészen tranzisztor röptetés, füstjelek kíséretében.
Különben is a határadatok 25 oC réteghőmérsékletre vannak megadva, és a tokozásig is van hőellenállás. A hozzászólás módosítva: Okt 29, 2013
Ok de akkor menyi 0R15 5W ellenállás kell, ha két tranzisztort használok egy kapcsolásban?
Minden emitterbe egy, meg az árammérő söntbe kettő párhuzamosan, ahogy a rajzon van.
A hozzászólás módosítva: Okt 29, 2013
Szia
Mekkora a bemenő feszültség? Mekkora a kimenő feszültség? Mekkora a terhelő áram? Ha hasonlót építesz akkora 40V bemenő márt nem jó a 723 csak 37V ig szereti. Kimenő feszültség az 7,5V feletti ha nem tolod el a 723 feszültségét -7,5V al de akkor csak 30V kimenő feszültséged lehet. Ebben az esetben egy tranzisztor 107W os hogy legyen tartalék csak 70...80W on használnám igy 70W/30V=2,3A tehát egy tranzisztor 2,3A hajthatsz át. Amit linkeltél kapcsolást ott ha nem megy rővidzárba a kimenet, bemenő feszültség 22V..23V kimenő feszültség 13,8V a tranzisztorokon 9,2V lesz. Ha 10A folyik át rajta akkor 9,2V x 10A =92W Ha rővidzárba megy a kimenet akkor a 23V van a tranzisztoron és 10A az szerény számításokkal is, 230W Így úgy gondolom, hogy a két tranzisztor kevés. 230W /70W=3,28 tranzisztor kell, vagyis 4db. Ellenállások: Az ellenállásokon 5A folyik. 0,15 ohm on 5A = 0,75V ez szorozva a 5A rel 0,75V x 5A = 3,75W De itt semmi tartalék nincs ha egy kicsivel nagyobb áram megy a tranzisztoron márt szakad is az ellenállás. Igy a 5A x1,5=7,5A (1,5=50% al nagyobb áram ) ujra számólva: 1,125Vx 7,5A= 8,4375W ~10W Én inkább a 10W os részesítem előnybe. üdv. A hozzászólás módosítva: Okt 29, 2013
Tulajdonképpen szabályozható labortápegységet építek, csak azért linkeltem azt a rajzot, mert ott dupla végtranzisztor van. A rajzot mellékelem, elvileg ugye így kitudom váltani a 0,15R 10w os ellenállást? Azért volna fontos, hogy ne kelljen rendelni, mert rengeteg 0R15 5w van itthon
|
Bejelentkezés
Hirdetés |







Majd a cikkbe beleírom a részletes mérési eredményeket, de a lényeg:
Aminek nagyon örülök mert a tervezéskor 50W-ra számítottam.













