Fórum témák
» Több friss téma |
- Ez a felület kizárólag, az elektronikában kezdők kérdéseinek van fenntartva és nem elfelejtve, hogy hobbielektronika a fórumunk!
- Ami tehát azt jelenti, hogy a nagymama bevásárlását nem itt beszéljük meg, ill. ez nem üzenőfal! - Kerülendő az olyan kérdés, amit egy másik meglévő (több mint 17000 van), témában kellene kitárgyalni! - És végül büntetés terhe mellett kerülendő az MSN és egyéb szleng, a magyar helyesírás mellőzése, beleértve a mondateleji nagybetűket is!
Szep napot!
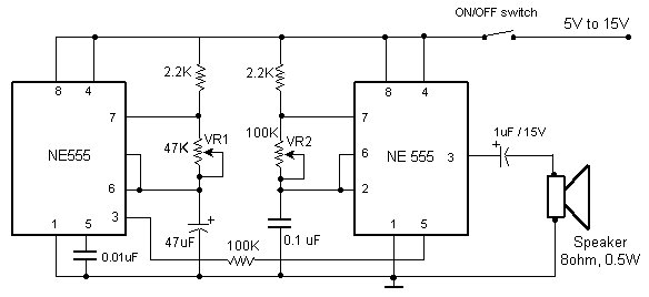
Meg epitetem a melekelt riasztott.(azert melekeltem mert nem talalom itt a forumon , de az is lehet nem innen van leszedve). Van egy par kerdesem velle kapcsolatosan. Egy bizonyos ferkin nagyon hangosan szol, aztan ahogy csavarom a potit (frekit felfele) kezd elhalkulni, ha nagyon kozel hajolok a hangszorohoz ugyy hallok meg valamit. Mi lehet az oka? A csipogo 2 tekercses , 1db 8Ohm es a masik mar nem emlekszem de 100Ohm felet van, en a 8-ra kotem. A 0.001µF es a 0.1µF kondit kisebbre csereltem . Az elsonek csereje menyire befojasolja a kapcsolast? Van valamilyen eljaras hogy leelenorizem , egyaltalan vanne hang a felso tartomanyba? Nincs szkopom. Vagy ledel megnezni hogy a csipogo kap-e jelet amikor en mar nem halom? Koszi elore is.
Sziasztok!
Ennek az Ic-nek Step up/down modba a feszültség korlátott "R1-R2" mihez képest kell belöni? 9*3.2V led 28,8V itt akár állithatom 35V-ra vagy kissebre kell?
Hello! Minden hangszórónak van átviteli frekvencia tartománya, de a fülednek is van. Nem tudni mit raktál bele, de egy közönséges csipogó általában még szűkebb a frekvencia átvitele, mert a fül érzékenysége valahol 1..5kHz környékén a legjobb, általában ide vannak valahova mechanikusan is hangolva. Elvileg egy Led+ellenállással is láthatod, a hangszórón, hogy kap-e jelet. Vagy egy CD4040 v. CD4020 v. CD4013-al leosztod a frekit, és annak kimenetén már a hallható tartományba esik a jel. üdv!
Ahogy VR2 ellenállása csökken, úgy nô a kitöltési tényezô. Csökkentsd a most 0.1µF kondenzátor értékét, ezzel eltolod felfelé a hangmagasság tartományt.
Ezzel a kapcsolással sajnos nem tudsz olyat csinálni, ami minden frekvencián azonos hangerôt prdukál.
Hello!
Van az ULN2xxx ic-knek valami CMOS megfelelője? Ezt úgy értem, hogy olyan ic ami meg tud hajtani LED-et, relét, csak nem bipoláris, hanem FET-es, és 8 csatornás. Ja és persze menjen 5V-ról ha lehet. A hozzászólás módosítva: Nov 1, 2013
Sziasztok!
Hallottatok, olyan nand-kapuról amihez, hozzá van csapva egy and kimet is?
Hello! Ez alatt mit értesz. A "nand" egy NOT és egy AND. Vagy is egy ÉS kapu utáni invertert jelent. Az AND vagy is ÉS kapcsolat csak egy bement lehet, kimenet nem. Szerintem úgy gondoltad hogy egy ponált és egy negált kimenete az ÉS kapunak.. üdv!
Sziasztok! Egy olyan kérdésem lenne hogy ebben a hőmérős kapcsolásban a D1-D2 az milyen értékű lehet? A választ előre is köszönöm!
Ránézésre, 2 standard Si dióda (Vref 1.2V.
Köszönöm. Az mit jelent? Mondjuk ezek? Bővebben: Link
Én sem értem pontosan mit is szeretnél, de... Egy tokban többnyire több kapu is lakik. Bármelyik kapu bemeneteit ha közösíted, máris kész az inverter. Ezt ha rákötöd egy szomszédos kapu kimenetére, máris kész vagy.
Szokásos saccolás Uf 0.6V Si diódáknál. Tehát 2x nyitófesz=1.2V Ref.
Hello! Miért nem nézed meg az adatlapját? (Amúgy az szerint fel van cserélve..) üdv!
Szia! Az adatlapját is néztem, ugyan az a kép szerepel mint ezen ott jobboldalt. Ezért is kérdeztem hogy a kapcsolási rajzon nincs e elírva a lábkiosztás? Üdv!
Jó a lábkiosztás a rajzon csak elnéztem.
Szep napot!
4013-om volna is ithon .Ennel hogyan mukodne a leosztas, ahogyan no vagy csoken a magas freki pont ugy no vagy csokenn-e a halhato, vagy csak egyszeruen kijelezni hogy ott van magas jell.
Itt van a linken, a "2-bit binary counters" rajzon, hogyan kell kötni. Mindegyik Q kimenetén az előző frekvencia fele jelenik meg. Vagy is ha 18kHz-ig hallasz, akkor a bemeneten 72kHz-ig hallod a jelet. üdv!
Üdv!
Trimmer potit szeretnék cserélni normál potméterre. Mellékeltem egy képet, bejelöltem a lábakat, jól gondolom a kiosztását?
Sziasztok! A kérdésem az lenne, hogy az offset null és a balans ugyanazt jelenti-e? Pontosabban azért kérdem, mert ne5534 et szeretnék helyetesíteni ua741-el. Lábkiosztásnál pedig más van, így nemtudom hogy más a fogalmazás vagy teljesen más is az a láb. Vf3-at építenék és nincs csak dual vagy quad op.ampom, mono icm csak az ua741 lenne.
Igen, így jó a lábkiosztás.
Sziasztok!
Nem tudom jó topikba írom e, az lenne a kérdésem, hogy sikerült a kidobástól megmentenem egy jó kis MT-83-as tápegységet, de sajnos nem jó a műszere, valahol szorul. Kivettem, de nem tudom (nem merem) szétszedni, nem tudom hogy jön szét úgy, hogy ne sérüljön. Már minden csavart, anyát leszedtem róla, ha a hátsó kivezetéseit óvatosan megnyomom befelé, érzem, hogy mozdulna, csak az eleje tartja. Ha valaki szedett már szét ilyet, mondja már el, hogy hogy érdemes nekilátni. Le is fotóztam, hátha így könnyebben beugrik valakinek. Üdv: Csabi
Ugyanaz. Nézd meg az adatlapjaikat, és rájössz.
Épp onnan néztem és egyiknek balans masiknak offset null, lényeg hogy helyetesíthető egymással, mert így akkor tudok építeni. Köszönöm szépen!
Az átlátszó előlapot le kell pattintani, mert a mérőmű csak előre tud kiszabadulni. Nem biztos, hogy szorul, lehet, hogy csak a 0-állító kiakadt (szétszdve látható). Ha valóban csúcshibás, akkor próbáld meg a tengely hernyócsavarját picit lazítani, ha ettől javul, a hernyót ismét rögzítsd!
Tudtommal nincs, de nincs is értelme. A CMOS IC-k 20-25mA-t tudnak, ez éppen elég egy db LED-hez, de másra már kevés. Relének már 50-100 mA kellene, erre jó az ULN.
Értem, akkor marad az ULN, vagy ha kevés csatorna kell akkor egyenkénti FET.
Köszönöm a választ.
Ha nem túl nagy áram kell, akkor szoktak két kaput, vagy invertert párhuzamosan kötni, és meghajtónak használni.
Erre gondoltam én is, csak szegény plexi már annyira el van öregedve, hogy félek, elpattan mire lepattintom
![]() Úgyhogy egyelőre jegelem a témát, vagy megpróbálok egy másikat szerezni bele, akár egy rosszat is, aminek az előlapját rá tudom tenni erre, ha erről nem jönne le egyben.. Egyébként köszi a segítséget. Üdv: Csabi
Az a baj, hogy 8 csatornánál már az is növeli az alkatrészigényt. 1-2 csatorna esetén még jó.
|
Bejelentkezés
Hirdetés |














