Fórum témák
» Több friss téma |
Mielőtt kérdezel, a következő két dolgot ellenőrizd!
I. A helyes tápfeszültségek megléte.
II. A kimeneten van-e egyenfeszültség.
Élesztés.
Ez magától érhető hogy tükrözni kell.
okés tükrözöm
És eltudnád küldeni a lay. fájlt-is?
Sajnos csak ez a két rajz van,magát a nyákot 1 barátom készítette.
Megtaláltam ezt a nyákrajzot lay.-be neten Előerősítő csak bennevannak az alkatrészek is a rajzba kitörlöm és úgy tükrözöm és az IC-hez igazítom a nyák-Méretét,sztem úgy jó lesz
Kösz a segítséget Remélem kellően felerősíti a bemenő jelet a 2x200w-os végfoknak
Sziasztok! Itt van egy mellékelt végfok és nem értem mire van az a stabilizáló rész. Meg azt nem értem, hogy a stabilizáló részt vezérli a kimenet na hogy is van ez? Valaki elmagyarázná hogy hogy is van ez. Érdemes vele foglalkozni?
Sziasztok!
Hosszú keresgélés után sem találtam ingyen letölthető verzióban egy "Fisher CA-225R" erősítő szervizkönyvét vagy kapcsolási rajzát. Ha tud valaki segíteni, nagyon megköszönöm!
Szia! Ez egy G-osztályú erősítő, a táp követi a kivezérelt jelet. A működését azért nem érthetted, mert a T10 rosszul van berajzolva.
Érdemes ilyen osztályú erősítővel foglalkozni. Ez hogy követi, szebb hangja van vagy miért jó az?
A végtranzisztor lineárisabban tud működni ha csak az áramerősség változik rajta, a feszültség pedig nem.
Célszerűbb audio célra kifejlesztett végtranzisztorokkal egy hagyományos topológiájú erősítőt építeni. Lehet a szerzőnek ilyen félvezető beszerzésére annak idején nem volt lehetősége (sőt biztos).
Köszönöm szépen! Akkor amit linkeltem rajz nem is működőképes?
Adnám akkor házi feladatnak a T10 helyes megrajzolását. (Ha megfigyeled a pozitív tápoldalt hamar rájössz.)
Sziasztok,
Kicad-ben megcsináltam ennek az erősítőnek a kapcsolási rajzát és hozzátartozó nyákot.De letudnátok nekem írni,hogy pontosan hogy is működik ez az erősítő? Mármint maga az erősítő fogalmát ismerem,de nekem kimondottan ez érdekelne hogy hogy működik mit miért.Ha már összeraktam ,akkor szeretném tudni,hogy működik.Köszönöm.
Sziasztok. Elakadtam egy kicsit, egy SI-1125HD STK-t kellene helyettesítenem valamivel. Sajnos az egyik oldala meghalt, kibontottam a tokból és rámértem. Valahol említették, hogy pótolható TDA7294-el. Nos nekem TDA7296 van de az is jó lenne. Csak az a kérdés, hogy kössem be. A táp feszültség az tiszta, illetve a ki és bemenetek is. Viszont vannak még plusz lábak (3,5,6,11,12,14) amiket nem tudom, hogy kössek. Kettő belőlük (5,12) plusz bemenetnek néz ki ami a hangszínszabályzóról jöhet ha jól vettem ki a kapcsolási rajzból. Készítettem egy képet amin könnyen be lehetne rajzolni a helyes bekötést, már ha egyáltalán kivitelezhető a dolog. A segítséget és tanácsokat előre is köszönöm.
Szia a helyes bekötés úgy lenne, hogy T10 emitere menne a T13 bazisara és a T10 collektora pedig a T13 collektorára, így annak a tranyónak nincs erősítése csak áramerőség szempontjábol, jól gondolom?
Köszönöm szépen! Csak tanulok én ezekből a kapcsolási rajzokból valamit. Lehet kíváncsiságbol 1 panel lehet hogy fog születni, életemben nem hallotam ilyen osztályú erősítőt.
szia leszedtem egy service manualt az erősítőről minden benne van,csak a PDF-fájl 3.56 Mb és nem tudom ide feltenni :/ ha írsz egy E-mailt elküldöm oda
(Remélem ez lesz amit keresel) A hozzászólás módosítva: Nov 4, 2013
Szia! Nem kis kérés, de üsse kavics
![]() A C1 bementi csatoló kondenzátor választja le egyenfeszültség szempontjából Q1 bázisát a jelforrásról. R3 képezi az erősítő bementi ellenállását. Az R1, R2 osztó olyan feszültségen tartja Q1 bázisát, hogy a kimeneti pozitív és negatív jelcsúcsok azonos amplitúdónál határolódjanak (clippeljenek). C2 szűri a feszültség hullámosságát R3 számára, így elérhető, hogy nyitott bemenetnél se búgjon az erősítő. Ezen kondenzátor a váltakozó áramú jelek számára rövidzárként viselkedik. A bemenő jel Q1 bázisára jut, a kimeneti feszültség pedig Q1 emitterére. A kimeneti egyenfeszültség mindaddig változik, míg a Q1 egyhe nyitásba nem kerül, és ki nem alakul az úgynevezett DC egyensúlyi állapot. Ennek mikéntjére még később visszatérek. Amennyiben Q1 bázisát váltakozó árammal kezdjük el vezérelni, az erősítő kimeneti feszültsége nem jut maradéktalanul az R5 ellenálláson keresztül Q1 emitterére, mert azt az R12-C4 váltakozó feszültség szempontjából leosztja. Innen határozható meg a kapcsolás jelerősítése, mely esetünkben: R5/R12+1. Nézzük hogyan viselkedik az áramkör vezérlés hatására. Q1 a bázisára érkező áramot felerősíti, kollektora ezt tovább adja Q2 bázisának mely szintén erősít rajta. Az erősítő építők álma, hogy a tranzisztor kollektor árama a bázisáram egy határozott számú többszöröse legyen. Erre a tranzisztor sajnos alkalmatlan, de igyekszünk mindent megtenni, hogy az áramerősítés a lehető legszűkebb határok között ingadozzék. Ennek egyik eszköze az R4 ellenállás, amin Q1 kollektor áramának jelentős része folyik, így a hozzáadódó Q2 bázisárammal együtt a szélső értékek között nem lesz nagy eltérés. Az áramerősítési képesség ugyan is a kollektor áramtól is függ. Q2 kollektoráramát egy nagyon szellemes megoldás stabilizálja. Az R6-on nincs jelentős feszültségváltozás, mert az a hangszóróra van kötve, a hangszóró pedig a teljesítmény fokozat révén követi Q2 kollektorát. Belátva, hogy R6-on viszonylag állandó a feszültségesés megállapíthatjuk, hogy a rajta folyó áram is minimális ingadozású. A Q3, Q4, Q5, Q6 teljesítmény fokozat nem teljesen szimmetrikus. Ezt az elrendezést kvázi-komplementernek nevezzük. A Q3, Q4 emitterkövetők egy sima darlington kapcsolást alkotnak, mely majdnem egyszeres feszültség erősítésű, az áramot viszont a bétájuk szorzatának megfelelően tudják megnövelni. A Q5, Q6 már érdekesebb egy kicsit, hasonlít valamelyest Q1, Q2 elrendezésére. Az amúgy nem túl szerencsés vezérlési módot az menti, hogy Q6 kollektora 100%-osan vissza van csatolva Q5 emitterére, így a fokozat hibái minimálisra redukálódnak. A feszültség és az áramerősítés hasonlóan alakul mint Q3, Q4 esetében. A pozitív periódust Q2 kollektoráram növekménye, míg a negatívat az R6-on folyó áram vezérli mikor Q2 kollektorárama csökken. Kellően nagy áramerősítési tényezőjű tranzisztorokkal megépítve a teljesítményfokozatot Q2 kollektoráramának nem kell nagy ingadozást elszenvednie. A jobb megértés kedvéért beszúrnám ide a tranzisztoros erősítőépítők kiskátéját. A tranzisztor vagy csak feszültséget, vagy csak áramot erősítsen. Ha a kollektoráramnak és a kollektor-emitter feszültségnek egyaránt jelentősen változnia kell akkor használjunk emitterkövetőt! Az R8 és az R9 a fentiek szellemében Q3 és Q5 kollektoráram változását hivatott csökkenteni. Van még egy fontos feladat. A pozitív és a negatív periódusok között zökkenőmentes átmenetet kell biztosítani. ennek elmaradása okozza az úgynevezett keresztezési torzítást. A módszer egyszerű, a teljesítményfokozat tranzisztorait kismértékben nyitjuk. Az ekkor kialakuló végtranzisztor áramot nevezzük nyugalmi áramnak. Ez minél nagyobb annál kisebb keresztezési torzításra számíthatunk. Sajnos korlátot szab az a hőmennyiség ami a nyugalmi áram és tápfeszültség szorzatával leírható meddő teljesítményből származik. Pár 10mA elég szokott lenni, hogy a keresztezési torzítást ne érzékeljük zavarónak. Ebben a kapcsolásban a teljesítménytranzisztorok részleges nyitását D1, D2, D3 diódákon eső feszültséggel érjük el. Az R10, R11 ellenállások egyrészt segítenek a hőmérséklettől ingadozó nyugalmi áramot kordában tartani, másrészt - mint helyi visszacsatolás - javítják a teljesítményfokozat működési feltételeit. Nagyobb sávszélesség érhető el. Itt a két ellenállás találkozásánál érünk vissza az R5 ellenálláshoz mely a visszacsatolást hivatott szolgálni. Az erősítő kimeneti pontja egyenfeszültség szempontjából közel a tápfeszültség felénél helyezkedik el, ezt választja le a C5 kondenzátor. Amikor nincs hangszóró kötve az erősítőre akkor a Q2 munkaellenállása R7-tel egészül ki. Ez elegendő az erősítő stabil egyenfeszültségű állapotának fenntartásához. C6-R13 egy Zobel-tag, nevezik Buocherot cellának is. Gerjedéscsökkentő valamint impedanciamenet kiegyenlítő hatása miatt szokták alkalmazni. Egy megjegyzést fűznék a kapcsoláshoz. A visszacsatolás egy véges hatékonyságú eszköz az erősítő működésének kézben tartásához. Meredek felfutású jeleknél a nagyjelű erősítő már árkon-bokron túl van mire a visszacsatolásnak "méltóztatik megérkezni". Kicsit fékeznék rajta, praktikusan egy 10-100pF kondenzátorral Q2 bázis-kollektor közé illesztve. Ennek igénye akkor jelentkezik, ha bejön az erősítőn a Kossuth rádió, vagy a helység villanykapcsolóitól pattan egyet a hangszóró, illetve egyéb zavarokra érzékenységet mutat. A hozzászólás módosítva: Nov 5, 2013
Üdv!
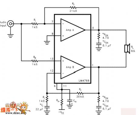
Egy Hordozható hangfalat szeretnék építeni 1 mélysugárzóval és két középmagassal. A mélynek szánt végfok egy LM4766 gyári hídkapcsolás lenne, a másik kettőnek egy LM4780 szintén gyári kapcsolással. A kérdésem az volna, hogy az LM4766 hídhoz az adatlapi kapcsolást néztem, a kevés alkatrész nem zavar mert a 4780 is alig igényel alkatrészt, mégis kimagaslóan szól, de a kapcsirajzon szerepel egy Ci jelű 22µF-os kondi. Ezt én sima fóliakondinak nézem, na de 22uF? Elnéztem valamit? Vagy tényleg lehet ilyen? Kapcsolási rajz
Szerintem simán polaritáshelyesen kell betenni egy 22µF-os elkót. Csillagozva is van gondolom írja lentebb a feszt. A kondi negatív fele test felé nézzen, a pozitív fele pedig a felette lévő ellenállás felé. Feszültségre pedig szerintem legalább 50-63V-os méretben is szinte ugyan akkora.
A hozzászólás módosítva: Nov 4, 2013
Köszi a gyors választ
![]() Akkor megpróbálom majd azzal, de lehet hogy megmerném kockáztatni bipolár elkóval is. Vagy ez nem jó ötlet?
Várj meg mást is, de szerintem a gyáriakba is sima elkót tesznek. Nézegess google képeket hátha látszik.
Én még egy közepet azért tennék be. De nem vagyok nagy hangfaltervező
A magasat nem biztos, hogy elég lesz egy kondival vágni, meg ha csak a magasakat akarod hajtatni akkor felesleges a véggel alapból is az alsó freki tartományt erősíteni. Meg persze egy jó kis számolgatás, hogy mi hol vágjon, bár a mélyre mehet az egész. De ha kivársz mást akkor biztos mindent érthetően elmond, meg ebben nem vagyok ennyire otthon. Meg fura, hogy csak magasakat hajtasz egy véggel, szóval ezek nekem még nem tapasztalt dolgok, de valaki régebben csinált hasonlót ha jól emlékszem. A hozzászólás módosítva: Nov 4, 2013
Szia reloop! Azt szeretném kérdezni tőled hogy akkor most hogy a T10-es tranzisztor ki lett beszélve és meg lett a válasz a helyes bekötésére, ettől függetlenül meg lehet építeni a végfokot mondjuk MJ15003, MJ15004-es tranzisztorokkal?, mondjuk a meghajtó tranyók lennének BD244C, és BD243C vagy (MJE15030, MJE15031). A többi része a végfoknak helyesen van be rajzolva?, és elegendő a +-45V feszültség ennek az erősítőnek főleg hogy a feszültség egy stabilizátor áramkörön keresztül megyen a vég erősítőre, szerintem de lehet tévedek, valamennyi feszültség csak le esik a stabilizátor rész után nem?. Ez az erősítő 100W-ot kellene tudjon 4ohmon. Bemeneti érzékenysége 250mV RMS, Bemeneti ellenállása 25 Kiloohm, frekvencia átvitele 14Hz-20KHz, harmonikus torzítás 0,1%, intermodulációs torzítása pedig 0,03% . Amúgy R9-es trimmer potenciométer mit állít az erősítőben?.
A hozzászólás módosítva: Nov 4, 2013
Ja és hidalva 8 ohm -ra ajánlják. A 4766-ot, ha 4 ohm-al terheled akkor csatornánként 2 ohm terhelés. Arra kell még figyelni hogy ha hidalva is van akkor ilyen teljesítményű hangszóró hosszú életéhez 60W elég.
Üdv! Van egy stereo erősítőm aminek az összes kimenete búg. Ha jelet adok rá akkor is változatlan. Van benne egy 'STK025 Power Amplifier' ic, szerintem az adta meg magát. Lehet még kapni ilyet?
|
Bejelentkezés
Hirdetés |




És eltudnád küldeni a lay. fájlt-is? 





