Fórum témák
» Több friss téma |
Fórum » NYÁK terv ellenőrzése
Sziasztok!
Készítettem egy tervet. Az alapelv szerint egy pic vezérel 16 db rgb ledet amiből csak a pirosat és a kéket használom. ( ezért van csak 3-as csati közös test, piros pozitív, kék pozitív) A 3 pines csatlakozók a ledek "csatlakozási helyei. Az előtét-ellenállás a ledeknél kerül elhelyezésre az azért nem szerepel! Amúgy szerintetek jó? Vagy kihagytam, elrontottam valamit? Előre is köszönöm! Most látom csak hogy elcsesztem De ez valószínűleg a hajnali 3 órának tudható be felseréltem a TOP és a BOTTOM-ot.. na akkor azt még javítom! A hozzászólás módosítva: Nov 12, 2013
Szia! Az elvi rajzot még nem ellenőriztem de az automatikus huzalozást nagyon át kellene fésülni. Sokkal szebben és kevesebb kuszasággal lehet lefűzni kézzel. Pl: a tápvezetékek az IC lábai között mennek át. Pedig van hely a panelon. A LED csatlakozókhoz menő GND-ket is.
A tápvezetékek a lehető legvastagabbak legyenek! Hiányolom a puffer kondenzátorokat a 7805 mellől. ( Bemenet KB 470-1000uF, kimenet (5V) 4.7-10µF ) Van elég hely a részükre. Egyenlőre ezeket találtam. Amúgy jó az alkatrészek elhelyezése. Ja, ha a szerelési magasság korlátozott, akkor a puffer kondenzátorokat el is lehet fektetni. ( Pazarlásnak tűnik az, hogy az RBG LED-ek nincsenek kihasználva. Persze ez a te projekted. )
S egy igen jelentős hibát is találtam! A PIC nem kap tápfeszültséget! Bár a hidegítő kondenzátorok ott vannak, de sorba vannak kötve a tápkivezetésekkel. A "VDD" logikai táppontot is célszerű a +5V -ra kötni. S a "VSS"-t is be kell kötni a GND-hez. Valahol be és ki lehet kapcsolni, hogy magad kötöd-e be vagy automatikusan hozzárendelje-e a tápfeszültég pontokat. Ennek utána kell majd nézzek...
Ha a VDD - VSS táppontokat elhelyezed az elvi rajzon, akkor a huzalozásnál is a megfelelő pontokhoz fog kapcsolódni a tápfeszültég. Az EAGLE-ban elég csak a VSS, VDD, GND STB táppontokat elhelyezni a megfelelő helyen. S Így nem kell a teljes tápfeszt kirajzolni mert elég csak logikailag hivatkozni arra hogy ezek közös pontok. ( Úgy mint a GND-t sem szoktuk kirajzolni ha csak nincs elég nyomós ok rá. ) Így sokkal szellősebbé - áttekinthetőbbé tehető, még egy igen bonyolult elvi rajz is. A hozzászólás módosítva: Nov 12, 2013
Volt egy kis időm és rendbe tetem ( az én elgondolásom szerint ) az áramkört.
Persze még lehet rajta csiszolni kicsit. De ezt már rád bízom. Csatolom a fájlokat.
Hello!
- Ennyi Led-et csak akkor tud meghajtani egy PIC közvetlenül, ha abból csak néhány ég egyszerre. Mert ugyan egy porta kimeneti árama akár 24mA is lehet, csak nem egyszerre mind, mert korlátozza a tok disszipációja. - Az RA4 meg nem fogja a Led-et meghajtani, mert annak kimenete nyitott Drain típusú. Vagy is csak "Le" tudja húzni a kimentet "Fel" nem.. - Felhúzó ellenállásnak is nagy a 470kohm. Még ha csak kézzel megközelíted a portát, akkor is működtetheti a portát. üdv! A hozzászólás módosítva: Nov 12, 2013
Remélem volt egy működőképes próbakapcsolás is.
Mert ha nem, akkor ez csak egy újabb új gyakorlat volt. ![]() Sémarajz -> Demó vagy próbakapcsolás -> Szoftverfejlesztés -> Teszt -> Nyáktervevés ( Elvileg már itt tartunk. ) -> Bedobozolás vagy beépítés. És Szerintem ez lenne a sora a folyamatnak... De javítsatok ki ha kimaradt valami.
Én a helyetekben tennék minden portra egy egy uln2008 at és az mclr lábra egy 1-10 k ellenállást , akkor működőképes paneletek lesz (500mA/kimenet) ez már elég a ledmeghajtáshoz ...
A hozzászólás módosítva: Nov 12, 2013
Nem az én projektem! Csak segítettem a nyáktervet megcsinosítani. De az ULN2008-as valóban jó javaslat!
A hozzászólás módosítva: Nov 12, 2013
Hogy mekkora sügér vagyok!
Sorba kötni a kondit! Viszont az RA4-es portról ezt nem tudtam... Köszönöm hogy szoltál! Meg neked is Jani hogy rendbe tetted, sokkal kulturáltabban néz ki!
Ezt számolgattam énis hogy az egyszerre kiadható Áram kevés lesz már pedig lenne elég alkalom amikor világít az összes led! lehet hülyeséget kérdek de a 2008-as hogy tolerálja a pwm szabályozást?
Egy kis érzéssel mennyivel csinosabbá lehet tenni egy nyákot! Mégegyszer nagyon köszönöm! Akkor az ra4-es port kimarad és csúszik minden egyel arrébb az RD1-es ugyis üres..
Sziasztok!
Először is leszögezném, hogy kezdő, hobbi szinten működő egyén vagyok (aki informatikus). Még csak most ismerkedek az Eagle-lel is (ez az első két rajzom), ezért szeretnék egy kis ellenőrzést! Szeretném a páromat meglepni egy ledes munkalámpával, ezért arra gondoltam, hogy elkészítem EZT a kapcsolást, annyi különbséggel, hogy nekem nem 1 nyákon vannak a ledek, meg a táp. Azt szeretném megtudni, hogy ez így jó-e? Az első képen a 4-es csatlakozó 1-2 lábai a betáp, a 3-4 lábai megy a ledekhez. Egyébként csináltam egy átkötést, mert így átlátható(bb nekem), de ha valaki tud egyszerűbbet, vagy ha ez rossz és kijavítja, azt megköszönöm. Ja és persze jöhetnek a kritikák, hiszen abból tanul az ember... Egyébként ITT már próbálkoztam ugyanezzel - az eredeti kapcsolás is onnan van - de eléggé halott a topic... A hozzászólás módosítva: Nov 12, 2013
Az első képen egy elvi hibát elkövettél:
Az ellenállás lába mellé a vezetéket nem fogod tudni bepaszírozni(na jó, kókányolással igen). Ott az ellenállás lába előtt át kell menned Bottom layerre és onnan bekötni.
Egy pici áttervezéssel az r2 kerülhetne az átkötés helyére ....de ez itt off!
A hozzászólás módosítva: Nov 12, 2013
Hello! Én ULN28008-at nem ismerek. De ha még is ULN2803 lenne az, akkor számolni kell azzal, hogy míg az eredeti felállásban közös katódos Led kell, addig meghajtóhoz közös anódos. Vagy "felső oldali" meghajtót kell alkalmazni. (Aminek mindig elfelejtem a típusát.) üdv!
Sziasztok,
szerintetek nagyon gáz a táp ilyen szintű átkötésekkel való vezetése? A hozzászólás módosítva: Nov 13, 2013
Először is köszönöm a válaszokat, de hallgatva kaqkk-ra és egy kicsit jobban megnézve átterveztem a panelt. Most mellékelem a kapcsolási rajzot is, hogy ha valaki lesz olyan rendes és leellenőrizné nekem...
![]() Előre is kösz: Kipuke
Igaz. A felső oldali meghajtásra az UDN2981 és az UDN2982-esek jók. Közös katódos LED-ekhez valóban szerencsésebb választás! Bár kicsit drágábbak...
A hozzászólás módosítva: Nov 13, 2013
Egy megjegyzés: a 100nF-ot az IC lábaihoz minél közelebb kéne rakni. Mondjuk lehetőleg közvetlenül mellé. Ezen felül az adatlap szerint a 22µF-nak is 1 centin belül kéne lennie - és ugye nem elkót akartál odarakni, hanem tantált?
Na én ezt kihagytam, egyáltalán nem néztem meg az adatlapot
, ezért kösz a figyelmeztetést. Újra terveztem, így jó lesz?
Nekem ez a nyákterv:_Link_ jobban tetszik. Pici módosításokkal még kompaktabbá lehetne tenni.
Na ismét visszatértem és terveztem egy teljesen új nyákot (figyelve a kondi távolságára). A 22µF-os tantál kondenzátort kiemeltem (tudom, hogy nem így néz ki, de ennek volt megfelelő a lábtávolsága
), mert ott elég nagy a zsufi... Nagyon megköszönném, ha valaki leellenőrizné.Előre is köszönöm: Kipuke
Az eredeti(!) oldalról idézve, ahonnan a kapcsolás is van:
Parts 1X LM2941CT low-dropout voltage regulator 1X aluminum heat sink 1X 1A DC rated fuse 1X DC switch 1X 1N4001 diode 2X 1K 1/4W resistors 2X 4.7K 1/4W resistors 6X 24 ohm 1/4W resistors 1X 1K linear potentiometer 18X 5mm white LEDs, 20mA max 1X 22µF 16V electrolytic capacitor 1X 100nF 25V monoblock capacitor Lehet, hogy tévedek, de a leírás alapján a 22µF kondi az elkó! Eredeti oldal!
Sziasztok!
Kicsit alakítottam a terveken! Változtatni csak annyit változtattam tulajdon képpen hogy feltettem a két uln2803-ast illetve hogy tisztább legyen a terv a csatikat pinekre cseréltem! Remélem nem rontottam el semmit, bár van néhány gondom, a 4 uln betápját muszáj leszek átkötéssel csinálni, amire azt mondom hogy még elfogadható is az én alacsony szintemhez! Viszont a másik bajom hogy a tervezőbe muszáj voltam a betápokat és a GND-ket ilyen össze visszahúzogatni hogy engedje a nyákon betápra és GND-re kötni! Elvileg ennek így működnie kellene ha jól tippelem ugye? Köszi! A hozzászólás módosítva: Nov 15, 2013
Szia Egész jó lett! Szerintem mehet "vasaló" alá. Az oldalon lévő áramkörbe is sima elkó lett beépítve. Azzal is fog működni, de jobb az adatlap ajánlását követni.
Egész jó lett , de én azért találnék rajta egy negyedórás melót ! A pic és az uln ek lábai közt megigazgatnám a vezetőket ,és a kimeneteknél is akad egy kettő ami nagyon közel van a "zárlathoz" Egy ilyen ledes áramkörnél ha az uln + "betáp" lábát be sem kötöd akkor sem csinálsz bajt (az nem betáp, hanem csak a belső védődiódák közös kivezetése) tehát itt nem igazán érdemes foglalkozni vele , leginkább induktív terheléseknél van rá szükség .
A hozzászólás módosítva: Nov 16, 2013
Egész jó lett! ( A GND-nél az a gond, hogy át lett nevezve az a vezeték szakasz ahova a GND csatlakozik. Szerintem ezért nem kötődött hozzá. De ez inkább csak kényelmetlen most. )
Ami gond! Hogy közös katódosak a LED-jeid. " 3-as csati közös test, piros pozitív, kék pozitív " Ezért az ULN2981-es lesz jó ( Mint ahogy ajánlottuk: proli007 :_Link_, én:_Link_. ) A be és kimeneteik azonosak de sajnos a táppontokat fel kell cserélni. ( Csak halkan jegyezném meg, hogy ha már az ULM2981-es lesz beépítve akkor az ULM-IC-t lehetne a bejövő tápfeszültségről is táplálni. Több sorba kapcsolt LED-nél jól fog jönni a nagyobb tápfeszültség. S az 7805 sem lenne halálra izzasztva. Bár ez csak nagy LED csoportok esetén lenne jelentős. ) S el is készült a módosított kapcsolás. Néz át! S használd! Sajnos fel kellett jönni az alkatrész oldalra is pár vezetékkel. De annyira azért nem vészes. A hozzászólás módosítva: Nov 16, 2013
Az ULN2803-nál ez igaz. De az ULN2981-nél:_Link_ mindkét tápfeszültséget be kell kötni.
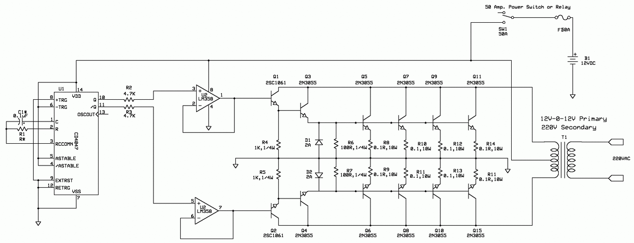
Sziasztok valaki megtudná ennek a nyákját tervezni.
Nagyon nagy segítség lenne. ![]() Előre is köszönöm A hozzászólás módosítva: Nov 16, 2013
Szia!
Inkább csináld meg ezt a javított változatot. |
Bejelentkezés
Hirdetés |














, ezért kösz a figyelmeztetést. Újra terveztem, így jó lesz? 











