Fórum témák
» Több friss téma |
Fórum » Sztereó DAC
Témaindító: meszattila, idő: Ápr 10, 2007
Témakörök:
Csak a lábak értelmezéséhez szólnék. A SIG GND, +5,5 V, - 5,5V a jellel összefüggő rész földje, tápfeszültségei. Az DS0, és DS2, adatbusz jelei, az A05 címbusz 5 bitje, az 50/60 Hz egy átkapcsoló, amelyet a hálózati frekvenciának megfelelően kell beállítani, járulékos zavarvédelmet biztosít a DAC számára a belső interferenciák csökkentésével.
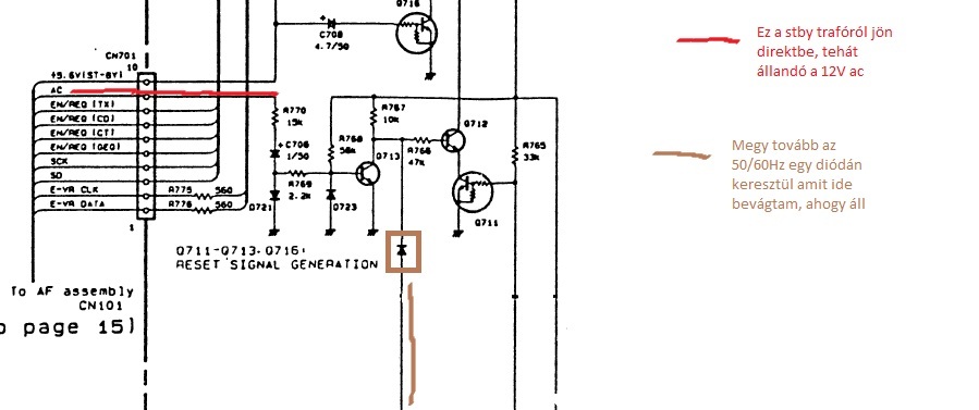
Köszi az infót. Ahogy néztem, az 50Hz az a stby trafó 12Vos részéről van megoldva egy pár alkatrészes elektronikával.
DS0 és a DS2-milyen jelnek kell lennie? Mert az a központi ICből jött az AOS vagy mi a pontos neve lábbal. Akkor a tápokat is jól gondoltam az elején.
Az AOS/A05 (vagy mi) látszik a kapcsoláson, hogy egy tranzisztort kapcsol, arról lehet tudni, hogy kb. milyen jelet igényel.
Viszont mivel a DS0/2 a kapcsoláson szimplán rá van vezetve az IC lábaira, a másik oldalon meg valószínűleg a CPU lábairól kapja a jelet, és a "szuper" PD0037-ről egy gramm információ nincs a neten, így szerintem itt a HE-n várhatod, hogy valaki kitalálja, hogy milyen jel kell neki oda... Szerintem zsákutca egy olyan DAC panel használata, amiről nincs teljes dokumentáció, és egy spéci IC van rajta, amiről szintén nincs semmi dokumentáció. Vagy összerakod az eredeti készüléket, és elkezded szkóppal nézegetni, hogy mit látni ott, hátha rájössz...
Az eredeti készülékkel, pont az volt a baj, hogy "agyhalottan" kaptam. Akkor első körbe megpróbálom a DS lábak nélkül, hátha nem életbevágó neki.
Tovább nézegettem a pdf-et s kiderült, a DS1 DS2 lábak szimplán a bemeneti selektor optikai és coax bemenetek között. (CD : DS1= H, DS2= L ; DAT : DS1 = L, DS2 = H) A05 a VCO2 vezérli valószínűleg egyben engedélyezi a DAC müködést H szinten. Az 50/60Hz -nek szerintem L szint kell, az lenne logikus.
Akkor lényegébe a DS1-DS2 párral ki tudom választani a bemenetet, hogy IN1 IN2 (IN3 azért zárójeles, mert ez testre van kötve) legyen aktív.
Menet közbe kiderítettem, hogy az "ismeretlen lábnak" ez a pontos neve: ADS. Ez elmegy a 74HC32AP icbe. Innen tovább megy a tranzisztorhoz DTC124ES (Ez valami kínai csoda, nem nagyon értettem az adatlapját... ) és lényegébe ezzel a lábbal kapcsolom be az DAC-ot. Ide elég gondolom az 5V amit az AVR kiad magából. Ezt az 50/60Hz-nek L szintet kifejtenéd? Nem H szint kell? Csináltam egy kivágást, leírással mi merre megy ezen az 50/60Hz-es szakaszon.
Kicsit zavaros itt-ott , hol AS5 hol ADS nek hívja az adatlap de 22 oldal szerint ua és H kell neki. Az 50/60Hz láb pedig az ábra szerint nem stabil L/H -t igényel, hanem magával a hálózati jellel kell szinkronizálni a DAC -ot, kicsit érdekes szerintem.
Én ezt a ADS-t közvetlen a panelről olvastam le. Mert adatlap engem is megzavart, meg elég rossz minősége is.
Összeütök neki valami alap vezérlést és megnézem mit művel. Anyi lenne még, hogy ezt a tranzisztoros kapcsolást az 50/60Hznél hogy tudom egyszerűen megoldani? Adatlap szerint círka 83,2K-nyi ellenálláson megy át, de ugye ott az a tranyó aminek a szerepét nem tudom pontosan.
A tranyó valami jelformáló szerepet játszhat, pl. 50 % kitöltési tényezőjű négyszögjetet generálhat, szkóppal kellene megvizsgálni. Nem hiszem, hogy ki lehetne kerülni, viszont könnyen lehetne után építeni valami hasonlót.
Tudsz valami egyszerű és gyorsan összetehető hasonló funkciót ellátó kapcsolást mutatni?
Ettől egyszerűbbet nem tudok sajnos, ezt a néhány alkatrész esetleg próbanyákra lehetne tenni. +5v kell neki és az ac.
Akkor összedobom ezt a rajzot.
Nagy vonalakba a keretezett rész ugye?
Igen erre gondoltam, összesen 8db alkatrész.
Üdv!!
Lenne nekem is valami hasonló problémám,mint Gabónak. Tehát. Van egy Pioneer házimozi erősítőből kiemelt SPDIF vevőm. Kötöttem 5v-ot a tápfesz helyére,de semmit nem akar átalakítani Az a sanda gyanúm,hogy a processzora nélkül nem fog működni Van valami ötletetek? Képek: http://kepfeltoltes.hu/130821/IMG_20130815_163524_www.kepfeltoltes.hu_.jpg http://kepfeltoltes.hu/130821/IMG_20130821_141011_www.kepfeltoltes.hu_.jpg http://kepfeltoltes.hu/130821/IMG_20130815_162333_www.kepfeltoltes.hu_.jpg Adatlap : http://www.kallhovde.com/pioneer/tricomp/Audio/VSX/VSX-D508_RRV-2086.pdf Van valami ötletetek,hogyan tudnám működésre bírni? Valamiféle adatkapcsolat van a panel és a vezérlőchip között az lessz a dolog kulcsa,de nemlehet valahogy megkerülni azt,hogy működjön a vezérlőchip nélkül? A hozzászólás módosítva: Aug 21, 2013
Szerintem sehogy sem fogod működésre bírni. Nincs ami megmondja a dsp-nek, hogy mit kellene csinálnia.
Esetleg egy mikrovezérlővel a codec részt elindíthatod. Persze megfelelő programozói tudás szükséges. A hozzászólás módosítva: Aug 21, 2013
Nekem Bőven elég lenne sztereó módban is,és ahogyan én is boncolgatom az adatlapokat a DSP irányítja a CODEC-et is. PC-hez esetleg nincs valami emulátor amivel mondjuk nyomtatóporton tudna kommunikálni a DSP-vel? bár igaz annak meg nem sok értelme lenne ,mert külön álló egység ként nem funkcionálna. Vagy még Atmegára gondolok,hogy azzal életre kelteni,de a PIC -ezéshez hülye vagyok
Valószínűleg olcsóbban kijönnék egy CS841x +DAC al , van egy szétbontott CD lejátszóból DAC-om ,csak nincs mivel meghajtani. A hozzászólás módosítva: Aug 21, 2013
Sziasztok!
Mit jelent a DA IC-kben a Rail-to-Rail? A hozzászólás módosítva: Okt 22, 2013
Képes a kimenetén előállítani akár a tápfeszültségéhez nagyon közeli értékeket is.
Köszi a gyors választ
![]() Ha nekem egy több csatornás DA kell, akkor olyat kell nézzek, amiben van bufferelt kimenet? Jól értem a dolgot? Szóval ha van egy két csatornás DA-m, amíg az egyik csatornát írom, a másiknak tartania kell a beállított kimenet. Jól gondolom, hogy ez a double buffered?
Biztos, hogy rosszul érted a dolgot. Ha több D/A kimenet kell, akkor több D/A-ra van szükséged. A bufferelt kimenet annyit tesz, hogy terhelhető a kimenete a D/A-nak (a nem bufferelt egy nagy ellenállásosztó, amit csak nagyon pici árammal szabad terhelni, pont annyival, mint amennyivel egy buffer terheli).
Vannak több csatornás DA-k
pl: Bővebben: Link Csak a kérdés, hogy tartja-e a kimenetet, amíg másik csatornát írok.
Ha megnézed a rajzát, rá fogsz jönni, hogy a többcsatornás D/A belül több D/A, így a kérdésednek nincs sok értelme. Továbbá az nem többcsatornás D/A, ami nem tartja a kimenetet, amíg másik csatornát írsz, ennek a megoldásnak semmi értelme nem is volna, ilyet nem is gyártanak.
Tisztelt fórumlakók. Most tervezek egy DAC-ot építeni DIR9001-el és CS4396-al. Olvasgattam a fórumot és láttam, hogy vannak különböző problémák a DIR-el, ha lenne olyan kedves valaki és összefoglalná nekem, hogy mire kell odafigyeljek, azt nagyon megköszönném. Konkrétan olyasmikre gondolok, hogy a némítást én abszolút kihagytam volna mindkét IC-ből, de látom, hogy valamikor szükség van rá, viszont annyi kommentbe jött az infó, hogy nehéz így összefoglalnom, hogy mégis mikor és miért érdemes némítani.
Közben változott a képlet, minden fontos infót beszereztem, indulhat a móka.
Egy új TDA1541-es DAC, CS8412-vel, de most IC-s I/V-el. Az IC-nek LT1028-at gondoltam, kíváncsi vagyok, itt, hogy teljesít. Még pár apróság, aztán próba.
A nyák CHZ terveire épül, Én csak átformáltam a saját igényeimhez. A hozzászólás módosítva: Nov 21, 2013
Nagyon korrektnek tűnik, csak nem értem mi értelme megverni ezt a kialakítást egy TDA DAC-al..
Nekem semmi bajom TDA DAC-al. Már egy teljesít a rendszerben és nagyon jól elvagyok vele.
Érdemes lenne kipróbálnod valami komolyabbat, utána szóba sem álnál a TDA-val.
|
Bejelentkezés
Hirdetés |






Az a sanda gyanúm,hogy a processzora nélkül nem fog működni
Valószínűleg olcsóbban kijönnék egy CS841x +DAC al , van egy szétbontott CD lejátszóból DAC-om ,csak nincs mivel meghajtani. 












