Fórum témák
» Több friss téma |
Üdv.
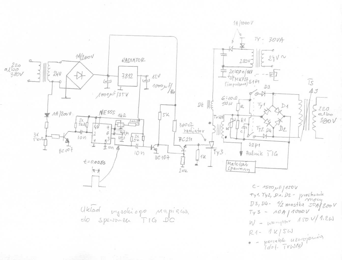
Szégyen szemre ,ajálgatom a fenti HF gyujtást másoknak,aztán meg nálam se dolgozik . ,vagyis a gyujtás dolgozik(van szikra),csak ívet nem tudok vele fogni.Ebben szeretnék segítséget kérni.A tirisztorok vezérlésében a "pulzed tig" néven szereplő vezérlés van megépítve,ezzel semmi gond.Magával a HF gyujtással sem,csak nem akarnak barátságot kötni. A hegesztő trafó utáni vezérlés ,nálam még anyiban más hogy a rajzon lévő két dióda a két ellenállásal még nem került a helyére,nem tudom ez lehet e a gond?Igy is szépen ívet fog,persze "kopintva" .A hegesztő fesz. 30v üresjáratban,nem tudom ez lehet kevés,és ezért nem képes a HF gyujtással ívet fogni?A szikra hossza gáz nélkül 5-6 mm,gáz jelenlétében 10mm-ről áthúz .Bármilyen ötletet szivesen veszek,hogy mivel kéne még próbálkozni,mert kezdek kifogyni,kösz!
Szevasztok,
nyekk mester, csak egy ötletem van, hátha segít: A ty3 tirisztor anódkörében lévő tekercs végeit felcserélni...
Szia Zoli!Igazad lehet abban, hogy az 30 V körüli feszültség alacsony. A melóban most lessz audit, és a hegesztőgépeket is most mértük be az összeset. 98 db AWI gépet, és zömében 92 és 110 V között van az üresjárati feszültségük. Persze megfelelő terhelésen mérve. Ezzel egyből gyújtanak, és utána esik le a feszültség. A régebbi trafós gépekről ha megtalálom a rajzot beszkennelem, mert egy trükkös kapcsolási részlet van benne, ami nélkül nem hajlandóak HF gyújtásra, csak szikráznak. Üdv: Jani
Szia!
Ha a diódákat és az ellenállást beteszed,akkor az üresjárási feszültséged magasabb lesz, mert a két dióda kisöntöli a két tirisztort. A soros 50W-os ellenállás azért kell bele,hogy a hegesztőáramból max.6-10A folyjon a diódákon, ez pont elég ahhoz,hogy a nagyáramú ívcsatorna kialakuljon. Azután már a tirisztoros szabályozás lesz aktív. A hozzászólás módosítva: Nov 17, 2013
Helló.
Hát a mesterhez,én még mesze vagyok,de kösz!Meglepődve látom milyen gyorsan jött a segítség,amit nagyon Köszönök! A ty3 -al már próbálkoztam,ne ő a bűnös. Ma ha sikerül berakom a két diódát ,az ellenállásokkal. maszek0005 a rajzok jöhetnek,azokból mindig tanul az ember
Küldöm a fájlokat. Csak bocsánatot kérek mert fejre állítva szkennelték be. Tisztelettel: Jani
Kösz!
Tiszteletem!
Nem lettem boldogabb,a két dióda bekerülte sem oldotta meg a problémát,kapott kondenzátort is,igy 70 V-ig sikerült feltornázni a feszültséget.Most meg azt játsza,hogy mindaddig van szikra míg a hegesztő trafót be nem kapcsolom,akkor jó ha van 1-2 mm.Már nem tudok hová nyúlni,lehet ez a koncepció ilyen formában működés képtelen.Még egy próbát kap,de most vagy gyújtótrafó,vagy sorkomenő lessz a bűnös,ha ezek sem válnak be ,marad koppintósnak A hozzászólás módosítva: Nov 19, 2013
Az az 1-2 mm-es szikra nem képes begyújtani a főáramú ívet?
Ezen csodálkozom, mert pl. a KND 350-500-as gépeknél jó esetben van 1mm-es szikra, és úgy gyújt ahogy kell. Valahol másutt van a gubanc, nem a nagyfesz egységnél. Persze azért a szikrának kell legyen némi energia tartalma,hogy ki tudjon alakulni az elektronvezetéshez szükséges ionizált csatorna. Tehát ha a keletkező szikra nagyon vérszegény, akkor abban az elektronáramlás nem tud megindulni. Idézet: „A ty3 -al már próbálkoztam,ne ő a bűnös.” Nem hát, mert akkor nem volna magasfeszültség... Idézet: „tirisztor anódkörében lévő tekercs végeit felcserélni...” És ezt is próbáltad? Ha nem egyezik a magasfeszültség polaritása a munkaáram polaritásával, soha nem fog létrejönni az erősáramú ív...
Szia Staci!
Ha nem egyezik a magasfeszültség polaritása a munkaáram polaritásával, soha nem fog létrejönni az erősáramú ív... Hát ebben nem egészen értünk egyet. Még pedig azért nem, mert a nagyfeszültség generátor frekvenciáját az 555-ös IC határozza meg, ez pedig valószínűleg elvétve lesz szinkronban a hálózat 50Hz-es frekvenciájú jelével. Magyarán fordított fázishelyzetnél a keletkezett nagyfeszültségből kivonódik a nagyáramú rész üresjárási feszültsége.Persze, az is igaz, ha az indukált nagyfeszültség pont ellenkező irányú mint a munkafeszültség,akkor ez gyújtási problémához vezet. Ezt a legegyszerűbben a TRWN jelű, nagyfeszültséget becsatoló trafó szekundert kivezetéseinek felcserélésével lehet orvosolni. Szerintem egy próbát megérne.
Már nincs amit nem próbáltam,tirisztoron megfordítottam,a szekundert megfordítottam,a fojtó után tettem a HF gyujtást,trafókat cserélgettem,ééés semmi.Pedig a kapcsolási rajz szerepel egy Lengyel,vagy Szlovák folyóiratban töbször,(Elektronica Prakticyzna azt hiszem így hívják).Gyújtótrafós megoldással van valakinek tapasztalata?
Szia nyekk
Valamit nem értek a kapcsolási rajzodon. Minek 30VA-res 220V/24V transzformátor a nagy feszültség előállítására ha a feszültség kétszerező kondenzátorai csak 100nF-osak (eredő 50nF 400V= 4mJ Hmm.. ).Én biztos hogy megemelném legalább 2X470nF, de lehet hogy az 2X1µF se lenne túlzás (500nF 400V =40mJ szikra energia . A hozzászólás módosítva: Nov 20, 2013
Amit Nyemi írt, abban van igazság. A gyújtótrafós megoldással az a baj,hogy nagyon magas lesz a feszültség, ami semmilyen szempontból nem lesz jó, igen kicsi lesz mellette az áram, emiatt az energiatartalom is. A kondikkal tényleg lehetne variálni, de fontos, hogy a rajzon is szereplő típus ajánlást komolyan vedd, azaz csak impulzustűrő kondi jó ide. Nem túl magas a tirisztor gyújtását végző 555 kapcsolási frekvenciája? Mert ha gyorsabban ismétlődik a kisütőimpulzus mint a kondik feltöltődéséhez szükséges idő amennyit megkívánna, akkor a feszültségkétszerezés inkább csak feszültségfelezés lesz.
Megpróbálkozok a kondi cserével,ma figyeltem fel hogy a 1k.poti tekergetésére nem változik az ív,pedig ez nem volt így,lehet az ic körül nincs valami rendbe,holnap átnézem ,mi történhetett. Kösz az eddigi segítséget ,mindenkinek!
Üdv.
Nyemi tanácsát megfogadva kapott még két 1 µF kondit,(hát ha gyermekoromba valaki ilyen szikrát "csihol" a kétütemű motoromba az égig magasztaltam volna ).De azért nem teljes az öröm,mert az ívfogás így is elmarad, a hegesztő üresjárati feszültsége 70 V,ez lehet még mindig kevés ?Azon gondolkodom hogy egy segédtrafót (90 V felett) esetleg be lehetne e iktatni,míg a gyújtás megtörténik,persze egyenirányítva?
Ugye a gyújtáskor a P1 be van húzva? Mert azok a diódák, söntölik a tirisztorokat.
A R1 sincs benne? A hozzászólás módosítva: Nov 22, 2013
Szia Zoli! Szerintem helyes lesz, mert ha megnézed az általam beküldött rajzot, ott is egy hasonló megoldás szerepel, 3 fázisú egyenirányítás után, 92 V-olt jelenik meg a két 180 W- os ellenállás után. Ha a rajzon F7- el jelölt bizti kiment, akkor nem lehet rábírni ívre a gépet, csak szikrázik. Ezért szerettem volna figyelmedbe ajánlani ezt a megoldást. Tisztelettel: Jani.
Ha az üresjárási feszültség 70V,annak simán gyulladni kell, a 70V már több mint elég az ív begyújtásához. A hozzászólásokat olvasva többféle kérdés is felmerült, érdemes lenne végig ellenőrizni mindent, pontról pontra. A régi Froniusokon csak 50V a gyújtófeszültség, és simán gyújt az ív. Egy dolgot viszont eddig nem kérdeztem: Ugye megy az argon védőgáz a pisztolyon, amikor be akarod gyújtani az ívet? Mert ha nem megy, akkor az életben nem fogod begyújtani azt a hegesztőívet, legalábbis használható formában nem.
Jön,igaz előfojást nem adtam a gáznak,de szerintem hobbi gépeken ezzel nem is szoktak foglalkozni
Ja .és még valami,a gázzal biztos nincs baj,mert gáz utánfutást tettem be,és ha ezt mondjuk 10s -ra állítom,akkor a két egymás utáni gombnyomás közt biztos van gáz.Ha megy a HF,és próbálok kopintva ívet fogni,akkor sem akar ,olyan érzésem van mintha két dolog valahogy ellentétben volna egymással.Létezik ez?
Ha a dióda hídról jövő 70Voltra azonos polaritású de nagyobb feszültséget kapcsolunk lezárjuk a híd diódáit.
Az R1 csökkenteni, vagy párhuzamosan kötni vele egy nagyfeszültségű diódát. Bár lehet hogy csak a tirisztor anódkörében levő transzformátor primer kivezetéseket kéne felcserélni. (Mert a kapcsi rajzon határozottan jelzik a végeket, okkal )
Még az R1-et nem próbáltam csökenteni,de a diódát bekötöttem,az Anód körbe próbáltam a kivezetéseket megcserélni. A következő kapcsolási rajzal is próbálkoztam,azonos értékekkel.Idáig jutottam:TIG próba .De ívet így sem fog,a kis videóból látszik .Mostmár tényleg nem tudok mivel próbálkozni
A hozzászólás módosítva: Nov 24, 2013
Ezzel a rajzzal csak az a baj,hogy a 20A-es diódák fordítva szerepelnek a rajzon, mint ahogy lenni kellene neki. Remélem nem így próbáltad a kapcsolást elkészíteni?
Még egyedül így nem próbáltam
.( De lehet ez a helyes).Azt hiszem ,marad koppintósnak,már túl sok időt pazaroltam el a semmiért.Azért mindenkinek köszönöm a segítséget!
Nincs avval a rajzzal semmi baj, csak éppen nem úgy vannak rajzolva a tirisztorok mint az előzőnél.
Bocsi, igazad van felületes voltam,nem néztem meg az ellenállások értékét.
Köszönöm a helyreigazítást.
Koppintósan elsőre indul?Vagy akkor is vannak sikertelen gyújtási kísérletek?
|
Bejelentkezés
Hirdetés |




. ,vagyis a gyujtás dolgozik(van szikra),csak ívet nem tudok vele fogni.Ebben szeretnék segítséget kérni.A tirisztorok vezérlésében a "pulzed tig" néven szereplő vezérlés van megépítve,ezzel semmi gond.Magával a HF gyujtással sem,csak nem akarnak barátságot kötni. A hegesztő trafó utáni vezérlés ,nálam még anyiban más hogy a rajzon lévő két dióda a két ellenállásal még nem került a helyére,nem tudom ez lehet e a gond?Igy is szépen ívet fog,persze "kopintva" .A hegesztő fesz. 30v üresjáratban,nem tudom ez lehet kevés,és ezért nem képes a HF gyujtással ívet fogni?A szikra hossza gáz nélkül 5-6 mm,gáz jelenlétében 10mm-ről áthúz .Bármilyen ötletet szivesen veszek,hogy mivel kéne még próbálkozni,mert kezdek kifogyni,kösz! 


).
).De azért nem teljes az öröm,mert az ívfogás így is elmarad, a hegesztő üresjárati feszültsége 70 V,ez lehet még mindig kevés ?Azon gondolkodom hogy egy segédtrafót (90 V felett) esetleg be lehetne e iktatni,míg a gyújtás megtörténik,persze egyenirányítva? 


.( De lehet ez a helyes).Azt hiszem ,marad koppintósnak,már túl sok időt pazaroltam el a semmiért.Azért mindenkinek köszönöm a segítséget!
Köszönöm a helyreigazítást. 