Fórum témák
» Több friss téma |
Fórum » TV hiba, mi a megoldás?
Sziasztok!
Egy katódos Grundig tv-vel van olyan problémám, hogy időnként elmegy róla a kép, teljesen sötét lesz, de a hang meg minden működik tovább. Ilyenkor megmozgatom picit a hátulján valamelyik csatlakozón át a panelt és egyből visszajön a kép. Valami gonosz kis kontakt hiba van valahol, de sajnos nem tudtam rájönni hogy hol. Próbáltam azt is, hogy levettem a hátsó borítást és próbáltam mozgatni a vezetékeket meg a panelt, de nem sikerült sajnos behatárolni, hogy mi nem érintkezhet rendesen. Aki tud segítsen ötletelni, mit nézzek meg. Ilyen készülékről van szó: http://www.jofogas.hu/csongrad/Grundig_televizio_12762677.htm#xtor=...2696-1[olcsohasznalt] Köszi! A hozzászólás módosítva: Nov 29, 2013
Ez tág fogalom .Meg kell várnod , hogy jelentkezzen megint a hiba .Bár jobb lenne ha nem lenne rajta ilyenkor a hátulja , és egyenként nem kézzel !!!! mozgatni dolgokat , és ahol visszajön a kép azt a környéket kell átnézni.Forrasztási hiba stb stb stb .
Köszi, jelentkezik mindig. Természetesen nem kézzel fogdosom a dolgokat. Gondolom valami képernyőre menő dolog szórakozik. Az a poén, hogy elég csak egy nagyon picit hozzáérni és máris megjavul. Csak hogy mi mozog az a kérdés?
Akkor holnap "kapálgatok" kicsit. A zöldes szín termisztor problémára utal?
Sziasztok!
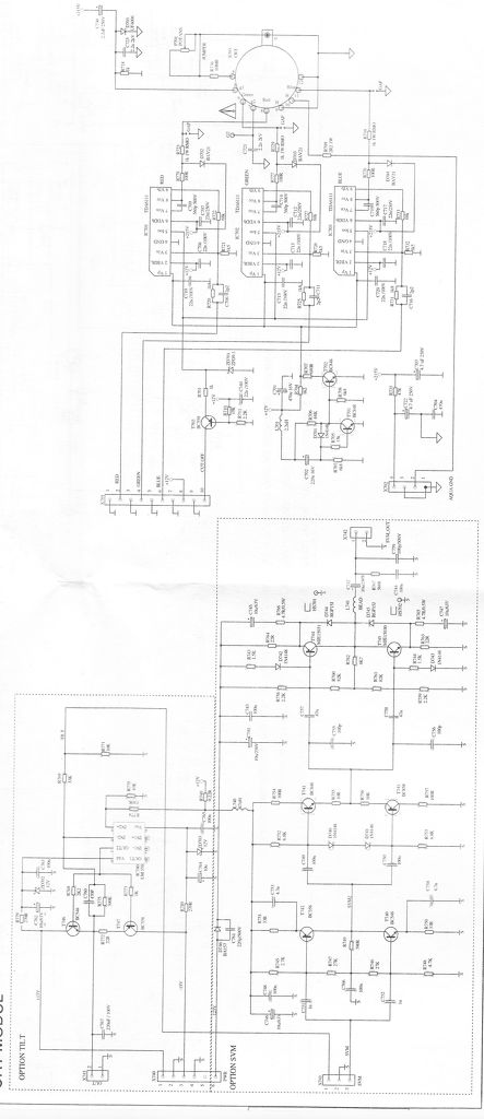
Van egy Grundig viszonylag fiatal képcsöves TV-m amiről elment a kép. Megnéztem: a fűtés ment el a képcsövön. Mivel még ilyet nem javítottam előkerestem a rajzát amit csatolok is. Mekkora és melyik pontokon kéne feszültségeket mérnem?
Szia!
Szerintem le van esve az eltérítő feszültség, lehet, hogy csak kondit kell cserélned. Nézd át az eltérítés körüli kondikat.
Szia!
Én azt gondolom, hogy a színeknek a feszültsége is megváltozott, így újra kell hangolnod őket. A szervizmenüben lehet állítani rajtauk azt hiszem. Felül a csíkok, pedig arra utalnak, hogy kicsi az eltérítő feszültség, talán csak kondi hiba. A hozzászólás módosítva: Nov 30, 2013
Sziasztok! Van egy ELITE KLX-UCTOP32X kis sport tévé nálam ami működik tokéletesen, csak annyi a baja hogy csak 6 csatornát tud be fogni kábel tévéről (RDS), holott 45csatornát kellene be fognia!, eddig be fogta ezt a 45 csatornát, de történt vele valami, és már nem fogja be őket. Szerintetek mi történhetett vele?, hol keresem a hibát?, a szelektorral volna a probléma?. A processzora TDA11105PS/V3/3 . Teszek egy képet fel a tévé paneljáról.
A hozzászólás módosítva: Nov 30, 2013
Szia! A 6darab csatornára, be tudod programozni bármelyik adót, ami eddig volt?
Szia! Sajnos nem, mindig ugyan azokat a csatornákat keresi ki. Cseréljem le a programot az EPROM-ban?.
Szia. A csíkok megoldódtak. Teljesen hiányzott a 46 Volt, mivel kiment a dióda és az egy ohmos ellenállás is de azért két kondit is frissítettem igencsak lemerültek. Ami a zöldességet illeti termisztor nélkül és a demagnetizáló tekercs nélkül is ugyanolyan. Rendelek egy T2O5 tipusút remélem azzal megoldódik. Próbáltam a színeket állítani de nem segített.
A programot ne,csak az epromot, videotonnál már sikerül ez a megoldás.
Szia! Már le cseréltem az epromot, és rá újra fel tettem a programot is de csak ugyan ennyi adót fog! Nem értem hol lehet a hiba?.
Sziasztok!!
Zúgó tv, nincs kép, már írtam. Találtam egy zárlatos (minden irányból rövidzáras) BU2508DF-t (hűtőbordán van), ez okozhatja a tv zúgó hangját?? Köszönöm a segítséget előre is.
Szerviz menuben levettem a pirosat és a zöldet a kék viszont nem reagál remélem nem képcsöves
Szürke alapon fehér átlós csíkok mire utalnak?
Hello
Segítséget kérek . Van egy Orion tv és egy SET TOP BOX ha a SET Boxot bekapcsolom a TV távszabályzó nem müködik . a Boxot scart kábel köti össze. A scart csatlakozónak van adat kimenete lehet hogy ez tiltja a TV kezelőjét. ha a SET TOP BOXOT kikapcsolom a TV távkapcsolója ismét müködik. Lehet , hoby a scart csatlakozó data lábait le kellene kötnön?
Ha kékes árnyalatúak a csíkok, akkor a kék videó végfok a rossz, esetleg maga a kék ágyú. Persze mindez megfelelően beállított G2 feszültség esetén.
Ha az a BU a sorvégtranzisztor,akkor zúghat a TV.Ha zárlatos lett,akkor annak oka van.Vagy a táp nem megfelelő,vagy a bázis nem kap megfelelő jelet,vagy valami impulzuscsökkentő tag nem megfelelően működik.
Milyen TV ez egyébként?
Akkor gyomláld ki a tápjából a két kis elkót (47uF,10uF),aztán cseréld ki a BU-t is.
A hozzászólás módosítva: Dec 1, 2013
Meglett az egész nyitja a képcsőpanelre jövő 2OO volt teljesítmény ellenállása nyúlt meg illetve meg is szakadt ettől lett szürke. Megvan az összes szín és a G2-t is beállítottam szerviz módban addig tekerve amíg az OK feliratot nem láttam. Egy alapos szerviz kellett neki, kidobáltam pár fáradt alkatrészt.
Köszi mindenkinek a segítséget A hozzászólás módosítva: Dec 1, 2013
A mindenki nevében: szívesen!
Azért van ott még hiba.A bal oldali torzulás az mi ?Vagy csak ilyen lenne a látószög ?
Neked külön köszönet
Megnézem még a trapézméret beállítást
Óh, zavarba hozol
Sziasztok, tegnap kaptam egy Junost 402B típusú Szovjet tévét. Akitől kaptam azt mondta működig, ma kipróbáltam és tényleg, viszont nem tudom hol kell kikapcsolni. Kol van ezen a főkapcsoló, van e egyáltalán rajta, vagy az oroszok lespórolták?
Szevasz!
Ha jól emlékszem, az oldalán találsz egy potit, amivel ki kehet kapcsolni! |
Bejelentkezés
Hirdetés |






Köszi mindenkinek a segítséget 
