Fórum témák
» Több friss téma |
Fórum » Csöves erősítő készítése
Ne feledd betartani a fórum viselkedési szabályait, és a topik megmaradásának feltételeit. [link]
A téma átmenetileg fagyasztva lett, hozzászólni nem tudsz!
Szia!
Biztos, hogy nem. Az 560 ohm hogyan jött ki?
Mérőműszerrel mértem,ez egy középmegcsapolásos transzformátor,elvileg ez is rádióból van bontva. Gondolom én mint kezdő a témában a trafótekercselésre ne is merjek gondolni,vagy igen? A transzformátor két szélén mértem ezt az értéket,a közepe és a széle közt pedig 347ohm ellenálást mutatott a műszer.
Sejtettem, hogy a méréssel lesz gond. Nem ohmos mérés kell. Feszültséget kell mérni. ECL82 SE esetében mondjuk legyen 3,5W a cél. 8 ohmon ez kb. 5,3V. Az ECL82 illesztése SE-kén 200V-os anódfeszültség mellett 5600 ohm és a kimenő teljesítménye 3,5W (k=10%). Tehát az áttétel 5600/8=700 és ennek a gyöke kell, ami 26,45. Tehát ha a szekunderre 5,3V körüli váltófeszültséget adunk, akkor a primerén 140V körül kell mérnünk. Ha ezt teljesíti a trafó és légréses, akkor jó lehet (nem kell pontosan, csak kb.). Remélem jól vezettem le a számítást.
A transzformátor szekunderére kapcsoltam 6V váltóáramot,primer oldalon így jött le a feszültség: 174V-o-181V kijövő váltakozóáram. Így már másabb az eredmény?
Ember! Elvileg elektronika lesz a szakmád. Két éve a fórumon vagy. A transzformátor egyenáramú ellenállásainak arányainak semmi köze a trafó áttételéhez. "Képezd magad olvass többet" (Bikini)
Nem teljesen egyértelmű, hogy ez eredetileg is kimenőként funkcionált-e, mert nem írtad le, hogy miből van és légréses-e. A kimenőket szokás osztogatni (elképzelhető, hogy kettő primer között van egy szekunder), de amit mértél túl sok és ennyiből nem lehet megállapítani a dolgot. Ráadásul a teljes primeren kell nézni a feszültséget., Ami nálad 174+181=355V. Ez bizony hálózati transzformátor lesz egy nem túl jól sikerült szimmetriával és szerencsére a fűtőtekercsre adtad a 6V-ot, ami kb. stimmel is. Szóval én azt mondom, hogy ez nem lesz jó a célra, de tápot tudsz majd adni vele az erősítőnek. Kép is segítene. továbbra sem tudom, miről van szó. Mert nem írtad le a lemezelést és esetlegesen ,hogy honnan termelted ki, hány kivezetése van stb.
Mielőtt tovább mész, javaslom, hogy olvass utána a dolgoknak egy kicsit. -> Ez nem vicc, mert az életeddel is játszol. Ha nincs körülötted hús-vér segítség, akkor jobban készülj rá a dologra! A hozzászólás módosítva: Dec 12, 2013
Meg trafóknál eléggé sok az az 560 és 8 Ohm, főleg, hogy DC mérés volt. Az a jó kérdés, hogy miből van az a trafó. Elektrotechnika órán mindig szó esik a trafókról. Komplett méretezés nem szokott lenni, de áttétel számítás, primer és szekunder feszültség, áram számítása már van.
A mérések alapján trafó kb. 1000 áttétellel rendelkezik. Tehát 4 Kohm/4 ohm, vagy 8 Kohm/8ohm
Igen, de impedancián ennek a négyzete számít (ha bele gondolsz, akkor nem lineáris az összefüggés, hanem négyzetes).
Ez a transzformátor egy régi rádióból van (szintugy elektroncsöves) annak volt a hangszóróján és a végcsövein. Biztos vagyok benne hogy ez a transzformátor a végfokcsőé volt,mivel a hálózatit még most sem sikerült azonosítani.
Hirtelen a Budapest rádió ugrott be, mert a mérés alapján, ha ez tényleg kimenő, akkor EL84 PP lehetett. De sok kivezetés van rajta és a rádióban amennyire én tudom, nem volt szokás kivezetni a primer összekötéseket.
Jó lenne tudni a rádió típusát. A budapestnek az oldalára van a tekercselrendezés nyomtatva.
Ez egy 60-as évekből származó Videoton rádió/TV kimenője. Ha a cső ECL, akkor rádió, ha PCL, akkor TV. Illene egy szigetelésmérőt ráakasztani.
Ez alapján akár még jó is lehetne. Végül is nincs nagy illesztési különbség a két cső között. Szólni fog valahogy...
Ha minden igaz, egy gerjedésgátló tekercs is van a szekundernél, azért van ennyi kivezetése. Nem baj, ha ilyen kicsi, gitárerősítőbe jó lehet.
Találtam egy jó oldalt, ahol sok elektroncső adatlapja fent van.
Ha valaki ismeri, akkor elnézést: Bővebben: Link
Üdv! Szeretném megkérdezni, hogy a Budapest rádió kimenő trafóját mekkora teljesítményig lehet használni? Nekem gitárhoz kellene, szóval gondolom ott nem nagy gond a kis keresztmetszet. És még ennyit kérdeznék, hogy hogyan deríthetem ki, mennyire megbízható a szigetelése?
A pontos rádió típust sajnos nem ismerem,de biztos hogy rádióból származó trafó és a hangszóró és a végerősítő cső között volt. Annak a rádiónak vár még azonosításra a tápegysége,mert azzal szeretném a csövet működtetni,mivel az már fel van tekercselve minden feszültséggel. Holnap még írok hogy mi a típusa a rádiónak és a transzformátornak. Elnézést hogy szó nélkül eltűnten UPC-s net szétkapcsolt,ezért nem tudtam eddig írni.
A cső nem ezé a rádióé volt ezt már később úgy kaptam A rádióalkatrészeket is kaptam,ezért nem tudom hogy milyen típusból valók. Ezt még holnapra kiderítem és akkor kapcsolás szerint már az is megmondható majd hogy a táptrafó kimenetei hol helyezkednek el.
Szia! Írták nemrég, hogy 7.5W-ot tud 10% THD mellett. A szigetelést pedig szigetelésvizsgálóval kell ellenőrizni. Ha van villanyszerelő ismerősöd, kell, hogy legyen nála ilyesmi. Egyébként illik 1000V-on mérni, az egyik kivezetést valamelyik primer, a másikat a szekunder egyik kivezetésére kell kötni. Majd ugyanezt a vasmag-primer, vasmag-szekunder között el kell végezni. Az érték több legyen 2 Megaohmnál, akkor megfelelő.
Mi a régi cégemnél 22kV-al néztük a szivárgó áramot.
Az előírás maximum 5uA volt, 10s-os időlimittel. Persze hogy a régi trafók mennyit bírnak, arra kíváncsi lennék.
400/230-as eszközöket vizsgáltatok ekkora fesszel? Ha a régi trafókat jól csinálták, akkor 1000V-ot ki kell bírjon.
[off]Villamos motorokat max. 2250V-al vizsgálják...
Trafókra 2xkapocsfeszültség + 1000V A hozzászólás módosítva: Dec 13, 2013
A vevő előírása volt. Bocs 2.2KV (kimaradt a pont)
Nem trafót igaz, hanem kapcsolóüzemű tápegységeket. A sasszéra az egyik pólus, az N-re, majd az L-re a másikat. És még volt pár extra vizsgálat, ami a földelés jóságára volt kihegyezve.
Ezt a kapcsolást néztem ki a fórumon,mert ebben már benne van a bemenetnél leírt kondenzátor is,és benne van a cső pontos lábkiosztása is. Ez a kapcsolás működőképes az én transzformátoraimmal? A 250V-os csőtápfeszültséghez lehet berakni 250V-os 820µF-os kondenzátort vagy abszolut nem szükséges?
Szerintem neked nincs ECL 82-d. Azonkívül, ha így építed meg, életveszélyes! Az anódfeszültséget egy autótrafó állítja elő. Fémesen érintkezik a hálózattal. Neked ECL 86/PCL 86-os kapcsolás kell. Fogsz találni.
Az ECL86 kapcsolása jó az ECL82-csőhöz? Nekem ECL82-esem van itthon. Azért is néztem ezt a kapcsolást. És mi lenne ha annyit változtatnék mint itt a képen is látszik?
Ez így már jobb, egyenirányításnak Graetz-híd, pufferkondit növelheted akár 470µF-ig is. Többet nem biztos, hogy bír a dióda. Próbálkozásnak jó az a kimenő, bár átszámolnám az illesztést. Az anód felől 4.5 kOhm van odaírva. A kimenőd meg 5.6kOhm/4 Ohm, ilyeneket gyártott a VT. Ha beválik, érdemes tekertetni hozzá kimenőt. Az elejéről kivenném a hangszínt, csak a hangerőt hagynám. A katódból kivenném a kondit, bár, ha jobban tetszik, benne maradhat. Ezt már neked kell eldönteni. Egyébként a 82 nem egyezik meg a 86-al. A 86-os többet tud.
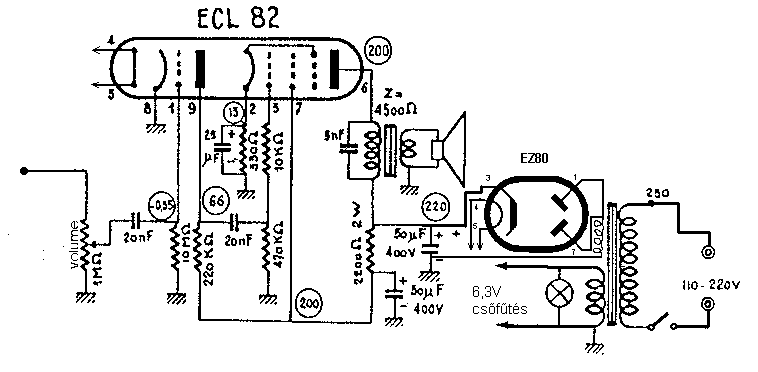
Így módosítottam a kapcsolást. Ez a kapcsolás így már életképes? Azért raktam bele az egyenirányítócsövet,mert úgy kicsit még nosztalgikusabb a dolog,sajnos a varázsszemcsövemhez hangolásmérő áramkört viszont nem tudok készíteni,így azt kihagyom a projectből. Egyébiránt karácsonyi ajándéknak készül ez az erősítő papámnak aki már ezeket az utakat végigjárta,és szeretném neki megmutatni hogy ez a technológia sem halt ki még,csak ujra lett értelmezve egy kicsit. Remélem tetszeni fog neki,ő tanított engem is az alapokra szeretnék neki valamit visszaadni aból amit kaptam tőle.
És ha csak egyszerűen egy EZ-80 csővel végezném el az egyenirányítást?
|
Bejelentkezés
Hirdetés |







