Fórum témák
» Több friss téma |
Mielőtt kérdezel, a következő két dolgot ellenőrizd!
I. A helyes tápfeszültségek megléte.
II. A kimeneten van-e egyenfeszültség.
Élesztés.
Igen láttam, illetve 2119 az ic csak elírtam
Megszólal de elég gyatra.
A tápfeszültségeket mérted? +33, -33, +32, -12,5?
Még régebben, de csak a +33-t és a -33-t, a többit hol találom?
Belinkeltél egy Service Manual-t. Nem tudsz rajzot olvasni? Millió egy feszültségérték van feltüntetve. Pontosabban azok amiket mérni kell.
Lehet hogy vak vagyok, de sehol nem látok -12,5 V-ot. A tranzisztorokat és az előerősítő fokozatot az STK nélkül kimértem anno, a kollégák bólintottak hogy azok jók. De megmérem még egyszer az IC-vel is őket.
Közben megtaláltam mire gondolsz csak rossz oldalt bújtam A hozzászólás módosítva: Jan 13, 2014
Nem biztos, hogy rossz félvezető a hiba oka.
A +33 mért értéke 35,2-35,4 mínusz ágban ugyanez a helyzet.
A +32V-nál hasonló eltérés jelentkezik. A -12,5V-t a 6539-es diódán mértem, katódján +11,8 az anódján -11,8
Nagyon szépen köszönöm ezt a hamari választ, és akkor az erősítő hány W-ot fog tudni leadni ? és hány V kell neki ? ja és azt meg lehetne oldani hogy kapjak a szub szűrőről egy kapcsolást ? de csak ha nem gond.
Köszönöm mégegyszer.
Hello!
Szerintem 20-24Weff között lesz valahol a maximálisan kivehető effektív teljesítmény. Lehet, hogy nem számoltad bele a fetek UG-S feszültségét. Katalógus szerint 3V körül van tipikusan. Sorban van kötve az ic tápfeszültségével még egy dióda is, meg egy 470 Ohm, azokon is esik a feszültség. Csúcsban, jó esetben kb. 11-12 V -ig lehet kivezérelni a végfokot, ha jól számoltam.
Sziasztok!
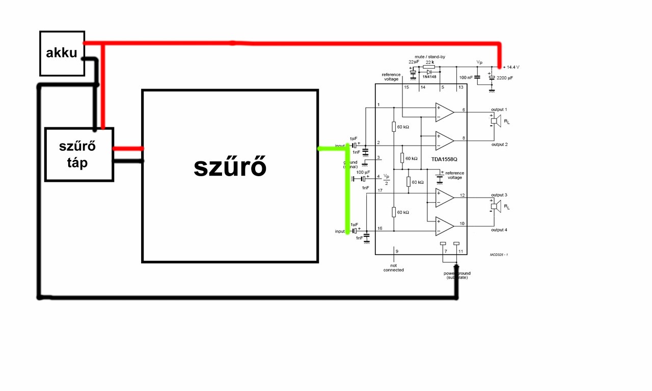
Után építettem a tervek alapján egy hidalt verziójú TDA1558Q erősítőt. Olyan problémám lenne, hogy egy motor aksiról tesztelem, egy autós SAL mélynyomóba kerül aminek meghalt a beépített erősítője. A hangszóró dupla tekercse ezért választottam ezt. Olyan problémám lenne, hogy ha egy tápról hajtom meg az erősítőt és a hangváltót akkor valószínűleg földhurok keletkezik és a hangszórót lengeti ki-be. Ha az erősítőt pl laptopról hajtom tökéletesen szuperál. Ha a szűrőt rá kötöm a házimozira, akkor nincsen baj, megy szépen. Ha a végfokot hajtom meg másról tökéletes, amikor összekötöm a meleg pontokat a panelok között onnantól indul meg a baj. Valószínűleg földhurok lesz vagy valami. A membrán ki-be jár. A hangerő változtatásával változik a frekvencia. Mind ez 0 bemenetnél is. A szűrő táp csak az aktivnak biztosítja a feszültségeket, a negatív át megy rajta csak, A két panel közötti hangnak az árnyékolását nem kötöttem össze, mert mind a kettő a nullán van. Találkozott valaki ilyen esettel, illetve valakinek lenne ötlete hogyan lehetne orvosolni a problémámat?
Aha, megvan a ludas...
![]() Egymásra dolgozik a két végfok. Nem illik két külön végfokot egy hangszóróra dolgoztatni. Mivel a két tekercs ugyanabban a mágneses térben van, tulajdonképpen olyan, mintha összekötnéd a két végfok kimenetét, a két végfok egymásra dolgozik. Dupla tekercses hangszórónál vagy sorba, vagy párhuzamosan kötik a két tekercset, attól függően, melyik megoldás a jobb az adott helyzetben, az adott végfoknál. De mindig egy végfokról illik meghajtani, akárhogy van összekötve a két tekercs.
Sziasztok!Tanácsot szeretnék kérni,hogy beindításra került egy Orion se-260 as modul,de valami gond lehet vele,mert nem adja le a kellő teljesítményt,és a P1402 munkapont állító 1k trimer,teljesen hatástalan,nem reagál az áramkör az állítására.És a kimeneti DC szint állító trimert teljesen le kell vennem,és úgy is még 0.06mv van a kimeneten.A másik panel elsőre elindult,ott letudtam venni 0.01mv ra,és a trimer csak fél állásba van nem volt vele gond.Az értékeket össze mértem,és teljesen egyformák.
Tudnátok tanácsot adni hogy hol keressem a hibát?
Szia! Te 0.01 mV ról beszélsz, akkor nem kell vele többet foglalkoznod, az így is hibátlan érték. A potival nem is tudsz ilyen értéken belül állítani. Vagy valami félreértés van a dologban.
A hozzászólás módosítva: Jan 13, 2014
A p2401-el tudom állítani a kimeneti dc szintet,a 4k7 potival,de most az a gondom,hogy nem adja le a kellő kimeneti teljesítményt,míg a másik panel minden gond nélkül el indult.
És a nyugalmit szabályzó tranzisztor,T1404 bd139 teljesen hideg,míg a másik hibátlan panelon elkezd langyosodni,a bekapcsolás után.
Jó a kimeneti DC szintet beállítottad, tökéletes. A teljesítmény leadás értékébe ő nem szól bele.
A hozzászólás módosítva: Jan 13, 2014
Innen Reloop kollégánk (erősítő specialista) fog csak tudni értékes információval szolgálni.
A hozzászólás módosítva: Jan 13, 2014
Igen tudom,csak mindkét panelon egyformák a mért értékek,és az egyik modul valamiért nem akar normálisan működni.Pedig mindent a rajzban foglaltak szerinti alkatrészeket használtam föl,teljesen újak.
Mi az észrevétel a két csatorna között?
Hogy a jól működő panelt használva zörög az ablak üveg,és minden tranzisztor meleg,míg a másik,már 50%-os hangerőtől torzítva szól,és a munkapont stabilizáló tranzisztor teljesen hideg,a többi az meleg.A nyugalmit állító trimer mint ha ott se lenne,semmi változás az állításakor.Mivel bevan kötve a primer körbe egy 40w.os 220v os izzó,és akár hová tekerem a nyugalmi trimert,semmi változás az égő fény erejében.
Üdv!
De akkor miért csak akkor dolgozik egymásra amikor ez a rendszerbe van kötve? Amikor magába a végfokra külső jelforrást kötök semmi problémám nincsen, csak ha rákötöm a szűrőt. A hangfal eddig is ilyen módon volt meghajtva. Egyik bekötési oldalra az egyik oldal a másikra a másik A hozzászólás módosítva: Jan 13, 2014
A tűnetek alapján, pont a munkapont stabilizáló tranyó lehet a bűnös. Mivel sok ellenálás van a környékén mérve ugyanazt kaphatod. Cseréld ki és meglátod.
Valószínűleg amiatt, mert alacsony frekvencián nem azonos a két végfok átvitele.
Vagy fázismenetben, vagy frekvenciamenetben eltérnek a paramétereik. Néztem a rajzot, én nagyobb kapacitású kondenzátorokat tennék a bemenetekre. Szub tartományhoz nekem azok kevésnek tűnnek. Lehet, hogy meg kellene még a fél tápfeszt hidegítő kondenzátort is növelni az Ic 4-es lábán. Ha ez sem jön be, végképp nincs már ötletem...
Rendben cserélem,és írom az eredményt.
A mély tartománnyal nincsen baj.
Laptopról meghajtottam mély vágással. Adta neki szépen. Az a gond hogy az aktiv szűrőt rákötöm a jelenség 0 bemenetnél is előjön, a kérdésem megy a földhurkos témába is. Kaptam két rajzot hogyan lehetne bekötni még. Holnap letesztelem azokat is. Hátha segítene. A hozzászólás módosítva: Jan 13, 2014
Nos ki cseréltem a bd139-et Tip 41 re,és ugyanúgy teljesen hideg.
Na meg most már nem lehet annyira döngetni,mert a család többi tagjai már alszanak,de holnap reggel azonnal ki próbálom,és meg írom hogy mi lett a vége.
Be kötöm a másik panelt,és meg nézem hogy ott hogyan kezd melegedni.
Hát nem nyert,levettem a bordáról,és az is teljesen hideg.akkor nem értem ez a panel jó,a másik pedig valamiért nem akarja az igazságot.
Pedig a bemenő jel erőssége is meg felelő.Hogy mért kezd el torzítani fél hangnál a jó fene tudja. |
Bejelentkezés
Hirdetés |




Megszólal de elég gyatra. 





