Fórum témák
» Több friss téma |
Fórum » Házilag építhető fémkereső
A 0.4 négyzetmiliméter keresztmetszetű vezeték átmérője 0.7mm.De ha megnézed a silveres oldalt (7. ) én már ott feltettem a kérdést,hogy biztos ez és megerősítették.Akkor mi az igazi
átmérő? Köszi!
Javítson ki valaki, ha rosszul mondanám.
A tekercselő huzalokat átmérőben szokták értelmezni. A szigetelt huzalokat, fali vezetékeket, hangszóró kábeleket, stb, pedig kvadrátmilliméterben. A leírásban tényleg kvadrátmilliméter szerepel. Ha a képeket nézem, akkor azok alapján 0.4 milliméter átmérőjű vezetékből tekerhették, mert nem ennyire vastag a kész tekercs.
Ez volt nekem is gyanús,mert a képeken nem látszik ennyire vastagnak,de aki még nem csinált ilyet az elhiszi a profiknak,hogy így jó.Te milyenből csinálod?
Ilyent nem csináltam még, mint ami a leírásban van, de a 0.4-es átmérőjű huzalt, vagy kissé vékonyabbat, azt reálisnak tartok.
Én már csináltam 0,4 miliméter átmérő-ből is csak mikor azt mondták hogy félre értelmezten a méreteket,azt szögre akasztottam,de még megtaláltam. 120 menetes 10.8 ohm 5 miliH.a100 menet 9 ohm 3.66 miliH.Akkor még akár jó is lehet?
Köszi a biztatást,akkor ha pihent leszek ezzel próbálkozom.Egyébként ehhez a silverhez kellene.
Ezeket a fényképeket egy lelkes után-építő barátomtól kaptam.
Figyelmet érdemel a fej offszet beállító nyitófüle, és plombája. A spanolóágacskák helyes használata, és az ergonomikus fölvezetőszár. A fölvezető szár és a fej kapcsolatához használt bálamadzag is helyesen, rövidre zárt menet nélkül került a helyére. Igazi túlélő gép. Ha most idetenném a talált ezüstök képeit is, hát nem hinnétek nekem.
Tehát már a hunok is használtak fémkeresőt.
TGSL építőknek egy érdekes elrendezést találtam. Ha valaki összehozza, megnézném! Hibákért felelősséget nem vállalok, neten találtam.
kvadrát egy területegység (3,6négyzetméter), ebben az értelemben nem társítható másik mértékegységgel. Négyzet (mint jelentés) úgy társítható, de akkor meg hívjuk négyzetmilliméternek.
Lehet, hogy igazad van, de valahol a kifejezés a 4-es számból ered.
Mifelénk sok helyen alkalmazzák, sok szakmánál. A kábeles boltban is csak így mondja a szaki.
Amit nagyapám sublernek hívott, azt mások tolómérőnek mondják, csak ő a német mercedes gyárban tanulta ezt 1920körül. legközelebb kérd meg a bótost, ellenőrizze a sublerrel, meg kérdezd meg, milyen srófhúzója van (ezt is a nagyapámtól tanultam).
De mit szólsz a hosszúkás tgsl-hez?
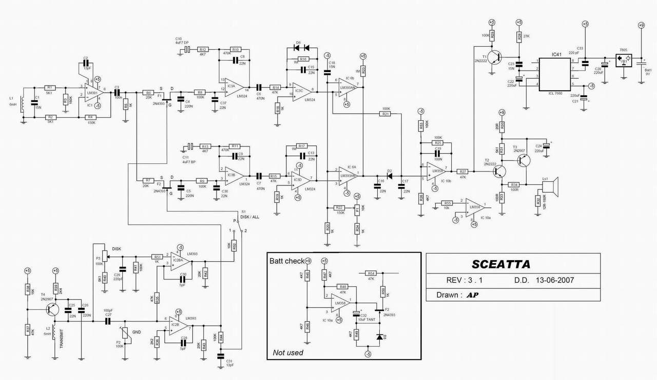
Elég jó megoldásokat látni benne. A disc csatorna fázistolója elég egyedi, és a 7660-ról szedett hangfrekis jel is jó ötlet.
Meg tudod nézni, ugyanez a nyák, itt tesztelgetik. Nagyjából annyit tud amennyit a rajz alapján az ember saccolna. Nagyobb oszcillátorjellel, meg a fetek helyett valami odavaló IC-vel gondolom ez is jobb lenne. A tápját sem így csinálnám meg hanem simán megfelezném egy OPA-val a 12V-ot, ahogy az SMW-ben is van.
Sziasztok!
Megtaláltam az SMW V2.0- tekercs adatait 65-75 menet adó, és 160-170 menet a vevő 0,4 mm huzalból. Az SMW V3.0 -ban is aktuálisak ezek a tekercs adatok?
Nekem Motyo fórumtárs az adónak 0.20mm-0.25mm 70 menetet és a vevőnek 0.27mm-0.35mm 170 menetet javasolta a 28cm-es SMW3-as fejhez
Még nem volt időm kipróbálni.
Ilyesmi fejet szeretnék készíteni az SMW 3 -nak. Szerintetek megfelelő lenne?
Kissé belekeveredtetek. Az adó készül kevesebb menettel, és vastagabb huzalból. A vevő vékonyabb huzal, és több menet. Az adó tekercs huzalja 0.35-04, a vevő pedig 0.16-0.2 körül.
Egy ilyen felépítésű fejet meg tudsz csinálni úgy, hogy lakásban működjön. Ha lehagyod róla a sok fém alkatrészt. De ha kiviszed, meglóbálod a vizes fűben, akkor negyed óra alatt annyi vizet magába szív, hogy az fogja a fejet működésképtelenné tenni. A fölvett víztől annyit duzzadhat a fa. Attól pedig a fej szélsőségesen elhangolódhat. Kiszáradáskor pedig vetemedik.
Dehogynem. Az pont kiderül, hogy ha a levegőben csak 20cm-ről hoz egy érmét, akkor a talajban nem fogja 25-ről...
Hogy mennyivel lesz gyengébb a talajban az meg a talaj, meg a jelfeldolgozás függvénye, van amelyik sokkal, és olyan is amelyik kevésbé.
Az adó 65-75 menet 0,4-es átmérőből, a vevő meg 160-175 menet 0,2-esből. De ha sok a felesleges huzalod én megpróbálnék egy olyat is hogy az adó 10-20 menettel több, a vevő meg annyival kevesebb. Aztán vagy jobb lenne vagy nem.
Biztos hogy nem lesz jó. A hordozónak olyan anyagból kell lenni ami semennyit nem deformálódik a kiegyenlítés után. Ilyen nyilván nincs mert hőtágulása minden anyagnak van, de a fa az az egyik legrosszabb ebből a szempontból, és akkor még ott van a külső-belső nedvesség is (mert a fának saját nedvességtartalma is van, akkor is ha száraz).
Nekem van egy tippem: mesterséges rubintból.
Bővebben: LinkEz az anyag hőre szinte alig, vagy egyáltalán nem tágul. Azért is használják 3 koordinátás mérőgépeknél mérésre.
Hogy ez nem jutott eszembe.
![]() Esetleg lehet kapni előre elkészített műanyag keresőfej sablont?
Ha a menetszámokról van szó , én is kérdeznék. Igsl beállításával próbálkozom kisebb-nagyobb sikerrel. A tgsl leírása alapján készítettem, a 0,25 helyett 0,28-as vezetékből 98 és 107 menettel. Ez így jó lehet hozzá? Mateatek, köszi a segítséget.
Szomorúan konstatálom, hogy nem olvasod a hszeimet. Teljesíthet a talajban jobban is, rosszabbul is. Ha a gép a talajhoz van hangolva, és jó is, a talajban nagyobb távolságot tud hozni az apró tárgyak jelentős részére. Persze ez függ a tajaltól, biztos más lesz a nedves/száraz, homokos/agyagos, stb. Az más tészta, hogy amikor gépet épít valaki, a levegőben hangolja addig, míg a maximumot ki nem hozza, de ez nem mérvadó, mert ilyenkor rendszerint már a földhatás nincs kihangolva.
Más a földhatást kihangolni (pl ferrittel) és más a talajhoz hangolni. Ha a gép a talajhoz van hangolva, nem önmagában a tárgyat érzi, hanem a talajban keletkező anomáliát is.
egy gránittömbbe is lehetne, amin a mérőgép áll.
|
Bejelentkezés
Hirdetés |



















