Fórum témák
» Több friss téma |
- Ez a felület kizárólag, az elektronikában kezdők kérdéseinek van fenntartva és nem elfelejtve, hogy hobbielektronika a fórumunk!
- Ami tehát azt jelenti, hogy a nagymama bevásárlását nem itt beszéljük meg, ill. ez nem üzenőfal! - Kerülendő az olyan kérdés, amit egy másik meglévő (több mint 17000 van), témában kellene kitárgyalni! - És végül büntetés terhe mellett kerülendő az MSN és egyéb szleng, a magyar helyesírás mellőzése, beleértve a mondateleji nagybetűket is!
Csupasz köszi a választ!
De ez nem a te fajta leded. Már megjött de nem teszteltem. Írni akartam neked de akkor itt megteszem ma délután megjött a csomag.
Ezen a hőmérsékleten lehet. De ha beviszed a 950W-ot, nem ennyi lesz, hanem kb. 1000 fok. Az jó?
És ha nem viszek be csak 110v mellett 4.5A?
Ez nem így működik. Adott az ellenállás, a rajta átfolyó áram a rákopcsolt feszültség mértékétől függ. I=U/R
Igy mar értem. De akkor a hofokot hogyan szabályozzam? Mert ha a feszt felezem akkor az áram erosseg dupplaozi
Nem. Ha adott ellenálláson a feszültséget felezed, akkor az áramerősség is a fele lesz, a fogysztón a teljesítmény pedig a negyede.
Jó hatásfokú teljesítményszabályzó a PWM rendszer. A legjobb, ha egy kis mikrokontorllerrel csinálod meg. Annak kell 5V és egy poti, amivel a PWM kitöltését szabályzod. Ezekután már csak a megfelelő áteresztőelem kell, pl. egy MOSFET. Ha kibírja a feszültséget és az áramot, már készen is vagy. A hozzászólás módosítva: Jan 16, 2014
Ahogy a mosógépben is. Ahogy eléri a kellő hőfokot kapcsold ki. Ha alá hűl kapcsold vissza. Elektromos fűtéseket így szabályozzák.
Lassan el érkezünk a lenyeghez. De akkor alapbol rosszul tettem fel a kerdest mert a vesz felezesevel nem lesz kisebb a futoszal hofok. Egy kapcsolast kaphatnek amivel a hofokot tudni állítani?
Egyszerűbb lenne úgy válaszolni, ha elárulnád, mit akarsz melegíteni a fűtőszállal.
Egyszerűbb egy potenciométerrel beállítani a kellő feszültséget. Bővebben: Link Vs a bemenet (14 V), az Rl helyére pedig a mute bemenetet kötöd. Mielőtt bekötöd, mindenképpen mérd meg a feszültséget úgy, hogy a motort kb. 2000 fordulatig felpörgeted, akkor tuti megy már rendesen a generátor.
Akkor ha jól gondolom a pl az ma hangszorohoz hasznalt pwm tokeletes lenne?(irf740-el használom)
Bocs, de ha megkerülöd a választ, hogy mit akarsz fűteni,Bakman kolléga visszajut a simpi kérdéséhez.... Így nem tud segíteni...
Egy kisebb helyseg futesehez kellene ez. 50x50cm
Az ilyen kis helységeket általában fűtőtest + hűtőborda + ventillátor kombóval fűtik, ilyesmikkel: Bővebben: Link (ez nem az, de hasonlóan néz ki). Többnyire pár 100 W elég is. A hőmérséklet szabályzás külön történet, általában elég egy egyszerű termosztát. Az a baj a fűtőszállal, hogy nagyon nem levegőre van tervezve, a szabályzás sok felesleges veszteséget okoz, a hőátadás hatásfoka, mivel nincs rajta borda, nagyon nem jó, könnyen túlmelegedhet. Én a helyedben tuti ebben az irányba keresgélnék.
A hozzászólás módosítva: Jan 16, 2014
Sajnos csak ezt találtam itthon igy ebből kell gazdalkodni. De akkor az a tervem h a kitoltesi tenyezot alacsony rá allitom es mikor eleri a megfelelo hofokot lekapcsolom. Ha pedig csokkent mondjuk 3-4 fokot akkor bekapcsolom. A pl az plazma hangszóró pwm jo lenne ehhez? (Tl494) vagy hasznaljak 555-ot?
Találtam egy jobbat, mellékeltben. Cabinet Heater a kulcsfogalom. Szinte csak 230 V-os változatban létezik, tehát a teljesítményszabályozással nem kell foglalkozni. Megkapja a hálózati feszültséget és már fűt is. Egy termosztát lekapcsolja ha elég meleg van a kabinetben és kész. Nem mellesleg ez sokkal biztonságosabb is, mint a nem erre a célra tervezett fűtőszál alkalmazása.
Sziasztok!
A TN160-at tényleg csak 6 hónapig tudom felhasználni?
Mint mondtam csak futoszalam van ebből gazdalkodhatok. Szerinted az megfelelo lenne amit írtam?
Az alapvető baj igazábol az, hogy az alapfoglamakkal sem vagy tisztában, ezért is jött pár felhördülés az ötleted nyomán. Tényleg csak a jó szív szól belőlem, de inkább keress olyan valakit, aki ezt feladatot biztosan meg tudja ugorni. Ez általában olcsóbb, mint egy tűz/emberélet. Ne vedd sértésnek, mert mindenkinek megvan az a területe amiben jó, de neked nem az elektronika az.
Meg lehet csinálni a meglévő dolgaidból, de ahhoz szakértelem is kell. A hozzászólás módosítva: Jan 16, 2014
Sziasztok!
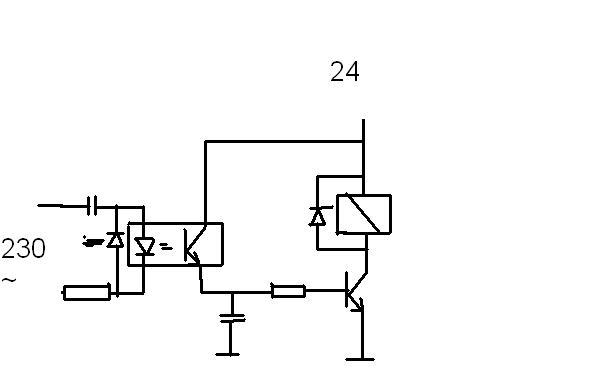
Alábbi kapcsolás alkalmas kikapcsolás késleltetésre? Ki kell-e egészíteni valamivel?
Ne haragudj, de sajnos ez nem kivitelezhető. egy vízhez tervezett fűtőbetéttel nem tudsz levegőt fűteni.
Koszonom megkaptam azt amihez hozza szoktam itt de adtatok most az egyszer egy jo otletet is a pwm kitoltesi tenyezovel.
Arra azért figyelj, hogy amit csinálni akarsz az tűz- és életveszélyes!
A dolog egyszerű. A 230 V-ot egyenirányítod, kondi rá a szűréshez (kapsz kb. 320 V-ot). A kimenetre rákötöd a fűtőbetétet és vele sorba a FET-et. A vezérléshez kell egy küön áramkör, akár egy 555-ös IC-vel is. Igaz, ezzel nem lehet nullára lemenni illetve 100 %-ra felmenni, de talán jó lesz.
Rajzot nem tudok adni, perpillanat csak a céges laptop van nálam, erre pedig tilos bármit is telepíteni (még Paint sincs rajta ).
Nagyon szépen koszonom a segitseget. Igy végre össze állt a kép teljes mertekben. Ez érdekelt volna 40 hozzaszolas óta
es igen meg ugrik a vesz. De amint lathatod elozo oldalon azt írtak pl h a fesz nem nől. Szóval poén...
Senki nem írta, hogy a fesz nem nő. Kadarist azt írta egyenirányítással nem nyersz több áramot. A két dolog nem ugyanaz és neki van igaza. Legalább olvasd el ki mit ír. Különben hiába ír bárki bármit. Szerintem még egy kicsit tanulnod kéne.
Koszonom neked is ezzel a hozza szolassal meg elorebb jutottam! De h tisztazzuk. Ha 115voltot raengedek 2.25 ampert vesz fel. Es 250w-os lesz. De ekkor mar a homerseklet is le fog csokkeni vagy ugyan ugy felmelegszik mondjuk 1000 fokra mintha 230v lenne 4.5 amperrel.
A hozzászólás módosítva: Jan 16, 2014
|
Bejelentkezés
Hirdetés |












