Fórum témák
» Több friss téma |
Mielőtt kérdezel, a következő két dolgot ellenőrizd!
I. A helyes tápfeszültségek megléte.
II. A kimeneten van-e egyenfeszültség.
Élesztés.
Az egyik csatornan az ellenallason 140mv koruli feszultseg volt, a masikon meg 1.5mv koruli. Gondolom az utobbinal zarlat van, mert ott mikor mertem az izzo fenyereje valtozott. A szekreny tetejen tartom ameddig idonkent belenezek, es mikor feltettem utoljara meg mindket csatorna "rendben" volt. Lassan kezdem feladni a javitgatast, azon gondolkozok, hogy elvinnem az egyik ismerosunkhoz, o belenezne.
Hali!
Igen muszáj neki!
Szia
Ezt régebben mint elvet láttam már japán erősítőben, japán amatőrök ezt FET-el csinálták meg. Magát a kapcsolást azt hiszem ciklotronnak nevezik, és lényege a szimmetrikus felépítés, és az, hogy azonos struktúrájú tranzisztorok kellenek hozzá, ennek ellenére emitterkövetős végerősítőről beszélünk. Istentelen jól szól, deszkamodellen megépítettem , sajnos elég spéci táp kell neki(elektroncsöves terminológiában hasonlít a PPP-hez). Szerintem hasznos anyag ![]() Bővebben: Link A hozzászólás módosítva: Jan 16, 2014
3-3 elfér a bordán én is úgy akartam megcsinálni. függ a TÁP-tól is az nem látszik mekkora a trafód.
hali mindenkinek.
mit szoltok ehez a kapcsolashoz tad7294 ic-er épül hidba kötve. tda7294 hidkötésel üdv janos
Szia!
Ez a pedró féle kapcsolás ez jó konstrukció,csak ajánlani tudom,nekem is volt már ez a hidas kapcsolás,és nem volt vele gond soha.
Én is megcsináltam, egész jó kis kapcsolás! Nyugodtan készítsd el!
hali(ide jönne a felkiáltó jel)
köszi a gyors valaszoka(itt lemaradt a t betű, és a pont) még az lenne a kérdésem (a hogy elé mindig vesszőt írunk) hogy ha (egybe írandó) ezt sudnak tenén (ez értelmezhetetlen, talán szubnak tenném?) és melé (a mellé két l) jöne (jönne két n) 5 db ijen (ilyen ly-vel írandó) végfok (ide vessző kell) csak sina (n van m helyett) mono (ide vessző kell) akor (akkor két k) mijen ( a milyen is ly) sub (szub, nem kell még angol is) szüröt (szűrő hosszú ő, ű) rakjak hozá (hozzá két z, és hiányzik a vessző) ami tenyleg (e helyet é kell) jo (hosszú ó a jó) hangzást biztositana? (a biztosítana hosszú í) A mondatokat pedig a világon mindenütt, nagy betűvel kezdik. Mod. A hozzászólás módosítva: Jan 17, 2014
Lőrincze tanár úr most kezd kaparni a koporsó alján lefelé.
A hozzászólás módosítva: Jan 17, 2014
Tisztelt hozzáértőbbek!
A segítségeteket szeretném kérni a következő feladatban: adott ez a rajz, a kérdés az lenne, hogy hogyan tudom azt a differenciál erősítőt kiiktatni úgy hogy csak a végfok maradjon? Egy triódás előfokot szeretnék elé, csak nem tudom melyik lesz a bemenetem az előfok nélkül. A hozzászólás módosítva: Jan 17, 2014
Mi a vélemény erről a kapcsolásról ? Nem lehet valami szuper minőség de azért mégiscsak kell menjen
Szia! VT4 és attól visszafelé már nem kell. A VT5-ről vigyél egy-egy ellenállást a táp ás a test felé, hogy azon továbbra is előfeszítő feszültség alakuljon ki a teljesítményfokozat számára. Az impedanciát tudod majd illeszteni?
Javaslom itt folytassuk!
Itt ez a szörnyűség egy másik rajzolatban, így már talán láttad is korábban.
Működőképes, és itt végére is értem a pozitív tulajdonságai felsorolásának.
Szia ez nem szörnyűség, hanem röviden 4 betű.
Üdv!
Ezt én is meg csináltam anno régebben,de hogy 150w nem jött ki belőle,az is biztos. Esetleg,és jobb esetben 100w,de nem a legjobb minőségben.
Üdv!
Hát nem döngetésre készült az biztos.Otthoni,lájtos viszonylatban el lehet vele zenélgetni.
Szia reloop!
A másik témában írtam neked!
Szia. Közbe készültem neked egy kis meglepivel. Megterveztem és nyákba ültettem a stereo Class A erősítőt. Annyi változás lesz hogy a nyákról le lesz tisztítva a fotólakk és be lakkozom szép átlátszóra.
Üdv:Levente
Sziasztok.
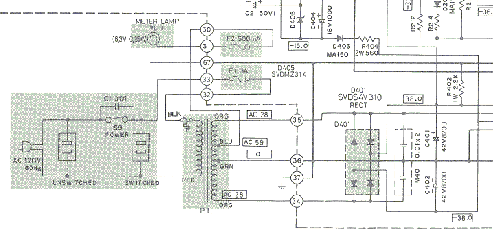
Kaptam egy TECHNICS SU-7300 K típusú erősítőt. Elvileg üzemképes, csak a transzformátor hiányzik belőle. Esetleg nem tudnátok adni egy kapcsolási vagyis inkább bekötési rajzot hozzá? Kis tüskék vannak a panelon amire rá voltak csavarva vezetékek. És nem nagyon tudom hogy hova mi kell. Valamint abban tudnátok segíteni hogy mekkora teljesítményű trafó kell hozzá. Van itthon egy 24V 300W-os azzal meg tudnám hajtani egy próba erejéig hogy valóban működik e? Csatolok egy pár képet.
Szia! A fél szekunder helyére beiktathatod a 24V-os trafót próba erejéig. Az izzólámpás áramkorlátozást ismered? Ha nem keress rá itt a témában!
Az eredetit mellékelem.
Ennyire azért nem vagyok benne az elektronikában.
![]() Nekem valóban csak a hobbim. De majd keresgetek. A trafó gyári feszültségét és teljesítményét nem tudod véletlenül?
Így kell a fórumban keresni.
A feszültség rá van írva a kapcsolási rajzra, nézd csak meg! (Szerk.: a primer feszültség értelem szerűen 230V) A transzformátornak kb. 150VA-t kell tudni, ez 3A-es szekundereket jelent. A hozzászólás módosítva: Jan 17, 2014
Szia! A rajzon szimmetrikus tápfeszültség látható,ami 2*28VAC az erösítő 34-35-ös tüske a meleg pont 36 a test.Van egy segéd feszültség is ami 5,9VAC és a 30-as tüskére csatlakozik.A puffer elkók 8200uF42V-ak a 28VAC-t ne nagyon lépd túl.
A biztonság kedvéért berajzoltam mely pontokhoz menő vezetékekre kötheted a 24Vac-t. A doksi szerint narancs és zöld. Bármiben bizonytalan vagy inkább kérdezz!
Üdv! Van itthon egy Videoton ra 6363 S erősítős rádióm, amit kaptam, viszont nincsennek benne végfokok. Kinéztem egy KIT-et, pontosan Bővebben: Link Ez jó lehet bele esetleg?
Sziasztok lenne egy olyan kérdésem, hogy van az autós szubcsövem és azt a jelenességet vettem észre, hogy ha feltekerem a hangerő potit, zárt bemenetnél kb 50% ra el kezdi mozgatni a membránt, de ha vissza tekerem 50 alá abba hadja. Mitől lehet ez? A szűrőnek lenne egy háttérzaja, amit az erősítő ilyenkor felerősítene ilyen formába?
Szia! Pár Vidi már ezzel megy. Nem is rosszul
Sikerült egy kis életet lehelni bele. Viszont nem igazán az történik aminek egy erősítőben történni kellene.
Hangot nem hajlandó kiadni majából, viszont az megfigyeltem hogy mikor véletlenül hozzáértem a bemenet kábeljához kézzel (jack) és fel volt tekerve a hangerő teljesen akkor a hangszóró ugrált és búgott, levettem hangot 50% alá akkor nem csinált semmit. ez mire utalhat? Könnyen javítható illetve megtalálható probléma? |
Bejelentkezés
Hirdetés |






















