Fórum témák
» Több friss téma |
Nem régen mértem egy csomó új, de 35 éves elkót. 1000µF helyett jellemzően 1200, 4700µF helyett 5500, 10000 helyett 12000-es mértem. Az ellenállásuk is igen jó.
Bontott, 35 évesről volt szó. Működés közben, melegedésre kiszáradnak, vesztenek a kapacitásukból, nővekszik az ESR -jük.
A hozzászólás módosítva: Jan 27, 2014
Te kapartad le a "kupakot" vagy ledobta? Mert ha ledobta, lehet megvan egybe, és azon rajta van. Láttam már ilyen jelenséget, és szerencsére a teteje nem volt megsérülve, és le lehetett olvasni a típust.
Sajnos így kaptam, biztosan ledobta a kupakot, de nincs meg.
Szia!
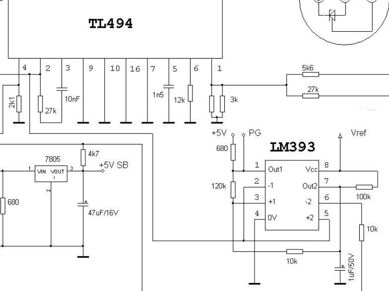
Hogy növeljük a lehetőségeket, még komparátor is lehet. Vissza kellene rajzolni a környező alkatrészeket, hogy mi-melyik lábra honnan/hova megy, abból (remélhetőleg) okosabbak leszünk. Idézet: „egy szobabicikliből való TL494 alapú 0-24V feszültségszabályzó” Én is csak ennyit tudok róla, de a kérdezőtől egy kicsit pontosabb behatárolás is segíthet.
Délután szétkapom aztán megpróbálom visszarajzolni. Egy TIP42C-t hajt a TL494, nem tudom, hogy az adott IC-n keresztül-e.
Szobabicikliben az elektromágnes feszültségét lehet vele állítani 0-24V közt, a szélesebbik csatlakozóra megy a bicikli számítógépe, amiről lehet állítani a tekerés nehézségét. Az U1-es az egy 7815, a számítógép 15V-ját állítja elő.
Akkor marad a visszarajzolás, vagy esetleg a bicaj pontos típusa, és a neten nézelődni szervízdoksi után, vagy ilyen panel után, amiről le lehet nézni az ic típusát.
Egy fénycsöves izzót szedtem szét, kiderült, hogy a fénycső izzószála szakadt. Kérdés a benne levő alkatrészek jók -e. A tranzisztor? H13003 számú.
Csináltam egy mórickarajzot róla. Pár alkatrészt kihagytam (szűrőkondenzátorok, stb).
eyess: Az elkót tudom, hogy el van durranva. Mindent cserélni fogok rajta. Állítólag feszültségadásra füstöl a tranzisztor vagy a 7815-ös. A TL494 lábai szét vannak oxidálódva, mintha vizet kapott volna.
Hello! Szerintem ez inkább egy LM358. Úgy gondolom, hogy a PWMIN (ami szerintem nem PWM csak analóg jel) felől érkező jelet összehasonlítja, a mágnesszelep áramával, így szabályozza a fékerőt. A trimmer lógó lába meg a GND-n lesz. üdv!
Én is műverősítőre gyanakszom, mert a negatív visszacsatolás elég fura lenne komparátornál (szerintem).
A hozzászólás módosítva: Jan 27, 2014
Igen, a trimmer lógó lába a GND-n van. Pár ellenállást is lehagyhattam róla. Most nézem, hogy a keresett IC 3-mas lábán van egy elkó (PWM jelből így nem alakíthat analógot?).
Erre a panelre van kötve a számítógép, LCD-vel, gombokkal. Gondolom, hogy ott be lehet állítani, hogy milyen nehéz legyen tekerni a biciklit és az alapján szabályozza az elektromágnes feszültségét. De lehet, hogy a pedálozás sebessége is közrejátszik, ahogy proli007 írja. Sajnos nem láttam működni.
Hány éves a kapitány? Ki kell próbálni, meg kell mérni. Ez távolról nem megy. Tranzisztor adatlap Alkatrész mérés segédlet Kipróbálni egy hasonló teljesítményű működő kompakt fénycsővel, vagy hagyományos fénycsővel (neon) tudod.
Sziasztok!
Nem tudjátok véletlenül mi lehet a csatolt képeken? Valamilyen csatlakozó része? Csak így volt külön, régi alkatrészek között, de több méret is van belőle. Az egyik oldalán mintha színkód lenne, de nem tudom... Köszi előre is!
Sziasztok, szerintetek ez mi lehet? Nemrég kaptam, gondoltam jó lesz ez még valamire, félretettem a bontásból. Valamiféle számítógépes dolog lehetett. Egy biztos 1985 márciusa körül gyárthatták, a keleti blokkban. VDT 56 van ráírva, de nem találtam róla semmit. Bármilyen információ érdekel, mi volt ez, mire használták, vagy esetleg miből származhat. Nem hiányos, a nem beültetett gombok gyárilag nincsenek benne. Kérlek titeket segítsetek. Érdekelnek ezek a dolgok, szeretném valamire felhasználni, de nem alkatrésznek.
A "VDT" lehet videoton terminál, illetve annak valami oroszba exportált, általam ismeretlen klónja:Bővebben: Link
Az eredeti VDT-vel, amit itt a linken látsz, én még személyesen kínlódtam valamikor a múlt században ![]() Ez csak a billentyűzete, a gép maga a monitor alatti hatalmas dobozban volt. A hozzászólás módosítva: Jan 27, 2014
Köszönöm, ezen a nyomon már el tudok indulni. Lehet hogy magyar, mert REMIX ellenállás hálók vannak beültetve.
Ha más valaki tud valamit azért nem kell visszafogni magát.
Találtam valamit:VDT50
Ez már hasonlít erre, de nem ugyan az. Amúgy hasonló terminálom van itthon csak német gyártmány.
Hali!
Ezek milyen alkatrészek és mennyit érnek? Működik mindegyik.
Ha jól látom FI-relék. Más néven életvédelmi relé. Az a lényege, hogy ha a kimenetén hozzáérsz a fázishoz, mielőtt bármi bajod lenne, leold. Ennek ellenére NEM KIPRÓBÁLNI!!!
FI relé A hozzászólás módosítva: Jan 27, 2014
Köszönöm a gyors választ. Már csináltam ilyet, hogy egy kiégett fénycső izzót szétbontottam, a cső mindkét izzószála jó volt, ezután egy másik izzóhoz csatlakoztattam, amelyiknek az izzószála volt jó. így megspóroltam egy új izzó árát. Sajnos a leírt tranzisztor? vagy minek az adatlapokban nem találtam az adatait.
Pedig ott van amiben linkeltem. 400V, 1,5A, beta (hFE) 5 és 40 között, lábkiosztás szemből BCE.
Köszi és az ami rajta van az egyik relén az micsoda?
Ha jól látom akkor egyenirányító híd. Nincs rajta valami felirat?
|
Bejelentkezés
Hirdetés |





















