Fórum témák
» Több friss téma |
Levenni le tudod bármilyen 433 MHzen működő vevővel.
Éppen azzal is amit linkeltél aHEstoreból. Csak az kevés, a jelek demodulálása után fel kell bennük fedezni a pontos 1 0 állapotokat. Majd ebből visszafejteni a csomagok tartalmát. Valószínű manchester kódolást alkalmazhat .Ebből vissza fejthető a küldött adathalmaz. Ezek után az adathalmaz értelmezése is szükséges. Hol végződik a "preambulum" amivel felkeltik a vevőt, szinkronizál rá a dekódoló. Ezek után valamilyen címnek(x db byte) kellene jönni amivel azonosítja magát a távadó. Majd a tényleges adatoknak valahány byte mérteben. A következő 1 CRC szerű csomagnak is illik/illene lennie. Végül valami általános véget jelző lezáró byte sornak.
Igen, közben én is rájöttem, hogy az adatok kinyerése nagyobb problémát okoz, ezért inkább saját adóval fogom megépíteni. Köszönöm a felvilágosítást.
Sziasztok!
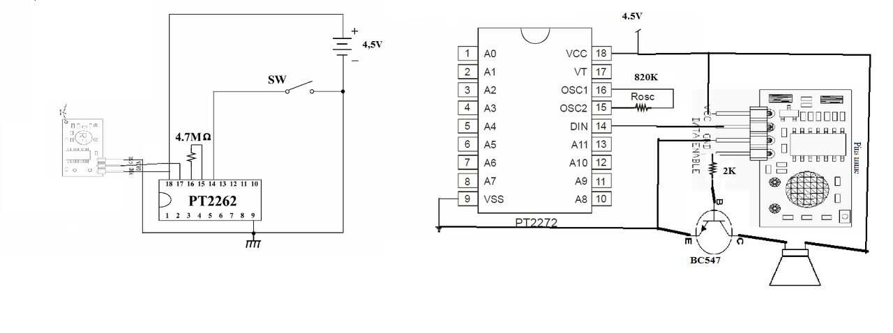
Egy ilyen kapcsolás kellene nekem 50-100m hatótávolsággal. Esetleg az adót lehetne helyetesíteni egy Baofeng uv3r adó-vevővel? Ehez milyen vevő kellene ami 466Mhz-re állítható? Baofeng uv3r Köszönöm.
Ez felejtős és felesleges szegény UV3Rt erre az alattomos munkára használni ...
100 méter nem távolság. Igaz kis power esetén azért nyűg lehet. Használj jobb minőségű vevőt ne szupreget hanem heterodint, Rakjál fel nyereségesebb antennát ne csak 1 szál drótot. Optikai rálátás sokat segíthet és ezen kívül a magasság is. Használj robusztosabb , zavartűrőbb kódolást , lassab átviteli sebességet, és többet ismételjed a csomagokat. Röviden ennyi a megoldás felé vezető út keresési lehetőségek. 10mWokkal 100 és 1000 km is áthidalnak .. igaz kissé más modulációkkal és sávokbanNo meg 466 MHz nem biztos , hogy szabad sőt mi több biztos nem az ! Ha meg 446ra gondoltál a PMR sávra akkor az se egy biztonságos hely, mert eléggé sűrű a forgalom arra fele is.
Csak egy zümmert akarok vele működtetni játékon /gombnyomásra szólaljon meg ennyi/. Igen 446Mhz-re gondoltam. Esetleg tudnál konkrét kütyüt linkelni amit nekem kell, nagyon nem értek ehhez.
Köszönöm.
Sziasztok! Ma elkezdtem kísérletezni a HC-05 bluetooth modullal. PC-vel nagyon szépen kommunikál oda-vissza. De: én HC-05-nek vettem, a neve, amit a gép lát viszont HC-06.
Azt szeretném megoldani, hogy két PIC-es cucc ilyenen keresztül kommunikáljon egymással. Az adatlapon megtalált AT parancsokat nem bírom életre kelteni sehogy
Ha HC-05-nek vetted, akkor baj van. A HC-05 szoftveres úton tud master/slave üzemmód között váltani, a HC-06 vagy master, vagy slave programot tartalmaz.
Ez a kérdés nem ide való, folytasd itt.
Sziasztok!
Van egy sima FM vevőm, ami egy golyóstollba van építve, autómata keresés funkcióval van ellátva, ha építenék hozzá egy FM adót, akkor zenén kívűl át tudnák küldeni TTL jel sorozatokat? A hozzászólás módosítva: Feb 2, 2014
Lehetni lehetne ...csak felejtős mert több dologban bukta a történet.
1. Adó engedélyed nincs CCIR sávban 2. CCIR sávban nem viszünk át távirányító jeleket. 3. Másokat nem zavarunk 4.Automata keresés funkció miatt nem fog megállni mindig ott az adott frekin ami kellene neked, mert tápfeszültség kimaradás után elejéről kezdi a keresést. (jó lehet hogy megjegyzi de ebben nem hiszek mert eléggé egyszerűek ezek a rádiók) 5. Arra találták ki az ISM sávokat hogy ott működjenek ezek a rendszerek.
Sziasztok,
Abban szeretnék segítséget kérni hogy két PIC közti kommunikációra milyen modulpár tudnátok javasolni? HEStore-ból vagy ChipCAD nál gondoltam vásárolni. Előre is köszönöm! A hozzászólás módosítva: Feb 7, 2014
Szia!
Mielőtt segíteni tudnák, jó lenne pár extra információ. A hozzászólásodból nem derül ki, hogy mekkora távolságra lenne szükséged, mennyi adatot szeretnél továbbítani, milyen PIC-eket szeretnél használni stb... Először ezekre válaszolj és csak utánna tudok tanácsot adni a modullal kapcsolatban. Üdv Máté
Köszönöm a gyors válaszod.
![]() RC autó átalakítva (gyerkőcnek) PICek: 2x pic16F88x (ez tuti van otthon) távolság: lakáson belül, nagyobb játszótéren (kb 20-30 m nyílt téren) adatok: kb 16 bitnyi adat A hozzászólás módosítva: Feb 8, 2014
Szia !
Szerintem a legolcsóbb megoldás, a Vaterán 600 Ft körül veszel egy 433 MHz-es adó-vevő párt. Én 12F675-ös PIC párral csinálnám (280 Ft/db). Egyik kezeli az irányító egységek ( gomb, poti) és az adó modult, a másik ( soros vevőjelre) kapcsolja a motorokat vezérlő "hidakat. Szintén a Vaterán 1200 Ft körül beszerezhető L298-as hídpárral szerelt modul. Természetesen F88-ra is megírhatók a programok. Üdv mgy
Erre a célra én is a 433MHz-n kommunikáló rádió adó-vevő párost javasolnám. Ezeknek elég jó a hatótávjuk, továbbá nem nehéz kezelni őket. Akár v@terán is be lehet szerezni őket, vagy ha van kedved nézelődhetsz az e-bay-en is. Ha további segítségre van szükséged akkor írj.
Van itthon HM-T433/HM-R433 párosom. Elvileg jó ilyenre? Mire kell/érdemes figyelni? Mennyi "zavart" vesz fel egy ilyen adó/vevő pár mennyire kell foglakozni szűréssel?
EUSART van mind a két PIC ben, azzal megoldani az adatközlést elvileg működő dolog? Milyen hatótávolsággal számoljak reálisan? Eseteleg egy RFM12B-868-D/RFM01-868-D páros?
Inkább a 433as modul ... jobb lenne mert kevésbé csillapodik mint a 868 MHz.
No meg felesleges adó/vevő TCVR "transzíver" modult venned. Igaz kissé zavartabb is az a 433MHz sáv mert ott valószínűleg több eszköz is dolgozik már. De ha nem sok ilyen kütyüvel körbe aggatott környéken élsz akkor nem jelent semmit. 1 kis autó távirányítónak elég a 5-10 m bőven. Erre számíthatsz jobb esetben esetleg több. Az átvitel tulajdonságait befolyásoló tényezőket előzőekben már 2 3 hozzászólásban említettem: Idézet: „Használj jobb minőségű vevőt ne szupreget hanem heterodint, Rakjál fel nyereségesebb antennát ne csak 1 szál drótot. Optikai rálátás sokat segíthet és ezen kívül a magasság is. Használj robusztosabb , zavartűrőbb kódolást , lassab átviteli sebességet, és többet ismételjed a csomagokat.” Átvihető távolság szóval nézzük meg a jelenlegi szituációt. Távirányító adó oldal: 6dBm ~ 4mW erre raksz 1 drótot körsugárzónak (17cm lambda/4 méretű) ami -3dB veszteségű akkor csak a fele ~ 2mW sugárzódik ki. Tehát ide érdemesebb lenne valamivel jobb nyereségesebb körsugárzó antennát felrakni építeni. Valami kolineárist 70cm méretezve.Igaz ez nem lesz kicsi! Ez lehet nagyobb nehezebb mert kézben van elfér jobban , nem a kisautó cipeli. Ennek nyeresége is van akár 5-6 dB ami a dróthoz képest már ~ 8-9 dB nyereség. Mintha 2 szeresre növelted volna a kimenő energiát. A vevő oldalon marad sajnos a körsugárzó 17cm botja (-3dB). Ez persze csökkenti az átviteli út nyereségét megint ennyivel. Feltéve ha nem találsz valami könnyű rugalmas nyereségesebb antenna konstrukciót a mozgó autóra építhető kivitelben. Az antenna méretek csökkennek kb.: a felére 868MHz esetén. Ott már könnyebb kisebb méretben megvalósítani a kollineárist is adó oldalon. A vevő érzékenysége annyi amennyi , azon csak rontani lehet a lambda negyedes egyszerű dróttal.No meg a szereléskor elkövetett hibákkal.
Először is köszönöm.
A fentebb linkelt két modul párosról mit tudtok mondai? Ha jól láttam mindkettőnek van 433-as és 868-es verziója. Az RFM-s modulpár ha jól értelmeztem az adatlapot maga kezeli az adatátviteli sebességet és már a zavarszűrő kódolással sem kéne bajlódni. Az 5-10 métert szeretném viszont ha lenne legalább 20+ méter. Egyrészt a csemete is jobban élvezné és a későbbiekben majd hogy ha másra használnám a modulpár nem árt. Általában ha építek valamit, azt modulárisan teszem, és szalagkábellel vagy egyéb csatlakozókkal kötöm össze a modulokat, így könnyen és gyorsan tudom a különböző elemeket cserélni ha kell és újrahasznosítható ha máshoz szeretném használni. Az antenna kérdést egyenlőre törekszem a nem méteres darabokhoz, de körbe nézek ez ügyben. Mivel egy 4 éves gyerek kezében lenne, nem szeretném ha a szeme vagy az enyém bánná. ![]() Előre is köszönöm!
Hali!
RFM12Bs modul 868-as verziójához 8.6cm-es antenna kell. Stabilan jól működik.Az adatlapjában van példaprogram adásra/vételre is. Szerintem nagyon jó modul! Ennek a programozásában tudok segíteni. üdv. Foxi
Szervusztok!
A már jól ismert "Melyiket válasszam?" kérdésre keresek én is választ. Nagyjából 100-150 méter áthidalására keresek valamilyen rádiós modult. Nyílt terepen szeretném használni, és folyamatos adatkapcsolatra lenne szükségem. Természetesen az ár sem elhanyagolható körülmény. A segítséget előre is köszönöm!
RFM12B-868 modullal nemrég ismerkedtem meg. Nem tudom mire kell neked, nem írtad, de nyílt terepen elvileg bírja az említett távot, akár a kétszeresét is. Kétirányú kommunikációra alkalmas. PIC vagy AVR kell hozzá. Árban is korrekt, bruttó 900-1800 Ft / db, attól függ hol veszed. Van külön topicja is, így segítséget is kapsz hozzá.
Köszönöm a segítséget. Igazából keresgélés közben már összeakadtam ezzel a típussal, csak a kimenő teljesítmény és a távolság összefüggését nem nagyon értettem. De így már azt hiszem ez lesz az, ami kell nekem. Még egyszer köszönöm.
![]() Javaslatod volna arra, hogy hol szerezzem be? A hozzászólás módosítva: Márc 6, 2014
A kimenő teljesítmény és a távolság összefüggésében az adóteljesítményen kívül még több, olykor egyáltalán nem elhanyagolható tényező is szerepel.
Pl.: antenna kábel csillapítás, antenna nyereség (adó és vevő oldalon is) vevő érzékenység, és a legfontosabb, a szakaszcsillapítás. Ez utóbbi sokmindentől függ, szabadtéri terjedés esetén (ami nagyjából az űrben fordul elő) a távolságtól, antenna környezetéhez képesti magasságától, reflexiós tényezőktől, a terjedés útjában álló akadályoktól, frekvenciától. Egyszerú számoló programmok szabadtéri csillapítással számolnak, a valós helyzet ennél valamivel roszabb, de ezt némi erősítés tartalékkal kompenzálni lehet.
Köszönöm!
A rádiótechnika nem épp erősségem. Inkább csak felhasználó szeretnék lenni. Annyi a lényeg, hogy teljesen nyílt, sík terepre kellene nekem az adatkapcsolat. Természetesen kétirányúnak kell lennie. A korábban javasolt szerintem pont megfelelő lesz. Nagyjából 100 métert kell átvinnie, de azt biztonságosan. Annyit azért jó lenne tudnom, hogy ilyen környezetben az adatátvitel sebessége mekkora. Figyelembe véve a biztonságos és stabil átvitelt. (RMF42B) A vett jeleket pc-vel dolgoznám fel.
Akkor még egy kis rádiótechnika.
Az adatátvitel sebessége a rádióberendezések sávszélességétől függ, a távolságtól csak annyiban, hogy a vevő érzékenysége annál rosszabb, minél nagyobb a sávszélessége. Esetedben a helyzet nem annyira bonyolult, ha sikerül megoldanod, hogy az antennák a lehető legtisztább környezetbe kerüljenek, ( 5 - 10 hullámhossznyira ne legyen reflexiós fellület, és akadálmentes az átviteli út) akkor a modulokkal gond nélkül áthidalható a 100 m távolság. A hozzászólás módosítva: Márc 8, 2014
Hibásan írtam a típust. Helyesen RFM12B.
Alaposan tanulmányozd az adatlapját. Rajta van az elérhető max távolság, ha nem rontod el, meg fog felelni.
Ha már így alakult, kérdezném még, hogy reflexiós felületnek mi számít? Nagyon nem vagyok otthon ebben a témában és szívesen fogadok mindenféle infót erről.
Attól függ mennyire sürgős/mennyire a pénz számít. Hestore-ban szokott lenni, de árban a drágább. Chipcad olcsóbb (kb fele) de, ha nincs raktáron akkor akár hónapok is mire beszerzik. SMD vagy DIP változat kéne?
|
Bejelentkezés
Hirdetés |





.. igaz kissé más modulációkkal és sávokban


Inkább csak felhasználó szeretnék lenni. Annyi a lényeg, hogy teljesen nyílt, sík terepre kellene nekem az adatkapcsolat. Természetesen kétirányúnak kell lennie. A korábban javasolt szerintem pont megfelelő lesz. Nagyjából 100 métert kell átvinnie, de azt biztonságosan. Annyit azért jó lenne tudnom, hogy ilyen környezetben az adatátvitel sebessége mekkora. Figyelembe véve a biztonságos és stabil átvitelt. (RMF42B) A vett jeleket pc-vel dolgoznám fel. 




