Fórum témák
» Több friss téma |
Fórum » Házilag építhető fémkereső
Nekem tetszik. Viszont amit változtatnék rajta az az, hogy a fület beljebb tenném, ha nem is teljesen középre, de lehetőleg minél közelebb a középponthoz. Nem csak a teljes súlypont lesz máshol, hanem attól sem kell félni hogy a kilazult csavar miatt lebólint a fej. Ha középen fogatod meg akkor nem húzza folyamatosan az egyik oldalt, így viszont igen.
Ez a GS-emnél is elég komoly probléma hogy bólogat a fej ha beleakad a tereptárgyakba, mert a műanyag csavar az nem acél, hogy rendesen meg lehessen húzni. Ha majd olyat csinálsz és nem drágán, akkor abból lehet hogy kell 1-2 db.
Sziasztok! A héten úgy döntöttem a betegszabadságomat kihasználom egy kis építéssel. Nekifogtam tehát egy PI építésének, azzal a gyerek is jól eljátszik majd. Azt hozzáteszem, hogy csak az itthon fellelhető " hulladék"-ból akartam kihozni. Röhej, de szerintem sikerült! Még csak próbapadon van, de mindent megszegve amit a PI építésével kapcsolatban lehet rendellenesen működik, és pont ez a poén benne. Ki lehet hangolni a közeli fémet ( kombináltfogó közvetlenül a tekercsen), és még így is kihangoltam úgy mintha ott se lenne, és ennek ellenére egy biztostűt is jelez . NINCS BENNE MINTAVÉTELÉS! Jelenleg kb18cm ről jelez egy ötforintost, de zajos a környezet és nem is kicsit! 1méteren belül hősugárzó , 1.5m számítógép bekapcsolva, 2m led tv, telefon stb. Szerintem, ha elkészülök legalább hordozható verzióra ,finomhangolva akkor lehet hogy cikk lesz belőle!
Jó rendben, megpróbáljuk hogy mit lép rá de szerintem. meg tapasztalat ,ha be van kapcsolva a szűrés és diszk és ki van szűrve pl egy marok méretű repesz akkor pénzt is veszt a gép nem jó a diszkriminátora ahhoz hogy jól hozzon tehát mindent akkor az a legjobb beállítása mint a gc-1025-g nek pl egy gyufás skatulyányi repeszt már jónak jelez de nem hagy el érmét magasabb szűrésnél igaz kiszűri de az ezüstöt is
Az természetes, hogy "ki lehet hangolni" a közeli fémet. A közeli fémnek van valamekkora válaszjele, ehhez képest a biztosítótű növeli a válaszjel szintjét. Nem abszolút mérésről van szó, hanem relatív mérésről.
No de úgy tudod kihangolni, hogy mozgatásra sem jelez?
Természetesen nem lehet úgy kihangolni. De például semmi akadálya nem lesz annak, hogy acélcsavarral rögzítsem a fejet. Úgy tudom ezt nem igazán lehet megtenni PI rendszerű gépeknél. Egyébként 5534 helyett 741 van benne!
De hogyan is értetted azt, hogy mozgatásra sem jelez? Pl. ha rajta hagyom a kombifogót, és vele együtt mozgatom?
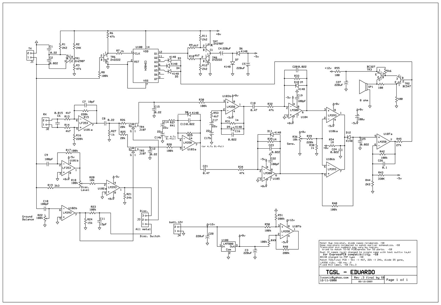
Két hete tesztelgetek egy tgsl-t,a legszélsőségesebb alkatrész módosításokkal is (ellenállás,kondi) mindig 30 centi körül volt egy 50 eurocentes,és 35 centi körül a húsz forintos maximum,most kicseréltem a vevő erősítőt egy teljesen másmilyenre és egyből feljavult 40/50 centire,az lenne a kérdésem hogy honnan tudom hogy mikor esek át a ló túloldalára,mikor megy a levegőben mért érték a földbeni kárára,illetve,célszerű a gb és disk áramkört egyben cserélni,vagy lehet külön külön is kísérletezni vele?
A cél hogy az összerakott hibridből új nyák legyen,kb. tisztában vagyok a szűrőkkel,és azzal is hogy papíron sokszor más az eredmény mint a gyakorlatban,ezért is kísérletezgetek.
A TGSL-ből egész jó gépet lehetne csinálni, csak az alapvetően elszúrt dolgokat kell rajta rendbe tenni. Gondolok itt egy normális oszcillátorra mint ami pl. az SMW-ben van, egyből lesz az adótekercsben 2x-3x akkora amplitúdó. Aztán egy ésszerű tápra, azt az elvetemült +8V/-5V vagy -6,2V-os megoldást nem tudom ki találta ki, és azt sem hogy miért. A 12V-os akkufeszt ketté kell osztani, lesz belőle +/-6V és kész. Nem kell stabilizálni, mert teljesen mindegy neki hogy az most +/-6,2V vagy éppen +/-5,7V, mert már kevesebb az akksiban a szufla.
Engem is foglalkoztat a dolog, mert ezekkel az apró módosításokkal szerintem lenne olyan mint az SMW, de lehet hogy még jobb is. Az SMW egyébként akár 53cm-ről is hoz a levegőben egy 20Ft-ost, csak ekkor már szinte minden húzásra begerjed, és természetesen ilyenkor nincs Disc és Geb. Úgy kell beállítani teszt közben hogy ne jelezze a ferritet, és ha nincs is vasszűrés, de legalább a határán legyen. Ekkor lesz jó nagyjából a talajban is. Simán a GEB-el pl. nem is tudom kiszűrni rendesen a ferritet, fel kell hozzá tekerni a Disc-et is, sőt nagyobb érzékenysége van némileg feltekert Disc-el, mintha jobban feltekerem a GEB potit. A GS meg teljesen máshogy viselkedik. Az nulla GEB állásban és feltekert Disc-el szűri ki a ferritet, a talajt viszont nem. Ha kiegyenlítem a GEB potival a talajt, akkor meg jelzi a ferritet. Ezüst és bronz dolgokkal látni fogod az optimális beállításokat. Az SMW-n pl. ha kiszűrtem a vasat, az ezüstöt még ugyanúgy hozza. Ha viszont már a rágópapír fóliáját is kiszűröm, akkor csökken az érzékenység az ezüstre is. Szóval elektronikája válogatja.
A jelenlegi táp +10 és -8 volt,ez meg is marad az adó oszcillátor résznél,az erősítőknél lehet hogy stabilizálom +-6,2 voltra. Az adó oszcillátor egyenlőre 35v körül van,azt még nem módosítottam csak levittem test helyett a negatív feszültségre.
A mért értékek már fémszűréssel vannak és ferrit szűréssel.(kombinált fogó) Egy bizonyos beállítással tesztelem,ott még jól érzékeli az apró tárgyakat,8mm/0,3mm kis bronz 25cm,centi átmérőjű 2mm vastag ezüst fülbevaló 28cm. Mivel úgymond próbapadon van,a talajt ferrittel és nagyméretű téglával tudom csak imitálni,ahhoz hogy talajban is kipróbáljam,minden módosítás után össze kéne rakni a gépet.
Azt kétlem hogy úgy hozza 50 centiről a 20Ft-ost hogy közben a ferrit és a fogó is ki van szűrve. De ha mégis akkor hozzá ne nyúlj, mert akkor az valami elképesztően jól sikerült masina. Az összes youtube-os videón ennél sokkal rosszabbul szerepel.
Mondjuk azt sem tudni melyik rajzot építetted, mert ennek a TGSL-nek meg IGSL-nek már rengeteg variációja van.
Azóta megint módosítottam rajta,egy húsz forintos most 45 centi,egy forint 34cm,viszont az ezüst fülbevaló már 30cm lett. Sajnos a telefonomnak saválló a burkolata és néhol bezavar ha mozgatom.
Bővebben: Link
És ez pontosan melyik rajz szerint épült?
Nagyjából az SMW-m is ezt tudja, kb. 2-3cm-el gyengébb, de az ezüstöt ugyanúgy hozza ilyen beállításokkal is. Annyi hogy ennek a hangjelzése a vége fele már jóval laposabb. Tehát nem olyan hogy mondjuk 29cm-ről jó dinamikával hozza még az érmét 30cm-ről meg már egyáltalán nem, hanem hozza még 34-35cm-ről is, de nagyon gyengén, éppen csak át át billen a komparátor.
Nem a fejjel együtt mozgó tárgyakat hangoljuk ki, mivel az evidencia, hogy nem építünk fémet a fejbe az alkotórészein kívül. Minden gépnek lehet fémeket helyezni a fezhez, a kérdés csak az, ez majd a valós környezetben mennyire rontja a használhatóságot.
Egyébként én kétlem, hogy a fejlődés útja a 741 lenne, ha azzal jobb valami, akkor eredetileg volt rosszul méretezve (de ez csak egy magánvélemény)
A ferreit teszt vas szűrés nélkül, egy merőlegesen fejre közelített ferrit rudat jelent annak ellenőrzésére, hogy a földhatást megfelelően állítottad-e be. Ha így egyben a géb, vidd ki inkább egy kicsit és nézd meg a valós talajon.
Ezüst fülbevalót hagyjátok, nagyon ingoványos talaj, ezerféle jele lehet, ez sem mindegy, zárva van vagy nem, és mennyire oxidos, inkább egy kis gyűrűt és csak azt kell megadni, hány gramm. De egyébként is pl a római ezüstök elég gyengék, a középkoriak lényegesen jobbak, ma 800-925 finomságúak vannak forgalomban, de találni 500 körülit is mindig van valami ötvöző mellette, szóval ezt nem tudjátok érdemben összehasonlítani. A vevőerősítőről: döntően fázisdetektorokat építünk. Némileg ,lehet növelni az érzékenységet, ha nagyobb a vevő erősítése, azonban ez egzakt határok között mozog egy nagyon egyszerű okból. Úgy kell beállítani a gépet, hogy a találatkori maximális jel ne torzuljon, ne vágja le a tetejét. Ebből következik, nagyobb erősítést akkor lehet alkalmazni, ha kisebb az offset, jobban ki van hangolva a tekercs. Ez talán az egyetlen olyan pont, ahol a gyártókat meg lehet előzni, mivel nekik olyan gépet kell építeni, amire mindig tudnak majd fejet gyártani és ugye nem babrálhatnak órákig egy fejjel. Hogy ez minden esetben előnyös-e, mármint a kis offsettel menő fej a nagy erősítésű bemeneti erősítővel, az egy jó kérdés.
A vevő erősítőhöz még egy gondolat:
Érdemes egy jobb minőségű helipotot alkalmazni az erősítés szabályzására, ha nem gyári fejet használtok, mivel az épített fejek szórása igen csak nagy, így viszont egyszerűen lehet hozzáállítani a gépet egy másik fejhez. Lehet ebben a fokozatban egy egyszerű RC taggal egy fázis szabályzást is beépíteni. Bár az amatőr gépeken ez mindig változtatható a kapuzó v. referencia előállításánál. Ilyen inkább a gyári gépeknél van.
Egy bizonyos határt nem nagyon lehet átlépni az erősítés terén. Ha vékony huzalból van tekerve a fej, akkor dilatáció hatására kevésbé hangolódik el, mert kisebb tömegű "dróttömeg" mozdul el egymáshoz képest. Ezért alkalmazhatunk nagyobb erősítést a vevőerősítőben. De a vékony huzal miatt nem tudunk nagy amplitúdókat csinálni az adó tekercsen. Ha vastag huzalból dolgozunk, akkor nagyobb adó jelet tudunk csinálni, de érzékenyebb lehet a fej a dilatációra, jobban hat rá a hőtágulás. Ezért a vevőerősítőt nem tudjuk az egekbe húzni, mert szélsőséges hőmérséklet hatására határolódhat a jelünk.
Itt lehetne játszani a koncentrikus fejekkel, mert azok eléggé tesznek a dilatációra.
Normál használat mellett a vevő jele nem torzulhat, mert ilyenkor csak nagyon minimális amplitúdónövekedés van. Komoly akkor van, amikor mondjuk ott van egy kombifogó 1-2cm-re a fejtől.
A vevőerősítő (ami leginkább OPA) jele pedig egészen a féltápfesz mínusz 1-2V-ig elmehet (OPA függő), tehát egy 12V-os akku esetén akár 8Vpp is kijöhet belőle torzítatlanul. Az más kérdés hogy nincs szüksége ekkora jelre a további áramköröknek (ez megint áramkörfüggő), és némelyik gépben limiter is van ide berakva, mert a túlvezérelt OPA kimenete hazavágja az utána lévő bemenetet.
Köszi de ezzel nem sokra megyek mert ez nyákterv, nem kapcsolási rajz... Vagy úgy gondoltad hogy annyira unatkozom hogy nekiállok rajzot készíteni belőle?
Ennél a gépnél mindig foglalkoztat az, hogy vajon mi szerepe van az U107b OPA-nak, és a hozzá kapcsolódó alkatrészeknek.
Ezt építem most
Kb. ugyanaz, mint az SMW-ben a darlingtontranyónak. Semmi. A +8V/-5V dolgot sem értem, de biztos velem van a baj.
A hozzászólás módosítva: Feb 1, 2014
Ne ez még egy jó ötlet lehet, figyelni, hogy mikor van extrém nagy jel. Gyáriban is van ilyen, pl az ... (nem mondom, úgyis tudjátok
)
Sok Tesoro gép egy darab 9 voltos elemből táplálkozik. Ezt stabilizálja valahol 5-6 volt környékén. Mivel ennyi kevés lenne a gépnek, ezért csinál a tápfesz konverter még kis plusz feszültséget. Valahonnét innen maradt ebben a gépben is ez a rész. De az U107b-t ez sem magyarázza.
Ahol bonyolultabb jelfeldolgozás van (pl. processzoros) ott ezzel egyszerűen lehet tárgyméretet becsülni. Folyamatosan figyeli a proci a vevőerősítő kimenetének amplitúdóját, amiből elég jól meghatározható a közeli tárgyak mérete.
Egy, a fejtől 30cm-re lóbált érme már nem okoz ilyen amplitúdóváltozást. Némi kiegészítéssel analóg gépre is lehet ilyet tenni, amire beállítható egy plusz hangjelzés (hangszín) amit mondjuk arra ad, ha egy sisakméretű vasdarab felett el van húzva a fej.
Nem azt nem értem, hanem azt, hogy miért kell a műveleti erősítőket aszimmetrikusan táplálni. Ezzel a kimeneti jele is csak aszimmetrikus lehet, persze ez addig nem gond amíg nem ér el egy adott amplitúdót. Addig meg szimmetrikus, mert a kondi miatt nincs DC összetevő. Szóval ott egy adott szint felett mindegy hogy mekkora a tápfesz, az oszcit meg a nagyobb amplitúdó miatt úgyis érdemesebb a teljes tápfeszről járatni.
Majd ha nagyon unatkozom lehet hogy belevágok ebbe is, most sem rossz, de szerintem sokkal jobbra meg lehet csinálni.
Konkrétan semmi szerepe nincsen,tápfeszültség őrt szoktak csinálni belőle,nálam az 1-2 láb össze van kötve,a 3. meg a testen van.
Én egyáltalán nem fejleszteni akartam, mindösszesen pont a741 lassúsága miatt lett "alkalmas", mert miután a bemeneti pozitív tüskét nem képes követni így megfelelő tápfeszültséget használva, és jól beállítottoffszettel pontosan ott éri utol magát ahol a jelet figyelni kell. Amikor fémet közelítek a tekercshez a 741 kimenetén negatív dudor keletkezik, ami egy diódán keresztül egy kodit tölt fel a dudor szintjére, és ezt a majdnem egyenáramú jelet felerösítve, szűrve egy értékelhető egyenáramú jelet kapok, ami egy fetettel vezézelt 555-ös VCO hanggenerátort hajt meg. A segédtápot szintén 555 állítja elő. Egyébként eredetileg az EQUINOX-ból indultam ki. Majd ráérős időmben csinálok rajzot, valamint mentek el szkópábrákat is.
|
Bejelentkezés
Hirdetés |






) 