Fórum témák
» Több friss téma |
Más a driver és nem tudja a bitbang módot (0. lépés felprogramozás).
Amúgy mehet.
Tökéletesen működik. Egyedül a felprogramozáshoz kell majd egy másik AVR programozó.
Pár oldallal ha visszalapozol akkor találsz egy MCP2200-val megvalósított tervet is, ami kompatíbilis a V1-es verzióval(3.6864MHz-es kristály az AVR-en). A hozzászólás módosítva: Jan 19, 2014
Sziasztok. Segítségre van szükségem.
Építettem egy isp mkii-t. Win7, 64 bit, eszközkezelő látja mint, AT90USB162. Atmel Flip program hiba üzenet nélkül végigmegy. (itt van valami extra? vagy csak kiválaszt, open, run?) Lényeg: mit csináljak, hogy az ATMEL STUDIO 6.1 is lássa és tudjam használni?
Szia!
Remélem ezzel a kis leírással tudok segíteni. Ugyanis én is építettem egyet. Tervbe volt véve, hogy lesz belőle egy cikk, de aztán máshogy alakult. Mindenesetre a software telepítését leírtam. Azért vedd légyszíves figyelembe, ez már egy régi munka és nem esett át egy olyan ellenőrzésen mintha megjelent volna.
Köszönöm!
Végigjárom!
Ha "régi" akkor lehet hogy az AVR Studio 6.1 nem fogadja el. Tessék egy "jó" HEX.
16MHz-es kristályra és jungo driverre(nem libusb). A hozzászólás módosítva: Jan 22, 2014
A fuse bitek beállítását lehetne tudni?
Az eredeti elgondolás az volt, hogy mindenki letölti magának, lefordítja, feltölti a programozójába és használja. Erre gondoltam: A LUFA-project. A jelenlegi verzió: 2013 szeptember. De már a márciusi is tudta, hogy a RESET segítségével váltottunk a jungo és LibUSB között. Tehát már nem volt szükséges a firmware csere, mint a korábbi változatokban. Láthatóan ez kimaradt a leírásból. (Mondtam, hogy nem ellenőrzött)
Na az, amivel nem kell foglalkozni. Helyből megfelelően van minden beállítva. Gyárilag. Egy dolog kell, a 16MHz-s kvarc, hogy a bootloader életre tudjon kelni. Aztán már mindent csinál a FLIP. Ebben az a szép, hogy a programozó indításához nem kell egy programozó. (Tudod, a régi dilemma: Egy eszterga legyártásához mindenképpen szükségeltetik egy eszterga ... )
Érdekes ez a váltásos dolog, lehet hogy jumperrel egyszerűbb lenne, és akkor a fószer
tudná hogy éppen mi fut rajta. Persze amikor csatlakozni kíván akkor megtudja... Ebbe azt hiszem a funkciót nem engedélyeztem. Egyébként 8MHz-el is mehetne a cucc, de ahhoz újra kell fordítani a firmware-t. De 16MHz az elterjedt, ezt használom. FUSE bitek: ha ISP programozóval készülsz, akkor elszáll a bootloader, és utána már csak ISP programozóval lehet frissíteni. Ha mégis, akkor az alábbi beállításokat kell megtenni: CKDIV8 bekapcsolva marad, HWBE kikapcsol(mivel többé már nincs bootloader). Illetve érdemes lock-olni a végén. A többi FUSE bit maradhat a gyári.
Üdv!
Egy kis gondom akadt az AVRDudedal. Az USBTiny hex filet szerettem volna egy ATTiny2313ba égetni, de valamiért nem tudom. Idézet: „L:\>avrdude -c SAJAT -p t2313 -P COM1 -u –U flash:w:main.hex” A main.hex egy helyen van az avrdude.exe és annak a config filejával az L meghajtóban. Csak ennyit ír ki a programozás alatt: Idézet: „L:\>avrdude -c SAJAT -p t2313 -P COM1 -u -U flash:w:main.hex avrdude: AVR device initialized and ready to accept instructions Reading | ######################## | 100% 0.02s avrdude: Device signature = 0x1e910a avrdude done. Thank you.” Mi lehet a baj? Valamilyen parancsot hagyok ki? SB A hozzászólás módosítva: Feb 20, 2014
Már megvan a megoldás.
Sziasztok!
Vettem az e-Bay-en egy USBISP Bővebben: Link programozót. Az ISP-n keresztüli programozással nem lenne gond, azonban szeretnék különálló procikat (ATMEGA8, ATMEGA328) programozni ZIF foglalatban. Tudna-e valaki ennek megvalósításához kapcsolási rajzot javasolni?
Olyan dolgok érdekelnek, hogy kell-e neki külön táp, vagy elegendő az égető által biztosított? Illetve szükséges-e külső kvarcot (vagy rezonátort) használni ebben az esetben?
Gratulálok
![]() Megvetted a legolcsóbb és leghasználhatatlanabb programozót - amiről itt a fórumban is sokszor írtunk. Valódi STK500 vagy MKII-es programozót kellett volna... Ha használni akarod ezt: - AVRDUDE programozó + valami grafikus keretrendszer (pl. AVR8OMat) és a _legkisebb_ programozási sebesség (max 10 khz). - Táp alapban elég. A környezet attól függ, mit akarsz. Én külső oszcillátorkockát tennék. - a chipek szűrőkondijain ne spórolj. - Az összes Vcc és GND lábat be _kell_ kötni. A hozzászólás módosítva: Feb 5, 2014
Nos lehet, hogy igazad van. Még nem tudom. De szerintem a tyúk és tojás problémáját azért talán képes lesz feloldani az eszköz.
Egyébként az általad említett eszközöknél sem láttam ZIF adaptert. Egyébként PIC-ekhez egy nagyon jó kis PICKIT2 klónt használok, amihez van egy ilyen eszköz. Az igaz viszont, hogy ott nem szükséges rá külső oszcillátor. Visszatérve AVR témára, az igazat megvallva nem fejlesztésre akarom használni, hanem csak .hex és .eep beégetésre, illetve tartalom kiolvasásra. Legalább is egyenlőre. Találtam közben a neten egy kapcsolást, amit mellékelek. Erről mi a véleményed? Érdemes próbálkozni vele? Elég a 4MHz, vagy inkább 8MHz-s oszcillátort rakjak bele? Illetve arra gondoltam, hogy jumperelve raknám hozzá az oszcillátort.
Szia! Én egyszerűbben oldottam meg. A ZIF foglalat mellé mindkét oldalra tettem tüskesor aljzatot, volt egy rezonázor meg egy ISP csatlakozó, és mindent jumper vezetékekkel kötöttem be, az adott mikrovezérlőnek megfelelően.
Szia!
Nem is rossz ötlet. Jó, oda kell figyelni az összekötésnél. Amit felraktam azért tetszett meg, mivel a tévesztés lehetőségét csökkenti. Persze nem 5 csatlakozóval, hanem egy 28 lábú a 8, 168, 328, ... IC-knek és akkor például egy 40-es a te ötleted szerint minden másnak. ![]() Esetleg két külön panelt készítek. A hozzászólás módosítva: Feb 6, 2014
Összedobtam egy adapter nyákot a 28 lábú tokok programozásához. Nem lett a legszebb, de a célnak megfelel. Van rajta külső 5V lehetőség, reset, 4MHz-s rezonátor és két LED: a piros a tápfeszt jelzi, a zöld pedig az órajel jelenlétét.
Ezt Bővebben: Link , hogyan kell használni? Mert hiába rakom oda a drótot az atmega 328P 9es lábára akkor is hibát ír ki az avr studio. Köszi!
Sziasztok.
Én ilyen adaptert használok az AVR programozásához, mindig van rajta kvarc, mert ha külső kvarcot kell beállítani, a verify hibát ad. Külön tüske van a különböző lábszámú IC-khez. Így elkerülhető a rossz bekötés. Persze az 1-es lágra figyelni kell. A Tinyk-hez is meg lehetne csinálni. Zoli
Szia!
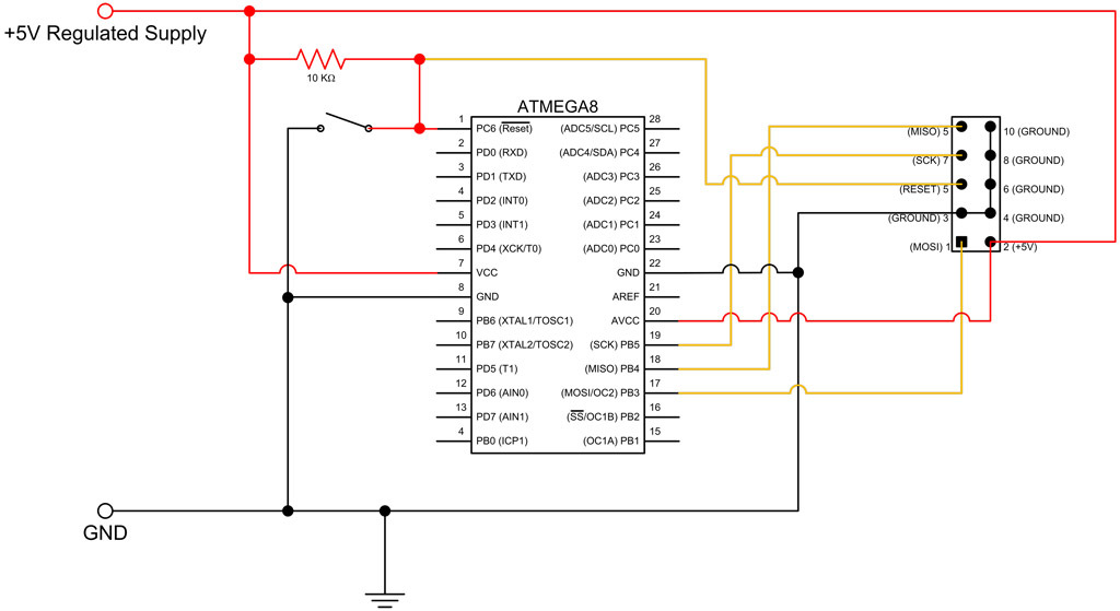
Megépítettem az általad közölt kapcsolási rajz alapján az AVR égetőt. Írtad, hogy nem kell kivenni az ATmega8 felprogramozásához a tokból az IC-t. Kérdésem, hogy a programozásnál nem gond, ha be van dugva a gépbe az USB kábel és onnan kapja a tápot? Vagy külső tápról (pl. labortáp) tápláljam meg? (Ez lesz az első AVR égetésem) Üdv
Persze, mehet USB-ről is az. Csak arra ügyelj hogy a programozók között a GND (is) be legyen kötve,
és a 2-es kapcsolót a beprogramozás idejére(de csak addig) fel kell nyomni.
Köszönöm. Még egy kérdés: Kanda AVRISP programot használnám a programozáshoz egy STK200 égetővel. Mire kell beállítanom a fuse és lock értékeket, hogy ne zárjam ki magam az AVR-ből?
"High freq" kristályra kell átkapcsolni, és a CKOPT-ot is kapcsold be!
Tudnál dobni róla egy kapcs. rajzot?
Szia!
Néhány kérdés az égetőddel kapcsolatban: - ezzel a verzióval tudok-e 89C.. IC-ket programozni? - milyen (PC) programmal használod? - és ha jól látom, akkor S1-el Vcc-t kötöd az ISP-re, de mi célt szolgál az SJ1 jumper?
Ja bocsi! Khazama esetén segítesz a fuse és lock bitek beállításában?
|
Bejelentkezés
Hirdetés |

















