Fórum témák
» Több friss téma |
Mielőtt kérdezel, a következő két dolgot ellenőrizd!
I. A helyes tápfeszültségek megléte.
II. A kimeneten van-e egyenfeszültség.
Élesztés.
Szia!
A hangszóró tuti jó, kocsiban is ezt használom (oda van jó erősítőm), illetve a hifi is szépen hajtja, de szerintem max 70-80 watton (ami egy házibuliba nem elég). A hangszóró egy Alpine Type E 12" 4 Ohm 250W/800W. Más nincs rákötve, az erősítő nem hidalható... Egyébként ilyen alacsony frekis jelnek el sem szabadna hagynia a kimenetet, nem? Üdv! Kori A hozzászólás módosítva: Feb 6, 2014
Vagy az a bibi, hogy számítógépről hajtom?
Illetve még egy kérdés: EZ jó lehet előerősítőnek egy ilyen "profi" végfokhoz? Mert a mobil kimenete pl édeskevés ahhoz, hogy kihajtsa, de talán még a pc is...
Szia! A mély hangoknál kicsi a membránkitérés, vagy csak nem adja át megfelelően a környezetnek?
A TDA2822 előerősítőnek elfogadhatatlanul zajos, itt egy bevált megoldás.
Annó még nekem tervezted, még mai napig is jól működik. Még a kis aktív topomhoz kellet valamikor. Már más van benne. Még az is megvan amikor magyaráztad nekem hogy hogy is számolom ki az erősítést. Ebben az esetben 10X.
A hozzászólás módosítva: Feb 6, 2014
Ugyanazon a helyen van a láda, és a hifivel jobban dübörög, illetve szemre is mintha jobban hajtaná. Bár azt is hozzá kell tenni, hogy az erősítőt előttem valaki A-tól Z-ig átforrasztotta kontakthibát keresve, mert az egyik csatorna készenléti ledje kiégett, és azt hitte, nem indul az a fele. (csak úgy megemlítem, hogy a két csatorna sby ledje egy közös szálon kap feszt
) Szóval el is lehet benne melegítve valami, bár szerintem az a hangján erősen hallatszana. Ezt a kis mély-problémát leszámítva szépen tisztán szól. (azt, hogy két teljesítményellenlálás szinte érinthetetlenül forró benne, betudjam a modern gyártástechnológia igénytelenségének, vagy gyanakodjak hibára?)Amúgy köszi az előerősítős kapcsolást, holnap összedobom, meg elkérem a haverom 5.1es külső hangkártyáját, hátha csak az enyém gyenge (egyébként a leggagyibb kínai PCI kártyám van sajna, ennek ellenére a peak néha bevillan az ütősebb számoknál) Üdv! Kori A hozzászólás módosítva: Feb 6, 2014
Ha nincs bekapcsolva felüláteresztő szűrő PC kimenetén simán megjelenik az alacsony frekvencia, ha ilyen a zene. A hifiről való jobb dürögést okozhatja az, hogy a hifik eq-zva vannak. Amúgy lehet, hogy az erősítő nem százas, ezt sima PC-s frekvenciamenet méréssel ki lehet deríteni. Right Mark audio analyzer-el, vagy ARTA-val.
Lehet, más a két erősítő átvitele. Egyes torzítás fajták is be tudják a fület csapni, magam is tapasztalom, hogy a méréssel ellentétben (vagy azzal nem alátámasztható módon) érzékelem a magas vagy a mély arányát.
Köszönöm a sok segítséget!
A végső eredményt úgyis az hozza, ha majd este (vagy max holnap) befejezem a feljebb linkelt előerősítő kapcsolást, és megnézem, meddig lehet hajtani. Az egyetlen dolog, ami zavar, hogy a max 70 wattot leadó hifivel összemérhető hangerőn nem kéne már a peak lednek bejeleznie (szerintem), a ténylegesen leadott 200 watt mélyet egy panellakásban én valahol az elviselhetetlen tartomány környékén képzelem el... Ennek ellenére még a szomszéd se jött át, a peak mégis bevillant. De a puding próbája az evés, majd este írok ![]() Üdv! Kori
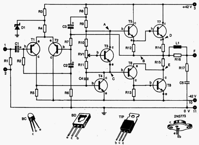
Sziasztok! Mellékelt erősítőnek a panelje, már nagyon régóta készvan csak ült a polcon. Unalmamba gondoltam felélesztem az egyiket. A tápom +/-22V(vigyáztam az előfoknál hogy kapja meg a tisztességes feszültséget). Az a baj hogy nagyon nagy a nyugalmim. 5W ellenállásnak most 0.47 et tettem be. A C2-es kondi melegszik púposodik kifele(pedig megfelelő feszültség tűrésü és megfelelő polaritásban van.) Az egyik tranzisztor ellenállásat 160mV mérek míg a másikon 10 körül. A másik dolog, hogy a primerben sorosan ott van az izzó és látszik hogy felvillan(kondik töltése miatt) elhalványul és megint elkezd erősebben izzani. A trimmer helyett csak 500 ohmost tudtam tenni, de tettem vele sorosan egy 520 ohmos ellenállást.
Szia! Ha a C2 fortyog, akkor jelentős áram mellett kap fordított polaritást. Ez hibás építésre utal.
Szia!
Ez a tranzitfrekvencia, amelynél az áramerősítési tényező 1. Általában a magasabb érték a jobb.
Köszönöm,akkor az én olvasatomban ha a Hfe és Mhz több, akkor annak jobb az erősítési tényezője.
Szia! Az adatlapok többnyire az egységnyi áramerősítéshez tartozó frekvenciát adják meg. Ezt tekinthetjük felső határnak is.
Akkor jársz el helyesen, ha olyan értékűt használsz amilyennel az adott áramkör meg lett tervezve.
Az elegendő információ, hogy az adatlap direkt erősítő végtranzisztornak ajánlja.
Hali! Én meg építettem régen ezt a kapcsolást,de nekem nem volt az építéssel gond,tehát ahogy reloop kolléga is említette,csak az építésnél lehet a gond.
R6 is melegszik mint a nemtudom mi. Annyi hogy ahova 3k3 kellet tenni én 4k7 et tettem. A panel készítés pedig forrpontok alapján kifurkáni és összekötni. Vigyáztam a tükrözéssel. Annyi hogy 330µF 470µF kapott.
A hozzászólás módosítva: Feb 7, 2014
Sziasztok! Olyan kérdésem lenne hogy tudnátok nekem B688 és D718 tranzisztor párhoz tudnátok adni egy egyszerü kapcsolást ? Én kerestem de nem találtam!
Előre is köszönöm!
Sziasztok!
Sikerült elkészítenem az előerősítőt, és tökéletesen szuperál. Viszont így jelentkezett egy újabb probléma: A hangszóró jobban kihajtva serceg, olyan, mint amikor a tekercs hozzáér a mágneshez (ami valószínűtlen, tehát nem ez a baj), csak sokkal hangosabban. Ezt mi okozhatja? A hangszóró és a végfok is 250 watt RMS-t bír, tehát elvileg nem szabadna túlhajtania. Vagy elérheti az xmaxot? Üdv! Kori
Sziasztok. Segitseget szeretnek kerni nemreg kaptam egy hazilag epitett melyladat. A problemam az lenne vele hogy nagyon hangosan bug ahogy bekapcsolom.Egy ismerosom megnezte azt mondta ert hozza es hogy a vegerosito modullal van baj! Ki is cserelte de a bugas ugyan olyan maradt!! Nem sok hozzaertessel de a segitsegetekkel szeretnem megtudni mi lehet a baj hatha magamnak is meg tudnam javitani. Feltoltok egy kepet hatha segit valamiben.Elore is koszonom a segitseget....
Ezt bizony megfelelően újra kell vezetékezni, az alkatrészeket rögzíteni, forrasztásokat szigetelni.
Sziasztok!
Belekezdtem a Monster Végerősítő építésébe már a beültetésnél tartok, kérdésem az lenne hogy ha ezt a csatolt változatot nem 4, hanem 8 Ohm-al terhelném úgy megfelelő lenne-e a Feteknek 0,47 ohm-os Source Teljesítmény ellenállás? Ugyanis csak olyat kaptam. Köszönöm előre is!
Szia! Az áramkorlátozásod 15-ről 18A növekszik, és gyengül a FET-ek együttfutási hibájának kiegyenlítése.
Az áramkorlátozó nem olyan jó kimunkálású, hogy érdemes volna az aktív állapotával megismerkedni (oszcillációra hajlamosnak tűnik). Ha valamelyest össze tudod a párhuzamos FET-eket válogatni, vagy csak egyszerűen szerencsésen fogtad ki őket akkor 0,47 ohm is elég lesz.
Üdv! Vettem egy JBL E150p/230 SUB ládát. És rossz az erősítője. átnéztem mindent de nem találtam semmi ki éget tranzisztort, se kondenzátort, se ellenállást. De nem szól csak jelzi hogy be van kapcsolva. Az előző tulaj annyit tudott el mondani róla hogy amikor el ment otthonról akkor jó volt, amikor meg haza ért már nem kapcsolt be! ( IRF640N TO-220 ) ez a FET IC van benne 2db. Amit el tudok mondani hogy ha bekapcsolom nincs semmi pattanás és ilyesmi. De amikor ki kapcsolom akkor kb.1mp múlva pattan egyet nem is olyan kicsit. Lenne valakinek valami tanácsa mit nézzek meg a panelon, illetve milyen hibát keressek? ( auto starter-el volt használva ( Biztosíték 100% ig jó) )
Hali, elég bátor volt a készítő hogy egy Quad-ot bezárt a ládába, legalább a reflexcső elé rakta volna be a hűtőbordát, a "röfögés" kicsit áthűtené. A Quad405 topicot olvasd át hogy lehet megjavítani és nem ártana egy védelem sem bele.
Köszönök a válaszod!
És ha nagyobbat tennék 0,68 ohm? Talán azt még tudnék venni, még azt elfelejtettem megemlíteni hogy a +-65V sincs meg hanem úgy kb +-56V tehát 150-200W-nál többre nem számítok.
Ez esetben a 270W-os változat is elég lett volna.
A 0,47 ohm-mal nyugodtan összerakhatod a Monstert.
Szia! Doksi itt. Ellenőrizd a jelölt feszültségeket, és mérd meg beérkezik-e a jel a végfok bemenetére (PRE-O)!
|
Bejelentkezés
Hirdetés |




) Szóval el is lehet benne melegítve valami, bár szerintem az a hangján erősen hallatszana. Ezt a kis mély-problémát leszámítva szépen tisztán szól. (azt, hogy két teljesítményellenlálás szinte érinthetetlenül forró benne, betudjam a modern gyártástechnológia igénytelenségének, vagy gyanakodjak hibára?)
A végső eredményt úgyis az hozza, ha majd este (vagy max holnap) befejezem a feljebb linkelt előerősítő kapcsolást, és megnézem, meddig lehet hajtani. Az egyetlen dolog, ami zavar, hogy a max 70 wattot leadó hifivel összemérhető hangerőn nem kéne már a peak lednek bejeleznie (szerintem), a ténylegesen leadott 200 watt mélyet egy panellakásban én valahol az elviselhetetlen tartomány környékén képzelem el...
Ennek ellenére még a szomszéd se jött át, a peak mégis bevillant. De a puding próbája az evés, majd este írok 









