Fórum témák
» Több friss téma |
- Ez a felület kizárólag, az elektronikában kezdők kérdéseinek van fenntartva és nem elfelejtve, hogy hobbielektronika a fórumunk!
- Ami tehát azt jelenti, hogy a nagymama bevásárlását nem itt beszéljük meg, ill. ez nem üzenőfal! - Kerülendő az olyan kérdés, amit egy másik meglévő (több mint 17000 van), témában kellene kitárgyalni! - És végül büntetés terhe mellett kerülendő az MSN és egyéb szleng, a magyar helyesírás mellőzése, beleértve a mondateleji nagybetűket is!
Szia!
Ez egy spéci 75ohm-os koaxkábel. Adatlapot találsz róla.
Videó kábelnek használhatom?
Házimozi és Tv közé.
Még egy kérdés a Linken található kábel audió kábelnek lehet használni? Keverő pultomat szeretném be kábelezni..
belden-m cmp 75c 2ci8
Igen, lehet, mert kéteres, árnyékolt kábelről van szó.
Üdvözlet az Uraknak!
Ismét egy kérdéssel, kéréssel fordulnék hozzátok! Van egy mélyládám amiben sajnos elhalt a végfok. Igy a következő erősítőt építettem bele ami +-32V-ról szuperál. Szeretném a ládát automatává tenni gondolok itt egy "figyelőáramkörre" ami a mute pontokat nyitja-zárja a jel függvényében. Okoskodás csupán de én egy tranzisztoros -zéneres egységre gondoltam... Sajnos eddig nem találtam erre áramköri rajzzal ellátott megoldást. Valaki megtenné nekem, hogy küld v. linkel egy kapcsolást erre vonatkozólag alkatrészlistával?! Köszönet érte elöre is!
Ezt találtam de nekem ez pláne müszaki angolban szinte japán...
Na, arra sikerült rájönni, hogy a tranyó füsttel működik.
A bázisra és a kollektorra adtam tápot és mint kiderült nem jó. Valaki elmondja/megrajzolja hogy kellene?
Így kösd be! A wattmérőt csak szemléltetésnek rajzoltam rá, remélem nem zavaró.
Sziasztok!
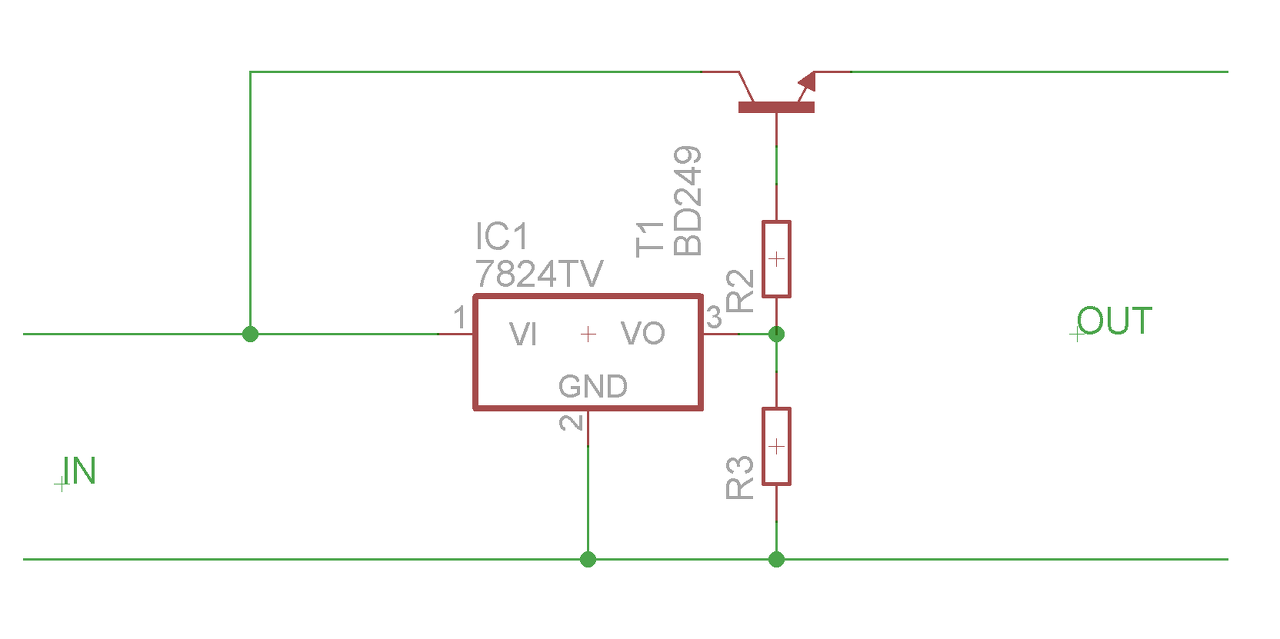
Arra kértek meg, hogy készítsek egy disel szivattyúhoz egy tápegységet. A motor 24V-os, és üzem közben 9-10A vesz fel. A tervem az, hogy egy trafó és egyenirányítás, valamint szűrés után egy 7824 meglökve egy nagyobb tranyóval. Valamikor láttam egy rajzot erről, emlékeim szerint olyan volt, amit rajzoltam, hogy a tranyó bázisát egy stabkockával állították be. Jó ez a rajz így? A bázisellenállást hogy számoljam ki? Vagy ha van valami jobb ötlet 24V 10A-re, akkor szívesen meghallgatom. A másik kérdéses dolog, hogy a motor ki-be kapcsolásakor lejátszódó tranziens jelenségek következményét, vagyis a nagy áramtüskéket, vagy csak simán az indulási áramot mi bírja ki. Ha pontosabb infó kell a motorról, megkérem, hogy írja le a típusát, mert én is csak annyit tudok, hogy 24V 10A. Bármilyen segítséget előre is köszönök.
Fogsz egy kb. 20 V~ trafót ami tud legalább 12 A-t, egyenirányítod, raksz rá jó sok kondit (kb. 22 000 uF) és készen is vagy. Nem tartom valószínűnek, hogy pár V eltérés miatt nem működne jól a szivattyú. Az is lehet, hogy 24 V~ egyenriányítva, kondenzátor nélkül is megfelel neki.
A hozzászólás módosítva: Feb 12, 2014
Erre én is gondoltam már. Elég ez így? Egy 18V-os trafó fog egyenirányítás után kb 24V-ot adni. Azt meg szűröm, és mehet rögtön a motorra?
A 18V (váltófesz) trafó valószínüleg kevés, terheléskor esik a kimenőfesz!
Mekkorát illene tenni oda? Mellesleg, hol tudok szerezni ilyen nagy terhelhetőségű trafót? Lehetőleg toroidot.
Miért ne lenne elég? A nagy áramfelvétel miatt viszont sok kondi kell. Elméletileg a 18 V-os váltóból lesz kb. 24, de éppen a nagy áramfelvétel miatt inkább kicsit több legyen a szekunderfeszültség.
Lehet, hogy szükséged lesz lágyindítóra is, de ez majd a tesztüzemnél kiderül.
Köszönöm a válaszodat. Az IC típusából kiindulva gugli már segített
. A 12V előállítását még valahogy megfejtem... Ha egy relét szeretnék kapcsolni vele akkor, jól gondolom, hogy illik egy tranzisztorral megtenni nem pedig közvetlen IC lábra kötni?
Sziasztok! A neten kutakodva találtam ezt a fordulatszám mérőt Láthatóan Vicsys-től származik. Az lenne a kérdésem, hogy milyen átalakítást kellene végrehajtani ahhoz, hogy optokapuval vagy hall szenzorral vagy egyéb "univerzális" jeladóval megfelelően működjön?
Hello! Én inkább azt javaslom, hogy ha a fűtéshez tranyót használsz, akkor azt egészítsd ki még három kistranyóval, és egy termisztorral. Így egy kis termosztátot kapsz, ahol a hőfok beállítható, és a maximális fűtőáram is könnyedén korlátozható R3 megválasztásával. üdv!
Hello! Még egyszerűbb, ha 24V-os trafót, és csak egyenirányító hidat használsz. A motor azt is 24V egyenfeszültségnek fogja nézni. Kondi meg nem is kell. Túlfeszültség miatt ha ezért aggódsz a táp kimenetére egy varisztort teszel. üdv!
Hello! Még szép, mert az IC maximum pár mA-t tud adni, nem egy relét meghajtani. Valamint így az IC táp lehet kisebb is, mint a relé feszültsége. De ha keresel a relé meghajtására találsz megfelelő kapcsolást. üdv!
Hello! Kissé általános a kérdés. De természetesen a hallnak és az optónak is általában tranyó kimenete van, aminek kollektorát-emitterét bekötöd a bemenet és a GND közé. üdv!
Nem fog a motor tönkremenni tőle, hogy nem sima egyenfeszt kap? Ez a varisztor mit csinál pontosan? Ha jól tudom, ez egy bizonyos fesz felett vezetni kezd, előtte pedig nagy az ellenállása, nem?
Hello! És ehhez a ventilátorhoz való változat lenne jó? Semmi módosítás nem kell?
Ha ez egy kommutátoros motor, nem érdekli a csúcs, csak az átlagfeszültség. Igen a varisztor túlfeszültsége felett vezet és "feleszi" a tranzienst.
A hozzászólás módosítva: Feb 12, 2014
Értem. Nagyon szépen köszönöm a segítséget. Egy 300VA-es trafó 12,5A-es árama elég lesz a motor indulásához?
De jókat kérdezel.. A jövőbelátás nem az erősségünk, bár iparkodunk elsajátítani rendesen..
Tekintve hogy fogalmam sincs milyen motor,mekkora az indulóárama és terhelése, szerinted honnan lehetne tudni. De ha névleges terhelése 10A, szerintem el fog indulni. De egyenirányító hidat minimum egy 25A-eset tegyél hozzá. üdv! |
Bejelentkezés
Hirdetés |




A bázisra és a kollektorra adtam tápot és mint kiderült nem jó. Valaki elmondja/megrajzolja hogy kellene? 

. A 12V előállítását még valahogy megfejtem... Ha egy relét szeretnék kapcsolni vele akkor, jól gondolom, hogy illik egy tranzisztorral megtenni nem pedig közvetlen IC lábra kötni? 




